| AC DC Converters, Offline Switchers | 2 | Active | This primary controller I.C., developed in BCD60II technology, has been designed to implement off line or DC-DC power supply applications using a fixed frequency current mode control.
Based on a standard current mode PWM controller this device includes some features such as programmable soft start, IN/OUT synchronization, disable (to be used for over voltage protection and for power management), precise maximum Duty Cycle Control, 100ns leading edge blanking on current sense, pulse by pulse current limit, overcurrent protection with soft start intervention, and Standby function for oscillator frequency reduction when the converter is lightly loaded. |
L6203DMOS Full Bridge Driver | Power Management (PMIC) | 1 | Active | The I.C. is a full bridge driver for motor control applications realized in Multipower-BCD technology which combines isolated DMOS power transistors with CMOS and Bipolar circuits on the same chip. By using mixed technology it has been possible to optimize the logic circuitry and the power stage to achieve the best possible performance. The DMOS output transistors can operate at supply voltages up to 42V and efficiently at high switching speeds. All the logic inputs are TTL, CMOS and µC compatible. Each channel (half-bridge) of the device is controlled by a separate logic input, while a common enable controls both channels. The I.C. is mounted in three different packages. |
| Integrated Circuits (ICs) | 1 | Obsolete | |
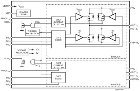
L6205DMOS DUAL FULL BRIDGE DRIVER | Power Management (PMIC) | 3 | Active | The L6205 is a DMOS Dual Full Bridge designed for motor control applications, realized in MultiPower-BCD technology, which combines isolated DMOS Power Transistors with CMOS and bipolar circuits on the same chip. Available in PowerDIP20 (16+2+2), PowerSO20 and SO20(16+2+2) packages, the L6205 features a non-dissipative protection of the high side PowerMOSFETs and thermal shutdown. |
L6206DMOS dual full bridge driver | Full, Half-Bridge Drivers | 2 | Active | The L6206 device is a DMOS dual full bridge designed for motor control applications, realized in BCD technology, which combines isolated DMOS power transistors with CMOS and bipolar circuits on the same chip. Available in the PowerSO36 and SO24 (20 + 2 + 2) packages, the L6206 device features thermal shutdown and a non-dissipative overcurrent detection on the high-side power MOSFETs plus a diagnostic output that can be easily used to implement the overcurrent protection. |
L6207DMOS dual full bridge driver with PWM current controller | PMIC | 3 | Active | The L6207 device is a DMOS dual full bridge designed for motor control applications, realized in BCD technology, which combines isolated DMOS power transistors with CMOS and bipolar circuits on the same chip. The device also includes two independent constant off time PWM current controllers that perform the chopping regulation. Available in PowerSO36 and SO24 (20 + 2 + 2) packages, the L6207 device features a non-dissipative overcurrent protection on the high-side Power MOSFETs and thermal shutdown. |
| Power Management (PMIC) | 1 | Obsolete | |
L6219DSAStepper Motor Driver, Injection control | PMIC | 4 | Active | The L6219R is a bipolar monolithic integrated circuits intended to control and drive both winding of a bipolar stepper motor or bidirectionally control two DC motors.The L6219R with a few external components form a complete control and drive circuit for LS-TTL or microprocessor controlled stepper motor system.The power stage is a dual full bridge capable of sustaining 10V and including four diodes for current recirculation.
A cross conduction protection is provided to avoid simultaneous cross conduction during switching current direction.
An internal pulse-width-modulation (PWM) controls the output current to 500mA with peak start-up current up to 1A. Wide range of current control from 500mA (each bridge) is permitted by means of two logic inputs and an external voltage reference. A phase input to each bridge determines the load current direction. A thermal protection circuitry disables the outputs if the chip temperature exceeds safe operating limits. |
| Discrete Semiconductor Products | 3 | Obsolete | |
L6225DMOS DUAL FULL BRIDGE DRIVER | Integrated Circuits (ICs) | 1 | Active | The L6225 is a DMOS Dual Full Bridge designed for motor control applications, realized in MultiPower-BCD technology, which combines isolated DMOS Power Transistors with CMOS and bipolar circuits on the same chip. Available in PowerDIP20 (16+2+2), PowerSO20 and SO20(16+2+2) packages, the L6225 features a non-dissipative protection of the high side PowerMOSFETs and thermal shutdown. |