L6227DMOS dual full bridge driver with PWM current controller | Integrated Circuits (ICs) | 1 | Active | The L6227 device is a DMOS dual full bridge designed for motor control applications, realized in BCD technology, which combines isolated DMOS power transistors with CMOS and bipolar circuits on the same chip. The device also includes two independent constant off time PWM current controllers that performs the chopping regulation. Available in PowerSO36 and SO24 (20 + 2 + 2) packages, the L6227 device features a non-dissipative overcurrent protection on the high-side power MOSFETs and thermal shutdown. |
L6228QDMOS driver for bipolar stepper motor | PMIC | 3 | Active | The L6228 device is a DMOS fully integrated stepper motor driver with non-dissipative overcurrent protection, realized in BCD technology, which combines isolated DMOS power transistors with CMOS and bipolar circuits on the same chip. The device includes all the circuitry needed to drive a two phase bipolar stepper motor including: a dual DMOS full bridge, the constant off time PWM current controller that performs the chopping regulation and the phase sequence generator, that generates the stepping sequence. Available in PowerSO36 and SO24 (20 + 2 + 2) packages, the L6228 device features a non-dissipative overcurrent protection on the high-side power MOSFETs and thermal shutdown. |
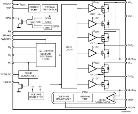
L6229QDMOS driver for three-phase brushless DC motor | PMIC | 3 | Active | The L6229Q is a DMOS fully integrated three-phase motor driver with overcurrent protection.
Realized in BCDmultipower technology, the device combines isolated DMOS power transistors with CMOS and bipolar circuits on the same chip.
The device includes all the circuitry needed to drive a three-phase BLDC motor including: a three-phase DMOS bridge, a constant off time PWM current controller and the decoding logic for single ended hall sensors that generates the required sequence for the power stage.
Available in VFQFPN-32 5 x 5 package, the L6229Q features a non-dissipative overcurrent protection on the high side power MOSFETs and thermal shutdown. |
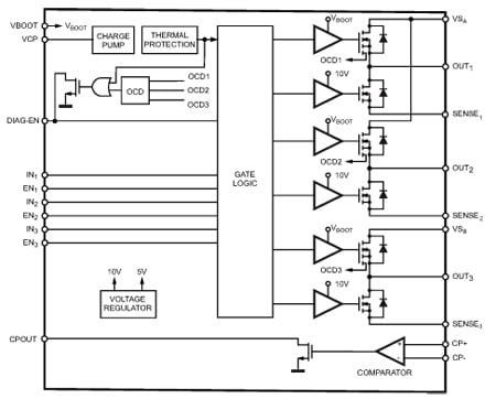
L6230DMOS driver for three-phase brushless DC motor | Integrated Circuits (ICs) | 2 | Active | The L6230 is a DMOS fully integrated 3-phase motor driver with overcurrent protection optimized for FOC application thanks to the independent current senses.
Realized in BCD technology, the device combines isolated DMOS power transistors with CMOS and bipolar circuits on the same chip.
An uncommitted comparator with open-drain output is available.
Available in Power SO36 and VFQFPN32 packages, the L6230 features a non-dissipative overcurrent protection on the high-side power MOSFET and thermal shutdown. |
| Power Management (PMIC) | 2 | Active | |
| Motor Drivers, Controllers | 1 | Obsolete | |
L6258EXPWM-controlled, high-current DMOS universal motor driver | Power Management (PMIC) | 2 | Active | L6258EX is a dual full bridge for motor control applications realized in BCD technology, with the capability of driving both windings of a bipolar stepper motor or bidirectionally control two DC motors.
L6258EX and a few external components form a complete control and drive circuit. It has high efficiency phase shift chopping that allows a very low current ripple at the lowest current control levels, and makes this device ideal for steppers as well as for DC motors.
The power stage is a dual DMOS full bridge capable of sustaining up to 40V, and includes the diodes for current recirculation.The output current capability is 1.5A per winding in continuous mode, with peak start-up current up to 2A. A thermal protection circuitry disables the outputs if the chip temperature exceeds the safe limits. |
L6362AIO-Link communication transceiver device IC | Interface | 1 | Active | The L6362A is an IO-Link and SIO mode transceiver device compliant to PHY2 (3-wire connection) supporting COM1 (4.8 kbaud), COM2 (38.4 kbaud) and COM3 (230.4 kbaud) modes. The output stage can be configured as high-side, low-side or push-pull and it can drive resistive, capacitive and inductive loads. It can be connected to a sensor chip with the industrial 24 V environment. The industrial environment could be a PLC, an IO-Link master, a relay or a valve. The L6362A is protected against reverse polarity, among VCC, GND, OUTH, OUTL and I/Q pins. Furthermore, the IC is protected against output short-circuit, overvoltage and impulse voltage withstand (±1 kV pulse amplitude, 1.2/50 μs pulse duration, 500 Ω source impedance). |
L6364Dual channel transceiver IC for SIO and IO-Link sensor applications | Integrated Circuits (ICs) | 1 | Active | The L6364 is a dual channel transceiver for industrial sensor applications. It has been designed to support even the IO-Link standard and acts as a bridge between a microcontroller with a sensor or actuator function and a 24 V supply and signaling cable. In normal operation the L6364 is configured at start up by the microcontroller via the SPI interface. Typically, the L6364 then operates as a Single Input Output device driving the output lines as configured by the microcontroller. If the device is connected to an IO-Link master, then the master can initiate communication and exchange data with the microcontroller while the L6364 acts as a physical layer for the communication.The L6364 integrates a surge pulse suppressor circuit featuring the protection of the process side pins (VPLUS, CQ, DIO, PGND) against up to ±1.5 kV/50 us withstand pulses applied with 500 Ω coupling. Also, the same pins are protected against reverse polarity (Surge pulse and reverse polarity protections). The two symmetrical input/output stages (CQ and DIO) can be used either for the communication through the 24 V data bus or to drive industrial loads. Each output stage can be configured (Hi-Z, High Side, Low Side, Push-Pull) and protected against overload by the ISET programmable threshold (110 mA to 250 mA). Also, the JOIN mode configuration allows to reduce power dissipation and to double overload threshold by shorting CQ and DIO on the application. The IC embeds two linear regulators (V3V3 and V5V) than can work either directly supplied by the external supply rail (VPLUS) or by the high efficiency and configurable (VSET, fSET) embedded DC-DC converter. The output voltage of the DC-DC can be used as additional supply rail for the application. The total current capability (IOUT) of the internal regulators and DC-DC is 50 mA. The logic core of the IC is internally supplied by the V3V3 rail and communicates with the external microcontroller by an SPI (slave) interface, an interrupt signal (INT) and direct driving of DIO line (CTLD). The VDIG pin defines the voltage rail of these digital signals: it enables the IC to work even with microcontroller supplied by different rails than V3V3. The internal logic embeds an IO-Link UART peripheral that can be configured by the microcontroller in one of the three possible options: Transparent, Single-octet or Multi-octet (IO-Link UART peripheral). In Transparent mode the IC works purely as a physical layer between the microcontroller and the 24 V data bus: the workload for the management of the input/output data is fully demanded to the firmware running on the microcontroller. In Single-octet and Multi-octet modes the IC itself does a set of IO-Link required checks on the input/output data with consequent drastic reduction of the workload for the microcontroller. The Multi-octet is usually preferred when the data transfer with the IO-Link master can be managed by the available 8-bits registers buffer: the IC generates an interrupt to microcontroller when all data in the buffer are ready. If IO-Link data transfer exceeds the IC buffer capability, then Single-octet can be used instead: in this case the IC generates an interrupt at every octet ready. The L6364 offers two programmable pins (LED1 and LED2) acting as LED drivers with configurable current capability (up to 8 mA, each). |
L63702.5A High Side Driver Intelligent Power Switch | Integrated Circuits (ICs) | 3 | Active | The L6370 is a monolithic intelligent power switch in Multipower-BCD Technology, for driving inductive or resistive loads. An internal clamping diode enables the fast demagnetization of inductive loads. Diagnostic for CPU feedback and extensive use of electrical protections make this device extremely rugged and specially suitable for industrial automation applications. |