STP22N-channel 600 V, 0.2 Ohm, 16 A MDmesh(TM) II Power MOSFET in TO-220 | Single FETs, MOSFETs | 2 | Active | These devices are N-channel Power MOSFETs developed using the second generation of MDmesh™ technology. This revolutionary Power MOSFET associates a vertical structure to the company’s strip layout to yield one of the world’s lowest on-resistance and gate charge. It is therefore suitable for the most demanding high efficiency converters. |
| Discrete Semiconductor Products | 1 | Active | |
| Single FETs, MOSFETs | 1 | Obsolete | |
| FETs, MOSFETs | 1 | Obsolete | |
STP23N80K5N-channel 800 V, 0.23 Ohm typ., 16 A MDmesh K5 Power MOSFET in a TO-220 package | Transistors | 1 | Active | This very high voltage N-channel Power MOSFET is designed using MDmesh™ K5 technology based on an innovative proprietary vertical structure. The result is a dramatic reduction in on-resistance and ultra-low gate charge for applications requiring superior power density and high efficiency. |
STP23NM50NN-channel 500 V, 0.162 Ohm, 17 A, TO-220 MDmesh(TM) II Power MOSFET | Transistors | 1 | Active | These devices are made using the second generation of MDmesh™technology. This revolutionary Power MOSFET associates a new vertical structure to the company’s strip layout to yield one of the world’s lowest on-resistance and gate charge. It is therefore suitable for the most demanding high efficiency converters. |
STP24N-Channel 100V - 0.055Ohm - 26A - TO-220 LOOhm GATE CHARGE StripFET(TM) II POWER MOSFET | Single | 3 | Active | These FDmesh II Plus™ low QgPower MOSFETs with intrinsic fast-recovery body diode are produced using a new generation of MDmesh™ technology: MDmesh II Plus™ low Qg. These revolutionary Power MOSFETs associate a vertical structure to the company's strip layout to yield one of the world's lowest on-resistance and gate charge. They are therefore suitable for the most demanding high efficiency converters and ideal for bridge topologies and ZVS phase-shift converters. |
STP240N10F7N-channel 100 V, 2.85 mOhm typ., 110 A STripFET F7 Power MOSFET in a TO-220 package | Discrete Semiconductor Products | 1 | Active | This N-channel Power MOSFET utilizes the STripFET™ F7 technology with an enhanced trench gate structure that results in very low on-state resistance, while also reducing internal capacitance and gate charge for faster and more efficient switching. |
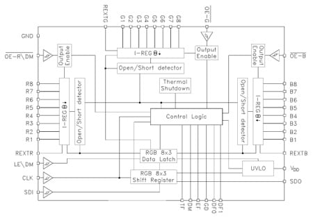
STP24DP0524-bit constant current LED sink driver with output error detection | Integrated Circuits (ICs) | 1 | Active | The STP24DP05 is a monolithic, low-voltage, low current power 24-bit shift register designed for LED panel displays. The device contains an 8 x 3-bit serial-IN, parallel-OUT shift register that feeds a 8 x 3-bit D-type storage register. In the output stage, twenty four regulated current sources were designed to provide 5-80 mA constant current to drive the LEDs.
The 8 x 3 shift register data flow sequence order can be managed through two dedicated pins.
The STP24DP05 has a dedicated pin to activate the outputs with a sequential delay, that prevents inrush current during output turn-ON.
The device detection circuit checks 3 different conditions that can occur on the output line: short to GND, short to VO, or open line.
The data detection results are loaded in the shift registers and shifted out via the serial line output.
The detection functionality is activated with a dedicated pin or alternatively, through a logic sequence that allows the user to enter or exit detection mode.
Through three external resistors, the user can adjust the output current for each 8-channel group, therefore controlling the light intensity of LEDs.
The STP24DP05 guarantees a 20 V output driving capability, allowing the user to connect more LEDs in series.
The high clock frequency, 25 MHz, makes the device suitable for high data rate transmission.
The 3.3 V of voltage supply is useful for applications that interface any microcontroller from 3.3 V. |
STP24N60M2N-channel 600 V, 0.168 Ohm typ., 18 A MDmesh M2 Power MOSFET in TO-220 package | Transistors | 1 | Active | These devices are N-channel Power MOSFETs developed using a new generation of MDmesh™ technology: MDmesh II Plus™ low Qg. These revolutionary Power MOSFETs associate a vertical structure to the company's strip layout to yield one of the world's lowest on-resistance and gate charge. They are therefore suitable for the most demanding high efficiency converters. |