S
STMicroelectronics
| Series | Category | # Parts | Status | Description |
|---|---|---|---|---|
| Part | Spec A | Spec B | Spec C | Spec D | Description |
|---|---|---|---|---|---|
| Series | Category | # Parts | Status | Description |
|---|---|---|---|---|
| Part | Spec A | Spec B | Spec C | Spec D | Description |
|---|---|---|---|---|---|
| Series | Category | # Parts | Status | Description |
|---|---|---|---|---|
| PMIC | 5 | Active | ||
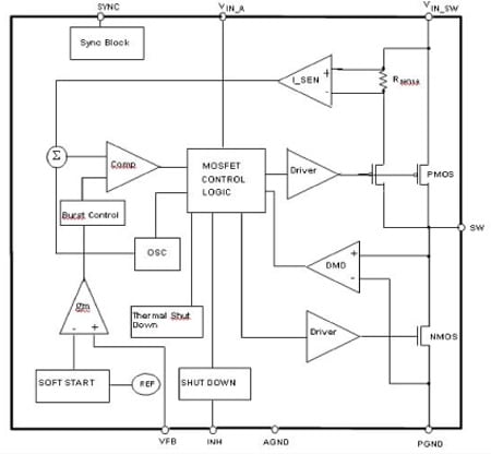
ST1S092 A, 1.5 MHz PWM step-down switching regulator with synchronous rectification | Voltage Regulators - DC DC Switching Regulators | 2 | Active | The ST1S09 is a step-down DC-DC converter optimized for powering low output voltage applications. It supplies a current in excess of 2 A over an input voltage range from 2.7 V to 6 V.
A high PWM switching frequency (1.5 MHz) allows the use of tiny surface-mount components.
Moreover, since the required synchronous rectifier is integrated, the number of the external components is reduced to minimum: a resistor divider, an inductor and two capacitors. The Power Good function continuously monitors the output voltage. An open drain Power Good flag is released when the output voltage is within regulation. In addition, a low output ripple is guaranteed by the current mode PWM topology and by the use of low ESR SMD ceramic capacitors. The device is thermally protected and the output current limited to prevent damages due to accidental short circuit. The ST1S09 is available in the DFN6 (3 x 3 mm) package. |
ST1S103 A, 900 kHz, monolithic synchronous step-down regulator IC | Voltage Regulators - DC DC Switching Regulators | 1 | Active | The ST1S10 is a high efficiency step-down PWM current mode switching regulator capable of providing up to 3 A of output current. The device operates with an input supply range from 2.5 V to 18 V and provides an adjustable output voltage from 0.8 V (VFB) to 0.85 * VIN_SW[VOUT= VFB* (1 + R1/R2)]. It operates either at a 900 kHz fixed frequency or can be synchronized to an external clock (from 400 kHz to 1.2 MHz). The high switching frequency allows the use of tiny SMD external components, while the integrated synchronous rectifier eliminates the need for a Schottky diode. The ST1S10 provides excellent transient response, and is fully protected against thermal overheating, switching overcurrent and output short-circuit.
The ST1S10 is the ideal choice for point of load regulators or LDO pre-regulation. |
ST1S12XXSynchronous rectification with enable, 0.7 A, 1.7 MHz fixed or adjustable step-down switching regulator in TSOT23-5L | Power Management (PMIC) | 2 | Active | The ST1S12 is a step down DC-DC converter optimized for powering low-voltage digital cores in HDD applications and, generally, to replace the high current linear solution when the power dissipation may cause high heating of the application environment. It provides up to 0.7 A over an input voltage range of 2.5 V to 5.5 V. A high switching frequency (1.7 MHz) allows the use of tiny surface-mount components. In addition to the resistor divider to set the output voltage value, only an inductor and two capacitors are required. Moreover, a low output ripple is guaranteed by the current mode PWM topology and by the use of low ESR SMD ceramic capacitors. The device is thermally protected and the current is limited to prevent damage due to accidental short-circuit. The ST1S12 is available in the TSOT23-5L package. |
ST1S15500 mA, 6 MHz synchronous step-down converter | Integrated Circuits (ICs) | 1 | Obsolete | The ST1S15 is a high efficiency miniaturized step-down converter able to provide 500 mA output current from an input voltage from 2.3 V to 5.5 V. This converter is specifically designed for applications where high efficiency and small application area are the key factors. Thanks to 6 MHz switching frequency, the ST1S15 can use 470 nH nominal values for the inductor and 4.7 µF for the output capacitor providing, at the same time, very good performance in terms of load and line transients. A PFM mode can be selected for high efficiency under light load conditions or PWM mode for tight regulation and best dynamic performance. Short-circuit and thermal protection are also included. |
ST1S303 A, 1.5 MHz PWM step-down switching regulator with synchronous rectification | Voltage Regulators - DC DC Switching Regulators | 1 | Active | The ST1S30 is a step-down DC-DC converter optimized for powering low output voltage applications. It supplies a current in excess of 3 A over an input voltage range from 2.7 V to 6 V.
A high PWM switching frequency (1.5 MHz) allows the use of tiny surface-mount components.
Moreover, since the required synchronous rectifier is integrated, the number of the external components is reduced to minimum: a resistor divider, an inductor and two capacitors. The Power Good function continuously monitors the output voltage. An open drain Power Good flag is released when the output voltage is within regulation. In addition, a low output ripple is guaranteed by the current mode PWM topology and by the use of low ESR SMD ceramic capacitors. The device is thermally protected and the output current limited to prevent damages due to accidental short circuit. The ST1S30 is available in the DFN8 (4 x 4 mm) package. |
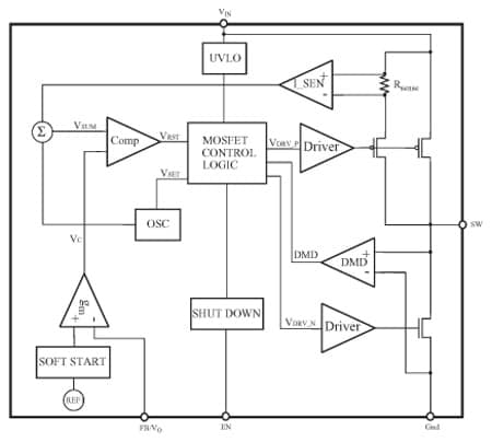
ST1S313 A DC step-down switching regulator | Integrated Circuits (ICs) | 1 | Active | The ST1S31 device is an internally compensated 1.5 MHz fixed-frequency PWM synchronous step-down regulator. The ST1S31 operates from 2.8 V to 5.5 V input, while it regulates an output voltage as low as 0.8 V and up to VIN.
The ST1S31 integrates a 60 mΩ high-side switch and a 45 mΩ synchronous rectifier allowing very high efficiency with very low output voltages.
The peak current mode control with internal compensation delivers a very compact solution with a minimum component count.
The ST1S31 device is available in 3 mm x 3 mm, 8 lead VFDFPN and SO8 packages. |
ST1S414 A step-down switching regulator | PMIC | 2 | Active | The ST1S41 is an internally compensated 850 kHz fixed-frequency PWM synchronous step-down regulator. The ST1S41 operates from 4.0 V to 18 V input, while it regulates an output voltage as low as 0.8 V and up to VIN.
The ST1S41 integrates 95 mΩ high-side switch and 69 mΩ synchronous rectifier allowing very high efficiency with very low output voltages.
The peak current mode control with internal compensation delivers a very compact solution with a minimum component count.
The ST1S41 is available in VFQFPN 4 mm x 4 mm 8-lead package and HSOP-8. |
ST1S504 A Monolithic synchronous step-down converter with high efficiency at light load | Power Management (PMIC) | 1 | Active | The ST1S50 device is a 500 kHz fixed frequency PWM synchronous step-down regulator. The ST1S50 operates from 4.0 V to 18 V input, while it regulates an output voltage as low as 0.8 V and up to 0.88 x VIN.
The ST1S50 device integrates a 95 mΩ high-side switch and a 69 mΩ synchronous rectifier allowing very high efficiency with very low output voltages.
The peak current mode control with a special PFM mode enables high efficiency at a light load.
The ST1S50 device is available in a VFDFPN10 3 x 3 x 1 mm - 10 leads package. |
ST202EC5V POWERED MULTI-CHANNEL RS-232 DRIVERS AND RECEIVERS, [0oC, 70oC] TEMPERATURE RANGE | Integrated Circuits (ICs) | 5 | Active | The ST202EB, ST202EC, ST232EB, and ST232EC are two-driver, two-receiver devices designed for RS-232 and V.28 communications in harsh environments. Each transmitter output and receiver input is protected against ± 15 kV electrostatic discharge (ESD) shocks. The drivers meet all EIA/TIA-232E and CCITT V.28 specifications at data rates up to 230 kbps, when loaded in accordance with the EIA/TIA-232E specification. The ST202EB, ST202EC, ST232EB, and ST232EC use a single 5 V supply voltage.
The ST232EB and ST232EC operate with four 1 µF capacitors, while the ST202EB and ST202EC operate with four 0.1 µF capacitors, further reducing cost and board space. |
| Part | Category | Description |
|---|---|---|
STMicroelectronics EMIF09-SD01F3Obsolete | Filters | FILTER RC(PI) 40 OHM/20PF SMD |
STMicroelectronics | Integrated Circuits (ICs) | STM32 DYNAMIC EFFICIENCY MCU WITH BAM, HIGH-PERFORMANCE AND DSP WITH FPU, ARM CORTEX-M4 MCU WITH 1 MBYTE OF FLASH MEMORY, 100 MHZ CPU, ART ACCELERATOR, DFSDM |
STMicroelectronics | Integrated Circuits (ICs) | 32-BIT POWER ARCHITECTURE MCU FOR AUTOMOTIVE BODY AND GATEWAY APPLICATIONS |
STMicroelectronics | Integrated Circuits (ICs) | MCU 32-BIT E200Z0H RISC 128KB FLASH 3.3V/5V AUTOMOTIVE AEC-Q100 64-PIN LQFP T/R |
STMicroelectronics | Development Boards Kits Programmers | DEMONSTRATION BOARD FOR SINGLE CHANNEL OP-AMP IN SO8 PACKAGE |
STMicroelectronics LDLN025J30RLTB | Integrated Circuits (ICs) | IC REG LINEAR 3V 250MA 4FLIPCHIP |
STMicroelectronics ST25RU3993-EVALObsolete | Development Boards Kits Programmers | ST25RU3993 READER IC EVALUATION BOARD |
STMicroelectronics | Integrated Circuits (ICs) | ARM-BASED 32-BIT MCU+FPU, 84MHZ, 128KB FLASH, 49-PIN WLCSP, -40 TO 85°C T/R |
STMicroelectronics STP12NM60NObsolete | Discrete Semiconductor Products | MOSFET N-CH 600V 10A TO220AB |
STMicroelectronics VND1NV04Obsolete | Integrated Circuits (ICs) | IC PWR DRIVER N-CHANNEL 1:1 DPAK |