TW8804LCD Flat Panel Controller with Integrated NTSC/PAL/SECAM Decoder and Analog/Digital RGB/FB Input | Video Processing | 1 | Active | The TW8804 LCD Flat Panel Controller is a low-cost high-quality TFT panel controller with an embedded NTSC/PAL/SECAM TV decoder. This unique level of mixed-signal integration enables the panel to be used as a stand-alone analog TV. An integrated YPbPr/RGB component input allows direct connection to DVD, PIP and TTX sources. Separate digital inputs allow it to be used as a high-quality computer monitor when combined with additional ICs. It incorporates easy-to-operate and powerful features in a single package for LCD TV, multi-purpose LCD Monitor, Portable DVD Players and Car Display Entertainment Systems. The TW8804 contains all the logic required to convert standard TV, DTV, and PC monitor signals to the digital control and data signals required to drive various TFT panel types. It supports TFT panel resolutions up to 1280 by 1024 (SXGA/WXGA) with either 1 or 2-pixel/clock formats. The chip accepts CVBS (composite) analog input or S-video analog input or YPbPr input for use as a video monitor. Up to four physical CVBS inputs or one S-video input or one component input can be connected synchronously with component (RGB or YPbPr) input via fast blanking and switched internally under external microprocessor control. The integrated analog front-end contains six ADCs with five clamping circuits and one Automatic Gain Control (AGC) circuit to minimize external component count. It employs a 2/4H, 5-line adaptive comb filter and proprietary Y/C processing technologies to produce exceptionally high-quality pictures. The chip's internal logic synchronizes the panel frame rate to the incoming input frame rate. A high-quality image-scaling engine is used to convert the lower resolution formats or high-resolution DTV formats to the output panel resolution. An internal de-interlacing engine also allows interlaced video to be supported. On-Screen Display is supported through either an external OSD chip or on-chip OSD RAM for maximum flexibility. A Closed Caption decoder is built in. The TW8804 also accepts a 24-bit digital RGB input from an external PanelLinkTM receiver or ADCs for use as a computer monitor. In addition, it accepts 8/16/24 bits digital YCbCr input for use with external ADCs for use as a DTV monitor. The TW8804 also supports TFT panel power sequencing, DPMS Display Power Management Signaling) signaling and power management. The control interface is a 2-wire serial bus interface. The TW8804 core operates at 2.5V, the IO at 3.3V and is packaged in a 160-pin PQFP package. |
TW8806LCD Display Processors with built-in Video Decoder and T-CON | Integrated Circuits (ICs) | 3 | Obsolete | Techwells TW8806 LCD display processor is a low-cost high-quality TFT panel controller with an embedded NTSC/PAL/SECAM TV decoder. This unique level of mixed-signal integration enables the panel to be used as a stand-alone LCD display for in-car entertainment, portable DVD and portable LCD TV applications. An integrated triple analog-to-digital converter supports YPbPr/RGB component input and allows direct connection to DVD and Navigation sources. In addition, flexible digital inputs support 24-bit Digital RGB and 8/16/24-bit YCbCr inputs. The TW8806 contains all the logic required to convert standard TV, DTV, and PC monitor signals to the digital control and data signals required to drive various TFT panel types. It supports TFT panel resolutions up to 1280 by 768 with 1- pixel/clock formats. The chip has nine analog inputs. This enables a number of input combinations simultaneously. For example, the chip can accept up to 4 CVBS inputs simultaneously. The chip can also accept one CVBS, one S-Video, one component and one analog RGB simultaneously. The integrated analog front-end contains three ADCs with three clamping circuits and one Automatic Gain Control (AGC) circuit to minimize external component count. It employs a 4H, 5-line adaptive comb filter and proprietary Y/C processing technologies to produce exceptionally high-quality pictures. The chip's internal logic synchronizes the panel frame rate to the incoming input frame rate. A high-quality image-scaling engine is used to convert the lower resolution formats or high-resolution DTV formats to the output panel resolution. An internal de-interlacing engine also allows interlaced video to be supported. On-Screen Display is supported through an on-chip OSD RAM for maximum flexibility. A closed caption decoder is built in. The TW8806 also accepts a 24-bit digital RGB input from an external PanelLinkTM receiver or ADCs for use as a computer monitor. In addition, it accepts 8/16/24 bits digital YCbCr input for use with external ADCs for use as a DTV monitor. The TW8806 also supports TFT panel power sequencing, DPMS (VESATM Display Power Management Signaling) signaling and power management. The control interface is a 2-wire serial bus interface. The TW8806 core operates at 1.8V, the IO at 3.3V and packaged in a 128-pin PQFP package. |
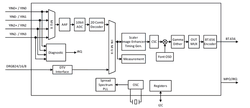
TW8809Low Cost Video Format Converter | Video Processing | 2 | Active | The TW8809 is a low cost video format converter that can take either analog CVBS or 24-bit digital RGB format video and output these signals in ITU-R. 656 format. The video sources can be scaled and deinterlaced, so that the ITU-R BT. 656 output is already formatted to the desired resolution and in progressive format. In addition, the TW8809 has built-in OSD and image enhancement capabilities. |
TW8811CIn-Car LCD Display Processor | Linear | 3 | Active | TW8811 is a high performance integrated LCD display processor designed for in-car display applications including navigation systems, in dash DVD players, rear-seat/ head-mount displays, and automotive TVs. The chip uses a single 27Mhz crystal, comes in a 208-pin LQFP package and is qualified for automotive applications including -40°C to +85°C temperatures and 1, 000 hours of reliability testing. TW8811 requires an external 64mbit SDRAM to support PIP and other advanced functions. Inputs include composite video, s-video, YPbPr, analog RGB, 24-bit digital RGB and 8/16/24 bit YCbCr. For composite video streams, a high quality 3D comb filter for NTSC and PAL with concurrent 3D noise reduction is integrated to reduce artifacts typically found in analog video signals. In addition to a 3D comb filter, a number of proprietary image processing algorithms are implemented in TW8811 to improve picture quality including a built in 2D-deinterlacing engine with low angle compensation, black/white stretch and color enhancement. TW8811 has a sophisticated PIP function that includes Picture in Picture (PIP) with variable sub-window size, picture over picture (POP), and multiple PIP. The TW8811 on-screen display can select 256 colors from 24-bit colors (16. 7 million colors) and is a graphic style OSD with a variety of functions including blinking, transparency, blending, and multi-window support. The TW8811 also supports external 18-bit OSDs with external alpha blending control. |
TW8816B3Highly Integrated LCD Controller with On-Chip MCU & CCFL Controller | Evaluation Boards | 9 | Active | The TW8816B3 is a highly integrated multi-purpose LCD display solution for both analog and digital panels. To reduce BOM cost, TW8816B3 integrates an 8-bit MCU and a CCFL or LED controller. Through multiple input ports, TW8816B3 can directly display video and graphic content from a variety of devices including TV Tuners, DVD players, back-up cameras, DTV/DMB receivers, and navigation/GPS receivers. |
TW8817Low cost, Highly integrated LCD controller for digital LCD panels | Video Processing | 2 | Active | The TW8817 is a highly integrated low cost TFT flat panel controller supporting digital panels. To reduce BOM cost, TW8817 integrates a SECAM/NTSC/PAL video decoder supporting CVBS & S-Video inputs, an 8-bit MCU, a CCFL controller and a LED controller. The TW8817 integrates a high quality NTSC/PAL/SECAM 2D video decoder and a 2D De-interlacer/Scaler. |
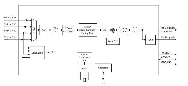
TW8819Ultra Low Cost LCD Controller | Evaluation Boards | 3 | Active | The TW8819 is an ultra low cost highly integrated LCD controller. It combines a high quality 2D comb NTSC/PAL/SECAM video decoder, high quality scaler, Font based OSD engine, and image enhancement functions. It also supports panoramic scaling for conversion to wide screen display. The TW8819 supports analog composite video inputs and the output supports a wide variety of digital LCD panel types. |
| Evaluation and Demonstration Boards and Kits | 1 | Active | |
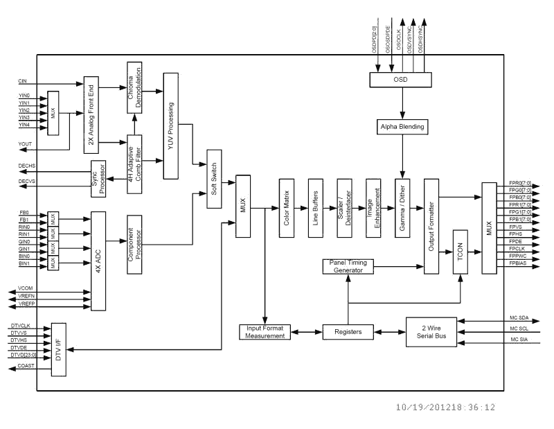
TW8823CTFT Flat Panel Controller with Built-in 3D Video Decoder, Triple ADCs, Dual PIP and 16-bit OSD Support | Development Boards, Kits, Programmers | 3 | Active | The TW8823C incorporates many of the features required to create a multi-purpose in-car LCD display system into a single package. It integrates a high-quality 3D comb NTSC/PAL/SECAM video decoder, triple High-Speed RGB ADCs, high-quality scaler, bit-mapped OSD, triple DACs and image enhancement functions that include features such as Black and White Stretch and favorite color enhancement. It also supports panoramic scaling for conversion to wide screen display format. On the input side, it supports a rich combination of CVBS, S‑video, analog RGB, and digital YCbCr/RGB. On the output side, it supports both digital and analog panel types with its built-in timing controller and analog RGB output.
In addition, the TW8823C supports LVDS type panels. The TW8823C also has two PIP (Picture-in-Picture) engines that can display three display sources simultaneously in a single window. It also has a built-in bit-mapped OSD with 16-bit color depth and an acceleration function. It can also accept 18-bit external OSD inputs. In addition, TW8823C has a built-in high‑performance microcontroller with cache. Its SPI interface supports various serial flash types. |
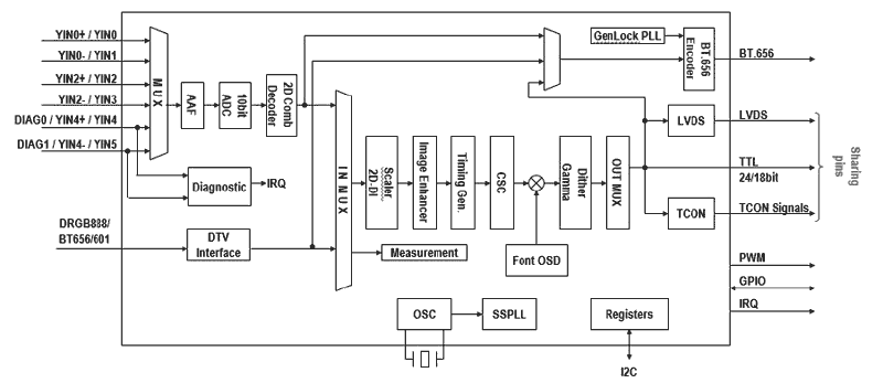
TW8824LCD Video Processor with Built-in Decoder, TTL Inputs, BT.656 Output, and LVDS Panel Interface | Integrated Circuits (ICs) | 4 | Active | The TW8824 is a highly integrated LCD video processor that incorporates many of the key features required to create a multipurpose LCD display system into a single package. This includes a high quality 2D comb NTSC/PAL/SECAM video decoder, which supports both single-ended and differential CVBS signals, a digital RGB input interface, high quality scaler and deinterlacer, a Font OSD engine and LVDS, TTL or TCON output panel interfaces. The TW8824 can support input resolutions up to 1080p and can drive LCD panels at resolutions up to 1366x768. The TW8824’s video processing capability includes arbitrary H/V scaling, panoramic scaling, image mirroring, image adjustment and enhancement, black and white stretch, etc. This device can support fast boot system requirements and provides stability and reliability to the system due to the fact that it is a hardwired solution that can sync to the video source and display an image on the LCD in less than 0. 5 seconds from start-up. The feature set and versatility of this device makes it an ideal solution for in-car LCD display applications. |