R
Renesas Electronics Corporation
| Series | Category | # Parts | Status | Description |
|---|---|---|---|---|
| Part | Spec A | Spec B | Spec C | Spec D | Description |
|---|---|---|---|---|---|
| Series | Category | # Parts | Status | Description |
|---|---|---|---|---|
| Part | Spec A | Spec B | Spec C | Spec D | Description |
|---|---|---|---|---|---|
| Part | Category | Description |
|---|---|---|
Renesas Electronics Corporation | Integrated Circuits (ICs) | IC MCU 32BIT 1MB FLASH 48LFQFP |
Renesas Electronics Corporation | Integrated Circuits (ICs) | 16-BIT GENERAL MCU RL78/G23 96K |
Renesas Electronics Corporation | Isolators | OPTOISOLATOR 5KV TRANS 4SMD |
Renesas Electronics Corporation | Integrated Circuits (ICs) | IC REG PQFN |
Renesas Electronics Corporation X1228S14-2.7Obsolete | Integrated Circuits (ICs) | IC RTC CLK/CALENDAR I2C 14SOIC |
Renesas Electronics Corporation | Integrated Circuits (ICs) | 32-BIT MICROCONTROLLER OPTIMIZED FOR DUAL-MOTOR AND PFC CONTROL |
Renesas Electronics Corporation R5F104FJAFP#V0Obsolete | Integrated Circuits (ICs) | LOW POWER, HIGH FUNCTION, GENERAL PURPOSE MICROCONTROLLERS FOR MOTOR CONTROL, INDUSTRIAL AND METERING APPLICATIONS |
Renesas Electronics Corporation MK1493-03BGILFTRObsolete | Integrated Circuits (ICs) | IC CLOCK GENERATOR 48TSSOP |
Renesas Electronics Corporation | Development Boards Kits Programmers | E10A-USB SH4AL-DSP LICENSE TOOL |
Renesas Electronics Corporation | Integrated Circuits (ICs) | 32BIT MCU R32C/100X |
| Series | Category | # Parts | Status | Description |
|---|---|---|---|---|
ISL6264Two-Phase Core Controller for AMD Mobile Turion CPUs | Special Purpose Regulators | 1 | Obsolete | The ISL6264 is a two-phase buck controller with embedded gate drivers. The two-phase buck controller uses two interleaved channels to effectively double the output voltage ripple frequency and thereby reduce output voltage ripple amplitude with fewer components, lower component cost, reduced power dissipation, and smaller real estate area. ISL6264 can also be configured as single-phase controller for low power CPU applications. The heart of the ISL6264 is the patented R3Technology™, Intersil's Robust Ripple Regulator modulator. Compared with the traditional multi-phase buck regulator, the R3Technology™ has the fastest transient response. This is due to the R3modulator commanding variable switching frequency during a load transient. To boost battery life, the ISL6264 supports PSI_L for deeper sleep mode via automatically enabling different operation modes. At heavy load operation of the active mode, the regulator commands the two phase continuous conduction mode (CCM) operation. While the PSI_L is asserted during the deeper sleep mode, the ISL6264 smoothly disables one phase and operates in a one-phase diode emulation mode (DE) to maximize the efficiency at light load. A 6-bit digital-to-analog converter (DAC) allows dynamic adjustment of the core output voltage from 0. 375V to 1. 55V. A 0. 5% system accuracy of the core output voltage over temperature at active mode is achieved by the ISL6264. A unity-gain differential amplifier is provided for remote CPU die sensing. This allows the voltage on the CPU die to be accurately measured and regulated per AMD mobile CPU specifications. Current sensing can be realized using either lossless inductor DCR sensing or precision resistor sensing. A single NTC thermistor network thermally compensates the gain and the time constant of the DCR variations. |
ISL6265CMulti-Output Controller with Integrated MOSFET Drivers for AMD SVI Capable Mobile CPUs | Special Purpose Regulators | 1 | Obsolete | The ISL6265C is a multi-output controller with embedded gate drivers. A single-phase controller powers the Northbridge (VDDNB) portion of the CPU. The two remaining controller channels can be configured for two-phase or individual single-phase outputs. For uniplane CPU applications, the ISL6265C is configured as a two-phase buck converter. This allows the controller to interleave channels to effectively double the output voltage ripple frequency, and thereby reduce output voltage ripple amplitude with fewer components, lower component cost, reduced power dissipation, and smaller area. For dual-plane processors, the ISL6265C can be configured as independent single-phase controllers powering VDD0 and VDD1. The heart of the ISL6265C is the patented R3Technology™, Intersil’s Robust Ripple Regulator modulator. Compared with the traditional buck regulator, the R3Technology™ has a faster transient response. This is due to the R3modulator commanding variable switching frequency during a load transient. The Serial VID Interface (SVI) allows dynamic adjustment of the Core and Northbridge output voltages independently and in combination from 0. 500V to 1. 55V. Core and Northbridge output voltages achieve a 0. 5% system accuracy over-temperature. A unity-gain differential amplifier is provided for remote CPU die sensing. This allows the voltage on the CPU die to be accurately regulated per AMD mobile CPU specifications. Core output current sensing is realized using lossless inductor DCR sensing. All outputs feature overcurrent, overvoltage and undervoltage protection. |
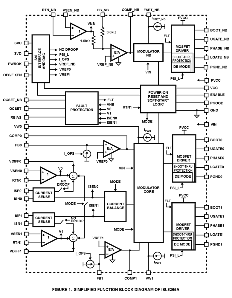
ISL6266ATwo-phase Core Controllers (Montevina, IMVP-6+) | Voltage Regulators - Special Purpose | 3 | Obsolete | The ISL6266 and ISL6266A are two-phase buck converter regulators implementing Intel® IMVP-6 protocol with embedded gate drivers. Both converters use interleaved channels to double the output voltage ripple frequency and thereby reduce output voltage ripple amplitude with fewer components, lower component cost, reduced power dissipation, and smaller real estate area. The ISL6266A utilizes the patented R3Technology™, Intersil's Robust Ripple Regulator modulator. Compared with traditional multiphase buck regulators, the R3Technology™ has the fastest transient response. This is due to the R3modulator commanding variable switching frequency during load transient events. Intel Mobile Voltage Positioning (IMVP) is a smart voltage regulation technology, which effectively reduces power dissipation in Intel Pentium processors. To boost battery life, the ISL6266A supports DPRSLRVR (deeper sleep), DPRSTP# and PSI# functions, which maximizes efficiency by enabling different modes of operation. In active mode (heavy load), the regulator commands the two phase continuous conduction mode (CCM) operation. When PSI# is asserted in active mode (medium load), the ISL6266A operates in one-phase CCM. When the CPU enters deeper sleep mode, the ISL6266A enables diode emulation to maximize efficiency. For better system power management, the ISL6266A provides a CPU power monitor output. The analog output at the power monitor pin can be fed into an A/D converter to report instantaneous or average CPU power. A 7-bit digital-to-analog converter (DAC) allows dynamic adjustment of the core output voltage from 0. 300V to 1. 500V. Over-temperature, the ISL6266A achieves a 0. 5% system accuracy of core output voltage. A unity-gain differential amplifier is provided for remote CPU die sensing. This allows the voltage on the CPU die to be accurately measured and regulated per Intel IMVP-6+ specifications. Current sensing can be realized using either lossless inductor DCR sensing or discrete resistor sensing. A single NTC thermistor network thermally compensates the gain and the time constant of the DCR variations. The ISL6266 also includes all the functions for IMVP-6+ core power delivery. In addition, it has been optimized for use with coupled-inductor solutions. |
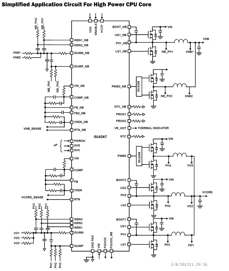
ISL6267Multiphase PWM Regulator for AMD Fusion Mobile CPUs | Power Management (PMIC) | 1 | Obsolete | The ISL6267 is designed to be completely compliant with AMD Fusion™ specifications. The ISL6267 controls two Voltage Regulators (VRs), with three integrated gate drivers. The first VR can be configured as 3-, 2-, or 1-phase VR, while the second output can be configured as 2- or 1-phase VR, providing maximum flexibility. The two VRs share the serial control bus to communicate with the CPU and achieve lower cost and smaller board area compared with two-chip solutions. The PWM modulator of the ISL6267 is based on Intersil’s R3 (Robust Ripple Regulator) Technology™. Compared with the traditional multi-phase buck regulator, the R3 modulator commands variable switching frequency during load transients, achieving faster transient response. With the same modulator, it naturally goes into pulse frequency modulation in light load conditions, which achieves higher light load efficiency and extends battery life. The ISL6267 has several other key features. Both outputs support DCR current sensing with a single NTC thermostat for DCR temperature compensation or accurate resistor current sensing. Both of the outputs utilize remote voltage sense, adjustable switching frequency, current monitor, OC protection, independent power-good indicators, temperature monitors, and a common thermal alert. |
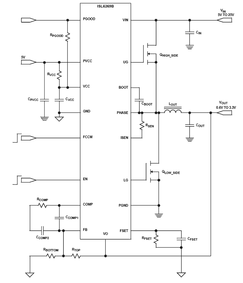
ISL6269BHigh-Performance Notebook PWM Controller with Bias Regulator and Audio-Frequency Clamp | DC/DC & AC/DC (Off-Line) SMPS Evaluation Boards | 3 | Active | The ISL6269 IC is a Single-Phase Synchronous-Buck PWM controller featuring Intersil's Robust Ripple Regulator (R3) technology that delivers truly superior dynamic response to input voltage and output load transients. Integrated MOSFET drivers, 5V LDO and bootstrap diode result in fewer components and smaller implementation area. Intersil's R3technology combines the best features of fixed-frequency PWM and hysteretic PWM while eliminating many of their shortcomings. R3technology employs an innovative modulator that synthesizes an AC ripple voltage signal VR, analogous to the output inductor ripple current. The AC signal VRenters a window comparator where the lower threshold is the error amplifier output VCOMP, and the upper threshold is a programmable voltage reference VW, resulting in generation of the PWM signal. The voltage reference VWsets the steady state PWM frequency. Both edges of the PWM can be modulated in response to input voltage transients and output load transients, much faster than conventional fixed frequency PWM controllers. Unlike a conventional hysteretic converter, the ISL6269 has an error amplifier that provides ±1% voltage regulation at the FB pin. The ISL6269 has a 1. 5ms digital soft-start and can be started into a pre-biased output voltage. A resistor divider is used to program the output voltage setpoint. The ISL6269 can be configured to operate in continuous-conduction-mode (CCM) or diode-emulation-mode (DEM), which improves light-load efficiency. In CCM the controller always operates as a synchronous rectifier however, when DEM is enabled the low-side MOSFET is permitted to stay off, blocking negative current flow into the low-side MOSFET from the output inductor. |
ISL6277Multiphase PWM Regulator for AMD Fusion Mobile CPUs Using SVI 2.0 | Power Management (PMIC) | 2 | Obsolete | The ISL6277 is fully compliant with AMD Fusion™ SVI 2. 0 and provides a complete solution for microprocessor and graphics processor core power. The ISL6277 controller supports two Voltage Regulators (VRs) with three integrated gate drivers and two optional external drivers for maximum flexibility. The Core VR can be configured for 3-, 2-, or 1-phase operation while the Northbridge VR supports 2- or 1-phase configurations. The two VRs share a serial control bus to communicate with the AMD CPU and achieve lower cost and smaller board area compared with two-chip solutions. The PWM modulator is based on Intersil’s Robust Ripple Regulator R3 Technology™. Compared to traditional modulators, the R3 modulator can automatically change switching frequency for faster transient settling time during load transients and improved light load efficiency. The ISL6277 has several other key features. Both outputs support DCR current sensing with single NTC thermistor for DCR temperature compensation or accurate resistor current sensing. Both outputs utilize remote voltage sense, adjustable switching frequency, OC protection and power good. |
ISL62771Multiphase PWM Regulator for AMD Fusion Mobile CPUs Using SVI 2.0 | Voltage Regulators - Special Purpose | 1 | Obsolete | The ISL62771 is fully compliant with AMD Fusion SVI 2. 0 and provides a complete solution for microprocessor and graphics processor core power. The ISL62771 controller supports two Voltage Regulators (VRs) with three integrated gate drivers. The Core VR supports 2-, or 1-phase configurations while the Northbridge VR supports 1-phase operation. The two VRs share a serial control bus to communicate with the AMD CPU and achieve lower cost and smaller board area compared with two-chip solutions. The PWM modulator is based on Intersil’s Robust Ripple Regulator R3™ Technology. Compared to traditional modulators, the R3 modulator can automatically change switching frequency for faster transient settling time during load transients and improved light-load efficiency. The ISL62771 has several other key features. Both outputs support DCR current sensing with single NTC thermistor for DCR temperature compensation or accurate resistor current sensing. Both outputs utilize remote voltage sense, adjustable switching frequency, OC protection and power-good. |
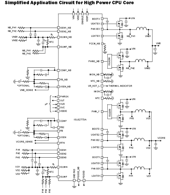
ISL62773AMultiphase PWM Regulator for AMD Fusion™ Mobile CPUs Using SVI 2.0 | Voltage Regulators - Special Purpose | 7 | Active | The ISL62773A is fully compliant with AMD Fusion™ SVI 2. 0 and provides a complete solution for microprocessor and graphics processor core power. The ISL62773A controller supports two Voltage Regulators (VRs) with three integrated gate drivers and two optional external drivers for maximum flexibility. The Core VR can be configured for 3-, 2-, or 1-phase operation while the Northbridge VR supports 2- or 1-phase configurations. The two VRs share a serial control bus to communicate with the AMD CPU and achieve lower cost and smaller board area compared with two-chip solutions. The PWM modulator is based on Intersil’s Robust Ripple Regulator R3™ Technology. Compared to traditional modulators, the R3™ modulator can automatically change switching frequency for faster transient settling time during load transients and improved light load efficiency. The ISL62773A has several other key features. Both outputs support DCR current sensing with single NTC thermistor for DCR temperature compensation or accurate resistor current sensing. Both outputs utilize remote voltage sense, adjustable switching frequency, OC protection and power-good. |
ISL62870PWM DC/DC Voltage Regulator Controller | Voltage Regulators - DC DC Switching Controllers | 1 | Active | The ISL62870 IC is a Single-Phase Synchronous-Buck PWM voltage regulator featuring Intersil's Robust Ripple Regulator (R3) Technology™. The ISL62870 provides a low cost solution for compact high performance applications. The wide 3. 3V to 25V input voltage range is ideal for systems that run on battery or AC adapter power sources. Resistor programmed output voltage setpoint and capacitor programmed soft-start delay allow for fast and easy implementation. Robust integrated MOSFET drivers and Schottky bootstrap diode reduce the implementation area and lower component cost. Intersil's R3Technology™ combines the best features of both fixed-frequency and hysteretic PWM control. The PWM frequency is 300kHz during static operation, becoming variable during changes in load, setpoint voltage, and input voltage when changing between battery and AC adapter power. The modulators ability to change the PWM switching frequency during these events in conjunction with external loop compensation produces superior transient response. For maximum efficiency, the converter automatically enters diode-emulation mode (DEM) during light-load conditions such as system standby. |
ISL62871PWM DC/DC Controller With VID Inputs for Portable GPU Core-Voltage Regulator | Integrated Circuits (ICs) | 1 | Active | The ISL62871 and ISL62872 IC’s are Single-Phase Synchronous-Buck PWM voltage regulators featuring Intersil’s Robust Ripple Regulator (R3) Technology™. The wide 3. 3V to 25V input voltage range is ideal for systems that run on battery or AC-adapter power sources. The ISL62871 and ISL62872 are low-cost solutions for applications requiring dynamically selected slew-rate controlled output voltages. The soft-start and dynamic setpoint slew-rates are capacitor programmed. Voltage identification logic-inputs select two (ISL62871) or four (ISL62872) resistor-programmed setpoint reference voltages that directly set the output voltage of the converter between 0. 5V to 1. 5V, and up to 3. 3V using a feedback voltage divider. Optionally, an external reference such as the DAC output from a microcontroller, can be used by either IC to program the setpoint reference voltage, and still maintain the controlled slew-rate features. Robust integrated MOSFET drivers and Schottky bootstrap diode reduce the implementation area and lower component cost. Intersil’s R3Technology™ combines the best features of both fixed-frequency and hysteretic PWM control. The PWM frequency is 300kHz during static operation, becoming variable during changes in load, setpoint voltage, and input voltage when changing between battery and AC-adapter power. The modulators ability to change the PWM switching frequency during these events in conjunction with external loop compensation produces superior transient response. For maximum efficiency, the converter automatically enters diode-emulation mode (DEM) during light-load conditions such as system standby. |