R
Renesas Electronics Corporation
| Series | Category | # Parts | Status | Description |
|---|---|---|---|---|
| Part | Spec A | Spec B | Spec C | Spec D | Description |
|---|---|---|---|---|---|
| Series | Category | # Parts | Status | Description |
|---|---|---|---|---|
| Part | Spec A | Spec B | Spec C | Spec D | Description |
|---|---|---|---|---|---|
| Series | Category | # Parts | Status | Description |
|---|---|---|---|---|
| PMIC | 1 | Obsolete | ||
ISL63064-Phase PWM Controller with 8-Bit DAC Code Capable of Precision RDS(ON) or DCR Differential Current Sensing | PMIC | 3 | Obsolete | The ISL6306 controls microprocessor core voltage regulation by driving up to 4 synchronous-rectified buck channels in parallel. Multiphase buck converter architecture uses interleaved timing to multiply channel ripple frequency and reduce input and output ripple currents. Lower ripple results in fewer components, lower component cost, reduced power dissipation, and smaller implementation area. Microprocessor loads can generate load transients with extremely fast edge rates. The ISL6306 features a high bandwidth control loop and ripple frequencies up to >4MHz to provide optimal response to the transients. today's microprocessors require a tightly regulated output voltage position versus load current (droop). The ISL6306 senses current by utilizing patented techniques to measure the voltage across the on resistance, rDS(ON), of the lower MOSFETs or DCR of the output inductor during the lower MOSFET conduction intervals. Current sensing provides the needed signals for precision droop, channel-current balancing, and overcurrent protection. A programmable internal temperature compensation function is implemented to effectively compensate for the temperature coefficient of the current sense element. A unity gain, differential amplifier is provided for remote voltage sensing. Any potential difference between remote and local grounds can be completely eliminated using the remotesense amplifier. Eliminating ground differences improves regulation and protection accuracy. The threshold-sensitive enable input is available to accurately coordinate the start up of the ISL6306 with any other voltage rail. Dynamic-VID™ technology allows seamless on-the-fly VID changes. The offset pin allows accurate voltage offset settings that are independent of VID setting. |
ISL6308AThree-Phase Buck PWM Controller with High Current Integrated MOSFET Drivers | Integrated Circuits (ICs) | 2 | Obsolete | The ISL6308A is a three-phase PWM control IC with integrated MOSFET drivers. It provides a precision voltage regulation system for multiple applications including, but not limited to, high current low voltage point-of-load converters, embedded applications and other general purpose low voltage medium to high current applications. The integration of power MOSFET drivers into the controller IC marks a departure from the separate PWM controller and driver configuration of previous multi-phase product families. By reducing the number of external parts, this integration allows for a cost and space saving power management solution. Output voltage can be programmed using the on-chip DAC or an external precision reference. A two bit code programs the DAC reference to one of 4 possible values (0. 6V, 0. 9V, 1. 2V and 1. 5V). A unity gain, differential amplifier is provided for remote voltage sensing, compensating for any potential difference between remote and local grounds. The output voltage can also be offset through the use of single external resistor. An optional droop function is also implemented and can be disabled for applications having less stringent output voltage variation requirements or experiencing less severe step loads. A unique feature of the ISL6308A is the combined use of both DCR and rDS(ON)current sensing. Load line voltage positioning and overcurrent protection are accomplished through continuous inductor DCR current sensing, while rDS(ON)current sensing is used for accurate channel-current balance. Using both methods of current sampling utilizes the best advantages of each technique. Protection features of this controller IC include a set of sophisticated overvoltage and overcurrent protection. Overvoltage results in the converter turning the lower MOSFETs ON to clamp the rising output voltage and protect the load. An OVP output is also provided to drive an optional crowbar device. The overcurrent protection level is set through a single external resistor. Other protection features include protection against an open circuit on the remote sensing inputs. Combined, these features provide advanced protection for the output load. |
ISL6312AFour-Phase Buck PWM Controller with Integrated MOSFET Drivers for Intel VR10, VR11, and AMD Applications | Power Management (PMIC) | 2 | Obsolete | The ISL6312A four-phase PWM control IC provides a precision voltage regulation system for advanced microprocessors. The integration of power MOSFET drivers into the controller IC marks a departure from the separate PWM controller and driver configuration of previous multiphase product families. By reducing the number of external parts, this integration is optimized for a cost and space saving power management solution. One outstanding feature of this controller IC is its multi-processor compatibility, allowing it to work with both Intel and AMD microprocessors. Included are programmable VID codes for Intel VR10, VR11, as-well-as AMD DAC tables. A unity gain, differential amplifier is provided for remote voltage sensing, compensating for any potential difference between remote and local grounds. The output voltage can also be positively or negatively offset through the use of a single external resistor. The ISL6312A also includes advanced control loop features for optimal transient response to load apply and removal. One of these features is highly accurate, fully differential, continuous DCR current sensing for load-line programming and channel current balance. Active pulse positioning (APP) modulation is another unique feature, allowing for quicker initial response to high di/dt load transients. This controller also allows the user the flexibility to choose between PHASE detect or LGATE detect adaptive deadtime schemes. This ability allows the ISL6312A to be used in a multitude of applications where either scheme is required. Protection features of this controller IC include a set of sophisticated overvoltage, undervoltage, and overcurrent protection. Furthermore, the ISL6312A includes protection against an open circuit on the remote sensing inputs. Combined, these features provide advanced protection for the microprocessor and power system. |
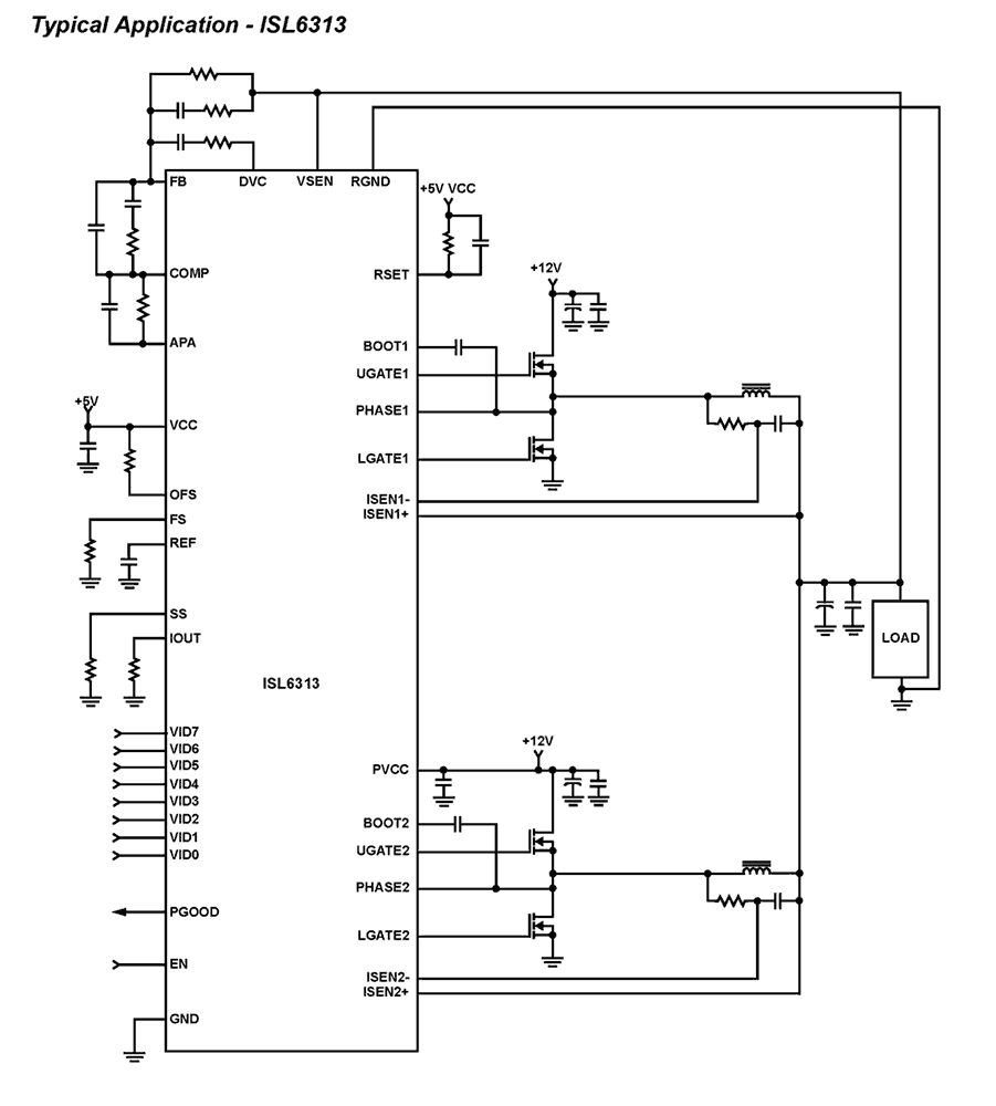
ISL6313BTwo-Phase Buck PWM Controller with Integrated MOSFET Drivers for Intel VR11 and AMD Applications | Voltage Regulators - Special Purpose | 4 | Obsolete | The ISL6313B two-phase PWM control IC provides a precision voltage regulation system for advanced microprocessors. The integration of power MOSFET drivers into the controller IC marks a departure from the separate PWM controller and driver configuration of previous multi-phase product families. By reducing the number of external parts, this integration is optimized for a cost and space saving power management solution. One outstanding feature of this controller IC is its multiprocessor compatibility, allowing it to work with both Intel and AMD microprocessors. Included are programmable VID codes for Intel VR11 as well as AMD 5-bit and 6-bit DAC tables. A circuit is provided for remote voltage sensing, compensating for any potential difference between remote and local grounds. The output voltage can also be positively or negatively offset through the use of a single external resistor. The ISL6313B also includes advanced control loop features for optimal transient response to load apply and removal. One of these features is highly accurate, fully differential, continuous DCR current sensing for load line programming and channel current balance. Active Pulse Positioning (APP) Modulation and Adaptive Phase Alignment (APA) are two other unique features, allowing for quicker initial response to high di/dt load transients. With this quicker initial response to load transients, the number of output bulk capacitors can be reduced, helping to reduce cost. Integrated into the ISL6313B are user programmable current sense resistors, which require only a single external resistor to set their values. No external current sense resistors are required. Another unique feature of the ISL6313B is the addition of a dynamic VID compensation pin that allows optimizing compensation to be added for well controlled dynamic VID response. Protection features of this controller IC include a set of sophisticated overvoltage, undervoltage, and overcurrent protection. Furthermore, the ISL6313B includes protection against an open circuit on the remote sensing inputs. Combined, these features provide advanced protection for the microprocessor and power system. |
ISL6322Four-Phase Buck PWM Controller with Integrated MOSFET Drivers and I2C Interface for Intel VR10, VR11, and AMD Applications | Special Purpose Regulators | 2 | Obsolete | The ISL6322 four-phase PWM control IC provides a precision voltage regulation system for advanced microprocessors. The integration of power MOSFET drivers into the controller IC marks a departure from the separate PWM controller and driver configuration of previous multiphase product families. By reducing the number of external parts, this integration is optimized for a cost and space saving power management solution. One outstanding feature of this controller IC is its multi-processor compatibility, allowing it to work with both Intel and AMD microprocessors. Included are programmable VID codes for Intel VR10, VR11, as well as AMD DAC tables. A unity gain, differential amplifier is provided for remote voltage sensing, compensating for any potential difference between remote and local grounds. The output voltage can also be positively or negatively offset through the use of a single external resistor. The ISL6322 includes an I2C interface, allowing the controller to communicate with other devices over an I2C bus. Signals sent over this bus can command the ISL6322 to adjust voltage margining offset, converter switching frequency, and overvoltage protection levels, and can select the integrated driver adaptive dead time scheme. The ISL6322 also includes advanced control loop features for optimal transient response to load apply and removal. One of these features is highly accurate, fully differential, continuous DCR current sensing for load line programming and channel current balance. Active Pulse Positioning (APP) modulation is another unique feature, allowing for quicker initial response to high di/dt load transients. This controller also allows the user the flexibility to choose between PHASE detect or LGATE detect adaptive dead time schemes. This ability allows the ISL6322 to be used in a multitude of applications where either scheme is required. Protection features of this controller IC include a set of sophisticated overvoltage, undervoltage, and overcurrent protection. Furthermore, the ISL6322 includes protection against an open circuit on the remote sensing inputs. Combined, these features provide advanced protection for the microprocessor and power system. |
| Power Management (PMIC) | 7 | Obsolete | ||
| Voltage Regulators - Special Purpose | 5 | Obsolete | ||
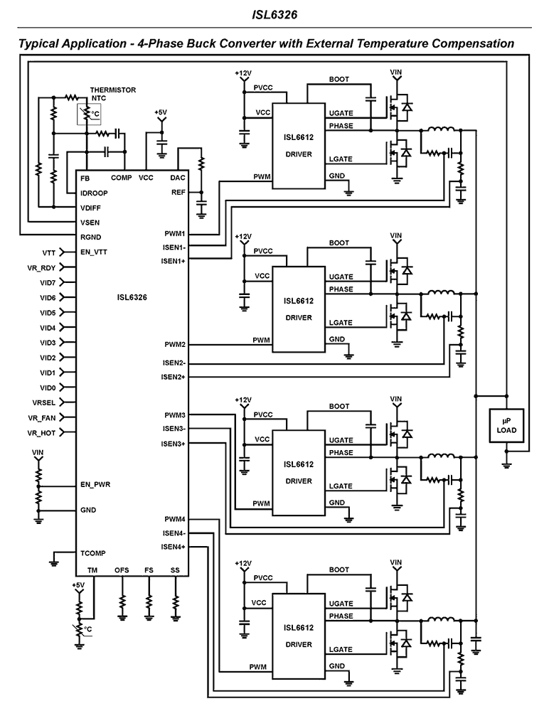
ISL63264-Phase PWM Controller with 8-Bit DAC Code Capable of Precision DCR Differential Current Sensing | Power Management (PMIC) | 1 | Obsolete | The ISL6326 controls microprocessor core voltage regulation by driving up to 4 synchronous-rectified buck channels in parallel. Multiphase buck converter architecture uses interleaved timing to multiply channel ripple frequency and reduce input and output ripple currents. Lower ripple results in fewer components, lower component cost, reduced power dissipation, and smaller implementation area. Microprocessor loads can generate load transients with extremely fast edge rates. The ISL6326 utilizes Intersil's proprietary Active Pulse Positioning (APP) and Adaptive Phase Alignment (APA) modulation scheme to achieve the extremely fast transient response with fewer output capacitors. today's microprocessors require a tightly regulated output voltage position versus load current (droop). The ISL6326 senses the output current continuously by utilizing patented techniques to measure the voltage across the dedicated current sense resistor or the DCR of the output inductor. Current sensing provides the needed signals for precision droop, channel-current balancing, and overcurrent protection. A programmable integrated temperature compensation function is implemented to effectively compensate for the temperature coefficient of the current sense element. The current limit function provides the overcurrent protection for the individual phase. A unity gain, differential amplifier is provided for remote voltage sensing. Any potential difference between remote and local grounds can be completely eliminated using the remote-sense amplifier. Eliminating ground differences improves regulation and protection accuracy. The threshold sensitive enable input is available to accurately coordinate the start up of the ISL6326 with any other voltage rail. Dynamic-VID™ technology allows seamless on-the-fly VID changes. The offset pin allows accurate voltage offset settings that are independent of VID setting. |
ISL6327AEnhanced 6-Phase PWM Controller with 8-Bit VID Code and Differential Inductor DCR or Resistor Current Sensing | Power Management (PMIC) | 2 | Obsolete | The ISL6327A controls microprocessor core voltage regulation by driving up to 6 synchronous-rectified buck channels in parallel. Multiphase buck converter architecture uses interleaved timing to multiply channel ripple frequency and reduce input and output ripple currents. Lower ripple results in fewer components, lower component cost, reduced power dissipation, and smaller implementation area. Microprocessor loads can generate load transients with extremely fast edge rates. The ISL6327A utilizes Intersil's proprietary Active Pulse Positioning (APP) and Adaptive Phase Alignment (APA) modulation scheme to achieve the extremely fast transient response with fewer output capacitors. today's microprocessors require a tightly regulated output voltage position versus load current (droop). The ISL6327A senses the output current continuously by utilizing patented techniques to measure the voltage across the dedicated current sense resistor or the DCR of the output inductor. Current sensing provides the needed signals for precision droop, channel-current balancing, and overcurrent protection. A programmable integrated temperature compensation function is implemented to effectively compensate the temperature variation of the current sense element. The current limit function provides the overcurrent protection for the individual phase. A unity gain, differential amplifier is provided for remote voltage sensing. Any potential difference between remote and local grounds can be completely eliminated using the remote-sense amplifier. Eliminating ground differences improves regulation and protection accuracy. The threshold-sensitive enable input is available to accurately coordinate the start-up of the ISL6327A with any other voltage rail. Dynamic-VID™ technology allows seamless on-the-fly VID changes. The offset pin allows accurate voltage offset settings that are independent of VID setting. |
| Part | Category | Description |
|---|---|---|
Renesas Electronics Corporation | Integrated Circuits (ICs) | IC MCU 32BIT 1MB FLASH 48LFQFP |
Renesas Electronics Corporation | Integrated Circuits (ICs) | 16-BIT GENERAL MCU RL78/G23 96K |
Renesas Electronics Corporation | Isolators | OPTOISOLATOR 5KV TRANS 4SMD |
Renesas Electronics Corporation | Integrated Circuits (ICs) | IC REG PQFN |
Renesas Electronics Corporation X1228S14-2.7Obsolete | Integrated Circuits (ICs) | IC RTC CLK/CALENDAR I2C 14SOIC |
Renesas Electronics Corporation | Integrated Circuits (ICs) | 32-BIT MICROCONTROLLER OPTIMIZED FOR DUAL-MOTOR AND PFC CONTROL |
Renesas Electronics Corporation R5F104FJAFP#V0Obsolete | Integrated Circuits (ICs) | LOW POWER, HIGH FUNCTION, GENERAL PURPOSE MICROCONTROLLERS FOR MOTOR CONTROL, INDUSTRIAL AND METERING APPLICATIONS |
Renesas Electronics Corporation MK1493-03BGILFTRObsolete | Integrated Circuits (ICs) | IC CLOCK GENERATOR 48TSSOP |
Renesas Electronics Corporation | Development Boards Kits Programmers | E10A-USB SH4AL-DSP LICENSE TOOL |
Renesas Electronics Corporation | Integrated Circuits (ICs) | 32BIT MCU R32C/100X |