
ISL62773A Series
Multiphase PWM Regulator for AMD Fusion™ Mobile CPUs Using SVI 2.0
Manufacturer: Renesas Electronics Corporation
Catalog
Multiphase PWM Regulator for AMD Fusion™ Mobile CPUs Using SVI 2.0
Description
AI
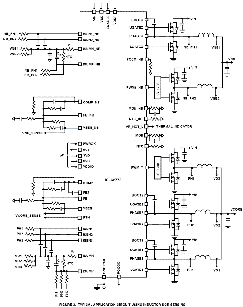
The ISL62773A is fully compliant with AMD Fusion™ SVI 2. 0 and provides a complete solution for microprocessor and graphics processor core power. The ISL62773A controller supports two Voltage Regulators (VRs) with three integrated gate drivers and two optional external drivers for maximum flexibility. The Core VR can be configured for 3-, 2-, or 1-phase operation while the Northbridge VR supports 2- or 1-phase configurations. The two VRs share a serial control bus to communicate with the AMD CPU and achieve lower cost and smaller board area compared with two-chip solutions. The PWM modulator is based on Intersil’s Robust Ripple Regulator R3™ Technology. Compared to traditional modulators, the R3™ modulator can automatically change switching frequency for faster transient settling time during load transients and improved light load efficiency. The ISL62773A has several other key features. Both outputs support DCR current sensing with single NTC thermistor for DCR temperature compensation or accurate resistor current sensing. Both outputs utilize remote voltage sense, adjustable switching frequency, OC protection and power-good.