R
Renesas Electronics Corporation
| Series | Category | # Parts | Status | Description |
|---|---|---|---|---|
| Part | Spec A | Spec B | Spec C | Spec D | Description |
|---|---|---|---|---|---|
| Series | Category | # Parts | Status | Description |
|---|---|---|---|---|
| Part | Spec A | Spec B | Spec C | Spec D | Description |
|---|---|---|---|---|---|
| Part | Category | Description |
|---|---|---|
Renesas Electronics Corporation | Integrated Circuits (ICs) | IC MCU 32BIT 1MB FLASH 48LFQFP |
Renesas Electronics Corporation | Integrated Circuits (ICs) | 16-BIT GENERAL MCU RL78/G23 96K |
Renesas Electronics Corporation | Isolators | OPTOISOLATOR 5KV TRANS 4SMD |
Renesas Electronics Corporation | Integrated Circuits (ICs) | IC REG PQFN |
Renesas Electronics Corporation X1228S14-2.7Obsolete | Integrated Circuits (ICs) | IC RTC CLK/CALENDAR I2C 14SOIC |
Renesas Electronics Corporation | Integrated Circuits (ICs) | 32-BIT MICROCONTROLLER OPTIMIZED FOR DUAL-MOTOR AND PFC CONTROL |
Renesas Electronics Corporation R5F104FJAFP#V0Obsolete | Integrated Circuits (ICs) | LOW POWER, HIGH FUNCTION, GENERAL PURPOSE MICROCONTROLLERS FOR MOTOR CONTROL, INDUSTRIAL AND METERING APPLICATIONS |
Renesas Electronics Corporation MK1493-03BGILFTRObsolete | Integrated Circuits (ICs) | IC CLOCK GENERATOR 48TSSOP |
Renesas Electronics Corporation | Development Boards Kits Programmers | E10A-USB SH4AL-DSP LICENSE TOOL |
Renesas Electronics Corporation | Integrated Circuits (ICs) | 32BIT MCU R32C/100X |
| Series | Category | # Parts | Status | Description |
|---|---|---|---|---|
ISL6215PWM Controller for Intel Pentium 4-M | PMIC | 1 | Obsolete | Precision Multi-Phase Buck PWM Controller for Intel Mobile Voltage Positioning IMVP-III The ISL6215 Multi-Phase Buck PWM control IC with ISL6205 half bridge gate drivers provide a precision voltage regulation system for advanced microprocessors in notebook computers. Three-phase operation and discrete external gate drivers address the thermal management issues and load demand of Intel’s latest high performance processors. This control IC also features both input voltage feed-forward and average current mode control for excellent dynamic response, lossless current sensing using MOSFET’s RDS(ON)and user selectable switching frequencies from 200kHz to 1MHz. The ISL6215 includes a 5 bit digital-to-analog converter (DAC) that dynamically adjusts the CORE PWM output voltage from 0. 600V to 1. 70V and conforms to the Intel IMVP III mobile VID specification. The ISL6215 also has logic inputs to detect between Performance / Battery mode and Deep Sleep / Deeper Sleep suspend modes. Single channel PWM, to improve efficiency at light load operation, is available during Deeper Sleep operation. A precision reference, remote sensing and proprietary architecture with integrated processor mode-compensated droop provide excellent static and dynamic CORE voltage regulation. Another feature of this controller IC is the PGOOD monitor circuit which is held low until CORE voltage increases, during its Soft-Start sequence, to within 10mV of the programmed voltage. The Overvoltage threshold is 1. 725V and CORE output voltage above this level results in converter shutting down. Undervoltage, 86% of programmed level, results in PGOOD being pulled low. Overcurrent protection features pulse by pulse current limiting. PGOOD, Overvoltage, Undervoltage and Overcurrent features provide monitoring and protection for the microprocessor and power system. The ISL6215 IC package is available in 28 lead SSOP. |
ISL6217APWM Controller, IMVP License Required, CPU Power for Centrino | Voltage Regulators - Special Purpose | 2 | Obsolete | The ISL6217A Multi-Phase Buck PWM controller IC, with integrated half bridge gate drivers, provides a precision voltage regulation system for advanced Pentium IV microprocessors in notebook computers. Two-phase operation eases the thermal management issues and load demand of Intel's latest high performance processors. This control IC also features both input voltage feed-forward and average current mode control for excellent dynamic response, Loss-less current sensing using MOSFET rDS(ON)and user-selectable switching frequencies from 250kHz to 1MHz per phase. The ISL6217A includes a 6-bit digital-to-analog converter (DAC) that dynamically adjusts the CORE PWM output voltage from 0. 700V to 1. 708V in 16mV steps and conforms to the Intel IMVP-IV™ and IMVP-IV+™ mobile VID specification. The ISL6217A also has logic inputs to select Active, Deep Sleep and Deeper Sleep modes of operation. A precision reference, remote sensing and proprietary architecture, with integrated, processor-mode, compensated Droop, provide excellent static and dynamic CORE voltage regulation. To improve efficiency at light loading, the ISL6217A can be configured to run in single phase PWM in ACTIVE, DEEP or DEEPER SLEEP modes of operation. Also, in deep and deeper sleep modes the ISL6217A will operate in diode emulation. Another feature of this IC controller is the PGOOD monitor circuit that is held low until CORE voltage increases, during its soft-start sequence, to within 12% of the Boot voltage. This PGOOD signal is masked during VID changes. Output overcurrent, overvoltage and undervoltage are monitored and result in the converter latching off and PGOOD signal being held low. The overvoltage and undervoltage thresholds are 112% and 84% of the VID, Deep or Deeper Sleep setpoint, respectively. Overcurrent protection features a 32 cycle overcurrent shutdown. PGOOD, overvoltage, undervoltage and overcurrent provide monitoring and protection for the microprocessor and power system. The ISL6217A IC is available in a 38 lead TSSOP. |
| Integrated Circuits (ICs) | 1 | Obsolete | ||
| Power Management (PMIC) | 3 | Obsolete | ||
| Evaluation Boards | 1 | Active | ||
| Integrated Circuits (ICs) | 1 | Obsolete | ||
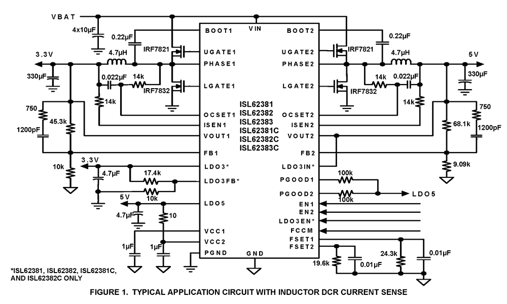
ISL62382High-Efficiency, Quad or Triple-Output System Power Supply Controller for Notebook Computers | Power Management (PMIC) | 1 | Obsolete | The ISL62381, ISL62382, ISL62383, ISL62381C, ISL62382C and ISL62383C family of controllers generate supply voltages for battery-powered systems. These controllers include two pulse-width modulation (PWM) controllers, adjustable from 0. 6V to 5. 5V, and two linear regulators, LDO5 and LDO3, that generate a fixed 5V and an adjustable output respectively, and each can deliver up to 100mA. The ISL62383 and ISL62383C have the same outputs as the ISL62381, ISL62382, ISL62381C and ISL62382C but without LDO3 linear regulator. The channel 2 switching regulator will automatically take over the LDO5 load when programmed to 5V output. This provides a large power savings and boosts efficiency. These controllers include onboard power-up sequencing, two power-good (PGOOD) outputs, digital soft-start, and internal soft-stop output discharge that prevent negative voltages on shutdown. The patented R3PWM control scheme provides a low jitter system with fast response to load transients. Light-load efficiency is improved with period-stretching discontinuous conduction mode (DCM) operation. To eliminate noise in audio frequency applications, an ultrasonic DCM mode is included, which limits the minimum switching frequency to approximately 28kHz. The ISL62381, ISL62382, ISL62381C and ISL62382C are available in a 32 Ld 5x5 TQFN package, and the ISL62383 and ISL62383C are available in a 28 Ld 4x4 TQFN package. This family of controllers can operate over the extended temperature range (-10°C to +100°C). |
ISL62383CHigh-Efficiency, Quad or Triple-Output System Power Supply Controller for Notebook Computers | Integrated Circuits (ICs) | 3 | Active | The ISL62381, ISL62382, ISL62383, ISL62381C, ISL62382C and ISL62383C family of controllers generate supply voltages for battery-powered systems. These controllers include two pulse-width modulation (PWM) controllers, adjustable from 0. 6V to 5. 5V, and two linear regulators, LDO5 and LDO3, that generate a fixed 5V and an adjustable output respectively, and each can deliver up to 100mA. The ISL62383 and ISL62383C have the same outputs as the ISL62381, ISL62382, ISL62381C and ISL62382C but without LDO3 linear regulator. The channel 2 switching regulator will automatically take over the LDO5 load when programmed to 5V output. This provides a large power savings and boosts efficiency. These controllers include onboard power-up sequencing, two power-good (PGOOD) outputs, digital soft-start, and internal soft-stop output discharge that prevent negative voltages on shutdown. The patented R3PWM control scheme provides a low jitter system with fast response to load transients. Light-load efficiency is improved with period-stretching discontinuous conduction mode (DCM) operation. To eliminate noise in audio frequency applications, an ultrasonic DCM mode is included, which limits the minimum switching frequency to approximately 28kHz. The ISL62381, ISL62382, ISL62381C and ISL62382C are available in a 32 Ld 5mm x 5mm TQFN package, and the ISL62383 and ISL62383C are available in a 28 Ld 4mm x 4mm TQFN package. This family of controllers can operate over the extended temperature range (-10°C to +100°C). |
| DC/DC & AC/DC (Off-Line) SMPS Evaluation Boards | 1 | Active | ||
ISL62391High-Efficiency, Triple-Output System Power Supply Controller for Notebook Computers | Power Management (PMIC) | 2 | Obsolete | The ISL62391 controller generates supply voltage for battery-powered systems. It includes two pulse-width modulation (PWM) controllers, adjustable from 0. 6V to 5. 5V, and a linear regulator (LDO3) that generates a fixed 3. 3V and can deliver up to 100mA. The ISL62391 includes on-board power-up sequencing, a power-good (PGOOD) output, digital soft-start, and internal soft-stop output discharge that prevents negative voltages on shutdown. The patented R3PWM control scheme provides a low jitter system with fast response to load transients. Light-load efficiency is improved with period-stretching discontinuous conduction mode (DCM) operation. To eliminate noise in audio frequency applications, an ultrasonic DCM mode is included, which limits the minimum switching frequency to 28kHz. The ISL62391, ISL62391C and ISL62392, ISL62392C are identical except for how their overvoltage protection is handled. The ISL62391 utilizes a tri-state overvoltage scheme, whereas the ISL62392 employs a soft-crowbar method. The ISL62391 is available in a 28 Ld 4mm x 4mm TQFN package and operates over the extended temperature range (-40 °C to +100 °C). |