R
Renesas Electronics Corporation
| Series | Category | # Parts | Status | Description |
|---|---|---|---|---|
| Part | Spec A | Spec B | Spec C | Spec D | Description |
|---|---|---|---|---|---|
| Series | Category | # Parts | Status | Description |
|---|---|---|---|---|
| Part | Spec A | Spec B | Spec C | Spec D | Description |
|---|---|---|---|---|---|
| Series | Category | # Parts | Status | Description |
|---|---|---|---|---|
| Clock/Timing | 1 | Obsolete | ||
| Integrated Circuits (ICs) | 1 | Active | ||
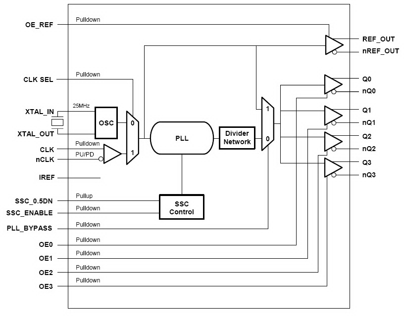
8V41S104ICrystal-to-HCSL 100MHz PCI Express Clock Synthesizer | Application Specific Clock/Timing | 1 | Obsolete | The 8V41S104I is a PLL-based clock generator specifically designed for PCI Express® Generation 3 applications. This device generates a 100MHz differential HCSL clock from an input reference of 25MHz. The input reference may be derived from an external source or by the addition of a 25MHz crystal to the on-chip crystal oscillator. The device offers spread spectrum clock output for reduced EMI applications. The spread spectrum control pins are used to enable or disable spread spectrum operation, as well as selecting either a down spread value of -0.35% or -0.5%. The enable and disable for each of the outputs is controlled via individual output enable pins. The 8V41S104I is packaged in a compact, lead-free (RoHS 6) 32-lead VFQFN package. The industrial temperature range supports high-end computing, telecommunication, and networking end equipment requirements. |
8V44N4614FemtoClock NG Jitter Attenuator and Clock Synthesizer | Integrated Circuits (ICs) | 2 | Obsolete | The 8V44N4614 is a FemtoClock®NG clock generator. The device has been designed for frequency generation in high-performance systems such as wireless baseband boards, for instance, to drive the reference clock inputs of processors, PHY, switches, and SerDes devices. The device is very flexible in frequency programming. It allows for the generation of clock frequencies of 156.25MHz, 125MHz, 100MHz, and 25MHz individually at three output banks. One output bank supports configurable LVDS and LVPECL, and the other two output banks support LVCMOS output levels. All outputs are synchronized on the incident rising edge, regardless of the selected output frequency. Selective single-ended LVCMOS outputs can be configured to invert the output phase, effectively forming differential LVCMOS output pairs for noise reduction. The PLL reference signal is either a 25MHz, 50MHz, 100MHz, or 200MHz differential or single-ended clock.
The device is optimized to deliver excellent period and cycle-to-cycle jitter performance, combined with good phase noise performance, and high power supply noise rejection.
The clock generator is configured through an SPI serial interface. Outputs can be configured to any of the available output frequencies. Two hardware pins are available for selecting pre-set output enable/disable configurations. In each of these pre-set configurations, each output can be enabled/disabled individually. A separate test mode is available for an increase or decrease of the output frequencies in 19.53125ppm steps independent of the input frequency. The device is packaged in a lead-free (RoHS 6) 48-lead VFQFN package. The extended temperature range supports wireless infrastructure, telecommunication, and networking end equipment requirements. |
| Evaluation and Demonstration Boards and Kits | 1 | Obsolete | ||
| Integrated Circuits (ICs) | 1 | Active | ||
| Clock/Timing | 1 | Active | ||
| Clock/Timing | 1 | Obsolete | ||
8V79S674Differential-to-3.3V, 2.5V LVPECL Clock Divider and Fanout Buffer | Integrated Circuits (ICs) | 1 | Obsolete | The 8V79S674 is a clock divider and fanout buffer designed for clock signal division in wireless base station radio equipment boards. The device is optimized to deliver excellent additive phase jitter performance. The 8V79S674 uses SiGe technology for an optimum of high clock frequency and low phase noise performance, combined with high power supply noise rejection. It offers the frequency division by ÷1, ÷2, ÷4 and ÷8. Four low-skew LVPECL outputs are available and support clock output frequencies up to 2.5GHz (÷1 frequency division). Outputs can be disabled to save power consumption if not used. The device is packaged in a lead-free (RoHS 6) 20-lead VFQFN package. The extended temperature range supports wireless infrastructure, telecommunication, and networking end equipment requirements. |
| Integrated Circuits (ICs) | 2 | Active | ||
| Part | Category | Description |
|---|---|---|
Renesas Electronics Corporation | Integrated Circuits (ICs) | IC MCU 32BIT 1MB FLASH 48LFQFP |
Renesas Electronics Corporation | Integrated Circuits (ICs) | 16-BIT GENERAL MCU RL78/G23 96K |
Renesas Electronics Corporation | Isolators | OPTOISOLATOR 5KV TRANS 4SMD |
Renesas Electronics Corporation | Integrated Circuits (ICs) | IC REG PQFN |
Renesas Electronics Corporation X1228S14-2.7Obsolete | Integrated Circuits (ICs) | IC RTC CLK/CALENDAR I2C 14SOIC |
Renesas Electronics Corporation | Integrated Circuits (ICs) | 32-BIT MICROCONTROLLER OPTIMIZED FOR DUAL-MOTOR AND PFC CONTROL |
Renesas Electronics Corporation R5F104FJAFP#V0Obsolete | Integrated Circuits (ICs) | LOW POWER, HIGH FUNCTION, GENERAL PURPOSE MICROCONTROLLERS FOR MOTOR CONTROL, INDUSTRIAL AND METERING APPLICATIONS |
Renesas Electronics Corporation MK1493-03BGILFTRObsolete | Integrated Circuits (ICs) | IC CLOCK GENERATOR 48TSSOP |
Renesas Electronics Corporation | Development Boards Kits Programmers | E10A-USB SH4AL-DSP LICENSE TOOL |
Renesas Electronics Corporation | Integrated Circuits (ICs) | 32BIT MCU R32C/100X |