R
Renesas Electronics Corporation
| Series | Category | # Parts | Status | Description |
|---|---|---|---|---|
| Part | Spec A | Spec B | Spec C | Spec D | Description |
|---|---|---|---|---|---|
| Series | Category | # Parts | Status | Description |
|---|---|---|---|---|
| Part | Spec A | Spec B | Spec C | Spec D | Description |
|---|---|---|---|---|---|
| Series | Category | # Parts | Status | Description |
|---|---|---|---|---|
| Integrated Circuits (ICs) | 1 | Obsolete | ||
| Clock/Timing | 1 | NRND | ||
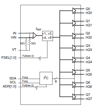
8T73S2082.5V/3.3V Differential LVPECL Clock Divider And Fanout Buffer | Clock/Timing | 1 | Active | The 8T73S208 is a high-performance differential LVPECL clock divider and fanout buffer. The device is designed for the frequency division and signal fanout of high-frequency, low phase noise clocks. The 8T73S208 is characterized to operate from a 2.5V and 3.3V power supply. Guaranteed output-to-output and part-to-part skew characteristics make this device ideal for those clock distribution applications demanding well-defined performance and repeatability. The integrated input termination resistors make interfacing to the reference source easy and reduce passive component count. Each output can be individually enabled or disabled in the high-impedance state controlled by an I²C register. On power-up, all outputs are enabled. |
| Clock Buffers, Drivers | 1 | Active | ||
| Integrated Circuits (ICs) | 1 | Active | ||
| Integrated Circuits (ICs) | 1 | Active | ||
| Clock Generators, PLLs, Frequency Synthesizers | 1 | NRND | ||
| Integrated Circuits (ICs) | 2 | Active | ||
| Clock Generators, PLLs, Frequency Synthesizers | 1 | Obsolete | ||
| Integrated Circuits (ICs) | 1 | Obsolete | ||
| Part | Category | Description |
|---|---|---|
Renesas Electronics Corporation | Integrated Circuits (ICs) | IC MCU 32BIT 1MB FLASH 48LFQFP |
Renesas Electronics Corporation | Integrated Circuits (ICs) | 16-BIT GENERAL MCU RL78/G23 96K |
Renesas Electronics Corporation | Isolators | OPTOISOLATOR 5KV TRANS 4SMD |
Renesas Electronics Corporation | Integrated Circuits (ICs) | IC REG PQFN |
Renesas Electronics Corporation X1228S14-2.7Obsolete | Integrated Circuits (ICs) | IC RTC CLK/CALENDAR I2C 14SOIC |
Renesas Electronics Corporation | Integrated Circuits (ICs) | 32-BIT MICROCONTROLLER OPTIMIZED FOR DUAL-MOTOR AND PFC CONTROL |
Renesas Electronics Corporation R5F104FJAFP#V0Obsolete | Integrated Circuits (ICs) | LOW POWER, HIGH FUNCTION, GENERAL PURPOSE MICROCONTROLLERS FOR MOTOR CONTROL, INDUSTRIAL AND METERING APPLICATIONS |
Renesas Electronics Corporation MK1493-03BGILFTRObsolete | Integrated Circuits (ICs) | IC CLOCK GENERATOR 48TSSOP |
Renesas Electronics Corporation | Development Boards Kits Programmers | E10A-USB SH4AL-DSP LICENSE TOOL |
Renesas Electronics Corporation | Integrated Circuits (ICs) | 32BIT MCU R32C/100X |