| Development Boards, Kits, Programmers | 3 | Obsolete | |
HMC930A-DIEGaAs, pHEMT, MMIC, 0.25 W Power Amplifier, DC to 40 GHz | RF Amplifiers | 2 | Active | The HMC930A is a gallium arsenide (GaAs), pseudomorphic, high electron mobility transfer (pHEMT), monolithic microwave integrated circuit (MMIC), distributed power amplifier that operates from dc to 40 GHz. The HMC930A provides 13 dB of gain, 33.5 dBm output IP3, and 22 dBm of output power at 1 dB gain compression, requiring 175 mA from a 10 V supply. The HMC930A exhibits a slightly positive gain slope from 8 GHz to 32 GHz, making it ideal for electronic warfare (EW), electronic countermeasures (ECM), radar, and test equipment applications. The HMC930A amplifier inputs/outputs (I/Os) are internally matched to 50 Ω, facilitating integration into multichip modules (MCMs). All data is taken with the chip connected via two 0.025 mm (1 mil) wire bonds of minimal length at 0.31 mm (12 mils).ApplicationsTest instrumentationMicrowave radios and VSATsMilitary and spaceTelecommunications infrastructureFiber optics |
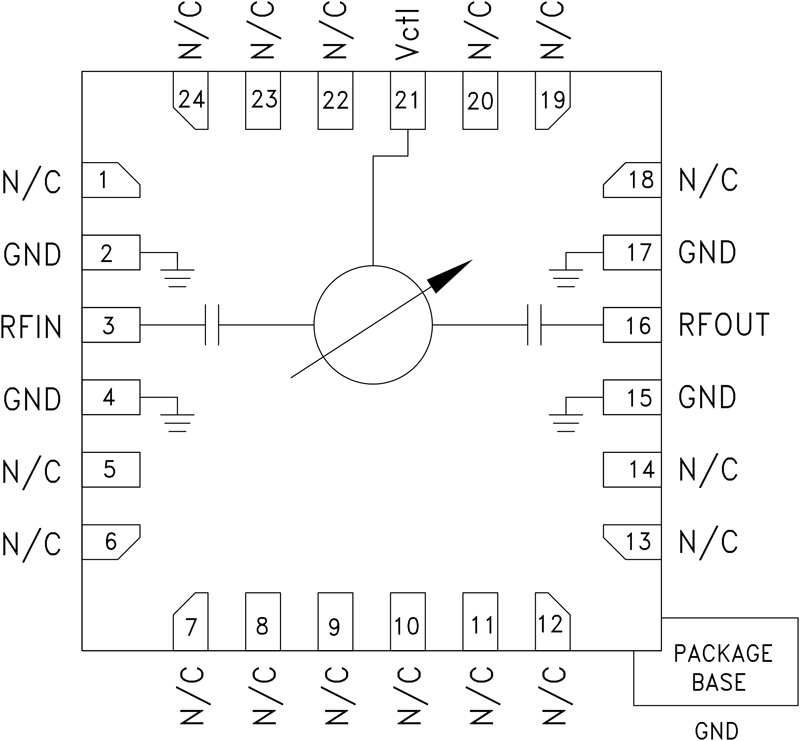
| Evaluation Boards | 1 | Obsolete | The HMC931LP4E is an Analog Phase Shifter which is controlled via an analog control voltage from 0 to +13V. The HMC931LP4E provides a continuously variable phase shift of 0 to 410 degrees from 8 to 12 GHz, with extremely consistent low insertion loss versus phase shift and frequency. The high accuracy HMC931LP4E is monotonic with respect to control voltage and features a typical low phase error of +12 / -7 degrees over an octave bandwidth. The HMC931LP4E is housed in an RoHS compliant 4x4 mm QFN leadless package.ApplicationsEW ReceiversMilitary RadarTest EquipmentSatellite CommunicationsBeam Forming Modules |
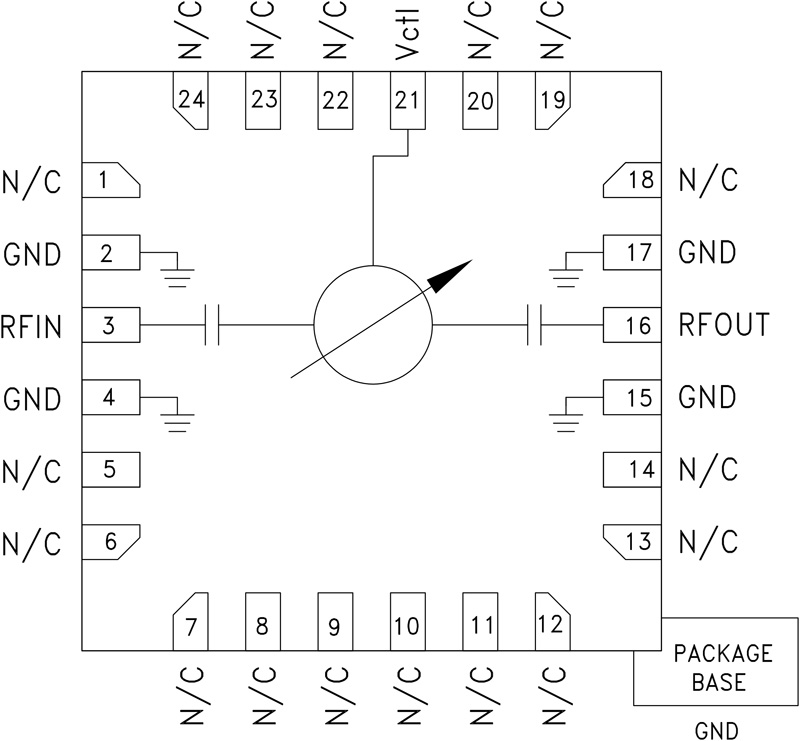
HMC932390° Analog Phase Shifter SMT, 12 - 18 GHz | RF and Wireless | 1 | Obsolete | The HMC932LP4E is an Analog Phase Shifter which is controlled via an analog control voltage from 0 to +13V. The HMC932LP4E provides a continuously variable phase shift of 0 to 390 degrees from 12 to 18 GHz, with extremely consistent low insertion loss versus phase shift and frequency. The high accuracy HMC932LP4E is monotonic with respect to control voltage and features a typical low phase error of ±10 degrees over an octave bandwidth. The HMC932LP4E is housed in an RoHS compliant 4 × 4 mm QFN leadless package.APPLICATIONSEW ReceiversMilitary RadarTest EquipmentSatellite CommunicationsBeam Forming Modules |
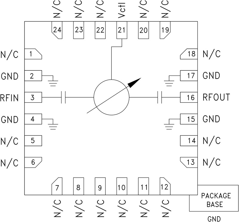
HMC933470° Analog Phase Shifter SMT, 18 - 24 GHz | Evaluation Boards | 2 | Obsolete | The HMC933LP4E is an Analog Phase Shifter which is controlled via an analog control voltage from 0 to +13V. The HMC933LP4E provides a continuously variable phase shift of 0 to 470 degrees from 18 to 24 GHz, with extremely consistent low insertion loss versus phase shift and frequency. The high accuracy HMC933LP4E is monotonic with respect to control voltage and features a typical low phase error of ±10 degrees over an octave bandwidth. The HMC933LP4E is housed in an RoHS compliant 4x4 mm QFN leadless package.ApplicationsEW ReceiversMilitary RadarTest EquipmentSatellite CommunicationsBeam Forming Modules |
HMC934Analog Phase Shifter SMT, 1 - 2 GHz | RF Misc ICs and Modules | 1 | Obsolete | The HMC934LP5E is an Analog Phase Shifter which is controlled via an analog control voltage from 0 to +13V. The HMC934LP5E provides a continuously variable phase shift of 0 to 400 degrees from 1 to 2 GHz, with extremely consistent low insertion loss versus phase shift and frequency. The high accuracy HMC934LP5E is monotonic with respect to control voltage and features a typical low phase error of +3.5 / -2 degrees. The HMC934LP5E is housed in an RoHS compliant 5 x 5 mm QFN leadless package.ApplicationsEW ReceiversMilitary RadarTest EquipmentSatellite CommunicationsBeam Forming Modules |
HMC935180° Analog Phase Shifter SMT, 2 - 20 GHz | RF Misc ICs and Modules | 2 | Obsolete | The HMC935LP5E is an Analog Phase Shifter which is controlled via an analog control voltage from 0.5 to +11V. The HMC935LP5E provides a continuously variable phase shift of 0 to 180 degrees from 2 to 20 GHz, with extremely consistent low insertion loss versus phase shift and frequency. The high accuracy HMC935LP5E is monotonic with respect to control voltage and features a typical low phase error of +20/-8 degrees. The HMC935LP5E is housed in an RoHS compliant 5 x 5 mm QFN leadless package.ApplicationsEW ReceiversMilitary RadarTest EquipmentSatellite CommunicationsBeam Forming Modules |
HMC936AGaAS MMIC 6 Bit Digital Phase Shifters, 1.2 - 1.4 GHz | RF Misc ICs and Modules | 2 | Active | The HMC936ALP6E is a 6-bit digital phase shifter which is rated from 1.2 to 1.4 GHz, providing 360 degrees of phase coverage, with a LSB of 5.625 degrees. The HMC936ALP6E features very low RMS phase error of 1.2 degrees and extremely low inser-tion loss variation of ±0.5 dB across all phase states. This high accuracy phase shifter is controlled with positive control logic of 0/+5V and requires no negative supply voltage. The HMC936ALP6E is housed in a compact 6x6 mm plastic leadless SMT package and is internally matched to 50 Ohms with no external components.ApplicationsEW receiversWeather and military radarSatellite communicationsBeamforming modulesPhase cancellation |
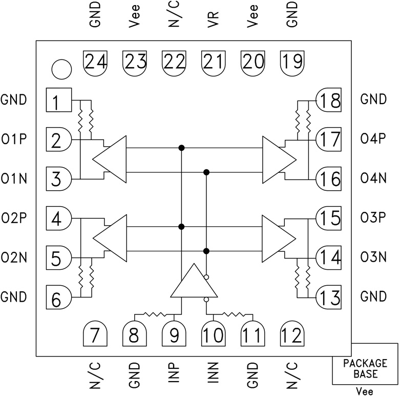
HMC939ALP4E1.0 dB LSB GaAs MMIC 5-Bit Digital Attenuator, 0.1 - 40 GHz | Attenuators | 6 | Active | The HMC939ALP4E is a 5-bit digital attenuator with a 31 dB attenuation control range in 1 dB steps.The HMC939ALP4E offers optimum insertion loss, attenuation accuracy, and input linearity over the specified frequency range from 100 MHz to 33 GHz.The HMC939ALP4E requires dual supply voltages, VDD = +5 V and VSS = −5 V, and provides CMOS-/TTL-compatible parallel control interface by incorporating an on-chip driver.The HMC939ALP4E comes in a RoHS compliant, compact, 4 mm × 4 mm LFCSP package. SeeHMC939A-DIEfor the die version of HMC939ALP4E.ApplicationsTest instrumentationMicrowave radios and very small aperture terminals (VSATs)Military radios, radars, electronic counter measures (ECMs)Broadband telecommunications systems |
| Evaluation Boards | 1 | Active | |