A
Analog Devices
| Series | Category | # Parts | Status | Description |
|---|---|---|---|---|
| Part | Spec A | Spec B | Spec C | Spec D | Description |
|---|---|---|---|---|---|
| Series | Category | # Parts | Status | Description |
|---|---|---|---|---|
| Part | Spec A | Spec B | Spec C | Spec D | Description |
|---|---|---|---|---|---|
| Part | Category | Description |
|---|---|---|
Analog Devices ADM6713RAKSZ-REELObsolete | Integrated Circuits (ICs) | IC SUPERVISOR 1 CHANNEL SC70-4 |
Analog Devices | RF and Wireless | RF AMP SINGLE GENERAL PURPOSE RF AMPLIFIER 20GHZ 3.6V 22-PIN DIE TRAY |
Analog Devices | Integrated Circuits (ICs) | LOW NOISE, SWITCHED CAPACITOR REGULATED VOLTAGE INVERTERS |
Analog Devices | Integrated Circuits (ICs) | QUAD 16-BIT/12-BIT ±10V VOUTSOFTSPAN DACS WITH 10PPM/°C MAX REFERENCE |
Analog Devices | Integrated Circuits (ICs) | SERIAL 14-BIT, 3.5MSPS SAMPLING ADC WITH BIPOLAR INPUTS |
Analog Devices | Integrated Circuits (ICs) | ISOSPI ISOLATED COMMUNICATIONS INTERFACE |
Analog Devices | Integrated Circuits (ICs) | 4.5A, 500KHZ STEP-DOWN SWITCHING REGULATOR |
Analog Devices | Integrated Circuits (ICs) | 300 MA, LOW QUIESCENT CURRENT, ADJUSTABLE OUTPUT, CMOS LINEAR REGULATOR |
Analog Devices AD767KNObsolete | Integrated Circuits (ICs) | IC DAC 12BIT V-OUT 24DIP |
Analog Devices | Integrated Circuits (ICs) | QUAD 12-/10-/8-BIT RAIL-TO-RAIL DACS WITH 10PPM/°C REFERENCE |
| Series | Category | # Parts | Status | Description |
|---|---|---|---|---|
| Filters - Active | 1 | Obsolete | ||
| Filters - Active | 2 | Obsolete | ||
| Integrated Circuits (ICs) | 1 | Obsolete | ||
| Evaluation and Demonstration Boards and Kits | 4 | Obsolete | ||
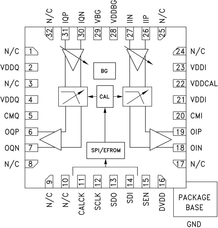
HMC90050 MHz Dual Baseband Programmable Low Pass Filter | Evaluation Boards | 3 | Obsolete | The HMC900LP5E is a 6th order, programmable bandwidth, fully calibrated, dual low pass filter. It features 0 or 10 dB input gain setting and supports arbitrary bandwidths from 3.5 to 50 MHz, and when calibrated, is accurate to ±2.5% of the desired bandwidth. It includes a filter bypass option with a bandwidth of 100 MHz, while retaining gain and common mode settings.Housed in a compact 5x5mm SMT QFN package, the HMC900LP5E requires minimal external components and provides a low cost alternative to more complicated switched discrete filter architectures. Filter calibration for the HMC900LP5E is accomplished with any reference clock rate from 20 to 80 MHz. One time programmable (OTP) memory offers unsurpassed flexibility allowing the user "set and forget" parameters like gain, and bandwidth setting.Matched filter paths provide excellent quadrature balance, making the HMC900LP5E ideal for I/Q communications applications. The 6th order Butterworth transfer function delivers superior stop band rejection while maintaining both a flat passband and minimal group delay variation.ApplicationsBaseband Filtering for A/D or D/A ConvertersPoint-to-Point, Fixed Wireless & Cellular Base Station TransceiversIntegrated Direct Conversion Receiver (DCR)Software Defined Radio ApplicationsTest & Measurement Equipment |
HMC902LP3E5 GHz to 11 GHz GaAs, pHEMT, MMIC, Low Noise Amplifier | RF Amplifiers | 2 | Active | The HMC902 is a gallium arsenide (GaAs), pseudomorphic (pHEMT) monolithic microwave integrated circuit (MMIC), low noise amplifier (LNA), which is self biased with optional bias control for IDQreduction. The HMC902 operates between 5 GHz and 11 GHz. This LNA provides 20 dB of small signal gain, 1.6 dB noise figure, and output IP3 of 28 dBm, requiring only 80 mA from a 3.5 V supply. The P1dB output power of 16 dBm enables the LNA to function as a local oscillator (LO) driver for balanced, I/Q, or image rejection mixers. The HMC902 also features inputs/outputs that are matched to 50 Ω for ease of integration into multichip modules (MCMs). All data is taken with the HMC902 in a 50 Ω test fixture connected via two 0.025 mm (1 mil) diameter wire bonds of 0.31 mm (12 mil) length.ApplicationsPoint to point radiosPoint to multipoint radiosMilitary and spaceTest instrumentationIndustrial scientific and medical (ISM) radio bandUnlicensed national information infrastructure (UNII)Wireless communication service (WCS) |
HMC903LP3EGaAs, pHEMT, MMIC, Low Noise Amplifier, 6 GHz to 17 GHz | RF Amplifiers | 3 | Active | The HMC903 is a gallium arsenide (GaAs), pseudomorphic high electron mobility transistor (pHEMT), monolithic microwave integrated circuit (MMIC), low noise amplifier (LNA), which is self biased with the optional bias control for IDQreduction. It operates between 6 GHz and 18 GHz. This LNA provides 19 dB of small signal gain, 1.6 dB noise figure, and an output third-order intercept (IP3) of 27 dBm, requiring only 90 mA of supply current from a 3.5 V supply. The output power for a 1 dB compression (P1dB) of 16 dBm enables the LNA to function as a local oscillator (LO) driver for balanced, I/Q, or image rejection mixers. The HMC903 also features inputs/outputs that are dc blocked and internally matched to 50 Ω for ease of integration into multichip modules (MCMs). All data is taken with the HMC903 in a 50 Ω test fixture connected via 0.025 mm (1 mil) diameter with bonds of 0.31 mm (12 mil) length.ApplicationsPoint to point radiosPoint to multipoint radiosMilitary and spaceTest instrumentation |
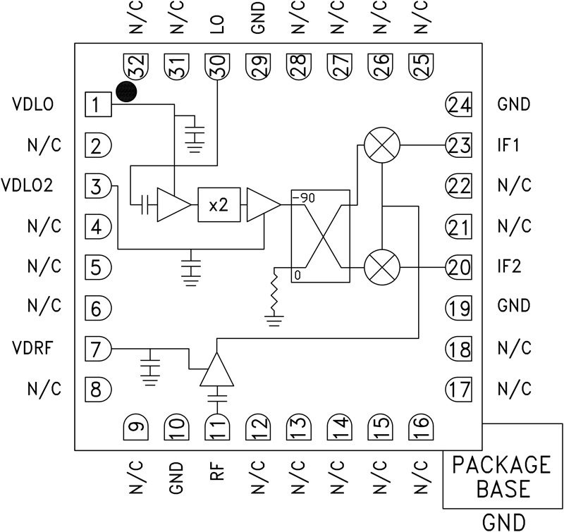
HMC904GaAs MMIC I/Q Downconverter, 17 - 24 GHz | RF and Wireless | 2 | Active | The HMC904LC5 is a compact GaAs MMIC I/Q downconverter in a leadless RoHS compliant SMT package. This device provides a small signal conversion gain of 12 dB with a noise figure of 3 dB and 30 dB of image rejection across the frequency band. The HMC904LC5 utilizes an LNA followed by an image reject mixer which is driven by an active x2 multiplier.The image reject mixer eliminates the need for a filter following the LNA, and removes thermal noise at the image frequency. I and Q mixer outputs are provided and an external 90° hybrid is needed to select the required sideband. The HMC904LC5 is a much smaller alternative to hybrid style image reject mixer downconverter assemblies, and is compatible with surface mount manufacturing techniques.APPLICATIONSPoint-to-Point and Point-to-Multi-Point RadioMilitary Radar, EW & ELINTSatellite Communications |
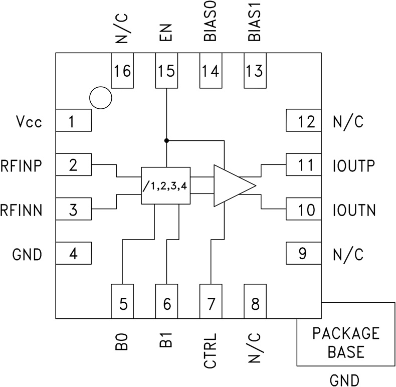
HMC9056 GHz Low Noise Programmable Divider (N = 1 to 4) SMT | RF, RFID, Wireless Evaluation Boards | 2 | Active | The HMC905LP3E is a SiGe BiCMOS low noise programmable frequency divider in a 3x3 mm leadless surface mount package. The circuit can be programmed to divide from N = 1 to N = 4 in the 400 MHz to 6 GHz input frequency range. The high level output power (up to 6 dBm single ended) with a very low SSB phase noise and 50% duty cycle makes this device ideal for low noise clock generation, LO generation and LO drive applications. Configurable bias and output power controls allow current consumption and output power control. The device incorporates a power down feature, good input to output isolation and fast start up time. The HMC905LP3E can be included into fast switching "ping-pong" applications.APPLICATIONSLO Generation with Low Noise FloorSoftware Defined RadiosClock GeneratorsFast Switching SynthesizersMilitary ApplicationsTest EquipmentSensors |
HMC906A-DIEGaAs pHEMT MMIC 2 Watt Power Amplifier, 27.3 - 33.5 GHz | RF Amplifiers | 1 | Obsolete | The HMC906A is a four stage GaAs pHEM T MMIC 2 Watt Power Amplifier which operates between 27.3 and 33.5 GHz. The HMC906A provides 26.5 dB of gain, and +33.5 dBm of saturated output power and 20% PAE from a +6V supply. The OIP 3 of 40 dBm at 28 dBm / tone provides excellent linearity for satellite communications. The RF I/Os are DC blocked and matched to 50 Ohms for ease of integration into Multi-Chip-Modules (MCMs). All data is taken with the chip in a 50 Ohm test fixture connected via two 0.025 mm (1 mil) diameter wire bonds of length 0.31 mm (12 mils).Applications• Satellite Communications• Point-to-Point Radios• Point-to-Multi-Point Radios• VSAT• Military & Space |