A
Analog Devices
| Series | Category | # Parts | Status | Description |
|---|---|---|---|---|
| Part | Spec A | Spec B | Spec C | Spec D | Description |
|---|---|---|---|---|---|
| Series | Category | # Parts | Status | Description |
|---|---|---|---|---|
| Part | Spec A | Spec B | Spec C | Spec D | Description |
|---|---|---|---|---|---|
| Series | Category | # Parts | Status | Description |
|---|---|---|---|---|
HMC87520 Gbps Clocked Comparator with RSCML Output Stage | Evaluation and Demonstration Boards and Kits | 3 | Obsolete | The HMC875LC3C is a SiGe monolithic, ultra fast comparator which features reduced swing CML output drivers and clock inputs. The comparator supports 20 Gbps operation while providing 120 ps clock to data output delay and 60 ps minimum pulse width with 0.2 ps rms random jitter (RJ). 25 Gbps operation can be achieved with reduced output voltage swing. Overdrive and slew rate dispersion are typically 10 ps, making the device ideal for a wide range of applications from ATE to broadband communications. The reduced swing CML output stage is designed to directly drive 400 mV into 50 Ohms terminated to GND. The HMC875LC3C features high speed latches with programmable hysteresis, and is configured to operate as a clocked comparator.ApplicationsATE ApplicationsHigh Speed InstrumentationDigital Receiver SystemsPulse SpectroscopyHigh Speed Trigger CircuitsClock & Data Restoration |
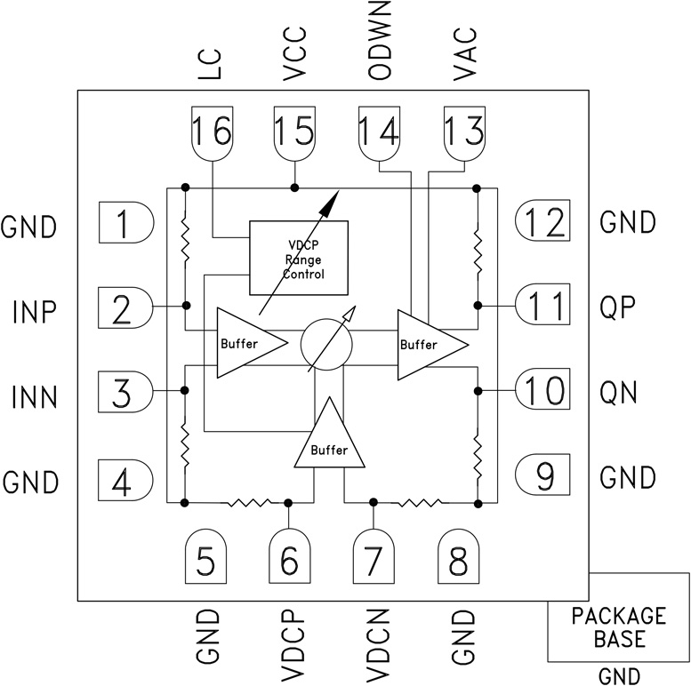
HMC877Broadband Time Delay & Phase Shifter SMT, 8 - 23 GHz | RF and Wireless | 1 | Obsolete | The HMC877LC3 is a phase shifter/time delay with 0 to 500°(1.4 UI) continuously adjustable shift/delay range. The delay control is linearly monotonic with respect to the differential control voltage (VDCP, VDCN) and the control input has a modulation bandwidth of 2.5 GHz. The device provides a differential output voltage with constant amplitude for single-ended or differential input voltages above the input sensitivity level, while the output voltage swing may be adjusted using the VAC control pin. The HMC877LC3 features internal temperature compensation and bias circuitry to minimize delay variations with temperature. The device also features a delay control voltage range adjustment pin, LC. All RF input and outputs of the HMC877LC3 are internally terminated with 50 Ohms to VCC, and may either be AC or DC coupled. Output pins can be connected directly to a 50 Ohm to VCCterminated system, while DC blocking capacitors must be used if the terminated system input is 50 Ohms to a DC voltage other than VCC. The HMC877LC3 is available in ROHS-compliant 3 x 3 mm SMT package.APPLICATIONSSynchronization of Clock & DataTransponder DesignBroadband Test & MeasurementRF ATE Applications |
HMC881AFilter - Tunable, Low Pass SMT, 2.2 - 4.0 GHz | Filters - Active | 2 | Active | The HMC881A is a monolithic microwave integrated circuit (MMIC) low-pass filter that features a user-selectable cutoff frequency. The cutoff frequency can be varied from 2.4 GHz to 4 GHz by applying a single analog tuning voltage between 0 V and 14 V. This low-pass filter provides a low 3 dB insertion loss, 16.5 dB return loss, and 1.35 × f3dBstopband attenuation of >20 dB. This tunable filter can be used as a much smaller alternative to physically large switched filter banks and cavity tuned filters. The HMC881A has excellent microphonics due to the monolithic design, and provides a dynamically adjustable solution in advanced communications applications. The low-pass tunable filter is packaged in a RoHS compliant 5 mm × 5 mm LFCSP package.ApplicationsTesting and measurement equipmentMilitary radar and electronic warfare/electronic countermeasures (ECMs)Satellite communication and spaceIndustrial and medical equipment |
HMC882A3.95 GHz to 6.9 GHz, Tunable Low-Pass Filter | Integrated Circuits (ICs) | 2 | Active | The HMC882A is a monolithic microwave integrated circuit (MMIC) low-pass filter that features a user-selectable cutoff frequency (f3dB). The cutoff frequency can be varied from 3.95 GHz to 6.9 GHz by applying a single analog tuning voltage between 0 V and 14 V. This low-pass filter provides a low 3 dB insertion loss, 13 dB return loss, and >20 dB stopband attenuation at 1.28 × f3dBGHz. This tunable filter can be used as a much smaller alternative to physically large switched filter banks and cavity tuned filters. The HMC882A has excellent microphonics due to the monolithic design and low residual phase noise of −165 dBc/Hz, and provides a dynamically adjustable solution in advanced communications applications. The low-pass tunable filter is packaged in a RoHS compliant, 5 mm × 5mm LFCSP package.ApplicationsTesting and measurement equipmentMilitary radar and electronic warfare/electronic counter measures (ECMs)Satellite communication and spaceIndustrial and medical equipment |
HMC890A1.0 GHz to 1.9 GHz Tunable Band-Pass Filter | Interface | 4 | Active | The HMC890ALP5E is a monolithic microwave integrated circuit (MMIC), band-pass filter that features a user selectable pass-band frequency. The 3 dB filter bandwidth is approximately 10%. The ≥20 dB filter bandwidth is approximately 30%. The center frequency can vary between 1.0 GHz and 1.9 GHz by applying an analog tuning voltage between 0 V and 14 V. This tunable filter can be used as a much smaller alternative to physically large switched filter banks and cavity tuned filters.The HMC890ALP5E has excellent microphonics due to the monolithic design, and provides a dynamically adjustable solution in advanced communications applications.APPLICATIONSTest and measurement equipmentMilitary radar and electronic warfare/electronic countermeasuresSatellite communications and spaceIndustrial and medical equipment |
HMC891A1.95 GHz to 3.4 GHz, Tunable Band-Pass Filter | Evaluation Boards | 5 | Active | The HMC891ALP5E is a monolithic microwave integrated circuit (MMIC) band-pass filter that features a user-selectable pass band frequency. The 3 dB filter bandwidth is approximately 9% and the 20 dB filter bandwidth is approximately 23%. The center frequency (fCENTER) can be varied between 1.95 GHz and 3.4 GHz by applying an analog tune voltage between 0 V and 14 V.This tunable filter can be used as a smaller alternative to physically large switched filter banks and cavity tuned filters.The HMC891ALP5E has excellent microphonics due to the monolithic design, and provides a dynamically adjustable solution in advanced communications applications.ApplicationsTesting and measurement equipmentMilitary radar and electronic warfare/electronic counter measure (ECM)Satellite communication and spaceIndustrial and medical equipment |
| Filters - Active | 3 | Active | ||
| Filters - Active | 1 | Obsolete | ||
| Evaluation and Demonstration Boards and Kits | 1 | Obsolete | ||
| Interface | 2 | Obsolete | ||
| Part | Category | Description |
|---|---|---|
Analog Devices ADM6713RAKSZ-REELObsolete | Integrated Circuits (ICs) | IC SUPERVISOR 1 CHANNEL SC70-4 |
Analog Devices | RF and Wireless | RF AMP SINGLE GENERAL PURPOSE RF AMPLIFIER 20GHZ 3.6V 22-PIN DIE TRAY |
Analog Devices | Integrated Circuits (ICs) | LOW NOISE, SWITCHED CAPACITOR REGULATED VOLTAGE INVERTERS |
Analog Devices | Integrated Circuits (ICs) | QUAD 16-BIT/12-BIT ±10V VOUTSOFTSPAN DACS WITH 10PPM/°C MAX REFERENCE |
Analog Devices | Integrated Circuits (ICs) | SERIAL 14-BIT, 3.5MSPS SAMPLING ADC WITH BIPOLAR INPUTS |
Analog Devices | Integrated Circuits (ICs) | ISOSPI ISOLATED COMMUNICATIONS INTERFACE |
Analog Devices | Integrated Circuits (ICs) | 4.5A, 500KHZ STEP-DOWN SWITCHING REGULATOR |
Analog Devices | Integrated Circuits (ICs) | 300 MA, LOW QUIESCENT CURRENT, ADJUSTABLE OUTPUT, CMOS LINEAR REGULATOR |
Analog Devices AD767KNObsolete | Integrated Circuits (ICs) | IC DAC 12BIT V-OUT 24DIP |
Analog Devices | Integrated Circuits (ICs) | QUAD 12-/10-/8-BIT RAIL-TO-RAIL DACS WITH 10PPM/°C REFERENCE |