A
Analog Devices Inc./Maxim Integrated
| Series | Category | # Parts | Status | Description |
|---|---|---|---|---|
| Part | Spec A | Spec B | Spec C | Spec D | Description |
|---|---|---|---|---|---|
| Series | Category | # Parts | Status | Description |
|---|---|---|---|---|
| Part | Spec A | Spec B | Spec C | Spec D | Description |
|---|---|---|---|---|---|
| Part | Category | Description |
|---|---|---|
Analog Devices Inc./Maxim Integrated LTC1879EGN#TRUnknown | Integrated Circuits (ICs) | IC REG BUCK ADJ 1.2A 16SSOP |
Analog Devices Inc./Maxim Integrated LTC2208CUP#TRUnknown | Integrated Circuits (ICs) | IC ADC 16BIT 130MSPS 64-QFN |
Analog Devices Inc./Maxim Integrated ADP2108ACBZ-1.1-R7Obsolete | Integrated Circuits (ICs) | IC REG BUCK 1.1V 600MA 5WLCSP |
Analog Devices Inc./Maxim Integrated EV1HMC832ALP6GObsolete | Development Boards Kits Programmers | EVAL BOARD FOR HMC832ALP6GE |
Analog Devices Inc./Maxim Integrated LTC488ISWUnknown | Integrated Circuits (ICs) | IC LINE RCVR RS485 QUAD 16-SOIC |
Analog Devices Inc./Maxim Integrated LTC6946IUFD-2Obsolete | Integrated Circuits (ICs) | IC CLK/FREQ SYNTH 28QFN |
Analog Devices Inc./Maxim Integrated MAX5556ESA+TObsolete | Integrated Circuits (ICs) | IC DAC/AUDIO 16BIT 50K 8SOIC |
Analog Devices Inc./Maxim Integrated EVAL-FLTR-LD-1RZUnknown | Unclassified | EVAL BRD FOR AD800 SERIES |
Analog Devices Inc./Maxim Integrated | Development Boards Kits Programmers | BOARD EVAL FOR AD9963 |
Analog Devices Inc./Maxim Integrated LTC1296CCSW#TRUnknown | Integrated Circuits (ICs) | IC DATA ACQ SYS 12BIT 5V 20SOIC |
| Series | Category | # Parts | Status | Description |
|---|---|---|---|---|
HMC496SiGe Direct Modulator, 4 - 7 GHz | RF Modulators | 3 | Obsolete | The HMC496LP3(E) is a low noise Wideband Direct Quadrature Modulator RFIC which are ideal for digital modulation applications from 4 - 7 GHz including; WLL, U-NII, WLAN & microwave radios. Housed in a compact 3x3 mm (LP3) SMT QFN package, the RFIC requires minimal external components & provides a low cost alternative to more complicated double upconversion architectures.The RF output port is matched to 50 Ohms with no external components. The LO requires -3 to +6 dBm and can be driven in either differential or single-ended mode while the Baseband inputs will support modulation inputs from DC - 250 MHz typical. This device is optimized for a supply voltage of +3V @ 93 mA and will provide stable performance over a +2.7V to +3.3V range.ApplicationsFixed Wireless or WLLU-NII Radios802.11a & HiperLAN WLANC-band Microwave Radios |
HMC497SiGe Direct Modulator, 100 - 4000 MHz | Development Boards, Kits, Programmers | 4 | Obsolete | The HMC497LP4(E) is a low noise, high linearity Direct Quadrature Modulator RFICs which is ideal for digital modulation applications from 100 - 4000 MHz including; Cellular/3G, Broadband Wireless Access & ISM circuits. Housed in a compact 4x4 mm (LP4) SMT QFN package, the RFIC requires minimal external components & provides a low cost alternative to more complicated double upconversion architectures.The RF output port is single-ended and matched to 50 Ohms with no external components. The LO requires -6 to +6 dBm and can be driven in either differential or single-ended mode while the baseband inputs will support modulation inputs from DC - 700 MHz typical. This device is optimized for a supply voltage of +4.5V to +5.5V and consumes 170 mA @ +5V supply.ApplicationsUMTS, GSM or CDMA BasestationsFixed Wireless or WLLISM Transceivers, 900 & 2400 MHzGMSK, QPSK, QAM, SSB Modulators |
| Evaluation Boards | 5 | Active | ||
HMC498LC4Medium Power Amplifier SMT, 17 - 24 GHz | RF Amplifiers | 1 | Active | The HMC498LC4 is a high dynamic range GaAs PHEMT MMIC Medium Power Amplifier housed in a leadless "Pb free" SMT package. Operating from 17 to 24 GHz, the amplifier provides 22 dB of gain, +26 dBm of saturated power and 23% PAE from a +5V supply voltage. Noise figure is 4 dB while output IP3 is +36 dBm typical enabling the HMC498LC4 to function as a low noise front end as well as a driver amplifier. The RF I/Os are DC blocked and matched to 50 Ohms for ease of use. The HMC498LC4 eliminates the need for wire bonding, allowing use of surface mount manufacturing techniques.ApplicationsPoint-to-Point RadiosPoint-to-Multi-Point Radios & VSATTest Equipment & SensorsMilitary End-Use |
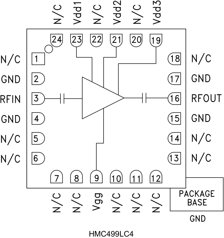
HMC499Medium Power Amplifier Chip, 21 - 32 GHz | Evaluation Boards | 3 | Active | The HMC499 is a high dynamic range GaAs PHEMT MMIC Medium Power Amplifier which operates between 21 and 32 GHz. The HMC499 provides 16 dB of gain, and an output power of +24 dBm at 1 dB compression from a +5V supply voltage. The HMC499 amplifier can easily be integrated into Multi-Chip-Modules (MCMs) due to its small size. All data is with the chip in a 50 Ohm test fixture connected via 0.025mm (1 mil) diameter wire bonds of minimal length 0.31mm (12 mils).ApplicationsPoint-to-Point RadiosPoint-to-Multi-Point RadiosVSATMilitary & Space |
HMC499LC4Medium Power Amplifier SMT, 21 - 32 GHz | RF and Wireless | 2 | Active | The HMC499LC4 is a high dynamic range GaAs PHEMT MMIC Medium Power Amplifier housed in a leadless "Pb free" RoHS Compliant SMT package. Operating from 21 to 32 GHz, the amplifier provides 16 dB of gain, +24 dBm of saturated power and 16% PAE from a +5V supply voltage. The RF I/Os are DC blocked and matched to 50 Ohms for ease of use. The HMC499LC4 eliminates the need for wire bonding, allowing use of surface mount manufacturing techniques.ApplicationsPoint-to-Point RadiosPoint-to-Multi-Point Radios & VSATTest Equipment & SensorsMilitary End-Use |
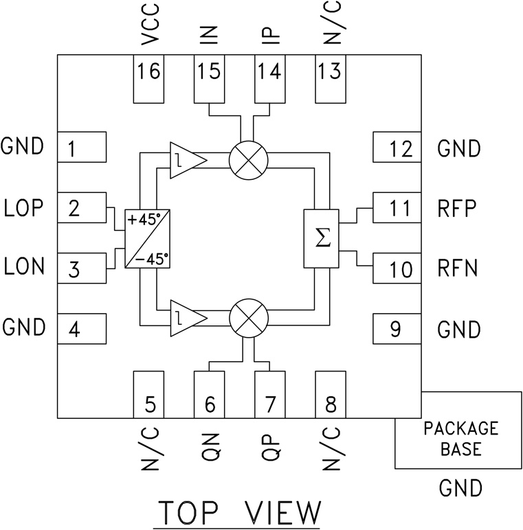
HMC500HBT Vector Modulator SMT, 1.8 - 2.2 GHz | RF and Wireless | 2 | Active | The HMC500LP3(E) is a high dynamic range Vector Modulator RFIC which is targeted for RF predistortion and feed-forward cancellation circuits, as well as RF cancellation and beam forming amplitude/phase correction circuits. The I & Q ports of the HMC500LP3(E) can be used to continuously vary the phase and amplitude of RF signals by up to 360 degrees and 40 dB respectively, while supporting a 3 dB modulation bandwidth of 150 MHz. With an input IP3 of +33 dBm and input noise floor of -152 dBm/Hz (at -10 dB maximum gain setting), the input IP3/noise floor ratio is 185 dB.APPLICATIONSWireless Infrastructure HPA & MCPA Error CorrectionPre-Distortion or Feed-Forward LinearizationPCS, GSM and W-CDMA SystemsBeam Forming or RF Cancellation Circuits |
| Evaluation Boards | 4 | Active | ||
HMC505VCO SMT w/Buffer Amplifier, 6.8 - 7.4 GHz | Development Boards, Kits, Programmers | 5 | Active | The HMC505LP4(E) is a GaAs InGaP Heterojunction Bipolar Transistor (HBT) MMIC VCO with an integrated resonator, negative resistance device, varactor diode, and buffer amplifier. Covering 6.8 to 7.4 GHz, the VCO’s phase noise performance is excellent over temperature, shock and vibration due to the oscillator’s monolithic structure. Power output is +11 dBm typical from a single supply of +3V @ 80 mA. The voltage controlled oscillator is packaged in a leadless QFN 4x4 mm surface mount package.APPLICATIONSVSAT & Microwave RadioTest Equipment & Industrial ControlsMilitary |
HMC506VCO SMT w/Buffer Amplifier, 7.8 - 8.7 GHz | Evaluation Boards | 5 | Active | The HMC506LP4(E) is a GaAs InGaP Heterojunction Bipolar Transistor (HBT) MMIC VCO with an integrated resonator, negative resistance device, varactor diode, and buffer amplifier. Covering 7.8 to 8.7 GHz, the VCO’s phase noise performance is excellent over temperature, shock and vibration due to the oscillator’s monolithic structure. Power output is +14 dBm typical from a single supply of +3V @ 77 mA. The voltage controlled oscillator is packaged in a leadless QFN 4x4 mm surface mount package.APPLICATIONSVSAT RadioPoint-to-Point/Multi-point RadioTest Equipment & Industrial ControlsMilitary End-Use |