A
Analog Devices Inc./Maxim Integrated
| Series | Category | # Parts | Status | Description |
|---|---|---|---|---|
| Part | Spec A | Spec B | Spec C | Spec D | Description |
|---|---|---|---|---|---|
| Series | Category | # Parts | Status | Description |
|---|---|---|---|---|
| Part | Spec A | Spec B | Spec C | Spec D | Description |
|---|---|---|---|---|---|
| Part | Category | Description |
|---|---|---|
Analog Devices Inc./Maxim Integrated LTC1879EGN#TRUnknown | Integrated Circuits (ICs) | IC REG BUCK ADJ 1.2A 16SSOP |
Analog Devices Inc./Maxim Integrated LTC2208CUP#TRUnknown | Integrated Circuits (ICs) | IC ADC 16BIT 130MSPS 64-QFN |
Analog Devices Inc./Maxim Integrated ADP2108ACBZ-1.1-R7Obsolete | Integrated Circuits (ICs) | IC REG BUCK 1.1V 600MA 5WLCSP |
Analog Devices Inc./Maxim Integrated EV1HMC832ALP6GObsolete | Development Boards Kits Programmers | EVAL BOARD FOR HMC832ALP6GE |
Analog Devices Inc./Maxim Integrated LTC488ISWUnknown | Integrated Circuits (ICs) | IC LINE RCVR RS485 QUAD 16-SOIC |
Analog Devices Inc./Maxim Integrated LTC6946IUFD-2Obsolete | Integrated Circuits (ICs) | IC CLK/FREQ SYNTH 28QFN |
Analog Devices Inc./Maxim Integrated MAX5556ESA+TObsolete | Integrated Circuits (ICs) | IC DAC/AUDIO 16BIT 50K 8SOIC |
Analog Devices Inc./Maxim Integrated EVAL-FLTR-LD-1RZUnknown | Unclassified | EVAL BRD FOR AD800 SERIES |
Analog Devices Inc./Maxim Integrated | Development Boards Kits Programmers | BOARD EVAL FOR AD9963 |
Analog Devices Inc./Maxim Integrated LTC1296CCSW#TRUnknown | Integrated Circuits (ICs) | IC DATA ACQ SYS 12BIT 5V 20SOIC |
| Series | Category | # Parts | Status | Description |
|---|---|---|---|---|
| Signal Switches, Multiplexers, Decoders | 2 | Obsolete | ||
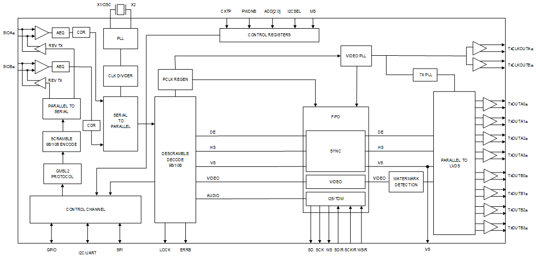
MAX96751GMSL2 Serializer with HDMI 2.0 Input | Serializers, Deserializers | 4 | Active | The MAX96751 serializer converts HDMI®to single or dual GMSL™ serial protocol. It also sends and receives side-channel and peripheral control data, enabling full-duplex, single-wire, transmission of video and bidirectional data. Each GMSL2 link operates at a fixed rate of 3Gbps or 6Gbps in the forward direction and 187.5Mbps in the reverse direction.The MAX96751 supports RGB888 video at up to 215MHz PCLK per GMSL2 link.For designs supporting two displays, see the New Designs Supporting Two Displays section of Detailed Descriptions for more information.The GMSL2 concurrent control channel operates in I2C or UART mode. Two additional pass-through I2C or UART channels and a pass-through SPI channel are provided for peripheral control. The bidirectional audio channel supports I2S stereo and up to 8 channels in Time-Division Multiplexing (TDM) mode.Data can be transmitted over low-cost 50Ω coax or 100Ω STP cables that meet the GMSL2 Channel Specification. Contact the factory to receive the GMSL2 Channel Specification document.APPLICATIONSNavigation and Touch-Panel DisplaysDigital Instrument Clusters and Heads-Up DisplaysRear-Seat and Passenger Infotainment DisplaysConsumer HDMI Port Applications |
MAX96752GMSL2 Deserializer with Dual LVDS (OLDI) Output | Integrated Circuits (ICs) | 4 | Active | The MAX96752 deserializers convert a single- or dual-link GMSL™ serial input to single or dual OLDI. They also send and receive side-channel and peripheral control data, enabling full-duplex, single-wire transmission of video and bidirectional data.The OLDI output can be configured as single-port (4 or 8 lanes) or dual-port (2 x 4 lanes) for flexibility in driving displays with a variety of resolutions. Each port accommodates pixel clock rates of up to 150MHz, and in dual-port mode, the MAX96752 support a combined pixel clock of up to 300MHz.The GMSL2 concurrent control channel operates in I2C or UART mode. Two additional pass-through I2C or UART channels and a pass-through SPI channel are provided for peripheral control. The bidirectional audio channel supports I2S stereo and up to 8 channels in TDM mode.Operation is specified over the -40°C to +105°C automotive temperature range. The devices are AEC-Q100 qualified.Data can be transmitted over low-cost 50Ω Coax or 100Ω STP cables that meet the GMSL2 channel specification.APPLICATIONSCluster and Heads-Up DisplaysCentral Information DisplaysRear-Seat Infotainment Displays |
| Video Processing | 3 | Active | ||
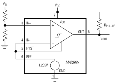
MAX968Single/Dual/Quad, Micropower, Ultra-Low-Voltage, Rail-to-Rail I/O Comparators | Video Processing | 11 | Active | The MAX965–MAX970 single/dual/quad micropower comparators feature rail-to-rail inputs and outputs, and fully specified single-supply operation down to +1.6V. These devices draw less than 5µA per comparator and have open-drain outputs that can be pulled beyond VCCto 6V (max) above ground. In addition, their rail-to-rail input common-mode voltage range makes these comparators suitable for ultra-low-voltage operation.A +1.6V to +5.5V single-supply operating voltage range makes the MAX965 family of comparators ideal for 2-cell battery-powered applications. The MAX965/MAX967/MAX968/MAX969 offer programmable hysteresis and an internal 1.235V ±1.5% reference. All devices are available in either space-saving 8-pin µMAX® or 16-pin QSOP packages.Applications2-Cell Battery-Powered/Portable SystemsGround/Supply SensingMobile CommunicationsThreshold Detectors/DiscriminatorsVoltage-Level TranslationWindow Comparators |
| Linear | 1 | Obsolete | ||
| Linear | 1 | Active | ||
MAX969Single/Dual/Quad, Micropower, Ultra-Low-Voltage, Rail-to-Rail I/O Comparators | Evaluation and Demonstration Boards and Kits | 14 | Active | The MAX9691/MAX9692/MAX9693 are ultra-fast ECL comparators capable of very short propagation delays. Their design maintains the excellent DC matching characteristics normally found only in slower comparators.The MAX9691/MAX9692/MAX9693 have differential inputs and complementary outputs that are fully compatible with ECL-logic levels. Output current levels are capable of driving 50Ω terminated transmission lines. The ultra-fast operation makes signal processing possible at frequencies in excess of 600MHz.The MAX9692/MAX9693 feature a latch-enable (LE) function that allows the comparator to be used in a sample-hold mode. When LE is ECL high, the comparator functions normally. When LE is driven ECL low, the outputs are forced to an unambiguous ECL-logic state, dependent on the input conditions at the time of the latch input transition. If the latch-enable function is not used on either of the two comparators, the appropriate LE input must be connected to ground; the companion active-low LE input must be connected to a high ECL logic level.These devices are available in SO, QSOP, and tiny µMAX® packages for added space savings.ApplicationsHigh-Speed Line ReceiversHigh-Speed TriggeringPeak DetectorsThreshold Detectors |
MAX9691Single/Dual, Ultra-Fast, ECL-Output Comparators with Latch Enable | Comparators | 10 | Active | The MAX9691/MAX9692/MAX9693 are ultra-fast ECL comparators capable of very short propagation delays. Their design maintains the excellent DC matching characteristics normally found only in slower comparators.The MAX9691/MAX9692/MAX9693 have differential inputs and complementary outputs that are fully compatible with ECL-logic levels. Output current levels are capable of driving 50Ω terminated transmission lines. The ultra-fast operation makes signal processing possible at frequencies in excess of 600MHz.The MAX9692/MAX9693 feature a latch-enable (LE) function that allows the comparator to be used in a sample-hold mode. When LE is ECL high, the comparator functions normally. When LE is driven ECL low, the outputs are forced to an unambiguous ECL-logic state, dependent on the input conditions at the time of the latch input transition. If the latch-enable function is not used on either of the two comparators, the appropriate LE input must be connected to ground; the companion active-low LE input must be connected to a high ECL logic level.These devices are available in SO, QSOP, and tiny µMAX® packages for added space savings.ApplicationsHigh-Speed Line ReceiversHigh-Speed TriggeringPeak DetectorsThreshold Detectors |
| Linear | 7 | Active | ||