| Power Management (PMIC) | 9 | Active | |
MAX700Power-Supply Monitor with Reset | Integrated Circuits (ICs) | 8 | Active | The MAX700/MAX701/MAX702 are supervisory circuits used to monitor the power supplies in microprocessor (µP) and digital systems. The active-low RESET/RESET outputs of the MAX700/MAX701/MAX702 are guaranteed to be in the correct state for VCCvoltages down to +1V (Figure 4). They provide excellent circuit reliability and low cost by eliminating external components and adjustments when used with +5V-powered circuits.The MAX702 is the simplest part in the family. When VCCfalls to 4.65V, active-low RESET goes low. The MAX702 also provides a debounced manual reset input. The MAX701 performs the same functions but has both active-low RESET and RESET outputs. Their primary function is to provide a system reset. Accordingly, an active reset signal is supplied for low supply voltages and for at least 200ms after the supply voltage reaches its operating value.In addition to the features of the MAX701 and MAX702, the MAX700 provides preset or adjustable voltage detection so thresholds other than 4.65V can be selected, and adjustable hysteresis. All parts are supplied in 8-pin PDIP and Narrow SO packages in commercial and extended temperature ranges.ApplicationsComputersControllersCritical µP Power MonitoringIntelligent Instruments |
MAX701Power-Supply Monitor with Reset | Integrated Circuits (ICs) | 10 | Active | The MAX700/MAX701/MAX702 are supervisory circuits used to monitor the power supplies in microprocessor (µP) and digital systems. The active-low RESET/RESET outputs of the MAX700/MAX701/MAX702 are guaranteed to be in the correct state for VCCvoltages down to +1V (Figure 4). They provide excellent circuit reliability and low cost by eliminating external components and adjustments when used with +5V-powered circuits.The MAX702 is the simplest part in the family. When VCCfalls to 4.65V, active-low RESET goes low. The MAX702 also provides a debounced manual reset input. The MAX701 performs the same functions but has both active-low RESET and RESET outputs. Their primary function is to provide a system reset. Accordingly, an active reset signal is supplied for low supply voltages and for at least 200ms after the supply voltage reaches its operating value.In addition to the features of the MAX701 and MAX702, the MAX700 provides preset or adjustable voltage detection so thresholds other than 4.65V can be selected, and adjustable hysteresis. All parts are supplied in 8-pin PDIP and Narrow SO packages in commercial and extended temperature ranges.ApplicationsComputersControllersCritical µP Power MonitoringIntelligent Instruments |
| Integrated Circuits (ICs) | 9 | Active | |
MAX703Low-Cost Microprocessor Supervisory Circuits with Battery Backup | RF Receivers | 18 | Active | The MAX703/MAX704 microprocessor (µP) supervisory circuits reduce the complexity and number of components required for power-supply monitoring and battery control functions in µP systems. These devices significantly improve system reliability and accuracy compared to that obtained with separate ICs or discrete components.The MAX703/MAX704 are available in 8-pin DIP and SO packages and provide four functions:An active-low reset during power-up, power-down, and brownout conditions.Battery-backup switching for CMOS RAM, CMOS µPs, or other low-power logic circuitry.A 1.25V threshold detector for power-fail warning, low-battery detection, or for monitoring a power supply other than +5V.An active-low manual reset input.The MAX703 and MAX704 differ only in their supply-voltage monitor levels. The MAX703 generates a reset when the supply drops below 4.65V, while the MAX704 generates a reset below 4.40V.ApplicationsComputersControllersCritical µP Power MonitoringIntelligent Instruments |
| RF and Wireless | 5 | Active | |
| RF, RFID, Wireless Evaluation Boards | 4 | Active | |
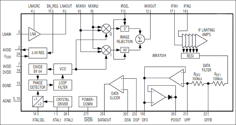
MAX7033315MHz/433MHz ASK Superheterodyne Receiver with AGC Lock | Development Boards, Kits, Programmers | 4 | Active | The MAX7033 fully integrated low-power CMOS super-heterodyne receiver is ideal for receiving amplitude shift-keyed (ASK) data in the 300MHz to 450MHz frequency range. The receiver has an RF input signal range of -114dBm to 0dBm. With few external components and a low-current power-down mode, it is ideal for cost-sensitive and power-sensitive applications typical in consumer markets. The MAX7033 consists of a low-noise amplifier (LNA), a fully differential image-rejection mixer, an on-chip phase-locked loop (PLL) with integrated voltage-controlled oscillator (VCO), a 10.7MHz IF limiting amplifier stage with received-signal-strength indicator (RSSI), and analog baseband data-recovery circuitry. The MAX7033 also has a discrete one-step automatic gain control (AGC) that reduces the LNA gain by 35dB when the RF input signal exceeds -62dBm. The AGC circuitry offers an externally controlled hold feature.The MAX7033 is available in 28-pin TSSOP and 32-pin TQFN packages and is specified over the extended (-40°C to +105°C) temperature range.ApplicationsGarage Door OpenersHome AutomationLocal TelemetryRemote ControlsSecurity SystemsWireless Sensors |
| RF and Wireless | 4 | Active | |
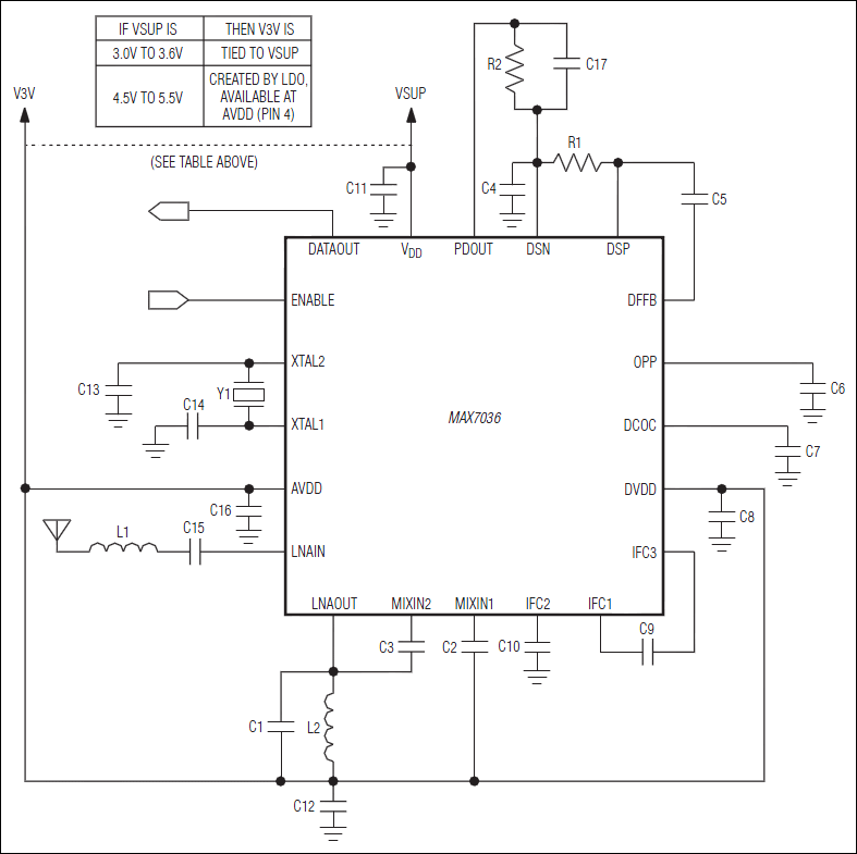
MAX7036300MHz to 450MHz ASK Receiver with Internal IF Filter | Evaluation Boards | 5 | Active | The MAX7036 low-cost receiver is designed to receive amplitude-shift-keyed (ASK) and on-off-keyed (OOK) data in the 300MHz to 450MHz frequency range. The receiver has an RF input signal range of -109dBm to 0dBm.The MAX7036 requires few external components and has a power-down pin to put it in a low-current sleep mode, making it ideal for cost- and power-sensitive applications. The low-noise amplifier (LNA), phase-locked loop (PLL), mixer, IF filter, received-signal-strength indicator (RSSI), and baseband sections are all on-chip. The MAX7036 uses a very-low intermediate frequency (VLIF) architecture. The MAX7036 integrates the IF filter on-chip and therefore eliminates an external ceramic filter, reducing the bill-of-materials cost. The device also contains an on-chip automatic gain control (AGC) that reduces the LNA gain by 30dB when the input signal power is large. The MAX7036 operates from either a 5V or a 3.3V power supply and draws 5.5mA (typ) of current.The MAX7036 is available in a 20-pin thin QFN package with an exposed pad and is specified over the AEC-Q100 Level 2 (-40°C to +105°C) temperature range.ApplicationsGarage Door OpenersHome AutomationLow-Cost RKERemote ControlsSecurity SystemsSensor Networks |