A
Analog Devices Inc./Maxim Integrated
| Series | Category | # Parts | Status | Description |
|---|---|---|---|---|
| Part | Spec A | Spec B | Spec C | Spec D | Description |
|---|---|---|---|---|---|
| Series | Category | # Parts | Status | Description |
|---|---|---|---|---|
| Part | Spec A | Spec B | Spec C | Spec D | Description |
|---|---|---|---|---|---|
| Part | Category | Description |
|---|---|---|
Analog Devices Inc./Maxim Integrated LTC1879EGN#TRUnknown | Integrated Circuits (ICs) | IC REG BUCK ADJ 1.2A 16SSOP |
Analog Devices Inc./Maxim Integrated LTC2208CUP#TRUnknown | Integrated Circuits (ICs) | IC ADC 16BIT 130MSPS 64-QFN |
Analog Devices Inc./Maxim Integrated ADP2108ACBZ-1.1-R7Obsolete | Integrated Circuits (ICs) | IC REG BUCK 1.1V 600MA 5WLCSP |
Analog Devices Inc./Maxim Integrated EV1HMC832ALP6GObsolete | Development Boards Kits Programmers | EVAL BOARD FOR HMC832ALP6GE |
Analog Devices Inc./Maxim Integrated LTC488ISWUnknown | Integrated Circuits (ICs) | IC LINE RCVR RS485 QUAD 16-SOIC |
Analog Devices Inc./Maxim Integrated LTC6946IUFD-2Obsolete | Integrated Circuits (ICs) | IC CLK/FREQ SYNTH 28QFN |
Analog Devices Inc./Maxim Integrated MAX5556ESA+TObsolete | Integrated Circuits (ICs) | IC DAC/AUDIO 16BIT 50K 8SOIC |
Analog Devices Inc./Maxim Integrated EVAL-FLTR-LD-1RZUnknown | Unclassified | EVAL BRD FOR AD800 SERIES |
Analog Devices Inc./Maxim Integrated | Development Boards Kits Programmers | BOARD EVAL FOR AD9963 |
Analog Devices Inc./Maxim Integrated LTC1296CCSW#TRUnknown | Integrated Circuits (ICs) | IC DATA ACQ SYS 12BIT 5V 20SOIC |
| Series | Category | # Parts | Status | Description |
|---|---|---|---|---|
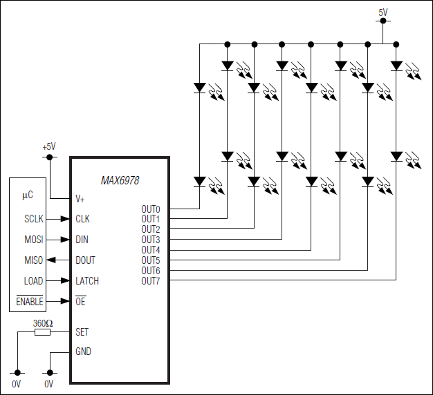
MAX69708-Port, 36V Constant-Current LED Driver | Power Management (PMIC) | 4 | Active | The MAX6970 serial-interfaced LED driver provides eight open-drain, constant-current-sinking LED driver outputs rated at 36V. The device operates from a 3V to 5.5V supply. The MAX6970 supply and the LEDs' supply can power up in any order. The constant-current outputs are programmed together up to 55mA using a single external resistor. The MAX6970 operates with a 25Mbps, industry-standard, 4-wire serial interface.The MAX6970 uses the industry-standard shift-register-plus-latch-type serial interface. The driver accepts data shifted into an 8-bit shift register using data input DIN and clock input CLK. Input data appears at output DOUT eight clock cycles later to allow cascading of multiple MAX6970s. The latch-enable input, LE, loads the 8 bits of shift register data into an 8-bit output latch to set which LEDs are on and which are off. The output-enable input, active-low OE , gates all eight outputs on and off, and is fast enough to be used as a PWM input for LED intensity control.For applications requiring LED fault detection, refer to the MAX6981 data sheet that automatically detects open-circuit LEDs.For safety-related applications requiring a watchdog timer, refer to the MAX6980 data sheet, which includes a fail-safe feature that blanks the display if the serial interface becomes inactive for more than 1s.The MAX6970 is one of a family of 10 shift-register-plus-latch-type LED drivers. The family includes 8-port and 16-port types, with 5.5V- or 36V-rated LED outputs, with and without open-circuit LED detection and watchdog. All versions operate from a 3V to 5.5V supply, and are specified over the -40°C to +125°C temperature range.ApplicationsArchitectural LightingGaming FeaturesMarquee DisplaysPoint-of-Order SignsTraffic SignsVariable Message Signs |
| LED Drivers | 3 | Active | ||
| Integrated Circuits (ICs) | 1 | Active | ||
| LED Drivers | 2 | Active | ||
| Integrated Circuits (ICs) | 1 | Obsolete | ||
| LED Drivers | 6 | Active | ||
MAX69788-Port, 5.5V Constant-Current LED Driver with LED Fault Detection and Watchdog | Integrated Circuits (ICs) | 4 | Active | The MAX6978 serial-interfaced LED driver provides eight open-drain, constant-current sinking LED driver outputs rated at 5.5V. The MAX6978 operates from a 3V to 5.5V supply. The MAX6978 supply and the LEDs' supply can power up in any order. The constant-current outputs are programmed together to up to 55mA using a single external resistor. The MAX6978 operates with a 25Mb, industry-standard, 4-wire serial interface.The MAX6978 includes circuitry that automatically detects open-circuit LEDs. Fault status is loaded into the serial-interface shift register when LE goes high and is automatically shifted out on DOUT when the next data transmission is shifted in.The MAX6978 includes a fail-safe feature for safety related applications, which blanks the display if the serial interface fails. If the serial interface becomes inactive for more than 1s, all driver output latches are automatically cleared. This turns off all LEDs connected to the outputs. The shift register data is not disturbed. The outputs remain off until the driver output latches are updated with data turning them on, so recovery is automatic if the transmission failure is temporary. The watchdog function requires no software change to the application driving the MAX6978.The MAX6978 uses the industry-standard shift-register-plus-latch-type serial interface. The driver accepts data shifted into an 8-bit shift register using data input DIN and clock input CLK. Input data appears at the output DOUT eight clock cycles later to allow cascading of multiple MAX6978s. The latch-enable input LE loads the 8 bits of shift-register data into an 8-bit output latch to set which LEDs are on and which are off. The output-enable input active-low OE gates all eight outputs on and off, and is fast enough to be used as a PWM input for LED intensity control.The MAX6978 is one of a family of 12 shift-register-plus-latch-type LED drivers. The family includes 8-port and 16-port types, with 5.5V- or 36V-rated LED outputs, with and without open-circuit LED detection and watchdog. All versions operate from a 3V to 5.5V supply, and are specified over the -40°C to +125°C temperature range.ApplicationsArchitectural LightingGaming FeaturesMarquee DisplaysPoint-of-Order SignsTraffic SignsVariable Message Signs |
| Integrated Circuits (ICs) | 3 | Active | ||
| Integrated Circuits (ICs) | 7 | Active | ||
| Integrated Circuits (ICs) | 2 | Obsolete | ||