| Thermal Management | 1 | Obsolete | |
| DC DC Switching Controllers | 9 | Active | |
| Temperature Sensors | 2 | Active | |
| Temperature Sensors | 2 | Active | |
| Sensor and Detector Interfaces | 2 | Active | |
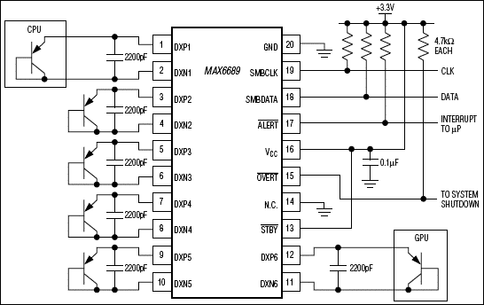
MAX6683Temperature Sensor and System Monitor in a 10-Pin µMAX | Integrated Circuits (ICs) | 2 | Active | The MAX6683 system supervisor monitors multiple power-supply voltages, including its own, and also features an on-board temperature sensor. The MAX6683 converts voltages to an 8-bit code and temperatures to an 11-bit (10-bit-plus-sign) code using an analog-to-digital converter (ADC). A multiplexer automatically sequences through the voltage and temperature measurements. The digitized signals are then stored in registers and compared to the over/underthreshold limits programmed over the SMBus™/I²C-compatible 2-wire serial interface.When a temperature measurement exceeds the programmed threshold, or when an input voltage falls outside the programmed voltage limits, the MAX6683 generates a latched interrupt output active-low ALERT. Three interrupt modes are available for temperature excursions. These are default mode, one-time interrupt mode, and comparator mode. The active-low ALERT output is cleared, except for temperature interrupts generated in comparator mode, by reading the Interrupt Status register (Table 5). The active-low ALERT output can also be masked by writing to the appropriate bits in the Interrupt Mask register (Table 6) or by setting bit 1 of the Configuration register (Table 4) to zero. The MAX6683 SMBus/I²C-compatible interface also responds to the SMB alert response address.ApplicationsNetworkingServersTelecommunicationsWorkstations |
| Integrated Circuits (ICs) | 2 | Active | |
| Temperature Sensors | 2 | Active | |
MAX6686Dual-Output Remote-Junction Temperature Switches | Sensors, Transducers | 7 | Active | MAX6685/MAX6686 are dual-output temperature switches that use an external diode-connected transistor as a sensing element. These devices have two logic outputs (THIGHand TLOW). THIGHasserts a logic signal when the remote temperature crosses the factory-programmed, +120°C, or +125°C upper trip threshold. TLOWis asserted when the remote temperature exceeds the lower threshold, which is controlled by pins S1 and S2. The lower thresholds are available in two ranges in 5°C increments. The two ranges are +40°C to +80°C and +75°C to +115°C. Hysteresis for both outputs to be deasserted is typically 5°C.THIGHis an open-drain, active-low output for both the MAX6685 and the MAX6686. TLOWis a CMOS push-pull, active-high output for the MAX6685 and is an open-drain, active-low output for the MAX6686. They are available in a space-saving 8-pin µMAX package.ApplicationsCPU Temperature ProtectionFan ControlFPGA Temperature ProtectionMultichip Modules |
| Sensors, Transducers | 4 | Active | |