| Sensors, Transducers | 16 | Active | |
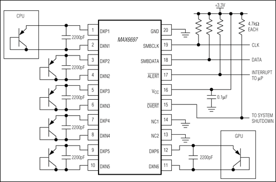
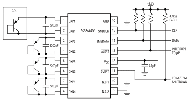
MAX66987-Channel Precision Remote-Diode, Thermistor, and Local Temperature Monitor | Sensors, Transducers | 5 | Active | The MAX6698 precision multichannel temperature sensor monitors its own temperature, the temperatures of three external diode-connected transistors, and the temperatures of three thermistors. All temperature channels have programmable alert thresholds. Channels 1, 4, 5, and 6 also have programmable overtemperature thresholds. When the measured temperature of a channel exceeds the respective threshold, a status bit is set in one of the status registers. Two open-drain outputs, active-low OVERT and active-low ALERT, assert corresponding to these bits in the status register.The 2-wire serial interface supports the standard system management bus (SMBus™) protocols: write byte, read byte, send byte, and receive byte for reading the temperature data and programming the alarm thresholds.The MAX6698 is specified for an operating temperature range of -40°C to +125°C and is available in 16-pin QSOP and 16-pin TSSOP packages.ApplicationsDesktop ComputersNotebook ComputersServersWorkstations |
| Sensors, Transducers | 12 | Active | |
| Power Management (PMIC) | 3 | Active | |
MAX6701Low-Voltage, SOT23, µP Supervisors with Power-Fail In/Out, Manual Reset, and Watchdog Timer | Integrated Circuits (ICs) | 21 | Active | The MAX6701—MAX6708 microprocessor (µP) supervisory circuits reduce the complexity and components required to monitor power-supply functions in µP systems. These devices significantly improve system reliability and accuracy compared to separate ICs or discrete components.The MAX6701—MAX6708 family provides four functions: a reset output during power-up, power-down, and brownout conditions; an independent watchdog output that goes low if the watchdog input has not been toggled within 1.6s; a 0.62V threshold detector for power-fail warning; and an active-low manual reset input.The MAX6701—MAX6708 family offers several pinout options to accommodate a variety of multivoltage microprocessor supervision applications.The MAX6701(A)/MAX6702(A)/MAX6703(A) monitor three supply voltages (one fixed threshold and two adjustable) to drive a single reset output and include a manual reset input and a watchdog timer with an independent output. The MAX6704 monitors a single-supply voltage to drive complementary reset outputs and includes an independent adjustable power-fail-in/power-fail-out comparator, a manual reset input, and a reset-based watchdog timer. The MAX6705(A)/MAX6706(A)/MAX6707(A) monitor a single-supply voltage to drive a single reset output and include an independent adjustable power-fail-in/power-fail-out comparator, a manual reset input, and a watchdog timer with an independent output. The MAX6708 is the same as the MAX6704 but without the watchdog timer function.See the Detailed Description for differences between non-A and A versions.ApplicationsComputersControllersCritical µP Power MonitoringIntelligent InstrumentsNetworkingTelecommunicationsWhite Goods |
| Supervisors | 17 | Active | |
MAX6703Low-Voltage, SOT23, µP Supervisors with Power-Fail In/Out, Manual Reset, and Watchdog Timer | Power Management (PMIC) | 28 | Active | The MAX6701—MAX6708 microprocessor (µP) supervisory circuits reduce the complexity and components required to monitor power-supply functions in µP systems. These devices significantly improve system reliability and accuracy compared to separate ICs or discrete components.The MAX6701—MAX6708 family provides four functions: a reset output during power-up, power-down, and brownout conditions; an independent watchdog output that goes low if the watchdog input has not been toggled within 1.6s; a 0.62V threshold detector for power-fail warning; and an active-low manual reset input.The MAX6701—MAX6708 family offers several pinout options to accommodate a variety of multivoltage microprocessor supervision applications.The MAX6701(A)/MAX6702(A)/MAX6703(A) monitor three supply voltages (one fixed threshold and two adjustable) to drive a single reset output and include a manual reset input and a watchdog timer with an independent output. The MAX6704 monitors a single-supply voltage to drive complementary reset outputs and includes an independent adjustable power-fail-in/power-fail-out comparator, a manual reset input, and a reset-based watchdog timer. The MAX6705(A)/MAX6706(A)/MAX6707(A) monitor a single-supply voltage to drive a single reset output and include an independent adjustable power-fail-in/power-fail-out comparator, a manual reset input, and a watchdog timer with an independent output. The MAX6708 is the same as the MAX6704 but without the watchdog timer function.See the Detailed Description for differences between non-A and A versions.ApplicationsComputersControllersCritical µP Power MonitoringIntelligent InstrumentsNetworkingTelecommunicationsWhite Goods |
MAX6704Low-Voltage, SOT23, µP Supervisors with Power-Fail In/Out, Manual Reset, and Watchdog Timer | Power Management (PMIC) | 10 | Active | The MAX6701—MAX6708 microprocessor (µP) supervisory circuits reduce the complexity and components required to monitor power-supply functions in µP systems. These devices significantly improve system reliability and accuracy compared to separate ICs or discrete components.The MAX6701—MAX6708 family provides four functions: a reset output during power-up, power-down, and brownout conditions; an independent watchdog output that goes low if the watchdog input has not been toggled within 1.6s; a 0.62V threshold detector for power-fail warning; and an active-low manual reset input.The MAX6701—MAX6708 family offers several pinout options to accommodate a variety of multivoltage microprocessor supervision applications.The MAX6701(A)/MAX6702(A)/MAX6703(A) monitor three supply voltages (one fixed threshold and two adjustable) to drive a single reset output and include a manual reset input and a watchdog timer with an independent output. The MAX6704 monitors a single-supply voltage to drive complementary reset outputs and includes an independent adjustable power-fail-in/power-fail-out comparator, a manual reset input, and a reset-based watchdog timer. The MAX6705(A)/MAX6706(A)/MAX6707(A) monitor a single-supply voltage to drive a single reset output and include an independent adjustable power-fail-in/power-fail-out comparator, a manual reset input, and a watchdog timer with an independent output. The MAX6708 is the same as the MAX6704 but without the watchdog timer function.See the Detailed Description for differences between non-A and A versions.ApplicationsComputersControllersCritical µP Power MonitoringIntelligent InstrumentsNetworkingTelecommunicationsWhite Goods |
| PMIC | 26 | Active | |
MAX6706Low-Voltage, SOT23, µP Supervisors with Power-Fail In/Out, Manual Reset, and Watchdog Timer | PMIC | 26 | Active | The MAX6701—MAX6708 microprocessor (µP) supervisory circuits reduce the complexity and components required to monitor power-supply functions in µP systems. These devices significantly improve system reliability and accuracy compared to separate ICs or discrete components.The MAX6701—MAX6708 family provides four functions: a reset output during power-up, power-down, and brownout conditions; an independent watchdog output that goes low if the watchdog input has not been toggled within 1.6s; a 0.62V threshold detector for power-fail warning; and an active-low manual reset input.The MAX6701—MAX6708 family offers several pinout options to accommodate a variety of multivoltage microprocessor supervision applications.The MAX6701(A)/MAX6702(A)/MAX6703(A) monitor three supply voltages (one fixed threshold and two adjustable) to drive a single reset output and include a manual reset input and a watchdog timer with an independent output. The MAX6704 monitors a single-supply voltage to drive complementary reset outputs and includes an independent adjustable power-fail-in/power-fail-out comparator, a manual reset input, and a reset-based watchdog timer. The MAX6705(A)/MAX6706(A)/MAX6707(A) monitor a single-supply voltage to drive a single reset output and include an independent adjustable power-fail-in/power-fail-out comparator, a manual reset input, and a watchdog timer with an independent output. The MAX6708 is the same as the MAX6704 but without the watchdog timer function.See the Detailed Description for differences between non-A and A versions.ApplicationsComputersControllersCritical µP Power MonitoringIntelligent InstrumentsNetworkingTelecommunicationsWhite Goods |