A
Analog Devices Inc./Maxim Integrated
| Series | Category | # Parts | Status | Description |
|---|---|---|---|---|
| Part | Spec A | Spec B | Spec C | Spec D | Description |
|---|---|---|---|---|---|
| Series | Category | # Parts | Status | Description |
|---|---|---|---|---|
| Part | Spec A | Spec B | Spec C | Spec D | Description |
|---|---|---|---|---|---|
| Part | Category | Description |
|---|---|---|
Analog Devices Inc./Maxim Integrated LTC1879EGN#TRUnknown | Integrated Circuits (ICs) | IC REG BUCK ADJ 1.2A 16SSOP |
Analog Devices Inc./Maxim Integrated LTC2208CUP#TRUnknown | Integrated Circuits (ICs) | IC ADC 16BIT 130MSPS 64-QFN |
Analog Devices Inc./Maxim Integrated ADP2108ACBZ-1.1-R7Obsolete | Integrated Circuits (ICs) | IC REG BUCK 1.1V 600MA 5WLCSP |
Analog Devices Inc./Maxim Integrated EV1HMC832ALP6GObsolete | Development Boards Kits Programmers | EVAL BOARD FOR HMC832ALP6GE |
Analog Devices Inc./Maxim Integrated LTC488ISWUnknown | Integrated Circuits (ICs) | IC LINE RCVR RS485 QUAD 16-SOIC |
Analog Devices Inc./Maxim Integrated LTC6946IUFD-2Obsolete | Integrated Circuits (ICs) | IC CLK/FREQ SYNTH 28QFN |
Analog Devices Inc./Maxim Integrated MAX5556ESA+TObsolete | Integrated Circuits (ICs) | IC DAC/AUDIO 16BIT 50K 8SOIC |
Analog Devices Inc./Maxim Integrated EVAL-FLTR-LD-1RZUnknown | Unclassified | EVAL BRD FOR AD800 SERIES |
Analog Devices Inc./Maxim Integrated | Development Boards Kits Programmers | BOARD EVAL FOR AD9963 |
Analog Devices Inc./Maxim Integrated LTC1296CCSW#TRUnknown | Integrated Circuits (ICs) | IC DATA ACQ SYS 12BIT 5V 20SOIC |
| Series | Category | # Parts | Status | Description |
|---|---|---|---|---|
MAX6697-Channel Precision Remote-Diode, Thermistor, and Local Temperature Monitor | DC DC Switching Controllers | 15 | Active | The MAX668/MAX669 constant-frequency, pulse-width modulating (PWM), current-mode DC-DC controllers are designed for a wide range of DC-DC conversion applications including step-up, SEPIC, flyback, and isolated-output configurations. Power levels of 20W or more can be controlled with conversion efficiencies of over 90%. The 1.8V to 28V input voltage range supports a wide range of battery and AC-powered inputs. An advanced BiCMOS design features low operating current (220µA), adjustable operating frequency (100kHz to 500kHz), soft-start, and a SYNC input allowing the MAX668/MAX669 oscillator to be locked to an external clock.DC-DC conversion efficiency is optimized with a low 100mV current-sense voltage as well as with Maxim's proprietary Idle Mode™ control scheme. The controller operates in PWM mode at medium and heavy loads for lowest noise and optimum efficiency, then pulses only as needed (with reduced inductor current) to reduce operating current and maximize efficiency under light loads. A logic-level shutdown input is also included, reducing supply current to 3.5µA.The MAX669, optimized for low input voltages with a guaranteed start-up voltage of 1.8V, requires boot-strapped operation (IC powered from boosted output). It supports output voltages up to 28V. The MAX668 operates with inputs as low as 3V and can be connected in either a bootstrapped or non-bootstrapped (IC powered from input supply or other source) configuration. When not bootstrapped, it has no restriction on output voltage. Both ICs are available in an extremely compact 10-pin µMAX® package.ApplicationsCellular TelephonesLANs and Network SystemsPOS SystemsTelecom Hardware |
MAX66902°C Accurate Remote/Local Temperature Sensor with SMBus Serial Interface | Sensors, Transducers | 2 | Active | The MAX6690 is a precise digital thermometer that reports the temperature of both a remote P-N junction and its own die. The remote junction can be a diode-connected transistor—typically a low-cost, easily mounted 2N3904 NPN type or 2N3906 PNP type—that replaces conventional thermistors or thermocouples. Remote accuracy is ±2°C for multiple transistor manufacturers, with no calibration needed. The remote junction can also be a common-collector PNP, such as a substrate PNP of a microprocessor (µP).The 2-wire serial interface accepts standard System Management Bus (SMBus™), Write Byte, Read Byte, Send Byte, and Receive Byte commands to program the alarm thresholds and to read temperature data. Measurements can be done automatically and autonomously, with the conversion rate programmed by the user, or programmed to operate in a single-shot mode. The adjustable conversion rate allows the user to optimize supply current and temperature update rate to match system needs. When the conversion rate is faster than 1Hz, the conversion results are available as a 7-bit-plus-sign byte with a 1°C LSB. When the conversion rate is 1Hz or slower, the MAX6690 enters the extended mode. In this mode, 3 additional bits of temperature data are available in the extended resolution register, providing 10-bit-plus-sign resolution with a 0.125°C LSB. Single-shot conversions also have 0.125°C per LSB resolution when the conversion rate is 1Hz or slower.A parasitic resistance cancellation (PRC) mode can also be invoked for conversion rates of 1Hz or slower by setting bit 4 of the configuration register to 1. In PRC mode, the effect of series resistance on the leads of the external diode is canceled. The 11-bit conversion in PRC mode is performed in < 500ms and is disabled for conversion rates faster than 1Hz. The one-shot conversion is also 11 bits in < 500ms.The MAX6690 default low-temperature measurement limit is 0°C. This can be extended to -64°C by setting bit 5 of the configuration register to 1.The MAX6690 is available in a small, 16-pin QSOP surface-mount package.ApplicationsComputers: Desktop, Workstation, ServerMultichip ModulesNotebook ComputersServersTest and Measurement EquipmentThin ClientsWorkstations |
| Evaluation Boards | 1 | Obsolete | ||
| Development Boards, Kits, Programmers | 1 | Obsolete | ||
| Integrated Circuits (ICs) | 2 | Active | ||
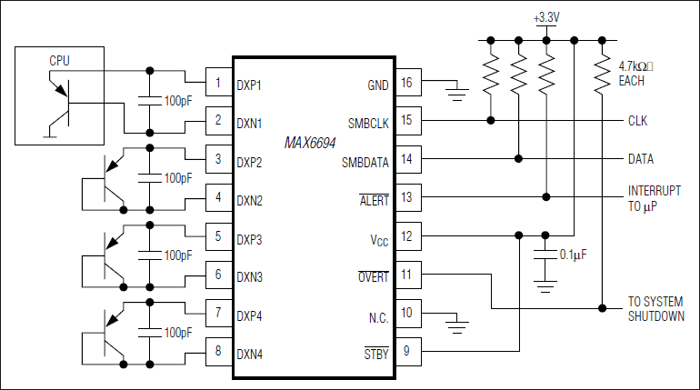
MAX6692Precision SMBus-Compatible Remote/Local Temperature Sensors with Overtemperature Alarms | Sensors, Transducers | 7 | Active | The MAX6648/MAX6692 are precise, two-channel digital temperature sensors. They accurately measure the temperature of their own die and a remote PN junction, and report the temperature in digital form using a 2-wire serial interface. The remote PN junction is typically the emitter-base junction of a common-collector PNP on a CPU, FPGA, or ASIC.The 2-wire serial interface accepts standard System Management Bus (SMBus™) write byte, read byte, send byte, and receive byte commands to read the temperature data and to program the alarm thresholds. To enhance system reliability, the MAX6648/MAX6692 include an SMBus timeout. A fault queue prevents the active-low ALERT and active-low OVERT outputs from setting until a fault has been detected one, two, or three consecutive times (programmable).The MAX6648/MAX6692 provide two system alarms: active-low ALERT and active-low OVERT. Active-low ALERT asserts when any of four temperature conditions are violated: local overtemperature, remote overtemperature, local undertemperature, or remote undertemperature. Active-low OVERT asserts when the temperature rises above the value in either of the two active-low OVERT limit registers. The active-low OVERT output can be used to activate a cooling fan, or to trigger a system shutdown.Measurements can be done autonomously, with the conversion rate programmed by the user, or in a single-shot mode. The adjustable conversion rate allows the user to optimize supply current and temperature update rate to match system needs.Remote accuracy is ±0.8°C maximum error between +25°C and +125°C with no calibration needed. The MAX6648/MAX6692 operate from -55°C to +125°C, and measure temperatures between 0°C and +125°C. The MAX6648 is available in an 8-pin µMAX® package, and the MAX6692 is available in 8-pin µMAX and SO packages.ApplicationsDesktop ComputersMultichip ModulesNotebook ComputersServersTest and Measurement EquipmentThin ClientsWorkstations |
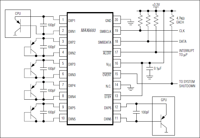
MAX66937-Channel Precision Temperature Monitor with Beta Compensation | Analog and Digital Output | 3 | Active | The MAX6693 precision multichannel temperature sensor monitors its own temperature and the temperatures of up to six external diode-connected transistors. All temperature channels have programmable alert thresholds. Channels 1, 4, 5, and 6 also have programmable overtemperature thresholds. When the measured temperature of a channel exceeds the respective threshold, a status bit is set in one of the status registers. Two open-drain outputs, active-low OVERT and active-low ALERT, assert corresponding to these bits in the status register.The 2-wire serial interface supports the standard system management bus (SMBus™) protocols: write byte, read byte, send byte, and receive byte for reading the temperature data and programming the alarm thresholds.The MAX6693 is specified for an operating temperature range of -40°C to +125°C and is available in a 20-pin TSSOP package.ApplicationsDesktop ComputersNotebook ComputersServersWorkstations |
| Analog and Digital Output | 4 | Active | ||
| Sensors, Transducers | 4 | Active | ||
| Test Equipment | 11 | Active | ||