A
Analog Devices Inc./Maxim Integrated
| Series | Category | # Parts | Status | Description |
|---|---|---|---|---|
| Part | Spec A | Spec B | Spec C | Spec D | Description |
|---|---|---|---|---|---|
| Series | Category | # Parts | Status | Description |
|---|---|---|---|---|
| Part | Spec A | Spec B | Spec C | Spec D | Description |
|---|---|---|---|---|---|
| Part | Category | Description |
|---|---|---|
Analog Devices Inc./Maxim Integrated LTC1879EGN#TRUnknown | Integrated Circuits (ICs) | IC REG BUCK ADJ 1.2A 16SSOP |
Analog Devices Inc./Maxim Integrated LTC2208CUP#TRUnknown | Integrated Circuits (ICs) | IC ADC 16BIT 130MSPS 64-QFN |
Analog Devices Inc./Maxim Integrated ADP2108ACBZ-1.1-R7Obsolete | Integrated Circuits (ICs) | IC REG BUCK 1.1V 600MA 5WLCSP |
Analog Devices Inc./Maxim Integrated EV1HMC832ALP6GObsolete | Development Boards Kits Programmers | EVAL BOARD FOR HMC832ALP6GE |
Analog Devices Inc./Maxim Integrated LTC488ISWUnknown | Integrated Circuits (ICs) | IC LINE RCVR RS485 QUAD 16-SOIC |
Analog Devices Inc./Maxim Integrated LTC6946IUFD-2Obsolete | Integrated Circuits (ICs) | IC CLK/FREQ SYNTH 28QFN |
Analog Devices Inc./Maxim Integrated MAX5556ESA+TObsolete | Integrated Circuits (ICs) | IC DAC/AUDIO 16BIT 50K 8SOIC |
Analog Devices Inc./Maxim Integrated EVAL-FLTR-LD-1RZUnknown | Unclassified | EVAL BRD FOR AD800 SERIES |
Analog Devices Inc./Maxim Integrated | Development Boards Kits Programmers | BOARD EVAL FOR AD9963 |
Analog Devices Inc./Maxim Integrated LTC1296CCSW#TRUnknown | Integrated Circuits (ICs) | IC DATA ACQ SYS 12BIT 5V 20SOIC |
| Series | Category | # Parts | Status | Description |
|---|---|---|---|---|
| Integrated Circuits (ICs) | 4 | Obsolete | ||
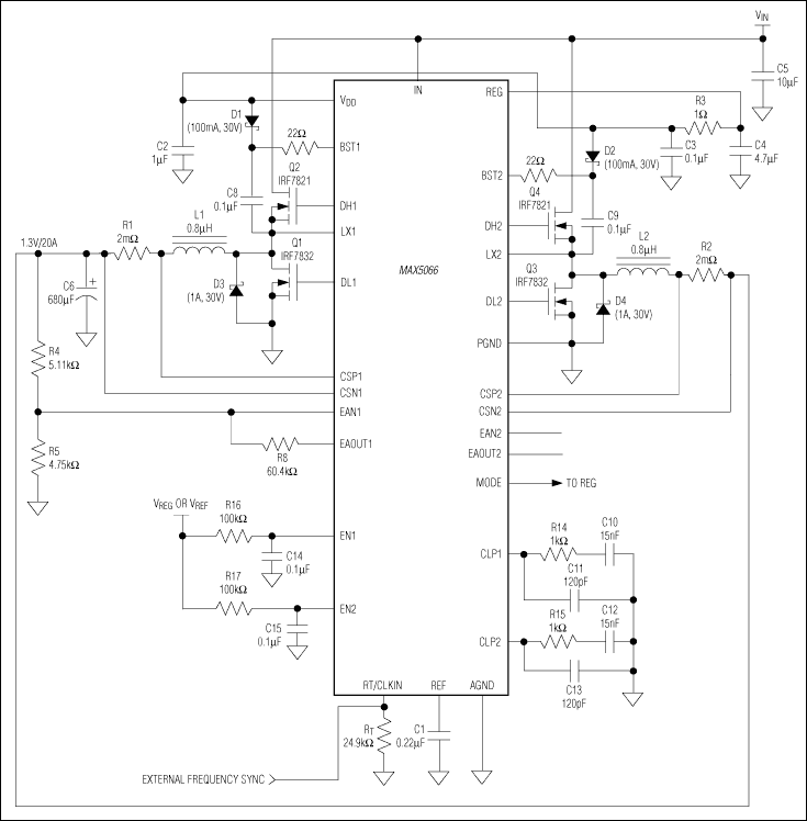
MAX5066Configurable, Single-/Dual-Output, Synchronous Buck Controller for High-Current Applications | DC/DC & AC/DC (Off-Line) SMPS Evaluation Boards | 5 | Active | The MAX5066 is a two-phase, configurable single- or dual-output buck controller with an input voltage range of 4.75V to 5.5V or from 5V to 28V. Each phase of the MAX5066 is designed for 180° operation. A mode pin allows for a dual-output supply or connecting two phases together for a single-output, high-current supply. Each output channel of the MAX5066 drives n-channel MOSFETs and is capable of providing more than 25A of load current. The MAX5066 uses average current-mode control with a switching frequency up to 1MHz per phase where each phase is 180° out of phase with respect to the other. Out-of-phase operation results in significantly reduced input capacitor ripple current and output voltage ripple in dual-phase, single-output voltage applications. Each buck regulator output has its own high-performance current and voltage-error amplifier that can be compensated for optimum output filter L-C values and transient response.The MAX5066 offers two enable inputs with accurate turn-on thresholds to allow for output voltage sequencing of the two outputs. The device's switching frequency can be programmed from 100kHz to 1MHz with an external resistor. The MAX5066 can be synchronized to an external clock. Each output voltage is adjustable from 0.61V to 5.5V. Additional features include thermal shutdown, "hiccup mode" short-circuit protection. Use the MAX5066 with adaptive voltage positioning for applications that require a fast transient response, or accurate output voltage regulation.The MAX5066 is available in a thermally enhanced 28-pin TSSOP package capable of dissipating 1.9W. The device is rated for operation over the -40°C to +85°C extended, or -40°C to +125°C automotive temperature range.ApplicationsGraphic CardsHigh-End Desktop ComputersNetworking SystemsPoint-of-Load High-Current/High-DensityRAID SystemsTelecom DC-DC Regulators |
| DC DC Switching Controllers | 7 | NRND | ||
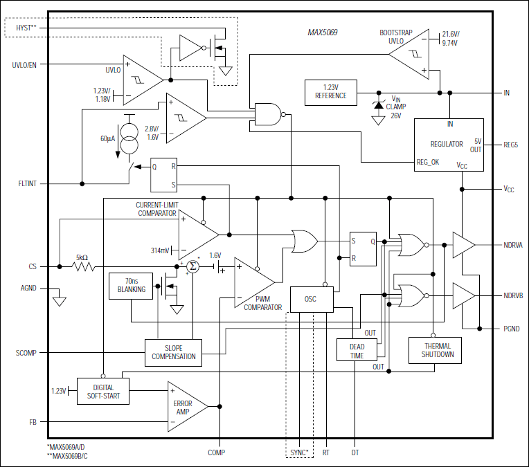
MAX5069High-Frequency, Current-Mode PWM Controller with Accurate Oscillator and Dual FET Drivers | DC/DC & AC/DC (Off-Line) SMPS Evaluation Boards | 13 | Active | The MAX5069 is a high-frequency, current-mode, pulse-width modulation (PWM) controller (with dual MOSFET drivers) that integrates all the building blocks necessary for implementing AC-DC or DC-DC fixed-frequency power supplies. Isolated or nonisolated pushpull and half/full-bridge power supplies are easily constructed using either primary- or secondary-side regulation. Current-mode control with leading-edge blanking simplifies control-loop design and a programmable internal slope-compensation circuit stabilizes the current loop when operating at duty cycles above 50%.An input undervoltage lockout (UVLO) programs the input-supply startup voltage and ensures proper operation during brownout conditions.A single external resistor programs the oscillator frequency from 50kHz to 2.5MHz. The MAX5069A/D provide a SYNC input for synchronization to an external clock. The maximum FET-driver duty cycle for the MAX5069 is 50%. Programmable dead time allows additional flexibility in optimizing magnetic design and overcoming parasitic effects. Programmable hiccup current limit provides additional protection under severe faults.The MAX5069 is specified over the -40°C to +125°C automotive temperature range and is available in a 16-pin thermally enhanced TSSOP-EP package. Refer to the MAX5068 data sheet for single FET-driver applications.Warning:The MAX5069 is designed to work with high voltages. Exercise caution.ApplicationsIndustrial Power ConversionIsolated Telecom Power SuppliesNetworking System Power SuppliesServer Power SuppliesUniversal-Input AC Power Supplies |
| Integrated Circuits (ICs) | 19 | Active | ||
| Power Management (PMIC) | 12 | Active | ||
MAX5071High-Performance, Single-Ended, Current-Mode PWM Controllers | Power Management (PMIC) | 12 | Active | The MAX5070/MAX5071 BiCMOS, high-performance, current-mode PWM controllers have all the features required for wide input voltage range isolated/nonisolated power supplies. These controllers are used for low- and high-power universal input voltage and telecom power supplies.The MAX5070/MAX5071 contain a fast comparator with only 60ns typical delay from current sense to the output for overcurrent protection. The MAX5070A/MAX5070B have an integrated error amplifier with the output at COMP. Soft-start is achieved by controlling the COMP voltage rise using external components.The frequency is adjustable from 20kHz to 1MHz with an external resistor and capacitor. The timing capacitor discharge current is trimmed allowing for programmable dead time and maximum duty cycle for a given frequency. The available saw-toothed waveform at RTCT can be used for slope compensation when needed.The MAX5071A/MAX5071B include a bidirectional synchronization circuit allowing for multiple controllers to run at the same frequency to avoid beat frequencies. Synchronization is accomplished by simply connecting the SYNC pins of all devices together. When synchronizing with other devices, the MAX5071A/MAX5071B with the highest frequency synchronizes the other devices. Alternatively, the MAX5071A/MAX5071B can be synchronized to an external clock with an opendrain output stage running at a higher frequency.The MAX5071C provides a clock output pulse (ADV_CLK) that leads the driver output (OUT) by 110ns. The advanced clock signal is used to drive the secondary-side synchronous rectifiers.The MAX5070/MAX5071 are available in 8-pin µMAX® and SO packages and operate over the automotive temperature range of -40°C to +125°C.ApplicationsComputer Systems/ServersIndustrial Power ConversionIsolated Keep-Alive CircuitsIsolated Power SuppliesIsolated Telecom Power SuppliesNetworking SystemsUniversal Input AC/DC Power Supplies |
| Integrated Circuits (ICs) | 2 | Active | ||
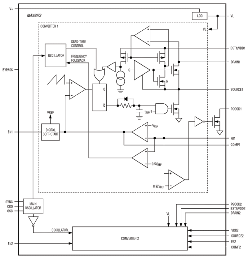
MAX50732.2MHz, Dual-Output Buck or Boost Converter with Internal Power MOSFETs | Integrated Circuits (ICs) | 6 | Active | The MAX5073 is a dual-output DC-DC converter with integrated high-side n-channel power MOSFETs. Each output can be configured either as a buck converter or a boost converter. The device is capable of operating from a wide 5.5V to 23V input voltage range. Each output is programmable down to 0.8V in the buck mode and up to 28V in the boost mode with an output voltage accuracy of ±1%. In the buck mode, converter 1 and converter 2 can deliver 2A and 1A, respectively. The output switching frequency of each converter can be programmed from 200kHz to 2.2MHz to avoid harmonics in a radio power supply or to reduce the size of the power supply. Each output operates 180° out-of-phase thus reducing input-capacitor ripple current, size, and cost. A SYNC input facilitates external frequency synchronization. Moreover, a CLKOUT output provides out-of-phase clock signal with respect to converter 2, allowing four-phase operation using two MAX5073 ICs in master-slave configuration.The MAX5073 includes an internal digital soft-start that reduces inrush current, eliminates output-voltage overshoot, and ensures monotonic rise in output voltage during power-up. The device includes individual shutdown and a power-good output for each converter. Protection features include output short-circuit protection for buck mode and maximum duty-cycle limit for boost operation, as well as thermal shutdown.The MAX5073 is available in a thermally enhanced 28-pin thin QFN package that can dissipate 2.7W at +70°C ambient temperature. The device is rated for operation over the -40°C to +85°C extended, or -40°C to +125°C automotive operating temperature range.ApplicationsNetworking Line CardsPoint-of-Load DC-DC ConvertersPower-Over-Ethernet Postregulation for PDsTelecom Line Cards |
| Integrated Circuits (ICs) | 4 | Obsolete | ||