MAX208E±15kV ESD-Protected, +5V RS-232 Transceivers | Interface | 1 | Obsolete | The MAX202E-MAX213E, MAX232E, and MAX241E are a family of RS-232 and V.28 transceivers with high ±15kV ESD HBM protection and integrated charge pump circuitry for single +5V supply operation. The various combinations of features are outlined in theSelector Guide. The drivers and receivers for all ten devices meet all EIA/TIA-232E and CCITT V.28 specifications at data rates up to 120kbps when loaded.The MAX211E/MAX213E/MAX241E are available in 28-pin SO and SSOP packages. The MAX202E/MAX232E come in 16-pin TSSOP, narrow SO, wide SO, and DIP packages. The MAX203E comes in a 20-pin DIP/SO package, and needs no external charge-pump capacitors. The MAX205E comes in a 24-pin wide DIP package, and also eliminates external charge-pump capacitors.ApplicationsBattery-Powered EquipmentHandheld EquipmentPortable Diagnostics Equipment |
MAX209+5V, RS-232 Transceivers with 0.1µF External Capacitors | RF, RFID, Wireless Evaluation Boards | 10 | Active | MAX200-MAX209, MAX211, and MAX213 are a family of RS-232 and V.28 transceivers with integrated charge pump circuitry for single +5V supply operation.The drivers maintain the ±5V EIA/TIA-232E output signal levels at data rates in excess of 120kbps when loaded in accordance with the EIA/TIA-232E specification.The MAX211 and MAX213 are available in a 28-pin, wide small-outline (SO) package and a 28-pin shrink small- outline (SSOP) package, which occupies only 40% of the area of the SO. The MAX207 is available in a 24-pin SO package and a 24-pin SSOP. The MAX203 and MAX205 use no external components and are recommended for applications with limited circuit board space.ApplicationsBattery-Powered EquipmentHandheld EquipmentPortable Diagnostics Equipment |
MAX209050MHz to 1000MHz Analog VGA with Threshold Alarm Circuit and Error Amplifier for Level Control | RF Misc ICs and Modules | 3 | Active | The MAX2090 high-linearity analog variable-gain amplifier (VGA) is a monolithic SiGe BiCMOS attenuator, amplifier, error amplifier, and alarm circuit, designed to interface with 50Ω systems operating in the 50MHz to 1000MHz frequency range. An external analog control voltage controls the analog attenuator. The device features a gain range of -10.9dB to +26.1dB, a noise figure of 4dB, OIP3 linearity of +38dBm, and a wide RF bandwidth. Each of these features makes the device an ideal VGA for numerous receiver and transmitter applications. In addition, the device operates from a single +5.0V supply.This device is available in a compact 20-pin TQFN package (5mm x 5mm) with an exposed pad. Electrical performance is guaranteed over the extended temperature range, from TC= -40°C to +95°C.ApplicationsCellular ApplicationsFixed Broadband Wireless AccessLTE ApplicationsPoint-to-Point Receivers and TransmittersRF/IF Variable-Gain StagesTemperature-Compensation CircuitsWiMAX™ ApplicationsWireless Local Loop |
MAX209150MHz to 500MHz Analog VGA, 1735MHz to 1935MHz Upconverting Mixer with Image Filtering, Threshold Alarm Circuit, and Error Amplifier for Level Control | RF Misc ICs and Modules | 2 | Active | The MAX2091 monolithic SiGe BiCMOS upconverter IC integrates an analog variable-gain amplifier (VGA) with an upconverting mixer stage and image filter. The device amplifies IF signals in the 250MHz to 450MHz range before mixing them with an LO signal. The resulting 1735MHz to 1935MHz upconverted signal is then filtered on-chip as the final stage of signal conditioning. For a broadband variant that does not include the image filter, refer to the MAX2091B.The analog attenuator is controlled by an external analog control voltage. Device features include 23dB gain (no attenuation), 5.4dB NF (no attenuation, including attenuator insertion loss), and +24.5dBm OIP3. Each of these features makes the MAX2091 an ideal upconverter for numerous transmitter applications. When paired with the MAX2092 RF VGA, a complete 2-chip IF-RF signal conditioning solution is possible for microwave point-to-point transmitter applications.The MAX2091 operates from a single 5V supply, and is available in a compact 20-pin TQFN package (5mm x 5mm) with an exposed pad. Electrical performance is guaranteed over the extended temperature range from TC= -40°C to +95°C.ApplicationsCellular ApplicationsFixed Broadband Wireless AccessIF Variable-Gain StagesLTE ApplicationsMicrowave Point-to-Point TransmittersTemperature Compensation CircuitsWiMAX® ApplicationsWireless Local Loop |
MAX2092700MHz to 2700MHz Analog VGA with Threshold Alarm Circuit and Error Amplifier for Level Control | RF Amplifiers | 2 | Active | The MAX2092 high-linearity analog variable-gain amplifier (VGA) is a monolithic SiGe BiCMOS attenuator/amplifier/error amplifier with an alarm circuit designed to interface with 50Ω systems operating in the 700MHz to 2700MHz frequency range. The device features a gain range of 18.1dB to -22.3dB, a noise figure of 5.2dB, OIP3 linearity of +32.5dBm, and a wide RF bandwidth. Each of these features makes the device an ideal VGA for numerous receiver and transmitter applications. When paired with the MAX2091 or MAX2091B variable gain upconverter, a complete 2-chip IF-RF signal conditioning solution is possible for microwave point-to-point transmitters.The MAX2092 operates from a single +5V supply, and is available in a compact 20-pin TQFN package (5mm x 5mm) with an exposed pad. Electrical performance is guaranteed over the extended temperature range from TC= -40°C to +95°C.ApplicationsCellular ApplicationsFixed Broadband Wireless AccessLTE ApplicationsMicrowave Point-to-Point Receivers and TransmittersRF Variable-Gain StagesTemperature Compensation CircuitsWiMAX® ApplicationsWireless Local Loop |
| RF Misc ICs and Modules | 10 | Obsolete | |
| RF, RFID, Wireless Evaluation Boards | 33 | Active | |
| Evaluation Boards | 5 | Active | |
MAX212+3V-Powered, Low-Power, True RS-232 Transceiver | Interface | 5 | Active | The MAX212 RS-232 transceiver is intended for 3V-powered EIA/TIA-232E and V.28/V.24 communication interfaces where three drivers and five receivers are needed with minimum power consumption. The operating voltage range extends from 3.6V down to 3.0V while still maintaining true RS-232 and EIA/TIA-562 voltage levels.A 1µA typical shutdown mode reduces power consumption, extending battery life in portable systems. While shut down, all receivers can remain active or can be disabled under logic control. This enables a system incorporating the CMOS MAX212 to be in low-power shutdown mode and monitor incoming RS-232 activity.A guaranteed data rate of 120kbps provides compatibility with popular software for communicating with personal computers.Three-state drivers on all receiver outputs are provided so that multiple receivers, generally of different interface standards, can be wire-ORed at the UART.The MAX212 is available in both small-outline (SO) and shrink-small-outline (SSOP) packages. The SSOP package occupies less than half of the board area required by the equivalent SO package.ApplicationsComputers: Notebooks/Palmtops/SubnotebooksInstrumentsPeripheralsPrinters |
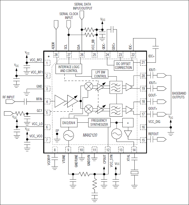
MAX2120Complete, Direct-Conversion Tuner for DVB-S and Free-to-Air Applications | RF Receivers | 3 | Active | The MAX2120 low-cost, direct-conversion tuner IC is designed for satellite set-top and VSAT applications. The IC is intended for QPSK, Digital Video Broadcast (DVB-S), DSS, and free-to-air applications.The MAX2120 directly converts the satellite signals from the LNB to baseband using a broadband I/Q downconverter. The operating frequency range extends from 925MHz to 2175MHz.The device includes an LNA and an RF variable-gain amplifier, I and Q downconverting mixers, and baseband lowpass filters with programmable cutoff frequency control and digitally controlled baseband variable-gain amplifiers. Together, the RF and baseband variable-gain amplifiers provide more than 80dB of gain-control range. The IC is compatible with virtually all QPSK demodulators.The MAX2120 includes fully monolithic VCOs, as well as a complete frequency synthesizer. Additionally, an on-chip crystal oscillator is provided along with a buffered output for driving additional tuners and demodulators. Synthesizer programming and device configuration are accomplished with a 2-wire serial interface. The IC features a VCO autoselect (VAS) function that automatically selects the proper VCO. For multituner applications, the device can be configured to have one of two 2-wire interface addresses. A low-power standby mode is available whereupon the signal path is shut down while leaving the reference oscillator, digital interface, and buffer circuits active, providing a method to reduce power in single and multituner applications.The MAX2120 is the most advanced DBS tuner available today. The low noise figure eliminates the need for an external LNA. A small number of passive components are needed to form a complete DVB, DBS, or VSAT RF front-end solution. The tuner is available in a very small 28-pin thin QFN package.ApplicationsDirecTV and Dish Network DBSDVB-SFree-to-AirTwo-Way Satellite SystemsVSATs |