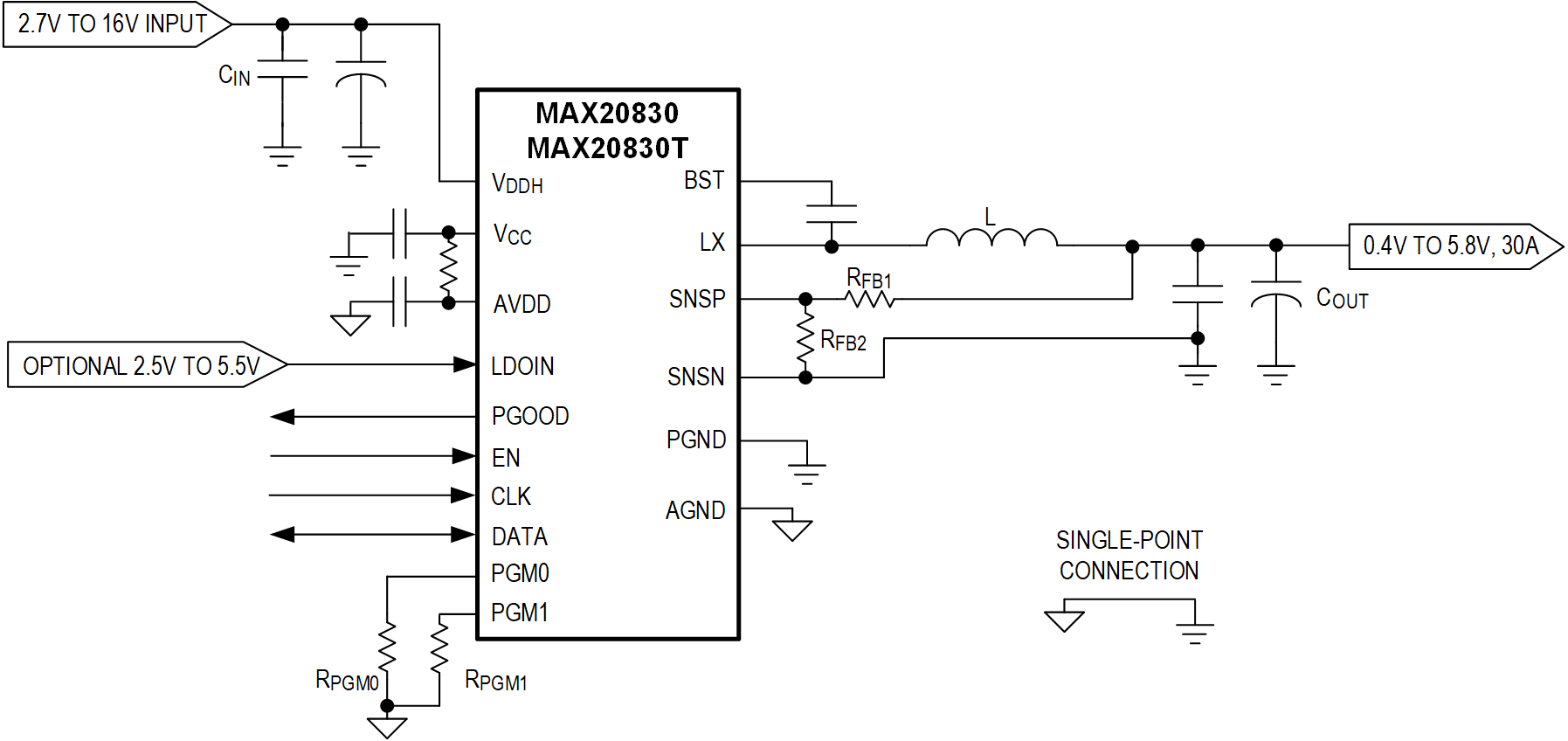
MAX2083030A, 2MHz, 2.7V to 16V Integrated Step-Down Switching Regulator with PMBus | Integrated Circuits (ICs) | 4 | Active | The MAX20830/MAX20830T are fully integrated, highly efficient, step-down DC-DC switching regulators with a PMBus interface. The devices operate from 2.7V to 16V input supplies, and the output can be adjusted from 0.4V to 5.8V, delivering up to 30A of load current.The switching frequency of the devices can be configured from 500kHz to 2MHz to provide the capability of optimizing the design in terms of size and performance.The MAX20830/MAX20830T utilize fixed frequency, current-mode control with internal compensation. The ICs feature a selectable advanced modulation scheme (AMS) to provide improved performance during fast load transients. Operation settings and configurable features can be selected by connecting pin-strap resistors from the PGM_ pins to ground or using PMBus commands.The MAX20830/MAX20830T have an internal 1.8V LDO output to power the gate drives (VCC) and internal circuitry (AVDD). The devices also have an optional LDO input pin (LDOIN), allowing connection from a 2.5V to 5.5V bias input supply for optimized efficiency.The IC has multiple protections including positive and negative overcurrent protection, output overvoltage protection, and overtemperature protection to ensure robust design.The devices are available in 4.3mm x 6.55mm FC2QFN packages that support -40°C to +125°C junction temperature operation. The MAX20830 package has an open top, and the MAX20830T package has a closed top. The MAX20830/MAX20830T are footprint compatible with the MAX20840T, MAX20810, and MAX20815. |
| Development Boards, Kits, Programmers | 3 | Active | |
MAX20840T40A, 2MHz, 2.7V to 16V Integrated Step-Down Switching Regulator with PMBus | Integrated Circuits (ICs) | 1 | Unknown | The MAX20840T is a fully integrated, highly efficient, step-down DC-DC switching regulator with a PMBus interface. The device operates from 2.7V to 16V input supplies, and the output can be adjusted from 0.4V to 5.8V, delivering up to 40A of load current.The switching frequency of the device can be configured from 500kHz to 2MHz to provide optimization of the design in terms of size and performance.The MAX20840T utilizes fixed-frequency, current-mode control with internal compensation. The IC features selectable advanced modulation scheme (AMS) to provide improved performance during fast load transients. Operation settings and configurable features can be selected by connecting a pin-strap resistors from PGM_ pins to ground or using PMBus commands.The MAX20840T has an internal 1.8V LDO output to power the gate drives (VCC) and internal circuitry (AVDD). The device also has an optional LDO input pin (LDOIN), allowing connection from a 2.5V to 5.5V bias input supply for optimized efficiency.The IC has multiple protections including positive and negative overcurrent protection, output overvoltage protection, and overtemperature protection to ensure robust design.The device is available in a 4.3mm x 6.55mm FC2QFN package. It supports -40°C to +125°C junction temperature operation. The MAX20840T is footprint compatible with the MAX20830/MAX20830T, MAX20810, and MAX20815.ApplicationsData Center PowerCommunications EquipmentNetworking EquipmentServers and StoragePoint-of-Load Voltage Regulators |
MAX208464x6 Smart Power-Stage IC with Integrated LDO, Current, and Temperature Sensors | Power Management - Specialized | 6 | Active | The MAX20846 is a feature-rich, smart power-stage IC designed to work with Analog Devices’ controllers to implement a high-density multiphase voltage regulator. Multiple smart power-stage ICs plus a controller provide a compact synchronous buck converter that includes accurate individual phase current and temperature reporting through PMBus™. These smart power-stage devices include fault-protection circuits for overtemperature, VX short, I/O open/short, supply undervoltage lockout (UVLO), and main power-supply overvoltage lockout (OVLO). The MAX20846 immediately shuts down on fault detection, communicating the Fault_ID to the controller.Monolithic integration and advanced packaging technology allow high-switching frequencies with significantly lower losses than conventional implementations. Phase shedding and discontinuous conduction modes (DCM) optimize efficiency over a wide range of load currents. The MAX20846 integrates an internal LDO simplifying bias generation for applications that do not have 1.8V available.The MAX20846 is available in a 4mm x 6mm, 34-pin FC2QFN package.APPLICATIONSHigh-Current Multiphase-Voltage RegulatorsVR13, VR13.HC, and VR14 CPU and MemoryNetworking ASICsAI and Machine Learning ASICsGraphics ProcessorsServers, Workstations, and Enterprise StorageCommunications and Networking Equipment |
MAX20855AVR14 8-Phase, Dual-Output Voltage Regulator Chipset | Special Purpose Regulators | 1 | Unknown | The MAX20855A IC provides a high-density, flexible, and scalable dual-loop solution to power AI cores, XPUs, GPUs, or Intel® VR14 or VR13 server CPUs. The controller IC is a dual-loop controller with an integrated PSYS device. The dual-loop solution supports up to 8 phases in total, configurable from 8+0 to 4+4 phases between Rail A and Rail B. Coupled inductors and smart power-stage ICs are used to implement dual high-efficiency regulators with enhanced transient response and low-quiescent current. Both rails and the PSYS device are compliant with VR14 specifications. The complete circuit is a highly efficient (N+M) = 8 multiphase synchronous buck converters with extensive status and parameter-measurement features. PWM paralleling allows up to 16 phases for very high current applications.The IC’s simplified architecture reduces component count, enables advanced power management and telemetry, and increases energy savings over the full load range. Autonomous phase shedding maintains high efficiency across the entire load range.Regulator parameters for protection and shutdown can be set and monitored through the PMBus™ interface. Power-stage faults, input and output voltage, input and output current, input power, and the temperature of the smart power-stage IC are readable over the serial interface. Critical fault retention feature prevents exothermic events after a power-device fault. Preset and user configurations are programmed in nonvolatile memory (NVM). MTP-programmable NVM circuits allow for field modifications. An integrated 3.3V to 1.8V linear regulator provides the controller bias supply.The MAX20855A is available in a 40-pin, 5mm x 5mm FCLGA package.ApplicationsHigh-Current Multiphase Voltage RegulatorsVR13, VR14 CPUsAI Cores, XPUs, GPUs, Networking ASICsServers, Workstations, Enterprise StorageCommunications and Networking Equipment Supply |
MAX208565x6 Smart Power-Stage IC with Integrated Current and Temperature Sensors | Power Management (PMIC) | 4 | Active | The MAX20856 is a feature-rich smart power-stage IC designed to work with Analog Devices’ controllers to implement a high-density multiphase voltage regulator. Multiple smart power-stage ICs plus a controller provide a compact synchronous buck converter that includes accurate individual phase current and temperature reporting through PMBus™. This smart power-stage device includes fault-protection circuits for overtemperature, VX short, I/O open/short, supply undervoltage lockout (UVLO), and main power-supply overvoltage lockout (OVLO). The MAX20856 immediately shuts down on fault detection, communicating the Fault_ID to the controller.Monolithic integration and advanced packaging technology allow high-switching frequencies with significantly lower losses than conventional implementations. Phase-shedding and discontinuous conduction modes (DCM) optimize efficiency over a wide range of load currents. The MAX20856 integrates an internal LDO, simplifying bias generation for applications that do not have 1.8V available.The MAX20856 is available in a 41-pin FC2QFN package.APPLICATIONSHigh-Current Multiphase-Voltage RegulatorsVR13, VR13.HC, and VR14 CPUNetworking ASICsAI, Machine Learning Cores, and GPUsServers, Workstations, and Enterprise StorageCommunications and Networking Equipment |
MAX20868-Channel, High-Performance, Low-Power Fully-Integrated Ultrasound Transceiver with 3-Level Pulser and T/R Switch | Specialized ICs | 1 | Active | The MAX2086 is a highly integrated, 8-channel ultrasound transceiver optimized for high channel density, high-performance ultrasound systems.The octal three-level, high-voltage (HV) pulser device generates high-frequency HV bipolar pulses for driving piezoelectric transducers in ultrasound systems from HV supplies. Each channel can transmit up to 200VPPwith up to 2.5A current capability and features an integrated 2A active clamp (Return to Zero). The current capability can be programmed down to 0.4A.The pulser can be controlled using embedded digital resources (SRAM and state machine) that can be used to support transmit beamforming resulting in dramatic savings in the number of interconnects and FPGA I/Os. The embedded digital resources are programmed through a high-speed serial interface and support sophisticated transmit techniques, like PWM, for burst shaping and apodization for beam shaping.Alternatively, the device can be controlled in a conventional manner by an external digital source (FPGA) through dedicated CMOS logic inputs.The MAX2086 also features eight independent low-noise, low-impedance active T/R switches. The highly compact receiver includes LNA, VGA, AAF, ADC, and several digital post-processing circuits (including a digital HPF). It achieves an ultra-low, 2.4dB noise figure at RS= RIN= 200Ω at a low 143mW per channel power dissipation when sampling at 50Msps. Additionally, there is a lower power mode of operation that achieves 100mW per channel, but has reduced AC performance. The receive channel has been optimized for second harmonic imaging with -70dBFS second harmonic distortion performance at FIN= 5MHz over the full TGC range. Dynamic range has also been optimized for exceptional pulsed and color flow Doppler performance under high clutter conditions. The full receive channel exhibits an outstanding 81dBFS SNR at 5MHz with a 2MHz bandwidth. The bipolar front-end and CMOS ADC have also been optimized for an exceptionally low, near-carrier modulation noise of -141dBc/Hz at 1KHz offset from a 5MHz tone for excellent low-velocity Doppler sensitivity.The device also includes an 8-channel CWD beam-former for a full Doppler solution. Separate mixers for each channel are made available for optimal CWD sensitivity, yielding an impressive 156dBc/Hz dynamic range per channel at 1KHz offset from a 2MHz carrier.Furthermore, the MAX2086 also contains several digital post-processing options associated with digital mix-to-baseband operation. The device contains a 96dB SNR NCO with a programmable frequency range of 800KHz to 17.6MHz with a <1KHz resolution. There is also a demodulator circuit followed by a decimating FIR filter that can be programmed for different decimation ratios, where M can be programmed at any integer from 2 to 32. A 16xM tap low-pass FIR decimation filter is also provided. A post decimation-filter digital gain adjustment is also available.When mix-to-baseband is used, it is possible to reduce the number of LVDS output lanes required (from 10 pairs to 6 pairs) if decimation rates are ≥ 4.The MAX2086 is offered in a 23mm x 10mm BGA package with 0.8mm ball pitch, and is specified over a 0°C to +85°C temperature range.ApplicationsMedium and High-Performance Cart-Based Ultrasound SystemsMedium and High-Performance Portable Ultrasound SystemsEchocardiograph SystemsReal-Time 4D Ultrasound SystemsShear Wave Elastography Systems |
MAX20878-Channel, High-Performance, Low-Power Fully-Integrated Ultrasound Transceiver with 5-Level Pulser and T/R Switch | Interface | 1 | Active | The MAX2087 is a highly integrated 8-channel ultrasound transceiver that is optimized for high channel density, high performance ultrasound systems.The octal five-level, high-voltage (HV) pulser device generates high-frequency HV bipolar pulses for driving piezoelectric transducers in ultrasound systems from two independent pairs of HV supplies. Each channel can transmit up to 200Vpp with up to 2A current capability and features an integrated 2A active clamp (Return to Zero). The current capability can be programmed down to 0.4A.The pulser can be controlled using embedded digital resources (SRAM and state machine) that can be used to support transmit beam-forming resulting in dramatic savings in the number of interconnects and FPGA I/Os. The embedded digital resources are programmed via a high-speed serial interface and supports sophisticated transmit techniques like PWM for burst shaping and apodization for beam shaping.Alternatively, the device can be controlled in a conventional manner by an external digital source (FPGA) through dedicated CMOS logic inputs.The MAX2087 also features eight independent low-noise, low-impedance active T/R switches. The highly compact receiver includes LNA, VGA, AAF, ADC, and several digital post-processing circuits (including a digital HPF). It achieves an ultra-low, 2.4dB noise figure at RS= RIN= 200Ω at a low 143mW per channel power dissipation when sampling at 50Msps. Additionally, there is a lower power mode of operation that achieves 100mW per channel, but has reduced AC performance. The receive channel has been optimized for second harmonic imaging with -70dBFS second harmonic distortion performance at fIN= 5MHz over the full TGC range. Dynamic range has also been optimized for exceptional pulsed and color flow Doppler performance under high clutter conditions. The full receive channel exhibits an outstanding 81dBFS SNR at 5MHz with a 2MHz bandwidth. The bipolar front-end and CMOS ADC have also been optimized for an exceptionally low, near-carrier modulation noise of -141dBc/Hz at 1kHz offset from a 5MHz tone for excellent low-velocity Doppler sensitivity.The device also includes an 8-channel CWD beam-former for a full Doppler solution. Separate mixers for each channel are made available for optimal CWD sensitivity, yielding an impressive 156dBc/Hz dynamic range per channel at 1kHz offset from a 2MHz carrier.Furthermore, the MAX2087 also contains several digital post-processing options associated with digital mix-to-baseband operation. The device contains a 96dB SNR NCO with a programmable frequency range of 800kHz to 17.6MHz with a < 1kHz resolution. There is also a demodulator circuit followed by a decimating FIR filter that can be programmed for different decimation ratios, where M can be programmed at any integer from 2 to 32. A 16 x M tap lowpass FIR decimation filter is also provided. A post decimation-filter digital gain adjustment is also available.When mix-to-baseband is used, it is possible to reduce the number of LVDS output lanes required (from 10 pairs to 6 pairs) if decimation rates are ≥ 4.The MAX2087 is offered in a 23mm x 10mm BGA package with 0.8mm ball pitch, and is specified over a 0°C to +85°C temperature range.ApplicationsEchocardiograph SystemsMedium and High-Performance Cart-Based Ultrasound SystemsMedium and High-Performance Portable Ultrasound SystemsReal-Time 4D Ultrasound SystemsShear Wave Elastography Systems |
| Specialized ICs | 1 | Active | |
| Analog Front End (AFE) | 2 | Active | |