LP8553Four channel high-efficiency LED backlight driver for notebooks with 3.3V PWM logic level | Integrated Circuits (ICs) | 1 | Active | The LP8553 is a white LED driver with integrated boost converter. It has four adjustable current sinks which can be controlled by PWM input or with I2C-compatible serial interface.
The boost converter has adaptive output-voltage control based on the LED driver voltages. This feature minimizes the power consumption by adjusting the voltage to lowest sufficient level in all conditions.
LED outputs have 8-bit current resolution and up to 13-bit PWM resolution with additional 1-3 bit dithering to achieve smooth and precise brightness control. Proprietary Phase Shift PWM control is used for LED outputs to reduce peak current from the boost converter, thus making the boost capacitors smaller. The Phase Shifting scheme also eliminates audible noise.
Automatic PWM dimming at lower brightness values and current dimming at higher brightness values can be used to improve the optical efficiency.
Internal EEPROM is used for storing the configuration data. This makes it possible to have minimum external component count and make the solution very small.
LP8553 has safety features which make it possible to detect LED outputs with open or short fault. Low input voltage and boost over-current conditions are also monitored, and the chip is turned off when these events occur. Thermal de-rating function prevents overheating of the device by reducing backlight brightness when set temperature has been reached.
LP8553 is available in TI’s DSBGA 25-bump package.
The LP8553 is a white LED driver with integrated boost converter. It has four adjustable current sinks which can be controlled by PWM input or with I2C-compatible serial interface.
The boost converter has adaptive output-voltage control based on the LED driver voltages. This feature minimizes the power consumption by adjusting the voltage to lowest sufficient level in all conditions.
LED outputs have 8-bit current resolution and up to 13-bit PWM resolution with additional 1-3 bit dithering to achieve smooth and precise brightness control. Proprietary Phase Shift PWM control is used for LED outputs to reduce peak current from the boost converter, thus making the boost capacitors smaller. The Phase Shifting scheme also eliminates audible noise.
Automatic PWM dimming at lower brightness values and current dimming at higher brightness values can be used to improve the optical efficiency.
Internal EEPROM is used for storing the configuration data. This makes it possible to have minimum external component count and make the solution very small.
LP8553 has safety features which make it possible to detect LED outputs with open or short fault. Low input voltage and boost over-current conditions are also monitored, and the chip is turned off when these events occur. Thermal de-rating function prevents overheating of the device by reducing backlight brightness when set temperature has been reached.
LP8553 is available in TI’s DSBGA 25-bump package. |
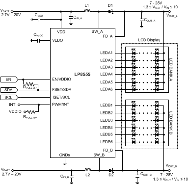
LP8555High-efficiency LED backlight driver for Tablet PCs | LED Drivers | 1 | Active | The LP8555 is a high efficiency LED driver with integrated dual DC-DC boost converters. It has 12 high-precision current sinks that can be controlled by a PWM input signal, an I2C master, or both.
Dual-boost configuration of LP8555 shares the load to two inductors and allows thinner overall solution size and better efficiency compared to single-boost solutions. 12 LED strings allows driving high number of LEDs with optimal efficiency since boost conversion ratio can be kept low.
The boost converter has adaptive output voltage control based on the LED current sink headroom voltages. This feature minimizes the power consumption by adjusting the voltage to lowest sufficient level in all conditions.
The LED string auto-detect function enables use of the same device in systems with 2 to 12 LED strings for the maximum design flexibility. Proprietary Hybrid PWM and Current dimming mode enables additional system power savings. Phase-shift PWM allows reduced audible noise and smaller boost output capacitors. Flexible CABC support combines brightness level selections based on the PWM input and I2C commands.
The LP8555 is a high efficiency LED driver with integrated dual DC-DC boost converters. It has 12 high-precision current sinks that can be controlled by a PWM input signal, an I2C master, or both.
Dual-boost configuration of LP8555 shares the load to two inductors and allows thinner overall solution size and better efficiency compared to single-boost solutions. 12 LED strings allows driving high number of LEDs with optimal efficiency since boost conversion ratio can be kept low.
The boost converter has adaptive output voltage control based on the LED current sink headroom voltages. This feature minimizes the power consumption by adjusting the voltage to lowest sufficient level in all conditions.
The LED string auto-detect function enables use of the same device in systems with 2 to 12 LED strings for the maximum design flexibility. Proprietary Hybrid PWM and Current dimming mode enables additional system power savings. Phase-shift PWM allows reduced audible noise and smaller boost output capacitors. Flexible CABC support combines brightness level selections based on the PWM input and I2C commands. |
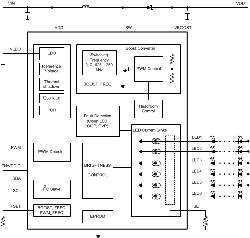
LP85566 channel high-efficiency/Efficacy LED backlight driver | Power Management (PMIC) | 18 | Active | The LP8556 device is a white-LED driver featuring an asynchronous boost converter and six high precision current sinks that can be controlled by a PWM signal or an I2C master.
The boost converter uses adaptive output voltage control for setting the optimal LED driver voltages as low as 7 V and as high as 43 V. This feature minimizes the power consumption by adjusting the output voltage to the lowest sufficient level under all conditions. The converter can operate at three switching frequencies: 312 kHz, 625 kHz, and 1250 kHz, which can be set with an external resistor or pre-configured via EPROM. Programmable slew rate control and spread spectrum scheme minimize switching noise and improve EMI performance.
LED current sinks can be set with the PWM dimming resolution of up to 15 bits. Proprietary adaptive dimming mode allows higher system power saving. In addition, phase shifted LED PWM dimming allows reduced audible noise and smaller boost output capacitors.
The LP8556 device has a full set of fault-protection features that ensure robust operation of the device and external components. The set consists of input undervoltage lockout (UVLO), thermal shutdown (TSD), overcurrent protection (OCP), up to 6 levels of overvoltage protection (OVP), LED open and short detection.
The LP8556 device operates over the ambient temperature range of –30°C to +85°C. It is available in space-saving 20-pin DSBGA and 24-pad WQFN packages.
The LP8556 device is a white-LED driver featuring an asynchronous boost converter and six high precision current sinks that can be controlled by a PWM signal or an I2C master.
The boost converter uses adaptive output voltage control for setting the optimal LED driver voltages as low as 7 V and as high as 43 V. This feature minimizes the power consumption by adjusting the output voltage to the lowest sufficient level under all conditions. The converter can operate at three switching frequencies: 312 kHz, 625 kHz, and 1250 kHz, which can be set with an external resistor or pre-configured via EPROM. Programmable slew rate control and spread spectrum scheme minimize switching noise and improve EMI performance.
LED current sinks can be set with the PWM dimming resolution of up to 15 bits. Proprietary adaptive dimming mode allows higher system power saving. In addition, phase shifted LED PWM dimming allows reduced audible noise and smaller boost output capacitors.
The LP8556 device has a full set of fault-protection features that ensure robust operation of the device and external components. The set consists of input undervoltage lockout (UVLO), thermal shutdown (TSD), overcurrent protection (OCP), up to 6 levels of overvoltage protection (OVP), LED open and short detection.
The LP8556 device operates over the ambient temperature range of –30°C to +85°C. It is available in space-saving 20-pin DSBGA and 24-pad WQFN packages. |
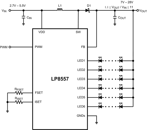
LP8557High-efficiency LED backlight driver for Tablets | Integrated Circuits (ICs) | 4 | Active | The LP8557 and LP8557I are high-efficiency LED drivers each featuring an integrated DC-DC inductive boost converter and six high-precision current sinks. LP8557 is intended for applications that exclusively use a pulse width modulated (PWM) signal for controlling the brightness while LP8557I is intended for applications that can utilize an I2C master as well.
The boost converter has adaptive output voltage control. This feature minimizes the power consumption by adjusting the voltage to the lowest sufficient level under all conditions.
The adaptive current sink headroom voltage control scales the headroom voltage with the LED current for optimal system efficiency.
The LED string auto-detect function enables use of the same device in systems with 1 to 6 LED strings for the maximum design flexibility.
Proprietary hybrid PWM plus current mode dimming enables additional system power savings. Phase-shift PWM allows reduced audible noise and smaller boost output capacitors.
Flexible CABC support combines brightness level selections based on the PWM input and I2C commands.
The LP8557 and LP8557I are high-efficiency LED drivers each featuring an integrated DC-DC inductive boost converter and six high-precision current sinks. LP8557 is intended for applications that exclusively use a pulse width modulated (PWM) signal for controlling the brightness while LP8557I is intended for applications that can utilize an I2C master as well.
The boost converter has adaptive output voltage control. This feature minimizes the power consumption by adjusting the voltage to the lowest sufficient level under all conditions.
The adaptive current sink headroom voltage control scales the headroom voltage with the LED current for optimal system efficiency.
The LED string auto-detect function enables use of the same device in systems with 1 to 6 LED strings for the maximum design flexibility.
Proprietary hybrid PWM plus current mode dimming enables additional system power savings. Phase-shift PWM allows reduced audible noise and smaller boost output capacitors.
Flexible CABC support combines brightness level selections based on the PWM input and I2C commands. |
LP8720One Step-Down DC/DC and Five Linear Regulators with I2C Compatible Interface | Power Management (PMIC) | 1 | Active | The LP8720 is a multi-function, programmable Power Management Unit, optimized for sub block power requirement solution. This device integrates one highly efficient 400 mA step-down DC-DC converter with Dynamic Voltage Scale (DVS), five low noise low dropout (LDO) voltage regulators and a 400 KHz I2C-compatible interface to allow a host controller access to the internal control registers of the LP8720. The LP8720 additionally features programmable power-on sequencing.
LDO regulators provide high PSRR and low noise ideally suited for supplying power to both analog and digital loads. The package will be the smallest 2.5 mm x 2.0 mm DSBGA 20-bump package.
The LP8720 is a multi-function, programmable Power Management Unit, optimized for sub block power requirement solution. This device integrates one highly efficient 400 mA step-down DC-DC converter with Dynamic Voltage Scale (DVS), five low noise low dropout (LDO) voltage regulators and a 400 KHz I2C-compatible interface to allow a host controller access to the internal control registers of the LP8720. The LP8720 additionally features programmable power-on sequencing.
LDO regulators provide high PSRR and low noise ideally suited for supplying power to both analog and digital loads. The package will be the smallest 2.5 mm x 2.0 mm DSBGA 20-bump package. |
LP8725Power Management IC (PMIC)for Application/Multimedia Processors and Sub-Systems | Power Management (PMIC) | 6 | Active | This device is a multi-function programmable Power Management Unit (PMU), optimized for sub block power solutions. This device integrates two highly efficient 600-mA step-down DC-DC converters configurable up to 800-mA load with Dynamic Voltage Scaling (DVS) via the serial interface, two low-noise analog LDOs, three digital LDOs for up to 300 mA load current each, two Low-Input Low-Output (LILO) regulators, and an I2C-compatible serial interface to allow a host controller access to the internal control registers. The device also features programmable power-on sequencing. LDO regulators provide high PSRR and low noise ideally suited for supplying power to both analog and digital loads.
The device can be configured either as a Sub_PMU for modules (for example, camera or multimedia modules) or as a stand-alone PMU that powers the processor itself.
This device is a multi-function programmable Power Management Unit (PMU), optimized for sub block power solutions. This device integrates two highly efficient 600-mA step-down DC-DC converters configurable up to 800-mA load with Dynamic Voltage Scaling (DVS) via the serial interface, two low-noise analog LDOs, three digital LDOs for up to 300 mA load current each, two Low-Input Low-Output (LILO) regulators, and an I2C-compatible serial interface to allow a host controller access to the internal control registers. The device also features programmable power-on sequencing. LDO regulators provide high PSRR and low noise ideally suited for supplying power to both analog and digital loads.
The device can be configured either as a Sub_PMU for modules (for example, camera or multimedia modules) or as a stand-alone PMU that powers the processor itself. |
LP8727Micro - Mini USB Interface with Integrated 28V Linear Charger | Integrated Circuits (ICs) | 1 | Active | The LP8727 is designed to provide automatic multiplexing switches between Micro/Mini USB connector and USB, UART and Audio paths in cellular phone applications. It also contains a single-input Li-Ion battery charger and an overvoltage-protected LDO. Programming is handled via an I2C-compatible Serial Interface allowing control of charger, multiplexing switches, and reading status information of the device.
The multiplexing switches on USB and UART support high-speed USB, and Audio inputs can be driven to negative voltage rail. The LP8727 is compatible with USB charging specifications rev 1.1 from USB IF.
The Li-Ion charger requires few external components and integrates the power FET. Charging is thermally regulated to obtain the most efficient charging rate for a given ambient temperature. It has Overvoltage Protection (OVP) circuit at the charger input protects the PMU from input voltages up to +28V, eliminating the need for any external protection circuitry.
An overvoltage-protected LDO which can supply up to 50 mA is designed for powering up a low-voltage USB transceiver or waking up a PMU (Power Management Unit) when an external power source (either USB VBUS or wall adapter) is connected to the USB connector.
The LP8727 PMU is available in 25-bump 0.4 mm pitch thin DSBGA package (2.015 mm x 2.015 mm).
The LP8727 is designed to provide automatic multiplexing switches between Micro/Mini USB connector and USB, UART and Audio paths in cellular phone applications. It also contains a single-input Li-Ion battery charger and an overvoltage-protected LDO. Programming is handled via an I2C-compatible Serial Interface allowing control of charger, multiplexing switches, and reading status information of the device.
The multiplexing switches on USB and UART support high-speed USB, and Audio inputs can be driven to negative voltage rail. The LP8727 is compatible with USB charging specifications rev 1.1 from USB IF.
The Li-Ion charger requires few external components and integrates the power FET. Charging is thermally regulated to obtain the most efficient charging rate for a given ambient temperature. It has Overvoltage Protection (OVP) circuit at the charger input protects the PMU from input voltages up to +28V, eliminating the need for any external protection circuitry.
An overvoltage-protected LDO which can supply up to 50 mA is designed for powering up a low-voltage USB transceiver or waking up a PMU (Power Management Unit) when an external power source (either USB VBUS or wall adapter) is connected to the USB connector.
The LP8727 PMU is available in 25-bump 0.4 mm pitch thin DSBGA package (2.015 mm x 2.015 mm). |
LP8728C-Q1LP8728C-Q1 Quad Output Step-Down DC/DC Converter for Automotive Applications | Development Boards, Kits, Programmers | 5 | Active | The LP8728-Q1-C is a quad-output Power Management Unit (PMU), optimized for low-power FPGAs, microprocessors, and DSPs for automotive applications. This device integrates four highly efficient step-down DC-DC converters into one package. Each converter has high current capability and separate controls which allows flexibility to use the device in multiple applications. All the converters operate above the AM band with a fixed 3.2-MHz switching frequency. The high-side switch turn on time of each converter is phase shifted to minimize input current spikes.
Protection features include output short-circuit protection, switch current limits, input overvoltage protection, input undervoltage lockout, and thermal shutdown functions. During start-up, the device controls the output slew rate to minimize output voltage overshoot and the input inrush current.
The LP8728-Q1-C is a quad-output Power Management Unit (PMU), optimized for low-power FPGAs, microprocessors, and DSPs for automotive applications. This device integrates four highly efficient step-down DC-DC converters into one package. Each converter has high current capability and separate controls which allows flexibility to use the device in multiple applications. All the converters operate above the AM band with a fixed 3.2-MHz switching frequency. The high-side switch turn on time of each converter is phase shifted to minimize input current spikes.
Protection features include output short-circuit protection, switch current limits, input overvoltage protection, input undervoltage lockout, and thermal shutdown functions. During start-up, the device controls the output slew rate to minimize output voltage overshoot and the input inrush current. |
LP8731-Q1Dual high-current step-down DC/DC & dual linear reg with I²C interface | Development Boards, Kits, Programmers | 2 | Obsolete | The LP8731-Q1 is a multi-function, programmable Power Management Unit (PMU), optimized for low power FPGAs, microprocessors, and DSPs. This device integrates two highly efficient 1.2-A step-down DC-DC converters with dynamic voltage management (DVM), two 300-mA linear regulators, and a 400-kHz I2C-compatible interface to allow a host controller access to the internal control registers of the LP8731-Q1. The LP8731-Q1 device additionally features programmable power-on sequencing.
The LP8731-Q1 is a multi-function, programmable Power Management Unit (PMU), optimized for low power FPGAs, microprocessors, and DSPs. This device integrates two highly efficient 1.2-A step-down DC-DC converters with dynamic voltage management (DVM), two 300-mA linear regulators, and a 400-kHz I2C-compatible interface to allow a host controller access to the internal control registers of the LP8731-Q1. The LP8731-Q1 device additionally features programmable power-on sequencing. |
LP8732-Q1Automotive dual 2-A buck converters and dual linear regulators | Power Management (PMIC) | 4 | Active | The LP8732xx-Q1 is designed to meet the power management requirements in automotive applications. The device has two step-down DC/DC converters (which can be configured as a single dual-phase regulator or two single-phase regulators), two linear regulators, and two general-purpose digital-output signals. The device is controlled by an I2C-compatible serial interface and by an enable signal.
The automatic PWM/PFM (AUTO mode) operation together with the automatic phase adding/shedding gives high efficiency over a wide output-current range. The LP8732xx-Q1 supports remote voltage sensing (differential in dual-phase configuration) to compensate IR drop between the regulator output and the point-of-load (POL), thus improving the accuracy of the output voltage. In addition, the switching clock can be forced to PWM mode and also synchronized to an external clock to minimize the disturbances.
The LP8732xx-Q1 device supports programmable start-up and shutdown delays and sequences including GPO signals synchronized to the enable signal. During start-up and voltage change, the device controls the output slew rate to minimize output voltage overshoot and the in-rush current.
The LP8732xx-Q1 is designed to meet the power management requirements in automotive applications. The device has two step-down DC/DC converters (which can be configured as a single dual-phase regulator or two single-phase regulators), two linear regulators, and two general-purpose digital-output signals. The device is controlled by an I2C-compatible serial interface and by an enable signal.
The automatic PWM/PFM (AUTO mode) operation together with the automatic phase adding/shedding gives high efficiency over a wide output-current range. The LP8732xx-Q1 supports remote voltage sensing (differential in dual-phase configuration) to compensate IR drop between the regulator output and the point-of-load (POL), thus improving the accuracy of the output voltage. In addition, the switching clock can be forced to PWM mode and also synchronized to an external clock to minimize the disturbances.
The LP8732xx-Q1 device supports programmable start-up and shutdown delays and sequences including GPO signals synchronized to the enable signal. During start-up and voltage change, the device controls the output slew rate to minimize output voltage overshoot and the in-rush current. |