| Integrated Circuits (ICs) | 12 | Active | |
| Power Management (PMIC) | 13 | Obsolete | |
| Voltage Regulators - Linear, Low Drop Out (LDO) Regulators | 16 | Obsolete | |
| Integrated Circuits (ICs) | 1 | Obsolete | |
| Power Management (PMIC) | 3 | Active | |
| Integrated Circuits (ICs) | 3 | Active | |
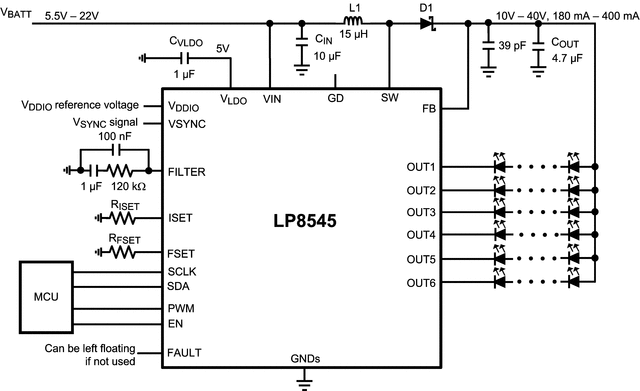
LP8545Six channel high-efficiency LED backlight driver for notebooks with flexible ext/int FET control | Power Management (PMIC) | 2 | Active | The LP8545 is a white LED driver with integrated boost converter. It has six adjustable current sinks which can be controlled by PWM input or with I2C-compatible serial interface.
The boost converter has adaptive output voltage control based on the LED driver voltages. This feature minimizes the power consumption by adjusting the voltage to lowest sufficient level in all conditions.
LED outputs have 8-bit current resolution and up to 13-bit PWM resolution with additional 1-3 bit dithering to achieve smooth and precise brightness control. Proprietary Phase Shift PWM control is used for LED outputs to reduce peak current from the boost converter, thus making the boost capacitors smaller. The Phase Shifting scheme also eliminates audible noise.
Internal EEPROM is used for storing the configuration data. This makes it possible to have minimum external component count and make the solution very small.
LP8545 has safety features which make it possible to detect LED outputs with open or short fault. As well low input voltage and boost over-current conditions are monitored and chip is turned off in case of these events. Thermal de-rating function prevents overheating of the device by reducing backlight brightness when set temperature has been reached.
LP8545 is available in TI’s WQFN 24-pin package.
The LP8545 is a white LED driver with integrated boost converter. It has six adjustable current sinks which can be controlled by PWM input or with I2C-compatible serial interface.
The boost converter has adaptive output voltage control based on the LED driver voltages. This feature minimizes the power consumption by adjusting the voltage to lowest sufficient level in all conditions.
LED outputs have 8-bit current resolution and up to 13-bit PWM resolution with additional 1-3 bit dithering to achieve smooth and precise brightness control. Proprietary Phase Shift PWM control is used for LED outputs to reduce peak current from the boost converter, thus making the boost capacitors smaller. The Phase Shifting scheme also eliminates audible noise.
Internal EEPROM is used for storing the configuration data. This makes it possible to have minimum external component count and make the solution very small.
LP8545 has safety features which make it possible to detect LED outputs with open or short fault. As well low input voltage and boost over-current conditions are monitored and chip is turned off in case of these events. Thermal de-rating function prevents overheating of the device by reducing backlight brightness when set temperature has been reached.
LP8545 is available in TI’s WQFN 24-pin package. |
LP8550High-Efficiency LED Backlight Driver for Notebooks | Integrated Circuits (ICs) | 3 | Active | The LP8550 is a white-LED driver with integrated boost converter. It has six adjustable current sinks which can be controlled by PWM input or with I2C-compatible serial interface. The boost converter has adaptive output voltage control based on the LED driver voltages. This feature minimizes the power consumption by adjusting the voltage to lowest sufficient level in all conditions.
LED outputs have 8-bit current resolution and up to 13-bit PWM resolution with additional 1- to 3-bit dithering to achieve smooth and precise brightness control. Proprietary Phase Shift PWM control is used for LED outputs to reduce peak current from the boost converter, thus making the boost capacitors smaller. The Phase Shifting scheme also eliminates audible noise.
Automatic PWM dimming at lower brightness values and current dimming at higher brightness values can be used to improve the optical efficiency. Internal EEPROM is used for storing the configuration data. This makes it possible to have minimum external component count and make the solution very small.
The LP8550 has safety features which make it possible to detect LED outputs with open or short fault — low input voltage and boost overcurrent conditions are monitored, and chip is turned off in case of these events. Thermal de-rating function prevents overheating of the device by reducing backlight brightness when set temperature has been reached.
The LP8550 is a white-LED driver with integrated boost converter. It has six adjustable current sinks which can be controlled by PWM input or with I2C-compatible serial interface. The boost converter has adaptive output voltage control based on the LED driver voltages. This feature minimizes the power consumption by adjusting the voltage to lowest sufficient level in all conditions.
LED outputs have 8-bit current resolution and up to 13-bit PWM resolution with additional 1- to 3-bit dithering to achieve smooth and precise brightness control. Proprietary Phase Shift PWM control is used for LED outputs to reduce peak current from the boost converter, thus making the boost capacitors smaller. The Phase Shifting scheme also eliminates audible noise.
Automatic PWM dimming at lower brightness values and current dimming at higher brightness values can be used to improve the optical efficiency. Internal EEPROM is used for storing the configuration data. This makes it possible to have minimum external component count and make the solution very small.
The LP8550 has safety features which make it possible to detect LED outputs with open or short fault — low input voltage and boost overcurrent conditions are monitored, and chip is turned off in case of these events. Thermal de-rating function prevents overheating of the device by reducing backlight brightness when set temperature has been reached. |
LP8551Four channel high-efficiency LED backlight driver for notebooks with VDDIO PWM logic level | LED Drivers | 2 | Active | The LP8551 is a white LED driver with integrated boost converter. It has four adjustable current sinks which can be controlled by PWM input or with I2C-compatible serial interface.
The boost converter has adaptive output voltage control based on the LED driver voltages. This feature minimizes the power consumption by adjusting the voltage to lowest sufficient level in all conditions.
LED outputs have 8-bit current resolution and up to 13-bit PWM resolution to achieve smooth and precise brightness control. Proprietary Phase Shift PWM control is used for LED outputs to reduce peak current from the boost converter, thus making the boost capacitors smaller. The Phase Shifting scheme also eliminates audible noise.
Internal EEPROM is used for storing the configuration data. This makes it possible to have minimum external component count and make the solution very small.
The LP8551 has safety features which make it possible to detect LED outputs with open or short fault. As well, low input voltage and boost overcurrent conditions are monitored, and chip is turned off in case of these events. Thermal de-rating function prevents overheating of the device by reducing backlight brightness when set temperature has been reached.
The LP8551 is a white LED driver with integrated boost converter. It has four adjustable current sinks which can be controlled by PWM input or with I2C-compatible serial interface.
The boost converter has adaptive output voltage control based on the LED driver voltages. This feature minimizes the power consumption by adjusting the voltage to lowest sufficient level in all conditions.
LED outputs have 8-bit current resolution and up to 13-bit PWM resolution to achieve smooth and precise brightness control. Proprietary Phase Shift PWM control is used for LED outputs to reduce peak current from the boost converter, thus making the boost capacitors smaller. The Phase Shifting scheme also eliminates audible noise.
Internal EEPROM is used for storing the configuration data. This makes it possible to have minimum external component count and make the solution very small.
The LP8551 has safety features which make it possible to detect LED outputs with open or short fault. As well, low input voltage and boost overcurrent conditions are monitored, and chip is turned off in case of these events. Thermal de-rating function prevents overheating of the device by reducing backlight brightness when set temperature has been reached. |
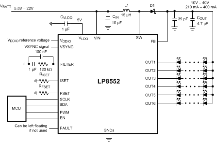
LP8552Six channel high-efficiency LED backlight driver for notebooks with BGA package | Integrated Circuits (ICs) | 5 | Active | The LP8552 is a white LED driver with integrated boost converter. It has six adjustable current sinks which can be controlled by PWM input or with I2C-compatible serial interface. The boost converter has adaptive output voltage control based on the LED driver voltages. This feature minimizes the power consumption by adjusting the voltage to lowest sufficient level in all conditions.
LED outputs have 8-bit current resolution and up to 13-bit PWM resolution with additional 1-3 bit dithering to achieve smooth and precise brightness control. Proprietary Phase Shift PWM control is used for LED outputs to reduce peak current from the boost converter, thus making the boost capacitors smaller. The Phase Shifting scheme also eliminates audible noise.
Automatic PWM dimming at lower brightness values and current dimming at higher brightness values can be used to improve the optical efficiency. Internal EEPROM is used for storing the configuration data. This makes it possible to have minimum external component count and make the solution very small.
The LP8552 has safety features which make it possible to detect LED outputs with open or short fault. As well low input voltage and boost overcurrent conditions are monitored and chip is turned off in case of these events. Thermal de-rating function prevents overheating of the device by reducing backlight brightness when set temperature has been reached.
The LP8552 is a white LED driver with integrated boost converter. It has six adjustable current sinks which can be controlled by PWM input or with I2C-compatible serial interface. The boost converter has adaptive output voltage control based on the LED driver voltages. This feature minimizes the power consumption by adjusting the voltage to lowest sufficient level in all conditions.
LED outputs have 8-bit current resolution and up to 13-bit PWM resolution with additional 1-3 bit dithering to achieve smooth and precise brightness control. Proprietary Phase Shift PWM control is used for LED outputs to reduce peak current from the boost converter, thus making the boost capacitors smaller. The Phase Shifting scheme also eliminates audible noise.
Automatic PWM dimming at lower brightness values and current dimming at higher brightness values can be used to improve the optical efficiency. Internal EEPROM is used for storing the configuration data. This makes it possible to have minimum external component count and make the solution very small.
The LP8552 has safety features which make it possible to detect LED outputs with open or short fault. As well low input voltage and boost overcurrent conditions are monitored and chip is turned off in case of these events. Thermal de-rating function prevents overheating of the device by reducing backlight brightness when set temperature has been reached. |