T
Texas Instruments
| Series | Category | # Parts | Status | Description |
|---|---|---|---|---|
| Part | Spec A | Spec B | Spec C | Spec D | Description |
|---|---|---|---|---|---|
| Series | Category | # Parts | Status | Description |
|---|---|---|---|---|
| Part | Spec A | Spec B | Spec C | Spec D | Description |
|---|---|---|---|---|---|
| Part | Category | Description |
|---|---|---|
Texas Instruments | Integrated Circuits (ICs) | BUS DRIVER, BCT/FBT SERIES |
Texas Instruments | Integrated Circuits (ICs) | 12BIT 3.3V~3.6V 210MHZ PARALLEL VQFN-48-EP(7X7) ANALOG TO DIGITAL CONVERTERS (ADC) ROHS |
Texas Instruments | Integrated Circuits (ICs) | TMX320DRE311 179PIN UBGA 200MHZ |
Texas Instruments TPS61040DRVTG4Unknown | Integrated Circuits (ICs) | IC LED DRV RGLTR PWM 350MA 6WSON |
Texas Instruments LP3876ET-2.5Obsolete | Integrated Circuits (ICs) | IC REG LINEAR 2.5V 3A TO220-5 |
Texas Instruments LMS1585ACSX-ADJObsolete | Integrated Circuits (ICs) | IC REG LIN POS ADJ 5A DDPAK |
Texas Instruments INA111APG4Obsolete | Integrated Circuits (ICs) | IC INST AMP 1 CIRCUIT 8DIP |
Texas Instruments | Integrated Circuits (ICs) | AUTOMOTIVE, QUAD 36V 1.2MHZ OPERATIONAL AMPLIFIER |
Texas Instruments OPA340NA/3KG4Unknown | Integrated Circuits (ICs) | IC OPAMP GP 1 CIRCUIT SOT23-5 |
Texas Instruments PT5112AObsolete | Power Supplies - Board Mount | DC DC CONVERTER 8V 8W |
| Series | Category | # Parts | Status | Description |
|---|---|---|---|---|
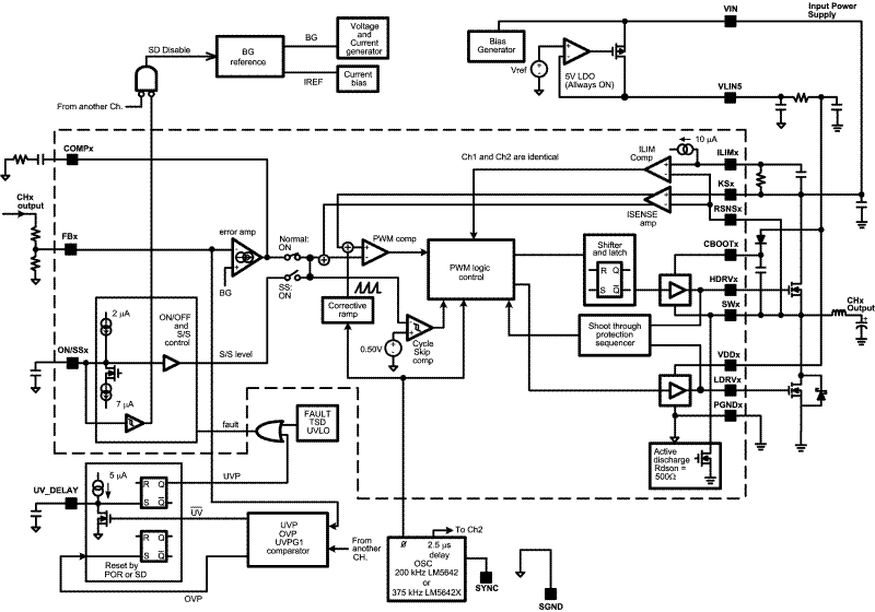
| DC DC Switching Controllers | 12 | Active | ||
| Integrated Circuits (ICs) | 1 | Obsolete | ||
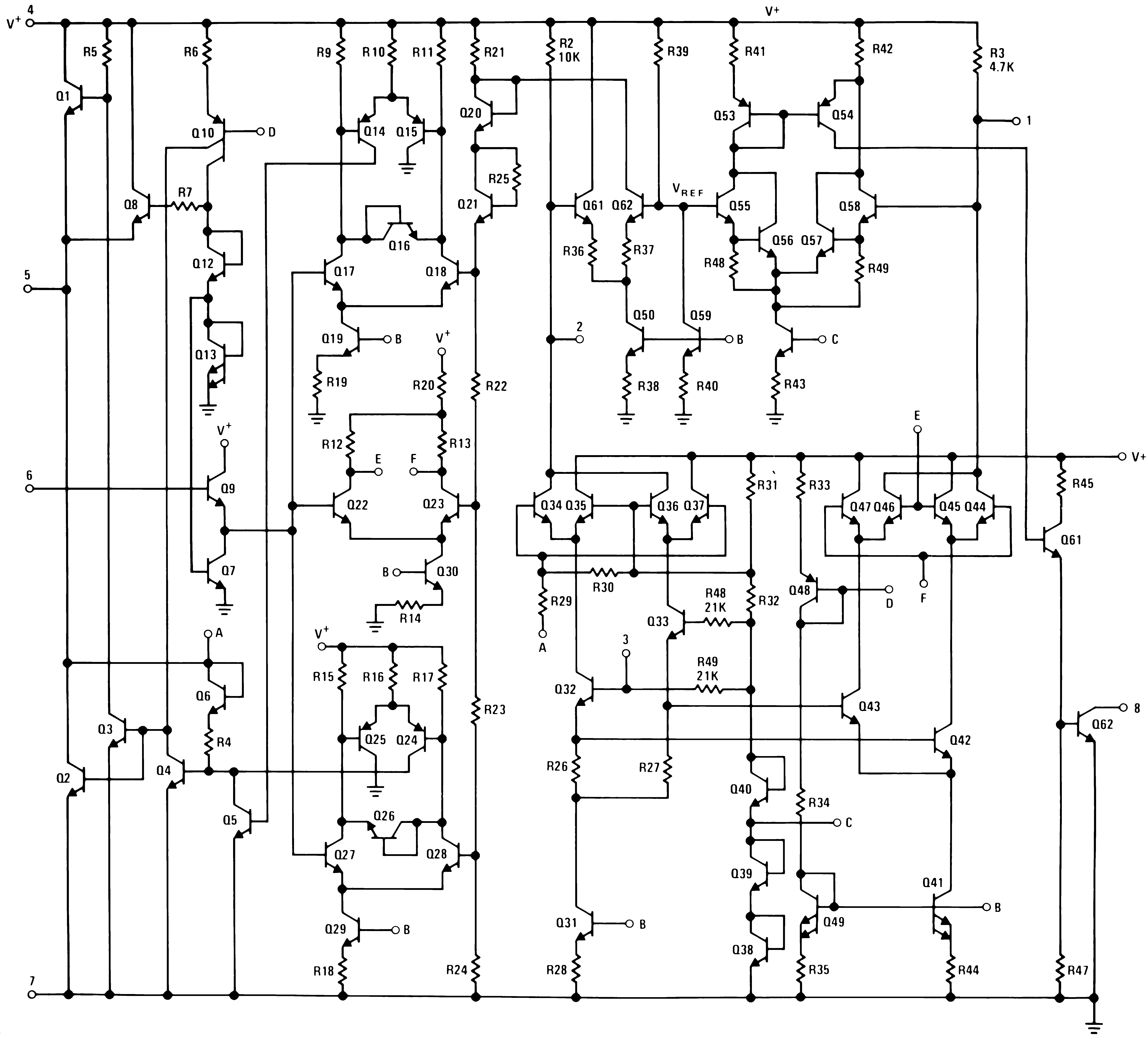
LM567CTone decoder | Integrated Circuits (ICs) | 6 | Active | The LM567 and LM567C are general purpose tone decoders designed to provide a saturated transistor switch to ground when an input signal is present within the passband. The circuit consists of an I and Q detector driven by a voltage controlled oscillator which determines the center frequency of the decoder. External components are used to independently set center frequency, bandwidth and output delay.
The LM567 and LM567C are general purpose tone decoders designed to provide a saturated transistor switch to ground when an input signal is present within the passband. The circuit consists of an I and Q detector driven by a voltage controlled oscillator which determines the center frequency of the decoder. External components are used to independently set center frequency, bandwidth and output delay. |
LM57-Q1Automotive Grade, ±0.7°C Temperature Sensor with Resistor-Programmable Temp Switch | Sensor Evaluation Boards | 20 | Active | The LM57-Q1 device is a precision, dual-output, temperature switch with analog temperature sensor output for wide temperature applications such as automotive grade. The trip temperature (TTRIP) is selected from 256 possible values in the range of –40°C to 160°C. The VTEMPis a class AB analog voltage output that is proportional to temperature with a programmable negative temperature coefficient (NTC). Two external 1% resistors set the TTRIPand VTEMPslope. The digital and analog outputs enable protection and monitoring of system thermal events.
Built-in thermal hysteresis (THYST) prevents the digital outputs from oscillating. The TOVERandTOVERdigital outputs will assert when the die temperature exceeds TTRIPand will de-assert when the temperature falls below a temperature equal to TTRIPminus THYST.
TOVERis active-high with a push-pull structure.TOVERis active-low with an open-drain structure. Tying TOVERto TRIP-TEST will latch the output after it trips. The output can be cleared by forcing TRIP-TEST low. Driving the TRIP-TEST high will assert the digital outputs. A processor can check the state of TOVERorTOVER, confirming they changed to an active state. This allows for in situ verification that the comparator and output circuitry are functional after system assembly. When TRIP-TEST is high, the trip-level reference voltage appears at the VTEMPpin. The system could then use this voltage to calculate the threshold of the LM57-Q1.
The LM57-Q1 device is a precision, dual-output, temperature switch with analog temperature sensor output for wide temperature applications such as automotive grade. The trip temperature (TTRIP) is selected from 256 possible values in the range of –40°C to 160°C. The VTEMPis a class AB analog voltage output that is proportional to temperature with a programmable negative temperature coefficient (NTC). Two external 1% resistors set the TTRIPand VTEMPslope. The digital and analog outputs enable protection and monitoring of system thermal events.
Built-in thermal hysteresis (THYST) prevents the digital outputs from oscillating. The TOVERandTOVERdigital outputs will assert when the die temperature exceeds TTRIPand will de-assert when the temperature falls below a temperature equal to TTRIPminus THYST.
TOVERis active-high with a push-pull structure.TOVERis active-low with an open-drain structure. Tying TOVERto TRIP-TEST will latch the output after it trips. The output can be cleared by forcing TRIP-TEST low. Driving the TRIP-TEST high will assert the digital outputs. A processor can check the state of TOVERorTOVER, confirming they changed to an active state. This allows for in situ verification that the comparator and output circuitry are functional after system assembly. When TRIP-TEST is high, the trip-level reference voltage appears at the VTEMPpin. The system could then use this voltage to calculate the threshold of the LM57-Q1. |
| Sensors, Transducers | 12 | Active | ||
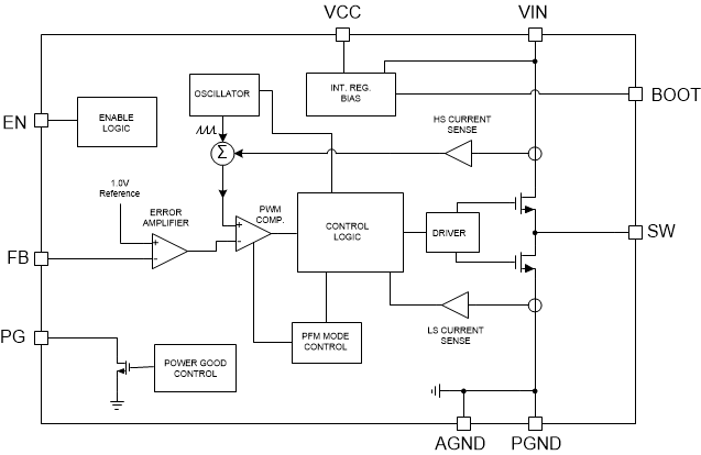
LM604303.8-V to 36-V, 3-A, ultra-small synchronous step-down converter | Voltage Regulators - DC DC Switching Regulators | 2 | Active | The LM604x0 regulator is an easy-to-use, synchronous, step-down DC/DC converter that delivers best-in-class efficiency for rugged industrial applications. The LM60430 drives up to 3-A of load current, and the LM60440 is industry’s smallest 4A step-down converter.
The LM604x0 is available in an ultra-miniature WQFN package with wettable flanks and a standard QFN pin-out with a thermal pad to enhance thermal performance. This enhanced QFN package features extremely small parasitic inductance and resistance, enabling very high efficiency while minimizing switch node ringing and dramatically reducing EMI.
The LM604x0 uses peak-current-mode control to automatically fold back frequency at light load to ensure exceptional efficiency across the entire load range. The low power dissipation paired with a thermally optimized QFN package enables a power dense solution size. In addition the device requires few external components and has a pinout designed for simple PCB layout. The small solution size and feature set of the LM604x0 are designed to simplify implementation for a wide range of end equipment.
This device is also available in an AEC-Q100-qualified version.
The LM604x0 regulator is an easy-to-use, synchronous, step-down DC/DC converter that delivers best-in-class efficiency for rugged industrial applications. The LM60430 drives up to 3-A of load current, and the LM60440 is industry’s smallest 4A step-down converter.
The LM604x0 is available in an ultra-miniature WQFN package with wettable flanks and a standard QFN pin-out with a thermal pad to enhance thermal performance. This enhanced QFN package features extremely small parasitic inductance and resistance, enabling very high efficiency while minimizing switch node ringing and dramatically reducing EMI.
The LM604x0 uses peak-current-mode control to automatically fold back frequency at light load to ensure exceptional efficiency across the entire load range. The low power dissipation paired with a thermally optimized QFN package enables a power dense solution size. In addition the device requires few external components and has a pinout designed for simple PCB layout. The small solution size and feature set of the LM604x0 are designed to simplify implementation for a wide range of end equipment.
This device is also available in an AEC-Q100-qualified version. |
LM60440-Q1Automotive 36-V, 4-A synchronous converter in an enhanced EMI QFN package with wettable flank | Development Boards, Kits, Programmers | 4 | Active | The LM604x0-Q1 automotive-qualified regulator is an easy-to-use, synchronous, step-down DC/DC converter that delivers best-in-class efficiency for automotive applications. The LM60430-Q1 drives up to 3-A of load current, and the LM60440-Q1 is industry’s smallest 4A step-down converter.
The LM604x0-Q1 is available in an ultra-miniature WQFN package with wettable flanks and a standard QFN pin-out with a thermal pad to enhance thermal performance. This enhanced QFN package features extremely small parasitic inductance and resistance, enabling very high efficiency while minimizing switch node ringing and dramatically reducing EMI.
The LM604x0-Q1 uses peak-current-mode control to automatically fold back frequency at light load to ensure exceptional efficiency across the entire load range. The low power dissipation paired with a thermally optimized QFN package enables a power dense solution size. In addition the device requires few external components and has a pinout designed for simple PCB layout. The small solution size and feature set of the LM604x0-Q1 are designed to simplify implementation for a wide range of end equipment.
The LM604x0-Q1 automotive-qualified regulator is an easy-to-use, synchronous, step-down DC/DC converter that delivers best-in-class efficiency for automotive applications. The LM60430-Q1 drives up to 3-A of load current, and the LM60440-Q1 is industry’s smallest 4A step-down converter.
The LM604x0-Q1 is available in an ultra-miniature WQFN package with wettable flanks and a standard QFN pin-out with a thermal pad to enhance thermal performance. This enhanced QFN package features extremely small parasitic inductance and resistance, enabling very high efficiency while minimizing switch node ringing and dramatically reducing EMI.
The LM604x0-Q1 uses peak-current-mode control to automatically fold back frequency at light load to ensure exceptional efficiency across the entire load range. The low power dissipation paired with a thermally optimized QFN package enables a power dense solution size. In addition the device requires few external components and has a pinout designed for simple PCB layout. The small solution size and feature set of the LM604x0-Q1 are designed to simplify implementation for a wide range of end equipment. |
| Sensors, Transducers | 8 | Active | ||
| Amplifiers | 6 | Obsolete | ||
| Integrated Circuits (ICs) | 4 | Obsolete | ||