| Linear | 1 | Obsolete | |
| Amplifiers | 3 | Active | |
LM4809105-mW, stereo, analog input headphone amplifier with active-low shutdown mode | Integrated Circuits (ICs) | 4 | Obsolete | The LM4809 is a dual audio power amplifier capable of delivering 105mW per channel of continuous average power into a 16Ω load with 0.1% (THD+N) from a 5V power supply.
Boomer audio power amplifiers were designed specifically to provide high quality output power with a minimal amount of external components. Since the LM4809 does not require bootstrap capacitors or snubber networks, it is optimally suited for low-power portable systems.
The unity-gain stable LM4809 can be configured by external gain-setting resistors.
The LM4809 features an externally controlled, active-low, micropower consumption shutdown mode, as well as an internal thermal shutdown protection mechanism.
The LM4809 is a dual audio power amplifier capable of delivering 105mW per channel of continuous average power into a 16Ω load with 0.1% (THD+N) from a 5V power supply.
Boomer audio power amplifiers were designed specifically to provide high quality output power with a minimal amount of external components. Since the LM4809 does not require bootstrap capacitors or snubber networks, it is optimally suited for low-power portable systems.
The unity-gain stable LM4809 can be configured by external gain-setting resistors.
The LM4809 features an externally controlled, active-low, micropower consumption shutdown mode, as well as an internal thermal shutdown protection mechanism. |
| Linear | 4 | Active | |
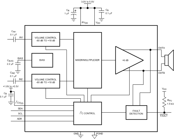
LM48100Q-Q11.3-W, mono, analog input Class-AB audio amplifier with output fault detection | Audio Amplifiers | 3 | Active | The LM48100Q-Q1 is a single supply, mono, bridge-tied load amplifier with I2C volume control, ideal for automotive applications. A comprehensive output fault detection system senses the load conditions, protecting the device during short circuit events, as well as detecting open circuit conditions.
Operating from a single 5-V supply, the LM48100Q-Q1 delivers 1.3 W of continuous output power to an 8 Ω load with < 1% THD+N. Flexible power supply requirements allow operation from 3 V to 5.5 V. High power supply rejection ratio (PSRR), 74 dB at 1 kHz, allows the device to operate in noisy environments without additional power supply conditioning.
The LM48100Q-Q1 features dual audio inputs that can be mixed/multiplexed to the device output. Each input path has its own independent, 32-step volume control. The mixer, volume control and device mode select are controlled through an I2C compatible interface. An open drainFAULToutput indicates when a fault has occurred. Comprehensive output short circuit and thermal overload protection prevent the device from being damaged during a fault condition.
A low power shutdown mode reduces supply current consumption to 0.01 µA. Superior click and pop suppression eliminates audible transients on power-up/down and during shutdown. The LM48100Q-Q1 is available in an 14-pin HTSSOP PowerPAD™ IC package.
The LM48100Q-Q1 is a single supply, mono, bridge-tied load amplifier with I2C volume control, ideal for automotive applications. A comprehensive output fault detection system senses the load conditions, protecting the device during short circuit events, as well as detecting open circuit conditions.
Operating from a single 5-V supply, the LM48100Q-Q1 delivers 1.3 W of continuous output power to an 8 Ω load with < 1% THD+N. Flexible power supply requirements allow operation from 3 V to 5.5 V. High power supply rejection ratio (PSRR), 74 dB at 1 kHz, allows the device to operate in noisy environments without additional power supply conditioning.
The LM48100Q-Q1 features dual audio inputs that can be mixed/multiplexed to the device output. Each input path has its own independent, 32-step volume control. The mixer, volume control and device mode select are controlled through an I2C compatible interface. An open drainFAULToutput indicates when a fault has occurred. Comprehensive output short circuit and thermal overload protection prevent the device from being damaged during a fault condition.
A low power shutdown mode reduces supply current consumption to 0.01 µA. Superior click and pop suppression eliminates audible transients on power-up/down and during shutdown. The LM48100Q-Q1 is available in an 14-pin HTSSOP PowerPAD™ IC package. |
| Audio Amplifiers | 8 | Active | |
| Linear | 1 | Obsolete | |
| Audio Amplifier Evaluation Boards | 1 | Obsolete | |
| Development Boards, Kits, Programmers | 9 | Active | |
| Audio Amplifiers | 3 | Obsolete | |