| Amplifiers | 1 | Obsolete | |
| Linear | 1 | Obsolete | |
LM248Quad, 36-V, 1-MHz operational amplifier with -25°C to 85°C operation | Instrumentation, Op Amps, Buffer Amps | 3 | Active | The LM148, LM248, and LM348 are quadruple, independent, high-gain, internally compensated operational amplifiers designed to have operating characteristics similar to the µA741. These amplifiers exhibit low supply-current drain and input bias and offset currents that are much less than those of the µA741.
The LM148, LM248, and LM348 are quadruple, independent, high-gain, internally compensated operational amplifiers designed to have operating characteristics similar to the µA741. These amplifiers exhibit low supply-current drain and input bias and offset currents that are much less than those of the µA741. |
| Video Amps and Modules | 1 | Unknown | |
| Video Amps and Modules | 1 | Obsolete | |
| Development Boards, Kits, Programmers | 2 | Obsolete | |
LM250057-42V Wide Vin, 2.5A, Current Mode Non-Synchronous Buck Regulator | Voltage Regulators - DC DC Switching Regulators | 4 | Active | The LM25005 switching regulator features all of the functions necessary to implement an efficient, high voltage buck regulator using a minimum of external components. This easy to use regulator includes a 42V, 160mΩ, N-channel MOSFET, with an output current capability of 2.5 Amps. The regulator control method is based upon current mode control utilizing an emulated current ramp. Current mode control provides inherent line voltage feed-forward, cycle-by-cycle current limiting and ease of loop compensation. The use of an emulated control ramp reduces noise sensitivity of the pulse-width modulation circuit, allowing reliable control of very small duty cycles necessary in high input voltage applications. The operating frequency is programmable from 50kHz to 500kHz. An oscillator synchronization pin allows multiple LM25005 regulators to self-synchronize or to be synchronized to an external clock. Additional protection features include: current limit, thermal shutdown and remote shutdown capability. The device is available in a power enhanced HTSSOP package featuring an exposed die attach pad to aid thermal dissipation.
The LM25005 switching regulator features all of the functions necessary to implement an efficient, high voltage buck regulator using a minimum of external components. This easy to use regulator includes a 42V, 160mΩ, N-channel MOSFET, with an output current capability of 2.5 Amps. The regulator control method is based upon current mode control utilizing an emulated current ramp. Current mode control provides inherent line voltage feed-forward, cycle-by-cycle current limiting and ease of loop compensation. The use of an emulated control ramp reduces noise sensitivity of the pulse-width modulation circuit, allowing reliable control of very small duty cycles necessary in high input voltage applications. The operating frequency is programmable from 50kHz to 500kHz. An oscillator synchronization pin allows multiple LM25005 regulators to self-synchronize or to be synchronized to an external clock. Additional protection features include: current limit, thermal shutdown and remote shutdown capability. The device is available in a power enhanced HTSSOP package featuring an exposed die attach pad to aid thermal dissipation. |
LM250079-42V Wide Vin, 0.5A, Constant On-Time Non-Synchronous Buck Regulator | Integrated Circuits (ICs) | 6 | Active | The LM25007 is a monolithic step-down switching regulator featuring all of the functions needed to implement a low cost, efficient, power supply. Capable of driving a 0.5A load over a 9V-42V input voltage range, this device is easy to apply and is provided in the small VSSOP-8 and the thermally enhanced WSON-8 packages. Ultra-fast transient response is achieved through the use of a constant on-time architecture with Vin feed forward. This feature provides an almost constant operating frequency over load and input voltage variations. The operating frequency can be adjusted with a single resistor. This architecture is easy to use and tolerant of component selection. An intelligent current limit is implemented in the LM25007 with forced off time that is inversely proportional to Vout thus ensuring recovery from fault conditions. The output voltage may be set from 2.5V to >30V. To improve efficiency in light load applications, the Vcc pin can be connected to an external voltage source to eliminate the drop through the internal regulator. Additional features include: thermal shutdown, Vcc under-voltage lockout, gate drive under-voltage lockout, and max duty cycle limiter.
The LM25007 is a monolithic step-down switching regulator featuring all of the functions needed to implement a low cost, efficient, power supply. Capable of driving a 0.5A load over a 9V-42V input voltage range, this device is easy to apply and is provided in the small VSSOP-8 and the thermally enhanced WSON-8 packages. Ultra-fast transient response is achieved through the use of a constant on-time architecture with Vin feed forward. This feature provides an almost constant operating frequency over load and input voltage variations. The operating frequency can be adjusted with a single resistor. This architecture is easy to use and tolerant of component selection. An intelligent current limit is implemented in the LM25007 with forced off time that is inversely proportional to Vout thus ensuring recovery from fault conditions. The output voltage may be set from 2.5V to >30V. To improve efficiency in light load applications, the Vcc pin can be connected to an external voltage source to eliminate the drop through the internal regulator. Additional features include: thermal shutdown, Vcc under-voltage lockout, gate drive under-voltage lockout, and max duty cycle limiter. |
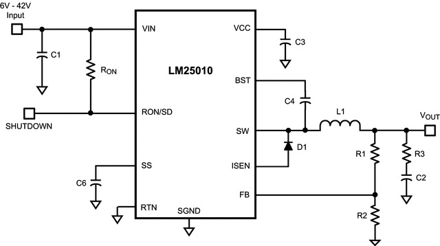
LM25010-Q1Automotive Grade 6-42V Wide Vin, 1A, Constant On-Time Non-Synchronous Buck Regulator | Evaluation Boards | 8 | Active | The LM25010 features all the functions needed to implement a low-cost, efficient, buck regulator capable of supplying in excess of 1-A load current. This high voltage regulator integrates an N-Channel Buck Switch, and is available in thermally enhanced 10-pin WSON and 14-pin HTSSOP packages. The constant ON-time regulation scheme requires no loop compensation resulting in fast load transient response and simplified circuit implementation. The operating frequency remains constant with line and load variations due to the inverse relationship between the input voltage and the ON-time. The valley current limit detection is set at 1.25 A. Additional features include: VCC undervoltage lockout, thermal shutdown, gate drive undervoltage lockout, and maximum duty cycle limiter.
The LM25010 features all the functions needed to implement a low-cost, efficient, buck regulator capable of supplying in excess of 1-A load current. This high voltage regulator integrates an N-Channel Buck Switch, and is available in thermally enhanced 10-pin WSON and 14-pin HTSSOP packages. The constant ON-time regulation scheme requires no loop compensation resulting in fast load transient response and simplified circuit implementation. The operating frequency remains constant with line and load variations due to the inverse relationship between the input voltage and the ON-time. The valley current limit detection is set at 1.25 A. Additional features include: VCC undervoltage lockout, thermal shutdown, gate drive undervoltage lockout, and maximum duty cycle limiter. |
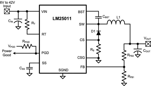
LM25011-Q1Automotive 6-42V Wide Vin, 2A Constant-On Time Non-Synchronous Buck Regulator w/ Adj Current Limit | DC/DC & AC/DC (Off-Line) SMPS Evaluation Boards | 6 | Active | The LM25011 constant on-time step-down switching regulator features all the functions needed to implement a low-cost, efficient, buck bias regulator capable of supplying up to 2 A of load current. This high-voltage regulator contains an N-Channel Buck switch, a startup regulator, current limit detection, and internal ripple control. The constant on-time regulation principle requires no loop compensation, results in fast load transient response, and simplifies circuit implementation. The operating frequency remains constant with line and load. The adjustable valley current limit detection results in a smooth transition from constant voltage to constant current mode when current limit is reached, without the use of current limit foldback. The PGD output indicates the output voltage has increased to within 5% of the expected regulation value. Additional features include: Low output ripple, VIN under-voltage lock-out, adjustable soft-start timing, thermal shutdown, gate drive pre-charge, gate drive under-voltage lock-out, and maximum duty cycle limit.
The LM25011A has a shorter minimum off-time than the LM25011, which allows for higher frequency operation at low input voltages.
The LM25011 constant on-time step-down switching regulator features all the functions needed to implement a low-cost, efficient, buck bias regulator capable of supplying up to 2 A of load current. This high-voltage regulator contains an N-Channel Buck switch, a startup regulator, current limit detection, and internal ripple control. The constant on-time regulation principle requires no loop compensation, results in fast load transient response, and simplifies circuit implementation. The operating frequency remains constant with line and load. The adjustable valley current limit detection results in a smooth transition from constant voltage to constant current mode when current limit is reached, without the use of current limit foldback. The PGD output indicates the output voltage has increased to within 5% of the expected regulation value. Additional features include: Low output ripple, VIN under-voltage lock-out, adjustable soft-start timing, thermal shutdown, gate drive pre-charge, gate drive under-voltage lock-out, and maximum duty cycle limit.
The LM25011A has a shorter minimum off-time than the LM25011, which allows for higher frequency operation at low input voltages. |