T
Texas Instruments
| Series | Category | # Parts | Status | Description |
|---|---|---|---|---|
| Part | Spec A | Spec B | Spec C | Spec D | Description |
|---|---|---|---|---|---|
| Series | Category | # Parts | Status | Description |
|---|---|---|---|---|
| Part | Spec A | Spec B | Spec C | Spec D | Description |
|---|---|---|---|---|---|
| Series | Category | # Parts | Status | Description |
|---|---|---|---|---|
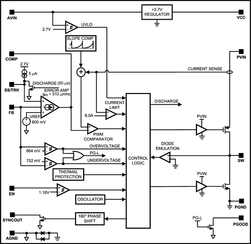
LM201362.95-5.5V, 6A, Current Mode Synchronous Buck Regulator with Input Synchronization | Development Boards, Kits, Programmers | 3 | Active | The LM20136 is a full featured synchronous buck regulator capable of delivering up to 6A of continuous output current. The current mode control loop can be compensated to be stable with virtually any type of output capacitor. For most cases, compensating the device only requires two external components, providing maximum flexibility and ease of use. The device is optimized to work over the input voltage range of 2.95V to 5.5V making it suitable for a wide variety of low voltage systems.
The device features internal over voltage protection (OVP) and over current protection (OCP) circuits for increased system reliability. A precision enable pin and integrated UVLO allows the turn on of the device to be tightly controlled and sequenced. Start-up inrush currents are limited by both an internally fixed and externally adjustable Soft-Start circuit. Fault detection and supply sequencing are possible with the integrated power good circuit.
The switching frequency of the LM20136 can be synchronized to an external clock by use of the SYNC pin. The SYNC pin is capable of synchronizing to input signals ranging from 500 kHz to 1.5 MHz
The LM20136 is designed to work well in multi-rail power supply architectures. The output voltage of the device can be configured to track a higher voltage rail using the SS/TRK pin. If the output of the LM20136 is pre-biased at startup it will not pull the ouput low.
The LM20136 is offered in a 16-pin HTSSOP package with an exposed pad that can be soldered to the PCB, eliminating the need for bulky heatsinks.
The LM20136 is a full featured synchronous buck regulator capable of delivering up to 6A of continuous output current. The current mode control loop can be compensated to be stable with virtually any type of output capacitor. For most cases, compensating the device only requires two external components, providing maximum flexibility and ease of use. The device is optimized to work over the input voltage range of 2.95V to 5.5V making it suitable for a wide variety of low voltage systems.
The device features internal over voltage protection (OVP) and over current protection (OCP) circuits for increased system reliability. A precision enable pin and integrated UVLO allows the turn on of the device to be tightly controlled and sequenced. Start-up inrush currents are limited by both an internally fixed and externally adjustable Soft-Start circuit. Fault detection and supply sequencing are possible with the integrated power good circuit.
The switching frequency of the LM20136 can be synchronized to an external clock by use of the SYNC pin. The SYNC pin is capable of synchronizing to input signals ranging from 500 kHz to 1.5 MHz
The LM20136 is designed to work well in multi-rail power supply architectures. The output voltage of the device can be configured to track a higher voltage rail using the SS/TRK pin. If the output of the LM20136 is pre-biased at startup it will not pull the ouput low.
The LM20136 is offered in a 16-pin HTSSOP package with an exposed pad that can be soldered to the PCB, eliminating the need for bulky heatsinks. |
LM20143-Q1Automotive Grade 2.95-5.5V, 3A, Current Mode Synchronous Buck Regulator with Adjustable Frequency | Development Boards, Kits, Programmers | 6 | Active | The LM20143 devices are full featured PowerWise™ adjustable frequency synchronous buck regulators capable of delivering up to 3 A of continuous output current. The current mode control loop can be compensated to be stable with virtually any type of output capacitor. For most cases, compensating the device only requires two external components, providing maximum flexibility and ease of use. The device is optimized to work over the input voltage range of 2.95 V to 5.5 V, making it suited for a wide variety of low voltage systems.
The device features internal over voltage protection (OVP) and over current protection (OCP) circuits for increased system reliability. A precision enable pin and integrated UVLO allows the turn-on of the device to be tightly controlled and sequenced. Start-up inrush currents are limited by both an internally fixed and externally adjustable Soft-Start circuit. Fault detection and supply sequencing is possible with the integrated power good circuit.
The frequency of this device can be adjusted from 500 kHz to 1.5 MHz by connecting an external resistor from the RT pin to ground.
The LM20143 is designed to work well in multi-rail power supply architectures. The output voltage of the device can be configured to track a higher voltage rail using the SS/TRK pin. If the output of the LM20143 is pre-biased at startup it will not sink current to pull the output low until the internal soft-start ramp exceeds the voltage at the feedback pin.
The LM20143 devices are full featured PowerWise™ adjustable frequency synchronous buck regulators capable of delivering up to 3 A of continuous output current. The current mode control loop can be compensated to be stable with virtually any type of output capacitor. For most cases, compensating the device only requires two external components, providing maximum flexibility and ease of use. The device is optimized to work over the input voltage range of 2.95 V to 5.5 V, making it suited for a wide variety of low voltage systems.
The device features internal over voltage protection (OVP) and over current protection (OCP) circuits for increased system reliability. A precision enable pin and integrated UVLO allows the turn-on of the device to be tightly controlled and sequenced. Start-up inrush currents are limited by both an internally fixed and externally adjustable Soft-Start circuit. Fault detection and supply sequencing is possible with the integrated power good circuit.
The frequency of this device can be adjusted from 500 kHz to 1.5 MHz by connecting an external resistor from the RT pin to ground.
The LM20143 is designed to work well in multi-rail power supply architectures. The output voltage of the device can be configured to track a higher voltage rail using the SS/TRK pin. If the output of the LM20143 is pre-biased at startup it will not sink current to pull the output low until the internal soft-start ramp exceeds the voltage at the feedback pin. |
LM20144-Q1Automotive Grade 2.95-5.5V, 4A, Current Mode Synchronous Buck Regulator with Adjustable Frequency | Power Management (PMIC) | 4 | Active | The LM20144 is a full featured adjustable frequency synchronous buck regulator capable of delivering up to 4A of continuous output current. The current mode control loop can be compensated to be stable with virtually any type of output capacitor. For most cases, compensating the device only requires two external components, providing maximum flexibility and ease of use. The device is optimized to work over the input voltage range of 2.95V to 5.5V making it suited for a wide variety of low voltage systems.
The device features internal over voltage protection (OVP) and over current protection (OCP) circuits for increased system reliability. A precision enable pin and integrated UVLO allows the turn-on of the device to be tightly controlled and sequenced. Start-up inrush currents are limited by both an internally fixed and externally adjustable Soft-Start circuit. Fault detection and supply sequencing is possible with the integrated power good circuit.
The LM20144 is designed to work well in multi-rail power supply architectures. The output voltage of the device can be configured to track a higher voltage rail using the SS/TRK pin. If the output of the LM20144 is pre-biased at startup it will not sink current to pull the output low until the internal soft-start ramp exceeds the voltage at the feedback pin.
The frequency of this device can be adjusted from 500 kHz to 1.5 MHz by connecting an external resistor from the RT pin to ground.
The LM20144 is offered in a 16-pin HTSSOP package with an exposed pad that can be soldered to the PCB, eliminating the need for bulky heatsinks.
The LM20144 is a full featured adjustable frequency synchronous buck regulator capable of delivering up to 4A of continuous output current. The current mode control loop can be compensated to be stable with virtually any type of output capacitor. For most cases, compensating the device only requires two external components, providing maximum flexibility and ease of use. The device is optimized to work over the input voltage range of 2.95V to 5.5V making it suited for a wide variety of low voltage systems.
The device features internal over voltage protection (OVP) and over current protection (OCP) circuits for increased system reliability. A precision enable pin and integrated UVLO allows the turn-on of the device to be tightly controlled and sequenced. Start-up inrush currents are limited by both an internally fixed and externally adjustable Soft-Start circuit. Fault detection and supply sequencing is possible with the integrated power good circuit.
The LM20144 is designed to work well in multi-rail power supply architectures. The output voltage of the device can be configured to track a higher voltage rail using the SS/TRK pin. If the output of the LM20144 is pre-biased at startup it will not sink current to pull the output low until the internal soft-start ramp exceeds the voltage at the feedback pin.
The frequency of this device can be adjusted from 500 kHz to 1.5 MHz by connecting an external resistor from the RT pin to ground.
The LM20144 is offered in a 16-pin HTSSOP package with an exposed pad that can be soldered to the PCB, eliminating the need for bulky heatsinks. |
LM20145-Q1Automotive Grade 2.95-5.5V, 5A, Current Mode Synchronous Buck Regulator with Adjustable Frequency | Development Boards, Kits, Programmers | 7 | Active | The LM20145 is a full featured adjustable frequency synchronous buck regulator capable of delivering up to 5A of continuous output current. The current mode control loop can be compensated to be stable with virtually any type of output capacitor. For most cases, compensating the device only requires two external components, providing maximum flexibility and ease of use. The device is optimized to work over the input voltage range of 2.95V to 5.5V making it suited for a wide variety of low voltage systems.
The device features internal over voltage protection (OVP) and over current protection (OCP) circuits for increased system reliability. A precision enable pin and integrated UVLO allows the turn-on of the device to be tightly controlled and sequenced. Start-up inrush currents are limited by both an internally fixed and externally adjustable Soft-Start circuit. Fault detection and supply sequencing is possible with the integrated power good circuit.
The LM20145 is designed to work well in multi-rail power supply architectures. The output voltage of the device can be configured to track a higher voltage rail using the SS/TRK pin. If the output of the LM20145 is pre-biased at startup it will not sink current to pull the output low until the internal soft-start ramp exceeds the voltage at the feedback pin.
The frequency of this device can be adjusted from 250 kHz to 750 kHz by connecting an external resistor from the RT pin to ground.
The LM20145 is offered in a 16-pin HTSSOP package with an exposed pad that can be soldered to the PCB, eliminating the need for bulky heatsinks.
The LM20145 is a full featured adjustable frequency synchronous buck regulator capable of delivering up to 5A of continuous output current. The current mode control loop can be compensated to be stable with virtually any type of output capacitor. For most cases, compensating the device only requires two external components, providing maximum flexibility and ease of use. The device is optimized to work over the input voltage range of 2.95V to 5.5V making it suited for a wide variety of low voltage systems.
The device features internal over voltage protection (OVP) and over current protection (OCP) circuits for increased system reliability. A precision enable pin and integrated UVLO allows the turn-on of the device to be tightly controlled and sequenced. Start-up inrush currents are limited by both an internally fixed and externally adjustable Soft-Start circuit. Fault detection and supply sequencing is possible with the integrated power good circuit.
The LM20145 is designed to work well in multi-rail power supply architectures. The output voltage of the device can be configured to track a higher voltage rail using the SS/TRK pin. If the output of the LM20145 is pre-biased at startup it will not sink current to pull the output low until the internal soft-start ramp exceeds the voltage at the feedback pin.
The frequency of this device can be adjusted from 250 kHz to 750 kHz by connecting an external resistor from the RT pin to ground.
The LM20145 is offered in a 16-pin HTSSOP package with an exposed pad that can be soldered to the PCB, eliminating the need for bulky heatsinks. |
LM201466A, Adjustable Frequency Synchronous Buck Regulator | Integrated Circuits (ICs) | 2 | Active | The LM20146 is a full featured adjustable frequency synchronous buck regulator capable of delivering up to 6A of continuous output current. The current mode control loop can be compensated to be stable with virtually any type of output capacitor. For most cases, compensating the device only requires two external components, providing maximum flexibility and ease of use. The device is optimized to work over the input voltage range of 2.95V to 5.5V making it suitable for a wide variety of low voltage systems.
The device features internal over voltage protection (OVP) and over current protection (OCP) circuits for increased system reliability. A precision enable pin and integrated UVLO allows the turn-on of the device to be tightly controlled and sequenced. Start-up inrush currents are limited by both an internally fixed and externally adjustable Soft-Start circuit. Fault detection and supply sequencing are possible with the integrated power good circuit.
The LM20146 is designed to work well in multi-rail power supply architectures. The output voltage of the device can be configured to track a higher voltage rail using the SS/TRK pin. If the output of the LM20146 is pre-biased at startup it will not pull the ouput low.
The frequency of this device can be adjusted from 250 kHz to 750 kHz by connecting an external resistor from the RT pin to ground.
The LM20146 is offered in a 16-pin HTSSOP package with an exposed pad that can be soldered to the PCB, eliminating the need for bulky heatsinks.
The LM20146 is a full featured adjustable frequency synchronous buck regulator capable of delivering up to 6A of continuous output current. The current mode control loop can be compensated to be stable with virtually any type of output capacitor. For most cases, compensating the device only requires two external components, providing maximum flexibility and ease of use. The device is optimized to work over the input voltage range of 2.95V to 5.5V making it suitable for a wide variety of low voltage systems.
The device features internal over voltage protection (OVP) and over current protection (OCP) circuits for increased system reliability. A precision enable pin and integrated UVLO allows the turn-on of the device to be tightly controlled and sequenced. Start-up inrush currents are limited by both an internally fixed and externally adjustable Soft-Start circuit. Fault detection and supply sequencing are possible with the integrated power good circuit.
The LM20146 is designed to work well in multi-rail power supply architectures. The output voltage of the device can be configured to track a higher voltage rail using the SS/TRK pin. If the output of the LM20146 is pre-biased at startup it will not pull the ouput low.
The frequency of this device can be adjusted from 250 kHz to 750 kHz by connecting an external resistor from the RT pin to ground.
The LM20146 is offered in a 16-pin HTSSOP package with an exposed pad that can be soldered to the PCB, eliminating the need for bulky heatsinks. |
LM201544A, 1MHz Synchronous Buck Regulator with SYNCOUT | Power Management (PMIC) | 2 | Active | The LM20154 is a full featured 1 MHz synchronous buck regulator capable of delivering up to 4A of continuous output current. The current mode control loop can be compensated to be stable with virtually any type of output capacitor. For most cases, compensating the device only requires two external components, providing maximum flexibility and ease of use. The device is optimized to work over the input voltage range of 2.95V to 5.5V making it suited for a wide variety of low voltage systems.
The device features internal over voltage protection (OVP) and over current protection (OCP) circuits for increased system reliability. A precision enable pin and integrated UVLO allows the turn on of the device to be tightly controlled and sequenced. Start-up inrush currents are limited by both an internally fixed and externally adjustable Soft-Start circuit. Fault detection and supply sequencing is possible with the integrated power good circuit.
The LM20154 features an open drain SYNCOUT pin which provides an external clock that matches the switching frequency of the device but is shifted by 180 degrees.
The LM20154 is designed to work well in multi-rail power supply architectures. The output voltage of the device can be configured to track a higher voltage rail using the SS/TRK pin. If the output of the LM20154 is pre-biased at startup it will not sink current to pull the output low until the internal soft-start ramp exceeds the voltage at the feedback pin.
The LM20154 is offered in an exposed pad 16-pin HTSSOP package that can be soldered to the PCB, eliminating the need for bulky heatsinks.
The LM20154 is a full featured 1 MHz synchronous buck regulator capable of delivering up to 4A of continuous output current. The current mode control loop can be compensated to be stable with virtually any type of output capacitor. For most cases, compensating the device only requires two external components, providing maximum flexibility and ease of use. The device is optimized to work over the input voltage range of 2.95V to 5.5V making it suited for a wide variety of low voltage systems.
The device features internal over voltage protection (OVP) and over current protection (OCP) circuits for increased system reliability. A precision enable pin and integrated UVLO allows the turn on of the device to be tightly controlled and sequenced. Start-up inrush currents are limited by both an internally fixed and externally adjustable Soft-Start circuit. Fault detection and supply sequencing is possible with the integrated power good circuit.
The LM20154 features an open drain SYNCOUT pin which provides an external clock that matches the switching frequency of the device but is shifted by 180 degrees.
The LM20154 is designed to work well in multi-rail power supply architectures. The output voltage of the device can be configured to track a higher voltage rail using the SS/TRK pin. If the output of the LM20154 is pre-biased at startup it will not sink current to pull the output low until the internal soft-start ramp exceeds the voltage at the feedback pin.
The LM20154 is offered in an exposed pad 16-pin HTSSOP package that can be soldered to the PCB, eliminating the need for bulky heatsinks. |
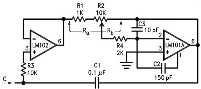
LM201A-NOperational Amplifier | Linear | 2 | Active | The LM101A series are general purpose operational amplifiers which feature improved performance over industry standards like the LM709. Advanced processing techniques make possible an order of magnitude reduction in input currents, and a redesign of the biasing circuitry reduces the temperature drift of input current.
This amplifier offers many features which make its application nearly foolproof: Overload protection on the input and output, no latch-up when the common mode range is exceeded, and freedom from oscillations and compensation with a single 30 pF Capacitor. It has advantages over internally compensated amplifiers in that the frequency compensation can be tailored to the particular application. For example, in low frequency circuits it can be overcompensated for increased stability margin or the compensation can be optimized to give more than a factor of ten improvement in high frequency performance for most applications.
In Addition, the device provides better accuracy and lower noise in high impedance circuitry. The low input currents also make it particularly well suited for long interval integrators or timers, sample and hold circuits and low frequency waveform generators. Further, replacing circuits where matched transistor pairs buffer the inputs of conventional IC op amps, It can give lower offset voltage and a drift at a lower cost.
The LM101A is ensured over a temperature range of −55°C to +125°C, the LM201A from −25°C to +85°C, and the LM301A from 0°C to +70°C.
The LM101A series are general purpose operational amplifiers which feature improved performance over industry standards like the LM709. Advanced processing techniques make possible an order of magnitude reduction in input currents, and a redesign of the biasing circuitry reduces the temperature drift of input current.
This amplifier offers many features which make its application nearly foolproof: Overload protection on the input and output, no latch-up when the common mode range is exceeded, and freedom from oscillations and compensation with a single 30 pF Capacitor. It has advantages over internally compensated amplifiers in that the frequency compensation can be tailored to the particular application. For example, in low frequency circuits it can be overcompensated for increased stability margin or the compensation can be optimized to give more than a factor of ten improvement in high frequency performance for most applications.
In Addition, the device provides better accuracy and lower noise in high impedance circuitry. The low input currents also make it particularly well suited for long interval integrators or timers, sample and hold circuits and low frequency waveform generators. Further, replacing circuits where matched transistor pairs buffer the inputs of conventional IC op amps, It can give lower offset voltage and a drift at a lower cost.
The LM101A is ensured over a temperature range of −55°C to +125°C, the LM201A from −25°C to +85°C, and the LM301A from 0°C to +70°C. |
| Power Management (PMIC) | 4 | Active | ||
LM203234.5-36V, 3A Current Mode Synchronous Buck Regulator | DC/DC & AC/DC (Off-Line) SMPS Evaluation Boards | 4 | Active | The LM20323 is a full featured 500kHz synchronous buck regulator capable of delivering up to 3A of load current. The current mode control loop is externally compensated with only two components, offering both high performance and ease of use. The device is optimized to work over the input voltage range of 4.5V to 36V making it well suited for high voltage systems.
The device features internal Over Voltage Protection (OVP) and Over Current Protection (OCP) circuits for increased system reliability. A precision Enable pin and integrated UVLO allows the turn-on of the device to be tightly controlled and sequenced. Startup inrush currents are limited by both an internally fixed and externally adjustable soft-start circuit. Fault detection and supply sequencing are possible with the integrated power good (PGOOD) circuit.
The LM20323 is designed to work well in multi-rail power supply architectures. The output voltage of the device can be configured to track a higher voltage rail using the SS/TRK pin. If the output of the LM20323 is pre-biased at startup it will not sink current to pull the output low until the internal soft-start ramp exceeds the voltage at the feedback pin.
The LM20323 is offered in an exposed pad 20-pin HTSSOP package that can be soldered to the PCB, eliminating the need for bulky heatsinks.
The LM20323 is a full featured 500kHz synchronous buck regulator capable of delivering up to 3A of load current. The current mode control loop is externally compensated with only two components, offering both high performance and ease of use. The device is optimized to work over the input voltage range of 4.5V to 36V making it well suited for high voltage systems.
The device features internal Over Voltage Protection (OVP) and Over Current Protection (OCP) circuits for increased system reliability. A precision Enable pin and integrated UVLO allows the turn-on of the device to be tightly controlled and sequenced. Startup inrush currents are limited by both an internally fixed and externally adjustable soft-start circuit. Fault detection and supply sequencing are possible with the integrated power good (PGOOD) circuit.
The LM20323 is designed to work well in multi-rail power supply architectures. The output voltage of the device can be configured to track a higher voltage rail using the SS/TRK pin. If the output of the LM20323 is pre-biased at startup it will not sink current to pull the output low until the internal soft-start ramp exceeds the voltage at the feedback pin.
The LM20323 is offered in an exposed pad 20-pin HTSSOP package that can be soldered to the PCB, eliminating the need for bulky heatsinks. |
LM203334.5-36V, 3A Current Mode Synchronous Buck Regulator with Frequency Synchronization | Development Boards, Kits, Programmers | 4 | Active | The LM20333 is a full featured synchronous buck regulator capable of delivering up to 3A of load current. The current mode control loop is externally compensated with only two components, offering both high performance and ease of use. The device is optimized to work over the input voltage range of 4.5V to 36V making it well suited for high voltage systems.
The device features internal Over Voltage Protection (OVP) and Over Current Protection (OCP) circuits for increased system reliability. A precision Enable pin and integrated UVLO allows the turn on of the device to be tightly controlled and sequenced. Startup inrush currents are limited by both an internally fixed and externally adjustable soft-start circuit. Fault detection and supply sequencing are possible with the integrated power good (PGOOD) circuit.
The LM20333 is designed to work well in multi-rail power supply architectures. The output voltage of the device can be configured to track a higher voltage rail using the SS/TRK pin. If the output of the LM20333 is pre-biased at startup it will not sink current to pull the output low until the internal soft-start ramp exceeds the voltage at the feedback pin.
The switching frequency of the LM20333 can be synchronized to an external clock by use of the SYNC pin. The SYNC pin is capable of synchronizing to input signals ranging from 250 kHz to 1.5 MHz.
The LM20333 is offered in an exposed pad 20-pin HTSSOP package that can be soldered to the PCB, eliminating the need for bulky heatsinks.
The LM20333 is a full featured synchronous buck regulator capable of delivering up to 3A of load current. The current mode control loop is externally compensated with only two components, offering both high performance and ease of use. The device is optimized to work over the input voltage range of 4.5V to 36V making it well suited for high voltage systems.
The device features internal Over Voltage Protection (OVP) and Over Current Protection (OCP) circuits for increased system reliability. A precision Enable pin and integrated UVLO allows the turn on of the device to be tightly controlled and sequenced. Startup inrush currents are limited by both an internally fixed and externally adjustable soft-start circuit. Fault detection and supply sequencing are possible with the integrated power good (PGOOD) circuit.
The LM20333 is designed to work well in multi-rail power supply architectures. The output voltage of the device can be configured to track a higher voltage rail using the SS/TRK pin. If the output of the LM20333 is pre-biased at startup it will not sink current to pull the output low until the internal soft-start ramp exceeds the voltage at the feedback pin.
The switching frequency of the LM20333 can be synchronized to an external clock by use of the SYNC pin. The SYNC pin is capable of synchronizing to input signals ranging from 250 kHz to 1.5 MHz.
The LM20333 is offered in an exposed pad 20-pin HTSSOP package that can be soldered to the PCB, eliminating the need for bulky heatsinks. |
| Part | Category | Description |
|---|---|---|
Texas Instruments | Integrated Circuits (ICs) | BUS DRIVER, BCT/FBT SERIES |
Texas Instruments | Integrated Circuits (ICs) | 12BIT 3.3V~3.6V 210MHZ PARALLEL VQFN-48-EP(7X7) ANALOG TO DIGITAL CONVERTERS (ADC) ROHS |
Texas Instruments | Integrated Circuits (ICs) | TMX320DRE311 179PIN UBGA 200MHZ |
Texas Instruments TPS61040DRVTG4Unknown | Integrated Circuits (ICs) | IC LED DRV RGLTR PWM 350MA 6WSON |
Texas Instruments LP3876ET-2.5Obsolete | Integrated Circuits (ICs) | IC REG LINEAR 2.5V 3A TO220-5 |
Texas Instruments LMS1585ACSX-ADJObsolete | Integrated Circuits (ICs) | IC REG LIN POS ADJ 5A DDPAK |
Texas Instruments INA111APG4Obsolete | Integrated Circuits (ICs) | IC INST AMP 1 CIRCUIT 8DIP |
Texas Instruments | Integrated Circuits (ICs) | AUTOMOTIVE, QUAD 36V 1.2MHZ OPERATIONAL AMPLIFIER |
Texas Instruments OPA340NA/3KG4Unknown | Integrated Circuits (ICs) | IC OPAMP GP 1 CIRCUIT SOT23-5 |
Texas Instruments PT5112AObsolete | Power Supplies - Board Mount | DC DC CONVERTER 8V 8W |