T
Texas Instruments
| Series | Category | # Parts | Status | Description |
|---|---|---|---|---|
| Part | Spec A | Spec B | Spec C | Spec D | Description |
|---|---|---|---|---|---|
| Series | Category | # Parts | Status | Description |
|---|---|---|---|---|
| Part | Spec A | Spec B | Spec C | Spec D | Description |
|---|---|---|---|---|---|
| Part | Category | Description |
|---|---|---|
Texas Instruments | Integrated Circuits (ICs) | BUS DRIVER, BCT/FBT SERIES |
Texas Instruments | Integrated Circuits (ICs) | 12BIT 3.3V~3.6V 210MHZ PARALLEL VQFN-48-EP(7X7) ANALOG TO DIGITAL CONVERTERS (ADC) ROHS |
Texas Instruments | Integrated Circuits (ICs) | TMX320DRE311 179PIN UBGA 200MHZ |
Texas Instruments TPS61040DRVTG4Unknown | Integrated Circuits (ICs) | IC LED DRV RGLTR PWM 350MA 6WSON |
Texas Instruments LP3876ET-2.5Obsolete | Integrated Circuits (ICs) | IC REG LINEAR 2.5V 3A TO220-5 |
Texas Instruments LMS1585ACSX-ADJObsolete | Integrated Circuits (ICs) | IC REG LIN POS ADJ 5A DDPAK |
Texas Instruments INA111APG4Obsolete | Integrated Circuits (ICs) | IC INST AMP 1 CIRCUIT 8DIP |
Texas Instruments | Integrated Circuits (ICs) | AUTOMOTIVE, QUAD 36V 1.2MHZ OPERATIONAL AMPLIFIER |
Texas Instruments OPA340NA/3KG4Unknown | Integrated Circuits (ICs) | IC OPAMP GP 1 CIRCUIT SOT23-5 |
Texas Instruments PT5112AObsolete | Power Supplies - Board Mount | DC DC CONVERTER 8V 8W |
| Series | Category | # Parts | Status | Description |
|---|---|---|---|---|
DAC5311-Q1Automotive 8bit, Single Channel, 80uA, 1.8V-5.5V DAC | Integrated Circuits (ICs) | 3 | Active | The DAC5311 is an 8-bit, low-power, single-channel, voltage output, digital-to-analog converters (DAC). It is monotonic by design and provides excellent linearity and minimizes undesired code-to-code transient voltages while offering an easy upgrade path within a pin-compatible family. The device uses a versatile, 3-wire serial interface that operates at clock rates of up to 50 MHz and is compatible with standard SPI, QSPI, MICROWIRE, and digital signal processor (DSP) interfaces.
DAC5311 uses an external power supply as a reference voltage to set the output range. The devices incorporate a power-on reset (POR) circuit that ensures the DAC output powers up at 0 V and remains there until a valid write to the device occurs. It contains a power-down feature, accessed over the serial interface, that reduces current consumption of the device to 0.1 µA at 1.8 V in power-down mode. The low power consumption of this part in normal operation makes it ideally suited for portable battery-operated equipment. The power consumption is 0.55 mW at 5 V, reducing to 2.5 µW in power-down mode.
DAC5311 is pin-compatible with the DAC8311 and DAC8411, offering an easy upgrade path from 8-bit resolution to 14- and 16-bit resolution. The device is available in a small 6-pin SC70 package. This package offers a flexible solution over the automotive temperature range of–40°C to 85°C.
The DAC5311 is an 8-bit, low-power, single-channel, voltage output, digital-to-analog converters (DAC). It is monotonic by design and provides excellent linearity and minimizes undesired code-to-code transient voltages while offering an easy upgrade path within a pin-compatible family. The device uses a versatile, 3-wire serial interface that operates at clock rates of up to 50 MHz and is compatible with standard SPI, QSPI, MICROWIRE, and digital signal processor (DSP) interfaces.
DAC5311 uses an external power supply as a reference voltage to set the output range. The devices incorporate a power-on reset (POR) circuit that ensures the DAC output powers up at 0 V and remains there until a valid write to the device occurs. It contains a power-down feature, accessed over the serial interface, that reduces current consumption of the device to 0.1 µA at 1.8 V in power-down mode. The low power consumption of this part in normal operation makes it ideally suited for portable battery-operated equipment. The power consumption is 0.55 mW at 5 V, reducing to 2.5 µW in power-down mode.
DAC5311 is pin-compatible with the DAC8311 and DAC8411, offering an easy upgrade path from 8-bit resolution to 14- and 16-bit resolution. The device is available in a small 6-pin SC70 package. This package offers a flexible solution over the automotive temperature range of–40°C to 85°C. |
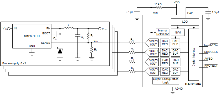
DAC5320410-bit 4-channel voltage/current output smart DAC with Hi-Z, EEPROM and waveform generator | Integrated Circuits (ICs) | 2 | Active | The 12-bit DAC63204, 10-bit DAC53204, and 8-bit DAC43204 ( DACx3204) are a pin-compatible family of quad-channel, buffered, voltage-output and current-output smart digital-to-analog converters (DACs). These DACx3204 support Hi-Z power-down mode and Hi-Z output during power-off condition. The DAC outputs provide a force-sense option for use as a programmable comparator and current sink. The multifunction GPIO, function generation, and NVM enable these smart DACs for processor-less applications and design reuse. These devices automatically detect I2C, PMBus, and SPI interfaces and contain an internal reference.
The feature set combined with the tiny package and low power make these smart DACs an excellent choice for applications such as voltage margining and scaling, dc set-point for biasing and calibration, and waveform generation.
The 12-bit DAC63204, 10-bit DAC53204, and 8-bit DAC43204 ( DACx3204) are a pin-compatible family of quad-channel, buffered, voltage-output and current-output smart digital-to-analog converters (DACs). These DACx3204 support Hi-Z power-down mode and Hi-Z output during power-off condition. The DAC outputs provide a force-sense option for use as a programmable comparator and current sink. The multifunction GPIO, function generation, and NVM enable these smart DACs for processor-less applications and design reuse. These devices automatically detect I2C, PMBus, and SPI interfaces and contain an internal reference.
The feature set combined with the tiny package and low power make these smart DACs an excellent choice for applications such as voltage margining and scaling, dc set-point for biasing and calibration, and waveform generation. |
DAC53204-Q1Automotive, 10-bit 4-channel voltage/current output smart DAC with Hi-Z, EEPROM, waveform generator | Integrated Circuits (ICs) | 1 | Active | The 12-bit DAC63204‑Q1 and 10-bit DAC53204‑Q1 ( DACx3204‑Q1) are a pin-compatible family of automotive, quad-channel, buffered, voltage-output and current-output smart digital-to-analog converters (DACs). The DACx3204‑Q1 devices support Hi-Z power-down mode and Hi-Z output during power-off condition. The DAC outputs provide a force-sense option for use as a programmable comparator and current sink. The multifunction GPIO, function generation, and NVM enable these smart DACs for processor-less applications and design reuse. These devices automatically detect I 2C, PMBus, and SPI and contain an internal reference.
The feature set combined with the tiny package and low power make these DACx3204‑Q1 smart DACs an excellent choice for applications such as voltage margining and scaling, dc set-point for biasing and calibration, and waveform generation.
The 12-bit DAC63204‑Q1 and 10-bit DAC53204‑Q1 ( DACx3204‑Q1) are a pin-compatible family of automotive, quad-channel, buffered, voltage-output and current-output smart digital-to-analog converters (DACs). The DACx3204‑Q1 devices support Hi-Z power-down mode and Hi-Z output during power-off condition. The DAC outputs provide a force-sense option for use as a programmable comparator and current sink. The multifunction GPIO, function generation, and NVM enable these smart DACs for processor-less applications and design reuse. These devices automatically detect I 2C, PMBus, and SPI and contain an internal reference.
The feature set combined with the tiny package and low power make these DACx3204‑Q1 smart DACs an excellent choice for applications such as voltage margining and scaling, dc set-point for biasing and calibration, and waveform generation. |
DAC53204W10-bit 4-channel voltage/current output smart DAC with Hi-Z, EEPROM and waveform generator in WCSP | Digital to Analog Converters (DAC) | 1 | Active | The 12-bit DAC63204W and 10-bit DAC53204W ( DACx3204W) are a pin-compatible family of quad-channel, buffered, voltage-output and current-output smart digital-to-analog converters (DACs). These devices support Hi-Z power-down mode and Hi-Z output during power-off condition. The DAC outputs provide a force-sense option for use as a programmable comparator and current source or sink. The multifunction GPIO, function generation, and NVM enable these smart DACs for processor-less applications and design reuse. These devices automatically detect I2C, SPI, and PMBus interfaces, and contain an internal reference.
The feature set combined with the tiny package and low power make these smart DACs an excellent choice for applications such as voltage margining and scaling, dc set-point for biasing and calibration, and waveform generation.
The 12-bit DAC63204W and 10-bit DAC53204W ( DACx3204W) are a pin-compatible family of quad-channel, buffered, voltage-output and current-output smart digital-to-analog converters (DACs). These devices support Hi-Z power-down mode and Hi-Z output during power-off condition. The DAC outputs provide a force-sense option for use as a programmable comparator and current source or sink. The multifunction GPIO, function generation, and NVM enable these smart DACs for processor-less applications and design reuse. These devices automatically detect I2C, SPI, and PMBus interfaces, and contain an internal reference.
The feature set combined with the tiny package and low power make these smart DACs an excellent choice for applications such as voltage margining and scaling, dc set-point for biasing and calibration, and waveform generation. |
DAC532A3W10-bit 300-mA current-source DAC with 10-bit voltage-output DAC, supervisor comparator, NVM and GPI | Integrated Circuits (ICs) | 1 | Active | The three-channel DAC532A3W and the dual-channel DAC530A2W ( DAC53xAxW) are 10-bit, buffered voltage-output and current-output smart digital-to-analog-converters (DAC). The DAC53xAxW devices support a current source that can be used for linear control of laser diodes and miniature motors. These devices support Hi-Z power-down mode and Hi-Z output during power-off conditions for voltage output. Channel 1 can be configured as a voltage-output DAC or a comparator. The voltage-output DACs provide a force-sense option for use as a programmable comparator and current sink. The multifunction GPIO, function generation, and programmable nonvolatile memory (NVM) enable these smart DACs for processor-less applications and design reuse. These devices automatically detect SPI or I 2C interfaces and contain an internal reference.
The DAC53xAxW feature set combined with the tiny package and low power make these smart DACs an excellent choice for applications such as laser diode power control and voice-coil motor (VCM) control in camera lens auto focus and zoom applications.
The three-channel DAC532A3W and the dual-channel DAC530A2W ( DAC53xAxW) are 10-bit, buffered voltage-output and current-output smart digital-to-analog-converters (DAC). The DAC53xAxW devices support a current source that can be used for linear control of laser diodes and miniature motors. These devices support Hi-Z power-down mode and Hi-Z output during power-off conditions for voltage output. Channel 1 can be configured as a voltage-output DAC or a comparator. The voltage-output DACs provide a force-sense option for use as a programmable comparator and current sink. The multifunction GPIO, function generation, and programmable nonvolatile memory (NVM) enable these smart DACs for processor-less applications and design reuse. These devices automatically detect SPI or I 2C interfaces and contain an internal reference.
The DAC53xAxW feature set combined with the tiny package and low power make these smart DACs an excellent choice for applications such as laser diode power control and voice-coil motor (VCM) control in camera lens auto focus and zoom applications. |
DAC53401-Q1Automotive, 10-bit 1-channel VOUT smart DAC with Hi-Z, EEPROM, waveform generator and comparator | Integrated Circuits (ICs) | 2 | Active | The 10-bit DAC53401-Q1 and 8-bit DAC43401-Q1 (DACx3401-Q1) are a pin-compatible family of automotive, buffered, voltage-output, smart digital-to-analog converters (DACs). These devices consume very low power, and are available in a tiny 8-pin WSON package. The feature set, combined with the tiny package and low power, make the DACx3401-Q1 an excellent choice for applications such as LED and general-purpose bias point generation, power supply control, and PWM signal generation.
These devices have nonvolatile memory (NVM), an internal reference, and a PMBus-compatible I2C interface. The DACx3401-Q1 operates with either an internal reference or the power supply as a reference, and provides full-scale output of 1.8 V to 5.5 V. The devices communicate through the I2C interface. These devices support I2C standard mode, fast mode, and fast mode plus.
The DACx3401-Q1 are smart DAC devices because of their advanced integrated features. The force-sense output, PWM output, and NVM capabilities of these smart DACs enable system performance and control without the use of software.
The 10-bit DAC53401-Q1 and 8-bit DAC43401-Q1 (DACx3401-Q1) are a pin-compatible family of automotive, buffered, voltage-output, smart digital-to-analog converters (DACs). These devices consume very low power, and are available in a tiny 8-pin WSON package. The feature set, combined with the tiny package and low power, make the DACx3401-Q1 an excellent choice for applications such as LED and general-purpose bias point generation, power supply control, and PWM signal generation.
These devices have nonvolatile memory (NVM), an internal reference, and a PMBus-compatible I2C interface. The DACx3401-Q1 operates with either an internal reference or the power supply as a reference, and provides full-scale output of 1.8 V to 5.5 V. The devices communicate through the I2C interface. These devices support I2C standard mode, fast mode, and fast mode plus.
The DACx3401-Q1 are smart DAC devices because of their advanced integrated features. The force-sense output, PWM output, and NVM capabilities of these smart DACs enable system performance and control without the use of software. |
DAC53508Octal, 10-bit, buffered-voltage-output DAC with SPI | Digital to Analog Converters (DAC) | 2 | Active | The 8-bit DAC43508, 10-bit DAC53508, and 12-bit DAC63508 (DACx3508) are low-power, eight-channel, voltage-output, digital-to-analog converters (DACs). The DACx3508 are specified monotonic by design across a wide power supply range from 1.8V to 5.5V. Using an external reference, the DACx3508 provides a full-scale output voltage range of 1.8V to 5.5V while consuming 0.1mA quiescent current per channel. The DACx3508 also includes per channel, user programmable, power down registers. These registers facilitate the DAC output buffers to start in a 10kΩ-AGND power-down state, and remain in this state until a power-up command is issued to these output buffers.
Low quiescent current, wide power-supply range, octal channel, and a per-channel power-down option make the DACx3508 an excellent choice for high-density, low-power, battery-operated systems.
The devices communicate through the 3-wire (write-only) serial peripheral interface (SPI). These devices also have a load DAC (LDAC) and clear (CLR) inputs.
The 8-bit DAC43508, 10-bit DAC53508, and 12-bit DAC63508 (DACx3508) are low-power, eight-channel, voltage-output, digital-to-analog converters (DACs). The DACx3508 are specified monotonic by design across a wide power supply range from 1.8V to 5.5V. Using an external reference, the DACx3508 provides a full-scale output voltage range of 1.8V to 5.5V while consuming 0.1mA quiescent current per channel. The DACx3508 also includes per channel, user programmable, power down registers. These registers facilitate the DAC output buffers to start in a 10kΩ-AGND power-down state, and remain in this state until a power-up command is issued to these output buffers.
Low quiescent current, wide power-supply range, octal channel, and a per-channel power-down option make the DACx3508 an excellent choice for high-density, low-power, battery-operated systems.
The devices communicate through the 3-wire (write-only) serial peripheral interface (SPI). These devices also have a load DAC (LDAC) and clear (CLR) inputs. |
DAC5360810-Bit, 8-channel, I2C, voltage output DAC in tiny QFN package | Digital to Analog Converters (DACs) Evaluation Boards | 2 | Active | The DAC53608 and DAC43608 (DACx3608) are low-power, eight-channel, voltage-output, 10-bit or 8-bit digital-to-analog converters (DACs) respectively. The DACx3608 are specified monotonic by design across a wide power supply range from 1.8 V to 5.5 V. Using an external reference, the DACx3608 provides a full scale output voltage range of 1.8 V to 5.5 V while consuming 0.1-mA quiescent current per channel. The DACx3608 also includes per channel, user programmable, power down registers. These registers facilitate the DAC output buffers to start in a power down to 10K state and remain in this state until a power up command is issued to these output buffers.
Low quiescent current, wide power supply range, and per channel power down option makes DACx3608 ideal for low power, battery operated systems.
The devices communicate through the I2CTMinterface. These devices support I2CTMstandard mode (100 kbps), fast mode (400 kbps), and fast+ mode (1 Mbps). These devices also have a load DAC (LDAC) pin that allows simultaneous DAC updates.
The DACx3608 are available in small 3-mm × 3-mm, 16-pin WQFN package. The devices are fully specified over the extended industrial temperature range of –40°C to +125°C.
The DAC53608 and DAC43608 (DACx3608) are low-power, eight-channel, voltage-output, 10-bit or 8-bit digital-to-analog converters (DACs) respectively. The DACx3608 are specified monotonic by design across a wide power supply range from 1.8 V to 5.5 V. Using an external reference, the DACx3608 provides a full scale output voltage range of 1.8 V to 5.5 V while consuming 0.1-mA quiescent current per channel. The DACx3608 also includes per channel, user programmable, power down registers. These registers facilitate the DAC output buffers to start in a power down to 10K state and remain in this state until a power up command is issued to these output buffers.
Low quiescent current, wide power supply range, and per channel power down option makes DACx3608 ideal for low power, battery operated systems.
The devices communicate through the I2CTMinterface. These devices support I2CTMstandard mode (100 kbps), fast mode (400 kbps), and fast+ mode (1 Mbps). These devices also have a load DAC (LDAC) pin that allows simultaneous DAC updates.
The DACx3608 are available in small 3-mm × 3-mm, 16-pin WQFN package. The devices are fully specified over the extended industrial temperature range of –40°C to +125°C. |
DAC5370110-bit 1-channel voltage-output smart DAC with Hi-Z, EEPROM, waveform generator, comparator, GPIO | Integrated Circuits (ICs) | 1 | Active | The 10-bit DAC53701 and 8-bit DAC43701 (DACx3701) are a pin-compatible family of buffered voltage-output smart digital-to-analog converters (DACs). These devices consume very low power, and are available in a tiny 8-pin WSON package. The feature set combined with the tiny package and low power make the DACx3701 an excellent choice for applications such as appliance door fade-in fade-out, processorless LED dimming with PWM input, general-purpose bias point generation, voltage margining and scaling, PWM signal generation, and medical alarm tone generation.
These devices have nonvolatile memory (NVM), an internal reference, a PMBus-compatible I2C interface, and a general-purpose input. The DACx3701 operates with either an internal reference or with the power supply as a reference, and provides a full-scale output of 1.8 V to 5.5 V.
The DACx3701 are smart DAC devices because of their advanced integrated features. With force-sense output, GPI based function trigger, medical alarm, PWM output, and NVM capabilities, smart DACs enable system performance and control without the use of software.
The 10-bit DAC53701 and 8-bit DAC43701 (DACx3701) are a pin-compatible family of buffered voltage-output smart digital-to-analog converters (DACs). These devices consume very low power, and are available in a tiny 8-pin WSON package. The feature set combined with the tiny package and low power make the DACx3701 an excellent choice for applications such as appliance door fade-in fade-out, processorless LED dimming with PWM input, general-purpose bias point generation, voltage margining and scaling, PWM signal generation, and medical alarm tone generation.
These devices have nonvolatile memory (NVM), an internal reference, a PMBus-compatible I2C interface, and a general-purpose input. The DACx3701 operates with either an internal reference or with the power supply as a reference, and provides a full-scale output of 1.8 V to 5.5 V.
The DACx3701 are smart DAC devices because of their advanced integrated features. With force-sense output, GPI based function trigger, medical alarm, PWM output, and NVM capabilities, smart DACs enable system performance and control without the use of software. |
DAC53701-Q1Automotive, 10-bit 1-channel VOUT smart DAC with Hi-Z, EEPROM, waveform generator, comparator, GPIO | Digital to Analog Converters (DAC) | 1 | Active | The automotive-grade 10-bit DAC53701-Q1 and 8-bit DAC43701-Q1 (DACx3701-Q1) are a pin-compatible family of buffered voltage-output smart digital-to-analog converters (DACs). These devices consume very low power, and are available in a tiny 8-pin WSON package. The feature set combined with the tiny package and low power make the DACx3701-Q1 an excellent choice for applications such as automotive tail plus brake light, license plate light fade-in fade-out, and PWM expansion for interior light.
These devices have nonvolatile memory (NVM), an internal reference, a PMBus-compatible I 2C interface, and a general-purpose input. The DACx3701-Q1 operates with either an internal reference or with the power supply as a reference, and provides a full-scale output of 1.8 V to 5.5 V.
The DACx3701-Q1 are smart DAC devices because of the advanced integrated features. With a force-sense output, GPI based function trigger, PWM output, and NVM capabilities, smart DACs enable system performance and control without the use of software.
The automotive-grade 10-bit DAC53701-Q1 and 8-bit DAC43701-Q1 (DACx3701-Q1) are a pin-compatible family of buffered voltage-output smart digital-to-analog converters (DACs). These devices consume very low power, and are available in a tiny 8-pin WSON package. The feature set combined with the tiny package and low power make the DACx3701-Q1 an excellent choice for applications such as automotive tail plus brake light, license plate light fade-in fade-out, and PWM expansion for interior light.
These devices have nonvolatile memory (NVM), an internal reference, a PMBus-compatible I 2C interface, and a general-purpose input. The DACx3701-Q1 operates with either an internal reference or with the power supply as a reference, and provides a full-scale output of 1.8 V to 5.5 V.
The DACx3701-Q1 are smart DAC devices because of the advanced integrated features. With a force-sense output, GPI based function trigger, PWM output, and NVM capabilities, smart DACs enable system performance and control without the use of software. |