| Integrated Circuits (ICs) | 3 | LTB | |
| Integrated Circuits (ICs) | 2 | NRND | |
| Amplifiers | 2 | LTB | |
| Integrated Circuits (ICs) | 1 | Obsolete | |
| Linear | 1 | Obsolete | |
| Integrated Circuits (ICs) | 2 | Obsolete | |
| Video Amps and Modules | 2 | Active | |
BUF086308-CH Gamma-Voltage Generator w/Adjustable Gain Vcom & 1/2 AVDD Topology | Amplifiers | 1 | Active | The BUF08630 offers eight programmable gamma channels and one programmable VCOMchannel.
The final gamma and VCOMvalues can be stored in the on-chip, nonvolatile memory. To allow for programming errors or liquid crystal display (LCD) panel rework, the BUF08630 supports up to 16 write operations to the on-chip memory.
The BUF08630 has two separate memory banks, allowing simultaneous storage of two different gamma curves to facilitate switching between gamma curves.
All gamma and VCOMchannels offer a rail-to-rail output that typically swings to within 150 mV of either supply rail with a 10-mA load. All channels are programmed using a two-wire interface that supports standard operations up to 400 kHz, and high-speed data transfers up to 3.4 MHz.
The BUF08630 is manufactured using Texas Instruments’ proprietary, state-of-the-art, high-voltage CMOS process. This process offers very dense logic and high supply voltage operation of up to 20V. The BUF08630 is available in a 20-pin QFN package, and is specified from –40°C to +95°C.
The BUF08630 offers eight programmable gamma channels and one programmable VCOMchannel.
The final gamma and VCOMvalues can be stored in the on-chip, nonvolatile memory. To allow for programming errors or liquid crystal display (LCD) panel rework, the BUF08630 supports up to 16 write operations to the on-chip memory.
The BUF08630 has two separate memory banks, allowing simultaneous storage of two different gamma curves to facilitate switching between gamma curves.
All gamma and VCOMchannels offer a rail-to-rail output that typically swings to within 150 mV of either supply rail with a 10-mA load. All channels are programmed using a two-wire interface that supports standard operations up to 400 kHz, and high-speed data transfers up to 3.4 MHz.
The BUF08630 is manufactured using Texas Instruments’ proprietary, state-of-the-art, high-voltage CMOS process. This process offers very dense logic and high supply voltage operation of up to 20V. The BUF08630 is available in a 20-pin QFN package, and is specified from –40°C to +95°C. |
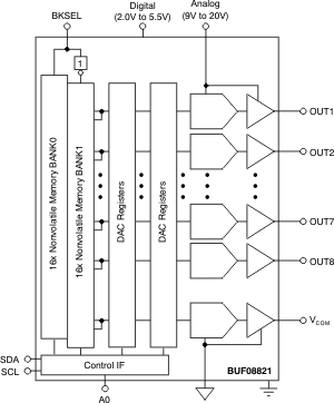
BUF088218-CH Gamma-Voltage Generator and Vcom Calibrator with Integrated Two-Bank Memory | Development Boards, Kits, Programmers | 3 | Active | The BUF08821 offers eight programmable gamma channels plus one programmable VCOMchannel.
The final gamma and VCOMvalues can be stored in the on-chip, nonvolatile memory. To allow for programming errors or liquid crystal display (LCD) panel rework, the BUF08821 supports up to 16 write operations to the on-chip memory.
The BUF08821 has two separate memory banks, allowing simultaneous storage of two different gamma curves to facilitate switching between gamma curves.
All gamma and VCOMchannels offer a rail-to-rail output that typically swings to within 150mV of either supply rail with a 10mA load. All channels are programmed using an I2C interface that supports standard operations up to 400kHz and high-speed data transfers up to 3.4MHz.
The BUF08821 is manufactured using Texas Instruments’ proprietary, state-of-the-art, high-voltage CMOS process. This process offers very dense logic and HIGH supply voltage operation of up to 20V. The BUF08821 is offered in a HTSSOP-20 PowerPAD package. It is specified from –40°C to +85°C.
The BUF08821 offers eight programmable gamma channels plus one programmable VCOMchannel.
The final gamma and VCOMvalues can be stored in the on-chip, nonvolatile memory. To allow for programming errors or liquid crystal display (LCD) panel rework, the BUF08821 supports up to 16 write operations to the on-chip memory.
The BUF08821 has two separate memory banks, allowing simultaneous storage of two different gamma curves to facilitate switching between gamma curves.
All gamma and VCOMchannels offer a rail-to-rail output that typically swings to within 150mV of either supply rail with a 10mA load. All channels are programmed using an I2C interface that supports standard operations up to 400kHz and high-speed data transfers up to 3.4MHz.
The BUF08821 is manufactured using Texas Instruments’ proprietary, state-of-the-art, high-voltage CMOS process. This process offers very dense logic and HIGH supply voltage operation of up to 20V. The BUF08821 is offered in a HTSSOP-20 PowerPAD package. It is specified from –40°C to +85°C. |
BUF088328-CH Gamma-Voltage Generator and High Slew Rate Vcom with Integrated Two-Bank Memory | Linear | 1 | Active | The BUF08832 offers eight programmable gamma channels and one programmable VCOMchannel.
The final gamma and VCOMvalues can be stored in the on-chip, nonvolatile memory. To allow for programming errors or liquid crystal display (LCD) panel rework, the BUF08832 supports up to 16 write operations to the on-chip memory.
The BUF08832 has two separate memory banks, allowing simultaneous storage of two different gamma curves to facilitate switching between gamma curves.
All gamma and VCOMchannels offer a rail-to-rail output that typically swings to within 150mV of either supply rail with a 10mA load. All channels are programmed using a Two-Wire interface that supports standard operations up to 400kHz and high-speed data transfers up to 3.4MHz.
The BUF08832 is manufactured using Texas Instruments’ proprietary, state-of-the-art, high-voltage CMOS process. This process offers very dense logic and high supply voltage operation of up to 20V. The BUF08832 is offered in a HTSSOP-20 PowerPAD package, and is specified from –40°C to +85°C.
The BUF08832 offers eight programmable gamma channels and one programmable VCOMchannel.
The final gamma and VCOMvalues can be stored in the on-chip, nonvolatile memory. To allow for programming errors or liquid crystal display (LCD) panel rework, the BUF08832 supports up to 16 write operations to the on-chip memory.
The BUF08832 has two separate memory banks, allowing simultaneous storage of two different gamma curves to facilitate switching between gamma curves.
All gamma and VCOMchannels offer a rail-to-rail output that typically swings to within 150mV of either supply rail with a 10mA load. All channels are programmed using a Two-Wire interface that supports standard operations up to 400kHz and high-speed data transfers up to 3.4MHz.
The BUF08832 is manufactured using Texas Instruments’ proprietary, state-of-the-art, high-voltage CMOS process. This process offers very dense logic and high supply voltage operation of up to 20V. The BUF08832 is offered in a HTSSOP-20 PowerPAD package, and is specified from –40°C to +85°C. |