BQ500410AFree Positioning, Qi-Compliant Wireless Power Transmitter Manager | Power Management (PMIC) | 1 | NRND | The bq500410A device is a free-positioning digital wireless power controller that integrates all functions required to control wireless power transfer to a WPC compliant receiver. It is WPC 1.1 ready and designed for 12-V systems but applicable to other supply voltages. The bq500410Apingsthe surrounding environment for WPC compliant devices to be powered, safely engages the device, reads the packet feedback from the powered device, and manages the power transfer. A charging area of at least 70 mm × 20 mm provides flexible receiver placement on a transmitter pad. The bq500410A supports both Parasitic Metal Detection (PMOD) and Foreign Object Detection (FOD) by continuously monitoring the efficiency of the established power transfer, protecting from power lost due to metal objects misplaced in the wireless power transfer path. Should any abnormal condition develop during power transfer, the bq500410A handles it and provides fault indicator outputs. Comprehensive protection features provide a robust design to protect the system in all receiver placements.
The bq500410A is available in an area-saving 48-pin, 7-mm × 7-mm VQFN package and operates over a temperature range from –40°C to 110°C.
The bq500410A device is a free-positioning digital wireless power controller that integrates all functions required to control wireless power transfer to a WPC compliant receiver. It is WPC 1.1 ready and designed for 12-V systems but applicable to other supply voltages. The bq500410Apingsthe surrounding environment for WPC compliant devices to be powered, safely engages the device, reads the packet feedback from the powered device, and manages the power transfer. A charging area of at least 70 mm × 20 mm provides flexible receiver placement on a transmitter pad. The bq500410A supports both Parasitic Metal Detection (PMOD) and Foreign Object Detection (FOD) by continuously monitoring the efficiency of the established power transfer, protecting from power lost due to metal objects misplaced in the wireless power transfer path. Should any abnormal condition develop during power transfer, the bq500410A handles it and provides fault indicator outputs. Comprehensive protection features provide a robust design to protect the system in all receiver placements.
The bq500410A is available in an area-saving 48-pin, 7-mm × 7-mm VQFN package and operates over a temperature range from –40°C to 110°C. |
BQ500412Free Positioning, Qi-Compliant Wireless Power Transmitter Manager | Evaluation Boards | 2 | NRND | The bq500412 is a Qi-certified value solution that integrates all functions required to control wireless power delivery to a single WPC1.1 compliant receiver. It is WPC1.1 compliant and designed for 12-V systems, or 5-V systems with an optional boost converter, as a wireless power consortium type A6 free positioning transmitter. The bq500412 the surrounding environment for WPC compliant devices to be powered, safely engages the device, receives packet communication from the powered device and manages the power transfer according to WPC1.1 specification. To maximize flexibility in wireless power control applications, Dynamic Power Limiting (DPL) is featured on the bq500412 when used with an optional boost converter from a 5-V input. Dynamic Power Limiting enhances user experience by seamlessly optimizing the usage of power available from limited input supplies. The bq500412 supports both Foreign Object Detection (FOD) and enhanced Parasitic Metal Object Detection (PMOD) for legacy product by continuously monitoring the efficiency of the established power transfer, protecting from power lost due to metal objects misplaced in the wireless power transfer field. Should an abnormal operating condition develop during power transfer, the bq500412 handles it and provides indicator outputs. Comprehensive status and fault monitoring features enable a low cost yet robust, Qi-certified wireless power system design.
The bq500412 is available in a 48-pin, 7-mm x 7-mm QFN package.
The bq500412 is a Qi-certified value solution that integrates all functions required to control wireless power delivery to a single WPC1.1 compliant receiver. It is WPC1.1 compliant and designed for 12-V systems, or 5-V systems with an optional boost converter, as a wireless power consortium type A6 free positioning transmitter. The bq500412 the surrounding environment for WPC compliant devices to be powered, safely engages the device, receives packet communication from the powered device and manages the power transfer according to WPC1.1 specification. To maximize flexibility in wireless power control applications, Dynamic Power Limiting (DPL) is featured on the bq500412 when used with an optional boost converter from a 5-V input. Dynamic Power Limiting enhances user experience by seamlessly optimizing the usage of power available from limited input supplies. The bq500412 supports both Foreign Object Detection (FOD) and enhanced Parasitic Metal Object Detection (PMOD) for legacy product by continuously monitoring the efficiency of the established power transfer, protecting from power lost due to metal objects misplaced in the wireless power transfer field. Should an abnormal operating condition develop during power transfer, the bq500412 handles it and provides indicator outputs. Comprehensive status and fault monitoring features enable a low cost yet robust, Qi-certified wireless power system design.
The bq500412 is available in a 48-pin, 7-mm x 7-mm QFN package. |
| Evaluation Boards | 1 | Obsolete | |
BQ500511AWireless Power Transmitter Controller | Power Management - Specialized | 2 | NRND | The bq500511A is a wireless power transmitter controller that, when combined with the bq50002A analog front end (AFE) device, integrates all functions required to create a Qi-compliant or proprietary 5-V transmitter. The bq500511A and bq50002A together provide a compact wireless charger solution. The bq500511A pings the surrounding environment for the receiver devices to be powered, safely engages the device, receives packet communication from the powered device and manages the power transfer according to Wireless Power Consortium (WPC) v1.2 specification.
To maximize flexibility in wireless power control applications, Dynamic Power Limiting™ (DPL) is featured on the bq500511A. DPL enhances user experience by seamlessly optimizing the usage of power available from limited input supplies.
The system supports Foreign Object Detection (FOD) by continuously monitoring the efficiency of the established power transfer, protecting from power lost due to metal objects misplaced in the wireless power transfer field. Should any abnormal condition develop during power transfer, the bq500511A handles the condition and provides indication outputs. Comprehensive status and fault monitoring features enable a low cost yet robust Qi-certified wireless power system design.
The bq500511A is available in a thermally enhanced 6 mm × 6 mm, 40-pin VQFN package.
The bq500511A is a wireless power transmitter controller that, when combined with the bq50002A analog front end (AFE) device, integrates all functions required to create a Qi-compliant or proprietary 5-V transmitter. The bq500511A and bq50002A together provide a compact wireless charger solution. The bq500511A pings the surrounding environment for the receiver devices to be powered, safely engages the device, receives packet communication from the powered device and manages the power transfer according to Wireless Power Consortium (WPC) v1.2 specification.
To maximize flexibility in wireless power control applications, Dynamic Power Limiting™ (DPL) is featured on the bq500511A. DPL enhances user experience by seamlessly optimizing the usage of power available from limited input supplies.
The system supports Foreign Object Detection (FOD) by continuously monitoring the efficiency of the established power transfer, protecting from power lost due to metal objects misplaced in the wireless power transfer field. Should any abnormal condition develop during power transfer, the bq500511A handles the condition and provides indication outputs. Comprehensive status and fault monitoring features enable a low cost yet robust Qi-certified wireless power system design.
The bq500511A is available in a thermally enhanced 6 mm × 6 mm, 40-pin VQFN package. |
BQ501210WPC 1.2 Wireless Power Transmitter Manager with 15W Power Delivery | Development Boards, Kits, Programmers | 3 | NRND | The bq501210 is a Wireless Power Consortium (WPC) v1.2 compliant wireless power digital controller that integrates the logic functions required to wirelessly transfer power to a WPC-compliant receiver with the capability of delivering up to 15 W. The bq501210 is an intelligent device that periodically pings the surrounding environment for available devices to be powered, detects if a foreign metal object is present on the charging pad, monitors all communication from the device being wirelessly powered, and adjusts power applied to the transmitter coil per feedback received from the powered device. The bq501210 also manages the fault conditions associated with the power transfer and controls the operating mode status indicator. The bq501210 uses a rail voltage control scheme instead of the traditional frequency control to adjust the amount of power delivered to the receiver.
Through negotiation with a High Voltage Dedicated Charging Port (HVDCP) adapter, the bq501210 provides power between the WPC low power capability of 5 W, and the medium power specifications of 15 W.
Fast Charge support provides more power for compatible receiver devices.
Seewww.ti.com/wirelesspowerfor more information on TI’s Wireless Charging Solutions
The bq501210 is a Wireless Power Consortium (WPC) v1.2 compliant wireless power digital controller that integrates the logic functions required to wirelessly transfer power to a WPC-compliant receiver with the capability of delivering up to 15 W. The bq501210 is an intelligent device that periodically pings the surrounding environment for available devices to be powered, detects if a foreign metal object is present on the charging pad, monitors all communication from the device being wirelessly powered, and adjusts power applied to the transmitter coil per feedback received from the powered device. The bq501210 also manages the fault conditions associated with the power transfer and controls the operating mode status indicator. The bq501210 uses a rail voltage control scheme instead of the traditional frequency control to adjust the amount of power delivered to the receiver.
Through negotiation with a High Voltage Dedicated Charging Port (HVDCP) adapter, the bq501210 provides power between the WPC low power capability of 5 W, and the medium power specifications of 15 W.
Fast Charge support provides more power for compatible receiver devices.
Seewww.ti.com/wirelesspowerfor more information on TI’s Wireless Charging Solutions |
| Power Management (PMIC) | 3 | Active | |
| Evaluation and Demonstration Boards and Kits | 1 | Active | |
| Power Management (PMIC) | 2 | LTB | |
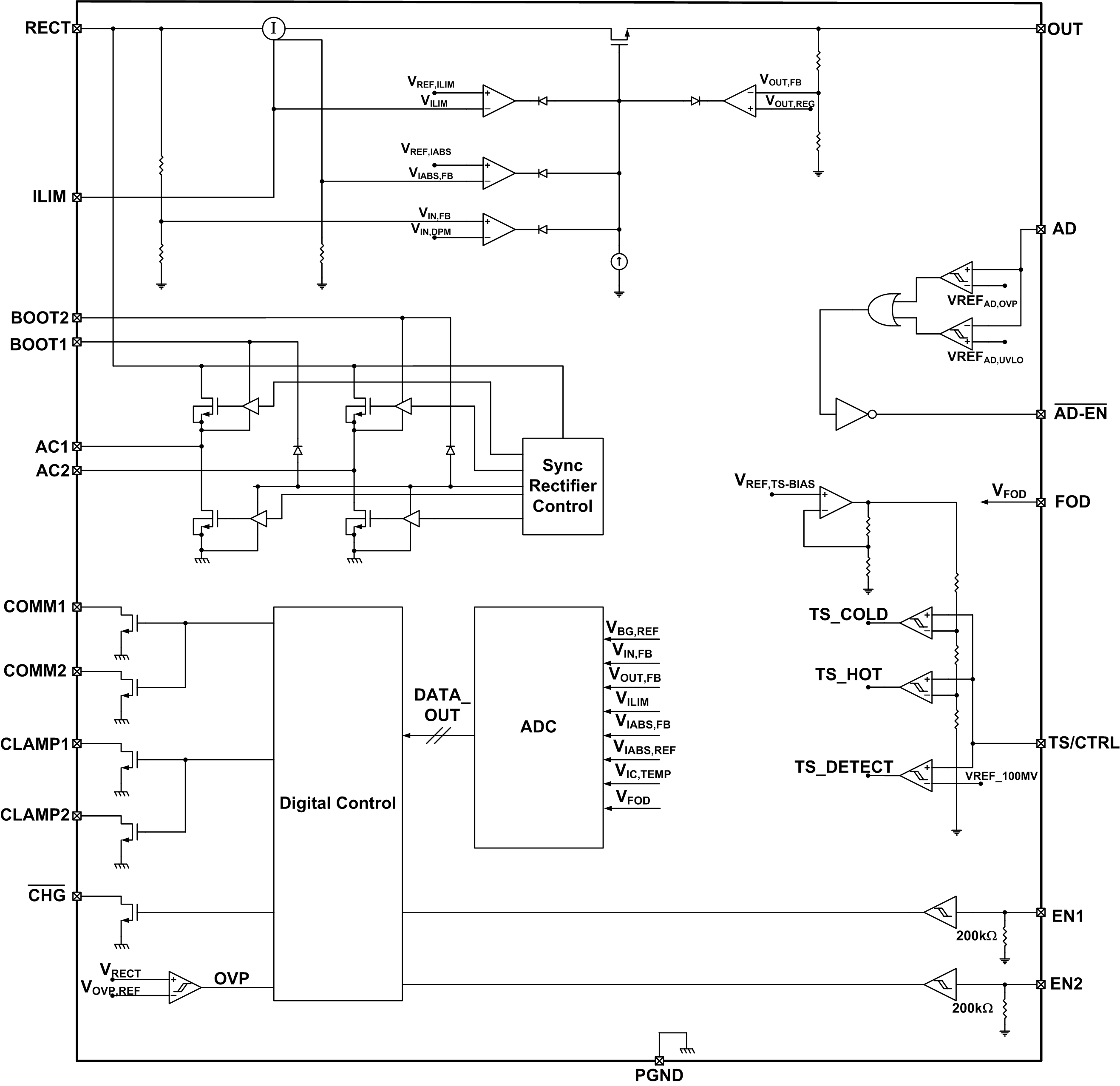
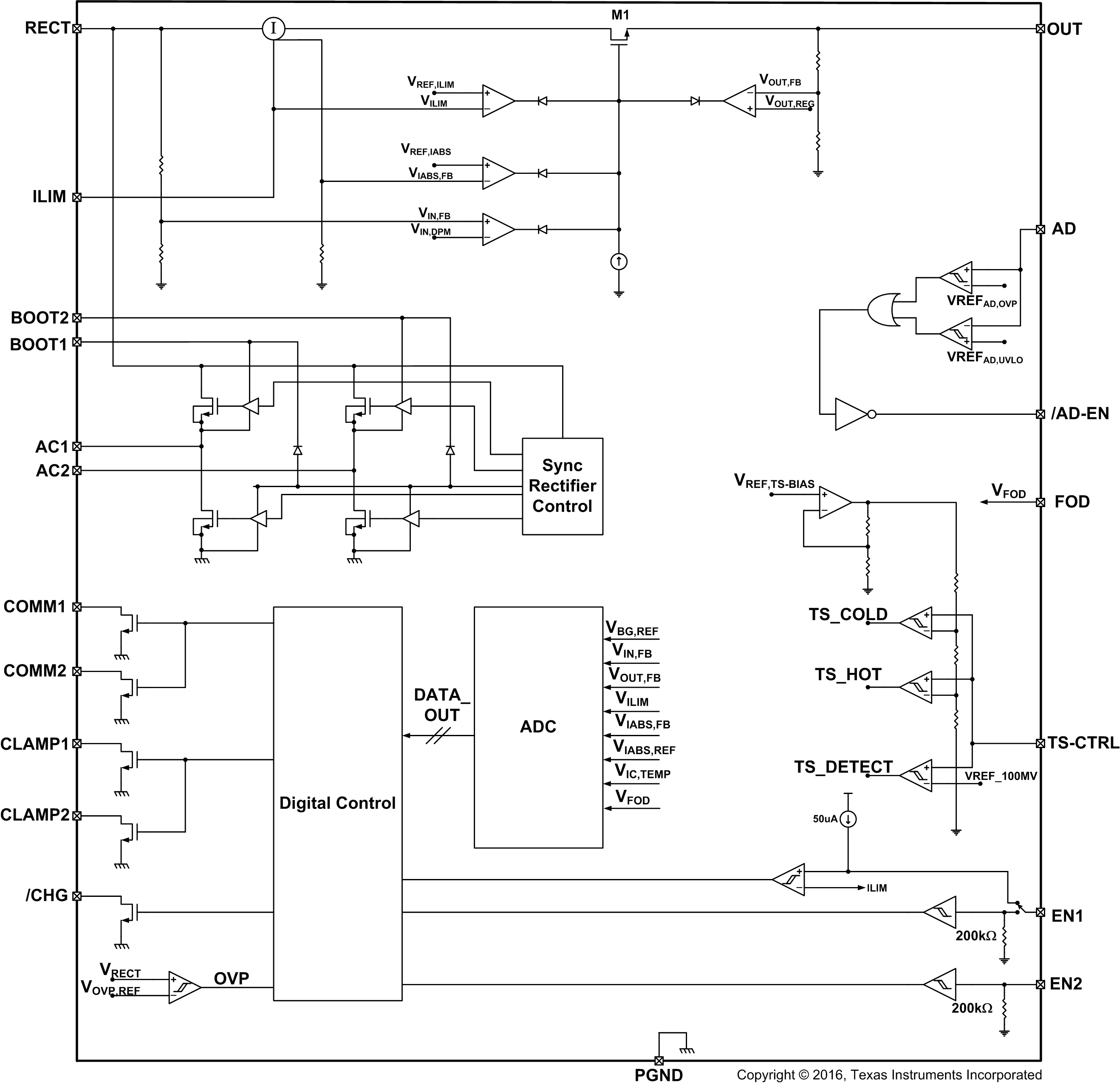
BQ51013B-Q1Integrated Wireless power Receiver Solution, Qi (Wireless power Consortium) Compliant | Development Boards, Kits, Programmers | 12 | Active | The BQ51013B-Q1 device is a single-chip, advanced, flexible, secondary-side device for wireless power transfer in portable applications capable of providing up to 5 W. The BQ51013B-Q1 devices provide the receiver (RX) AC-to-DC power conversion and regulation while integrating the digital control required to comply with the Wireless Power Consortium (WPC) Qi v1.2 communication protocol. Together with the BQ50012A primary-side controller (or other Qi transmitter), the BQ51013B-Q1 enables a complete contactless power transfer system for a wireless power supply solution. Global feedback is established from the secondary to the primary to control the power transfer process using the Qi v1.2 protocol.
The BQ51013B-Q1 integrates a low-resistance synchronous rectifier, low-dropout regulator (LDO), digital control, and accurate voltage and current loops to ensure high efficiency and low power dissipation.
The BQ51013B-Q1 also includes a digital controller that calculates the amount of power received by the mobile device within the limits set by the WPC v1.2 standard. The controller then communicates this information to the transmitter (TX) to allow the TX to determine if a foreign object is present within the magnetic interface and introduces a higher level of safety within magnetic field. This Foreign Object Detection (FOD) method is part of the requirements under the WPC v1.2 specification.
The BQ51013B-Q1 device is a single-chip, advanced, flexible, secondary-side device for wireless power transfer in portable applications capable of providing up to 5 W. The BQ51013B-Q1 devices provide the receiver (RX) AC-to-DC power conversion and regulation while integrating the digital control required to comply with the Wireless Power Consortium (WPC) Qi v1.2 communication protocol. Together with the BQ50012A primary-side controller (or other Qi transmitter), the BQ51013B-Q1 enables a complete contactless power transfer system for a wireless power supply solution. Global feedback is established from the secondary to the primary to control the power transfer process using the Qi v1.2 protocol.
The BQ51013B-Q1 integrates a low-resistance synchronous rectifier, low-dropout regulator (LDO), digital control, and accurate voltage and current loops to ensure high efficiency and low power dissipation.
The BQ51013B-Q1 also includes a digital controller that calculates the amount of power received by the mobile device within the limits set by the WPC v1.2 standard. The controller then communicates this information to the transmitter (TX) to allow the TX to determine if a foreign object is present within the magnetic interface and introduces a higher level of safety within magnetic field. This Foreign Object Detection (FOD) method is part of the requirements under the WPC v1.2 specification. |
BQ51014Integrated Wireless Power Receiver Solution, Qi (Wireless Power Consortium) Compliant | Power Management - Specialized | 1 | NRND | The bq5101x is an advanced, integrated, receiver IC for wireless power transfer in portable applications. The device provides the AC/DC power conversion while integrating the digital control required to comply with the Qi v1.0 communication protocol. Together with the bq500210 transmitter controller, the bq5101x enables a complete contact-less power transfer system for a wireless power supply solution. By using near-field inductive power transfer, the receiver coil embedded in the portable device receives the power transmitted by the transmitter coil via mutually coupled inductors. The AC signal from the receiver coil is then rectified and regulated to be used as a power supply for down-system electronics. Global feedback is established from the secondary to the transmitter in order to stabilize the power transfer process via back-scatter modulation. This feedback is established by using the Qi v1.0 communication protocol supporting up to 5 W applications.
The device integrates a low-impedance full synchronous rectifier, low-dropout regulator, digital control, and accurate voltage and current loops. The entire power stage (rectifier and LDO) use low resistive NMOS FET’s to ensures high efficiency and low power dissipation.
The bq5101x is an advanced, integrated, receiver IC for wireless power transfer in portable applications. The device provides the AC/DC power conversion while integrating the digital control required to comply with the Qi v1.0 communication protocol. Together with the bq500210 transmitter controller, the bq5101x enables a complete contact-less power transfer system for a wireless power supply solution. By using near-field inductive power transfer, the receiver coil embedded in the portable device receives the power transmitted by the transmitter coil via mutually coupled inductors. The AC signal from the receiver coil is then rectified and regulated to be used as a power supply for down-system electronics. Global feedback is established from the secondary to the transmitter in order to stabilize the power transfer process via back-scatter modulation. This feedback is established by using the Qi v1.0 communication protocol supporting up to 5 W applications.
The device integrates a low-impedance full synchronous rectifier, low-dropout regulator, digital control, and accurate voltage and current loops. The entire power stage (rectifier and LDO) use low resistive NMOS FET’s to ensures high efficiency and low power dissipation. |