T
Texas Instruments
| Series | Category | # Parts | Status | Description |
|---|---|---|---|---|
| Part | Spec A | Spec B | Spec C | Spec D | Description |
|---|---|---|---|---|---|
| Series | Category | # Parts | Status | Description |
|---|---|---|---|---|
| Part | Spec A | Spec B | Spec C | Spec D | Description |
|---|---|---|---|---|---|
| Part | Category | Description |
|---|---|---|
Texas Instruments | Integrated Circuits (ICs) | BUS DRIVER, BCT/FBT SERIES |
Texas Instruments | Integrated Circuits (ICs) | 12BIT 3.3V~3.6V 210MHZ PARALLEL VQFN-48-EP(7X7) ANALOG TO DIGITAL CONVERTERS (ADC) ROHS |
Texas Instruments | Integrated Circuits (ICs) | TMX320DRE311 179PIN UBGA 200MHZ |
Texas Instruments TPS61040DRVTG4Unknown | Integrated Circuits (ICs) | IC LED DRV RGLTR PWM 350MA 6WSON |
Texas Instruments LP3876ET-2.5Obsolete | Integrated Circuits (ICs) | IC REG LINEAR 2.5V 3A TO220-5 |
Texas Instruments LMS1585ACSX-ADJObsolete | Integrated Circuits (ICs) | IC REG LIN POS ADJ 5A DDPAK |
Texas Instruments INA111APG4Obsolete | Integrated Circuits (ICs) | IC INST AMP 1 CIRCUIT 8DIP |
Texas Instruments | Integrated Circuits (ICs) | AUTOMOTIVE, QUAD 36V 1.2MHZ OPERATIONAL AMPLIFIER |
Texas Instruments OPA340NA/3KG4Unknown | Integrated Circuits (ICs) | IC OPAMP GP 1 CIRCUIT SOT23-5 |
Texas Instruments PT5112AObsolete | Power Supplies - Board Mount | DC DC CONVERTER 8V 8W |
| Series | Category | # Parts | Status | Description |
|---|---|---|---|---|
| Integrated Circuits (ICs) | 1 | Obsolete | ||
| Power Management (PMIC) | 2 | Active | ||
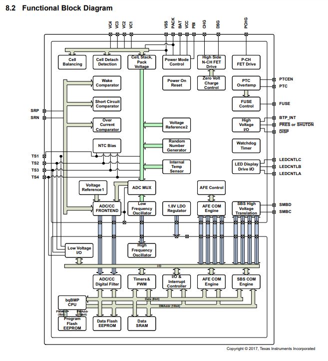
BQ40Z50-R11-4 series Li-ion battery pack manager supporting Turbo Mode 2.0 | Evaluation and Demonstration Boards and Kits | 7 | Active | The bq40z50-R1 device, incorporating patented Impedance Track™ technology, is a fully integrated, single-chip, pack-based solution that provides a rich array of features for gas gauging, protection, and authentication for 1-series, 2-series, 3-series, and 4-series cell Li-Ion and Li-Polymer battery packs.
Using its integrated high-performance analog peripherals, the bq40z50-R1 device measures and maintains an accurate record of available capacity, voltage, current, temperature, and other critical parameters in Li-Ion or Li-Polymer batteries, and reports this information to the system host controller over an SMBus v1.1 compatible interface.
The bq40z50-R1 device supports TURBO BOOST mode by providing the available max power and max current to the host system. The device also supports Battery Trip Point to send a BTP interrupt signal to the host system at the pre-set state of charge thresholds.
The bq40z50-R1 provides software-based 1st- and 2nd-level safety protection against overvoltage, undervoltage, overcurrent, short-circuit current, overload, and overtemperature conditions, as well as other pack- and cell-related faults.
SHA-1 authentication, with secure memory for authentication keys, enables identification of genuine battery packs.
The compact 32-lead QFN package minimizes solution cost and size for smart batteries while providing maximum functionality and safety for battery gauging applications.
The bq40z50-R1 device, incorporating patented Impedance Track™ technology, is a fully integrated, single-chip, pack-based solution that provides a rich array of features for gas gauging, protection, and authentication for 1-series, 2-series, 3-series, and 4-series cell Li-Ion and Li-Polymer battery packs.
Using its integrated high-performance analog peripherals, the bq40z50-R1 device measures and maintains an accurate record of available capacity, voltage, current, temperature, and other critical parameters in Li-Ion or Li-Polymer batteries, and reports this information to the system host controller over an SMBus v1.1 compatible interface.
The bq40z50-R1 device supports TURBO BOOST mode by providing the available max power and max current to the host system. The device also supports Battery Trip Point to send a BTP interrupt signal to the host system at the pre-set state of charge thresholds.
The bq40z50-R1 provides software-based 1st- and 2nd-level safety protection against overvoltage, undervoltage, overcurrent, short-circuit current, overload, and overtemperature conditions, as well as other pack- and cell-related faults.
SHA-1 authentication, with secure memory for authentication keys, enables identification of genuine battery packs.
The compact 32-lead QFN package minimizes solution cost and size for smart batteries while providing maximum functionality and safety for battery gauging applications. |
BQ40Z60Complete multi-cell battery manager | battery fuel (gas) gauge | Development Boards, Kits, Programmers | 3 | Active | The Texas Instruments bq40z60 device is a Programmable Battery Management Unit that integrates battery charging control output, gas gauging, and protection for completely autonomous operation of 2-series to 4-series cell Li-Ion and Li-Polymer battery packs. The architecture enables internal communication between the fuel gauging processor and battery charger controller to optimize the charging profile based on the external load conditions and power path source management during load transients and adaptor current limitations in the system. The charging current efficiency is scalable for power transfer based on the external components, such as the NFETs, inductor, and sensing resistor.
The device provides an array of battery and system safety functions, including overcurrent in discharge, short circuit in charge, and short circuit in discharge protection for the battery, as well as FET protection for the N-CH FETs, internal AFE watchdog, and cell disconnection detection. Through firmware, the device can provide a larger array of protection features including overvoltage, undervoltage, overtemperature, and more.
The Texas Instruments bq40z60 device is a Programmable Battery Management Unit that integrates battery charging control output, gas gauging, and protection for completely autonomous operation of 2-series to 4-series cell Li-Ion and Li-Polymer battery packs. The architecture enables internal communication between the fuel gauging processor and battery charger controller to optimize the charging profile based on the external load conditions and power path source management during load transients and adaptor current limitations in the system. The charging current efficiency is scalable for power transfer based on the external components, such as the NFETs, inductor, and sensing resistor.
The device provides an array of battery and system safety functions, including overcurrent in discharge, short circuit in charge, and short circuit in discharge protection for the battery, as well as FET protection for the N-CH FETs, internal AFE watchdog, and cell disconnection detection. Through firmware, the device can provide a larger array of protection features including overvoltage, undervoltage, overtemperature, and more. |
| Clock/Timing | 5 | Obsolete | ||
BQ4802LYY2K-Compliant Parallel RTC with CPU Supervisor and External NVSRAM Control, 3V Vcc | Real Time Clocks | 8 | Active | The bq4802Y/bq4802LY real-time clock is a low-power microprocessor peripheral that integrates a time-of-day clock, a century-based calendar, and a CPU supervisor, with package options including a 28-pin SOIC, TSSOP, or SNAPHAT that requires the bq48SH-28x6 to complete the two-piece module. The bq4802Y/ bq4802LY is ideal for fax machines, copiers, industrial control systems, point-of-sale terminals, data loggers, and computers.
The bq4802Y/bq4802LY provides direct connections for a 32.768-kHz quartz crystal and a 3-V backup battery. Through the use of the conditional chip enable output (CE\OUT) and battery voltage output (VOUT) pins, the bq4802Y/bq4802LY can write-protect and make non- volatile external SRAMs. The backup cell powers the real-time clock and maintains SRAM information the absence of system voltage. The crystal and battery are contained within the modules for a more integrated solution.
The bq4802Y/bq4802LY contains a temperature-compensated reference and comparator circuit that monitors the status of its voltage supply. When the bq4802Y/bq4802LY detects an out-of-tolerance condition, it generates an interrupt warning and subsequently a microprocessor reset. The reset stays active for 200 ms after VCCrises within tolerance, to allow for power supply and processor stabilization. The reset function also allows for an external push-button override.
The bq4802Y/bq4802LY real-time clock is a low-power microprocessor peripheral that integrates a time-of-day clock, a century-based calendar, and a CPU supervisor, with package options including a 28-pin SOIC, TSSOP, or SNAPHAT that requires the bq48SH-28x6 to complete the two-piece module. The bq4802Y/ bq4802LY is ideal for fax machines, copiers, industrial control systems, point-of-sale terminals, data loggers, and computers.
The bq4802Y/bq4802LY provides direct connections for a 32.768-kHz quartz crystal and a 3-V backup battery. Through the use of the conditional chip enable output (CE\OUT) and battery voltage output (VOUT) pins, the bq4802Y/bq4802LY can write-protect and make non- volatile external SRAMs. The backup cell powers the real-time clock and maintains SRAM information the absence of system voltage. The crystal and battery are contained within the modules for a more integrated solution.
The bq4802Y/bq4802LY contains a temperature-compensated reference and comparator circuit that monitors the status of its voltage supply. When the bq4802Y/bq4802LY detects an out-of-tolerance condition, it generates an interrupt warning and subsequently a microprocessor reset. The reset stays active for 200 ms after VCCrises within tolerance, to allow for power supply and processor stabilization. The reset function also allows for an external push-button override. |
| Real Time Clocks | 1 | Obsolete | ||
| Integrated Circuits (ICs) | 12 | Active | ||
| Clock/Timing | 1 | Obsolete | ||
| Clock/Timing | 2 | Obsolete | ||