T
Texas Instruments
| Series | Category | # Parts | Status | Description |
|---|---|---|---|---|
| Part | Spec A | Spec B | Spec C | Spec D | Description |
|---|---|---|---|---|---|
| Series | Category | # Parts | Status | Description |
|---|---|---|---|---|
| Part | Spec A | Spec B | Spec C | Spec D | Description |
|---|---|---|---|---|---|
| Part | Category | Description |
|---|---|---|
Texas Instruments BQ2002CSNTRG4Unknown | Integrated Circuits (ICs) | LINEAR BATTERY CHARGER NICD/NIMH 2000MA 0V TO 6V 8-PIN SOIC T/R |
Texas Instruments LM3676SDX-3.3Obsolete | Integrated Circuits (ICs) | IC REG BUCK 3.3V 600MA 8WSON |
Texas Instruments | Integrated Circuits (ICs) | TMX320DRE311 179PIN UBGA 200MHZ |
Texas Instruments UCC3580N-1G4Obsolete | Integrated Circuits (ICs) | IC REG CTRLR FWRD CONV 16DIP |
Texas Instruments LM2831YMF EVALObsolete | Development Boards Kits Programmers | EVAL BOARD FOR LM2831 |
Texas Instruments | Integrated Circuits (ICs) | BUFFER/LINE DRIVER 8-CH NON-INVERTING 3-ST CMOS 20-PIN SSOP T/R |
Texas Instruments | Integrated Circuits (ICs) | ANALOG OTHER PERIPHERALS |
Texas Instruments | Integrated Circuits (ICs) | RADIATION-HARDENED, QMLP 60V HAL |
Texas Instruments SN75LVDS051DRObsolete | Integrated Circuits (ICs) | IC TRANSCEIVER FULL 2/2 16SOIC |
Texas Instruments | Integrated Circuits (ICs) | AUTOMOTIVE OCTAL D-TYPE FLIP-FLO |
| Series | Category | # Parts | Status | Description |
|---|---|---|---|---|
| Development Boards, Kits, Programmers | 6 | Active | ||
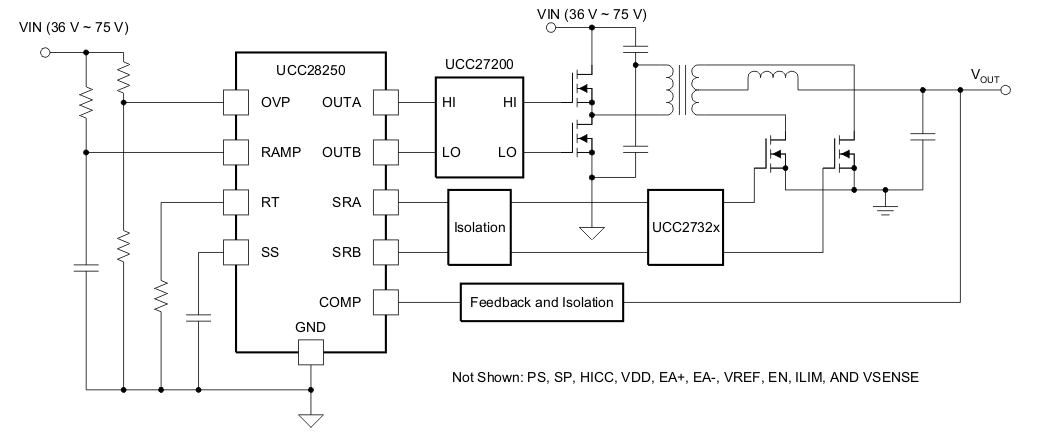
UCC28251Advanced half-bridge/full-bridge PWM controller with pre-bias operation for offline applications | DC DC Switching Controllers | 4 | Active | The UCC28251 PWM controller is designed for high power density applications that may have stringent prebiased startup requirements. The UCC28251’s integrated synchronous rectifier control outputs target high efficiency and high performance topologies such as half-bridge, full-bridge, interleaved forward, and push-pull. The UCC27210 half bridge drivers and UCC2752x MOSFET drivers used in conjunction with the UCC28251 provide a complete power converter solution.
The UCC28251 is a functional variant of the UCC28250 PWM Controller. While the same basic functionality of the UCC28250 is largely maintained, the UCC28251 is designed to enhance performance in both offline, 400-V input DC-to-DC applications and 48-V input full-bridge or half-bridge applications.
Externally programmable soft-start, used in conjunction with an internal pre-biased startup circuit, allows the controller to gradually reach a steady-state operating point under all output conditions. The UCC28251 can be configured for primary or secondary-side control and either voltage or current mode control can be implemented.
The oscillator operates at frequencies up to 1.8 MHz, and can be synchronized to an external clock. Input voltage feedforward, cycle-by-cycle current limit, and a programmable hiccup timer allow the system to stay within a safe operation range. Input voltage, output voltage and temperature protection can be implemented. Dead time between primary-side switch and secondary-side synchronous rectifiers can be independently programmed.
The UCC28251 PWM controller is designed for high power density applications that may have stringent prebiased startup requirements. The UCC28251’s integrated synchronous rectifier control outputs target high efficiency and high performance topologies such as half-bridge, full-bridge, interleaved forward, and push-pull. The UCC27210 half bridge drivers and UCC2752x MOSFET drivers used in conjunction with the UCC28251 provide a complete power converter solution.
The UCC28251 is a functional variant of the UCC28250 PWM Controller. While the same basic functionality of the UCC28250 is largely maintained, the UCC28251 is designed to enhance performance in both offline, 400-V input DC-to-DC applications and 48-V input full-bridge or half-bridge applications.
Externally programmable soft-start, used in conjunction with an internal pre-biased startup circuit, allows the controller to gradually reach a steady-state operating point under all output conditions. The UCC28251 can be configured for primary or secondary-side control and either voltage or current mode control can be implemented.
The oscillator operates at frequencies up to 1.8 MHz, and can be synchronized to an external clock. Input voltage feedforward, cycle-by-cycle current limit, and a programmable hiccup timer allow the system to stay within a safe operation range. Input voltage, output voltage and temperature protection can be implemented. Dead time between primary-side switch and secondary-side synchronous rectifiers can be independently programmed. |
UCC2833-A, 9-V, ultra-low-dropout voltage regulator with reverse current protection from -40°C to +85°C | Voltage Regulators - Linear, Low Drop Out (LDO) Regulators | 13 | Active | The UCC283–3/–5/–ADJ family of positive linear series pass voltage regulators are tailored for low-drop-out applications where low quiescent power is important. Fabricated with a BiCMOS technology ideally suited for low input-to-output differential applications, the UCC283–5 passes 3 A while requiring only 0.45 V of typical input voltage headroom (ensured 0.6-V dropout).
These regulators include reverse voltage sensing that prevents current in the reverse direction. Quiescent current is always less than 650 µA. These devices have been internally compensated in such a way that the need for a minimum output capacitor has been eliminated.
UCC283–3 and UCC283–5 versions are in 3-lead packages and have preset outputs at 3.3 V and 5.0 V respectively. The output voltage is regulated to 1.5% at room temperature. The UCC283–ADJ version, in a 5-lead package, regulates the output voltage programmed by an external resistor ratio.
Short-circuit current is internally limited. The device responds to a sustained overcurrent condition by turning off after a tONtime delay. The device then stays off for a period, tOFF, that is 32 times the tONdelay. The device then begins pulsing on and off at the tON/(tON+tOFF) duty cycle of 3%. This drastically reduces the power dissipation during short-circuit and means heat sinks need only accommodate normal operation. On the 3-leaded versions of the device tONis fixed at 750 µs, on the adjustable 5-leaded versions an external capacitor sets the on time. The off time is always 32 × tON. The external timing control pin, CT, on the 5-leaded versions also serves as a shutdown input when pulled low.
Internal power dissipation is further controlled with thermal overload protection circuitry. Thermal shutdown occurs if the junction temperature exceeds 165°C. The chip remains off until the temperature has dropped 20°C.
The UCC283 series is specified for operation over the industrial range of –40°C to 85°C, and the UCC383 series is specified from 0°C to 70°C. These devices are available in 3- and 5-pin TO–220 and TO–263 power packages.
The UCC283–3/–5/–ADJ family of positive linear series pass voltage regulators are tailored for low-drop-out applications where low quiescent power is important. Fabricated with a BiCMOS technology ideally suited for low input-to-output differential applications, the UCC283–5 passes 3 A while requiring only 0.45 V of typical input voltage headroom (ensured 0.6-V dropout).
These regulators include reverse voltage sensing that prevents current in the reverse direction. Quiescent current is always less than 650 µA. These devices have been internally compensated in such a way that the need for a minimum output capacitor has been eliminated.
UCC283–3 and UCC283–5 versions are in 3-lead packages and have preset outputs at 3.3 V and 5.0 V respectively. The output voltage is regulated to 1.5% at room temperature. The UCC283–ADJ version, in a 5-lead package, regulates the output voltage programmed by an external resistor ratio.
Short-circuit current is internally limited. The device responds to a sustained overcurrent condition by turning off after a tONtime delay. The device then stays off for a period, tOFF, that is 32 times the tONdelay. The device then begins pulsing on and off at the tON/(tON+tOFF) duty cycle of 3%. This drastically reduces the power dissipation during short-circuit and means heat sinks need only accommodate normal operation. On the 3-leaded versions of the device tONis fixed at 750 µs, on the adjustable 5-leaded versions an external capacitor sets the on time. The off time is always 32 × tON. The external timing control pin, CT, on the 5-leaded versions also serves as a shutdown input when pulled low.
Internal power dissipation is further controlled with thermal overload protection circuitry. Thermal shutdown occurs if the junction temperature exceeds 165°C. The chip remains off until the temperature has dropped 20°C.
The UCC283 series is specified for operation over the industrial range of –40°C to 85°C, and the UCC383 series is specified from 0°C to 70°C. These devices are available in 3- and 5-pin TO–220 and TO–263 power packages. |
UCC283712-V, adjustable linear voltage regulator | Power Management (PMIC) | 3 | Active | The UCC3837 Linear Regulator Controller includes all the features required for an extremely low dropout linear regulator that uses an external N-channel MOSFET as the pass transistor. The device can operate from input voltages as low as 3V and can provide high current levels, thus providing an efficient linear solution for custom processor voltages, bus termination voltages, and other logic level voltages below 3V. The on board charge pump creates a gate drive voltage capable of driving an external N-MOSFET which is optimal for low dropout voltage and high efficiency. The wide versatility of this IC allows the user to optimize the setting of both current limit and output voltage for applications beyond or between standard 3-terminal linear regulator ranges.
This 8-pin controller IC features a duty ratio current limiting technique that provides peak transient loading capability while limiting the average power dissipation of the pass transistor during fault conditions. See the Application Section for detailed information.
The UCC3837 Linear Regulator Controller includes all the features required for an extremely low dropout linear regulator that uses an external N-channel MOSFET as the pass transistor. The device can operate from input voltages as low as 3V and can provide high current levels, thus providing an efficient linear solution for custom processor voltages, bus termination voltages, and other logic level voltages below 3V. The on board charge pump creates a gate drive voltage capable of driving an external N-MOSFET which is optimal for low dropout voltage and high efficiency. The wide versatility of this IC allows the user to optimize the setting of both current limit and output voltage for applications beyond or between standard 3-terminal linear regulator ranges.
This 8-pin controller IC features a duty ratio current limiting technique that provides peak transient loading capability while limiting the average power dissipation of the pass transistor during fault conditions. See the Application Section for detailed information. |
| Power Management (PMIC) | 2 | Active | ||
UCC284500-mA, negative, adjustable low-dropout voltage regulator from -40°C to +85°C | Power Management (PMIC) | 9 | Active | The UCC384-x family of negative linear-series pass regulators is tailored for low-dropout applications where low-quiescent power is important. Fabricated with a BCDMOS technology ideally suited for low input-to-output differential applications, the UCC384-x passes 0.5 A while requiring only 0.2 V of input-voltage headroom. Dropout voltage decreases linearly with output current, so that dropout at 50 mA is less than 20 mV.
Quiescent current consumption for the device under normal (non-dropout) conditions is typically 200 uA. An integrated charge pump is internally enabled only when the device is operating near dropout with low VIN. This ensured that the device meets the dropout specifications even for maximum load current and a VIN of –3.2 V with only a modest increase in quiescent current. Quiescent current is always less than 350 uA, with the charge pump enabled. The quiescent current of the UCC384 does not increase with load current.
Short-circuit current is internally limited. The device responds to a sustained overcurrent condition by turning off after a tONdelay. The device then stays off for a period, tOFF, that is 40 times the tONdelay. The device then begins pulsing on and off at the tON/tOFFduty cycle of 2.5%. This drastically reduces the power dissipation during short circuit such that heat sinking, if at all required, must only accommodate normal operation. An external capacitor sets the on time. The off time is always 40 times tON.
The UCCx84-x can be shutdown to 45 uA (maximum) by pulling the SD/CT pin more positive than –0.7 V. To allow for simpler interfacing, the SD/CT pin may be pulled up to 6 V above the ground pin without turning on clamping diodes.
Internal power dissipation is further controlled with thermal-overload protection circuitry. Thermal shutdown occurs if the junction temperature exceeds 140°C. The chip remains off until the temperature has dropped 20°C (TJ= 120°C).
The UCC384-x family of negative linear-series pass regulators is tailored for low-dropout applications where low-quiescent power is important. Fabricated with a BCDMOS technology ideally suited for low input-to-output differential applications, the UCC384-x passes 0.5 A while requiring only 0.2 V of input-voltage headroom. Dropout voltage decreases linearly with output current, so that dropout at 50 mA is less than 20 mV.
Quiescent current consumption for the device under normal (non-dropout) conditions is typically 200 uA. An integrated charge pump is internally enabled only when the device is operating near dropout with low VIN. This ensured that the device meets the dropout specifications even for maximum load current and a VIN of –3.2 V with only a modest increase in quiescent current. Quiescent current is always less than 350 uA, with the charge pump enabled. The quiescent current of the UCC384 does not increase with load current.
Short-circuit current is internally limited. The device responds to a sustained overcurrent condition by turning off after a tONdelay. The device then stays off for a period, tOFF, that is 40 times the tONdelay. The device then begins pulsing on and off at the tON/tOFFduty cycle of 2.5%. This drastically reduces the power dissipation during short circuit such that heat sinking, if at all required, must only accommodate normal operation. An external capacitor sets the on time. The off time is always 40 times tON.
The UCCx84-x can be shutdown to 45 uA (maximum) by pulling the SD/CT pin more positive than –0.7 V. To allow for simpler interfacing, the SD/CT pin may be pulled up to 6 V above the ground pin without turning on clamping diodes.
Internal power dissipation is further controlled with thermal-overload protection circuitry. Thermal shutdown occurs if the junction temperature exceeds 140°C. The chip remains off until the temperature has dropped 20°C (TJ= 120°C). |
| DC/DC & AC/DC (Off-Line) SMPS Evaluation Boards | 3 | Obsolete | ||
| Power Management (PMIC) | 4 | Active | ||
| PFC (Power Factor Correction) | 5 | Active | ||
| PFC (Power Factor Correction) | 6 | Active | ||