TSC2017Nanopower, 4-Wire, Micro Touch Screen Controller with I2C™ Interface | Evaluation and Demonstration Boards and Kits | 3 | Active | The TSC2017 is a very low-power touch screen controller designed to work with power-sensitive, handheld applications that are based on an advanced low-voltage processor. It works with a supply voltage as low as 1.6V, which can be supplied by a single-cell battery. It contains a complete, ultra-low power, 12-bit, analog-to-digital (A/D) resistive touch screen converter, including drivers and the control logic to measure touch pressure.
In addition to these standard features, the TSC2017 offers preprocessing of the touch screen measurements to reduce bus loading, thus reducing the consumption of host processor resources that can then be redirected to more critical functions.
The TSC2017 supports I2C serial bus and data transmission protocol in all three defined modes: standard, fast, and high-speed. It offers programmable resolution of 8 or 12 bits to accommodate different screen sizes and performance needs.
The TSC2017 is available in a 12-lead,(1.555 ±0.055mm) x (2.055 ±0.055mm), 3 x 4 array, wafer chip-scale package (WCSP). The TSC2017 is characterized for the –40°C to +85°C industrial temperature range.
The TSC2017 is a very low-power touch screen controller designed to work with power-sensitive, handheld applications that are based on an advanced low-voltage processor. It works with a supply voltage as low as 1.6V, which can be supplied by a single-cell battery. It contains a complete, ultra-low power, 12-bit, analog-to-digital (A/D) resistive touch screen converter, including drivers and the control logic to measure touch pressure.
In addition to these standard features, the TSC2017 offers preprocessing of the touch screen measurements to reduce bus loading, thus reducing the consumption of host processor resources that can then be redirected to more critical functions.
The TSC2017 supports I2C serial bus and data transmission protocol in all three defined modes: standard, fast, and high-speed. It offers programmable resolution of 8 or 12 bits to accommodate different screen sizes and performance needs.
The TSC2017 is available in a 12-lead,(1.555 ±0.055mm) x (2.055 ±0.055mm), 3 x 4 array, wafer chip-scale package (WCSP). The TSC2017 is characterized for the –40°C to +85°C industrial temperature range. |
| Evaluation Boards | 3 | Obsolete | |
TSC20464-Wire Touch Screen Controller with low voltage digital I/O and extended ESD protection | Development Boards, Kits, Programmers | 20 | Active | The TSC2046E is the next-generation version of the ADS7846 4-wire touch screen controller, supporting a low-voltage I/O interface from 1.5V to 5.25V. The TSC2046E is 100% pin-compatible with the existing ADS7846, and drops into the same socket. This design allows for an easy upgrade of current applications to the new version. The TSC2046E also has an on-chip 2.5V reference that can be used for the auxiliary input, battery monitor, and temperature measurement modes. The reference can also be powered down when not used to conserve power. The internal reference operates down to a supply voltage of 2.7V, while monitoring the battery voltage from 0V to 6V.
The low-power consumption of < 0.75mW typ at 2.7V (reference off), high-speed (up to 125kHz sample rate), and on-chip drivers make the TSC2046E an ideal choice for battery-operated systems such as personal digital assistants (PDAs) with resistive touch screens, pagers, cellular phones, and other portable equipment. The TSC2046E is available in TSSOP-16, QFN-16, and VFBGA-48 packages and is specified over the -40°C to +85°C temperature range.
The TSC2046E is the next-generation version of the ADS7846 4-wire touch screen controller, supporting a low-voltage I/O interface from 1.5V to 5.25V. The TSC2046E is 100% pin-compatible with the existing ADS7846, and drops into the same socket. This design allows for an easy upgrade of current applications to the new version. The TSC2046E also has an on-chip 2.5V reference that can be used for the auxiliary input, battery monitor, and temperature measurement modes. The reference can also be powered down when not used to conserve power. The internal reference operates down to a supply voltage of 2.7V, while monitoring the battery voltage from 0V to 6V.
The low-power consumption of < 0.75mW typ at 2.7V (reference off), high-speed (up to 125kHz sample rate), and on-chip drivers make the TSC2046E an ideal choice for battery-operated systems such as personal digital assistants (PDAs) with resistive touch screens, pagers, cellular phones, and other portable equipment. The TSC2046E is available in TSSOP-16, QFN-16, and VFBGA-48 packages and is specified over the -40°C to +85°C temperature range. |
TSC21004-Wire Touch Screen Controller with Stereo DAC / Mono ADC with HP/Speaker Amplifier | Development Boards, Kits, Programmers | 6 | Active | The TSC2100 is a highly integrated touch screen controller with on-chip processor and audio codec. The touch screen portion of the TSC2100 contains a 12-bit 4-wire resistive touch screen ADC complete with drivers, and interfaces to the host controller through a standard SPI™ serial interface. The on-chip processor provides extensive features specifically designed to reduce host processor and bus overhead, with capabilities that include fully automated operating modes, programmable conversion resolution up to 12 bits, programmable sampling rates up to 125 kHz, programmable conversion averaging, and programmable on-chip timing generation.
The TSC2100 includes a high-performance audio codec with 16/20/24/32-bit 97-dB stereo playback, mono record functionality at up to 48 ksps. A microphone input includes built-in preamp and hardware automatic gain control, with single-ended or fully-differential input capability. The dual output drivers on the TSC2100 can be programmed for low or high power drive for optimized power saving capability. The drivers can function as a stereo line-level output, a stereo headphone amplifier with capless or ac-coupled configurations, or a bridge-terminated speaker driver, delivering up to 325 mW into an 8-load. A programmable digital audio effects processor enables bass, treble, midrange, or equalization playback processing. The digital audio data format is programmable to work with popular audio standard protocols (I²S, DSP, Left/Right Justified) in master or slave mode, and also includes an on-chip programmable PLL for flexible clock generation capability. Highly configurable software power control is provided, enabling stereo audio playback at 48 ksps at 11 mW with a 3.3-V analog supply level.
The TSC2100 offers a 12-bit measurement ADC and internal reference voltage, as well as two battery measurement inputs capable of reading battery voltages up to 6 V, while operating at an analog supply as low as 2.7 V. It includes an on-chip temperature sensor capable of reading 0.3°C resolution. The TSC2100 is available in a 32 lead TSSOP and a 32 lead QFN.
The TSC2100 is a highly integrated touch screen controller with on-chip processor and audio codec. The touch screen portion of the TSC2100 contains a 12-bit 4-wire resistive touch screen ADC complete with drivers, and interfaces to the host controller through a standard SPI™ serial interface. The on-chip processor provides extensive features specifically designed to reduce host processor and bus overhead, with capabilities that include fully automated operating modes, programmable conversion resolution up to 12 bits, programmable sampling rates up to 125 kHz, programmable conversion averaging, and programmable on-chip timing generation.
The TSC2100 includes a high-performance audio codec with 16/20/24/32-bit 97-dB stereo playback, mono record functionality at up to 48 ksps. A microphone input includes built-in preamp and hardware automatic gain control, with single-ended or fully-differential input capability. The dual output drivers on the TSC2100 can be programmed for low or high power drive for optimized power saving capability. The drivers can function as a stereo line-level output, a stereo headphone amplifier with capless or ac-coupled configurations, or a bridge-terminated speaker driver, delivering up to 325 mW into an 8-load. A programmable digital audio effects processor enables bass, treble, midrange, or equalization playback processing. The digital audio data format is programmable to work with popular audio standard protocols (I²S, DSP, Left/Right Justified) in master or slave mode, and also includes an on-chip programmable PLL for flexible clock generation capability. Highly configurable software power control is provided, enabling stereo audio playback at 48 ksps at 11 mW with a 3.3-V analog supply level.
The TSC2100 offers a 12-bit measurement ADC and internal reference voltage, as well as two battery measurement inputs capable of reading battery voltages up to 6 V, while operating at an analog supply as low as 2.7 V. It includes an on-chip temperature sensor capable of reading 0.3°C resolution. The TSC2100 is available in a 32 lead TSSOP and a 32 lead QFN. |
TSC21014-Wire Touch Screen Controller, St. DAC / Mono ADC with HP/Speaker Amplifier | Development Boards, Kits, Programmers | 3 | Active | The TSC2101 is a low-power highly integrated high performance codec and touch screen controller, which supports stereo audio DAC, monaural voice ADC and SAR ADC.
The TSC2101 features a high-performance audio codec with 16, 20, 24, or 32-bit stereo playback, mono record functionality at up to 48 ksps. The device integrates several analog features such as support for headset interface, cellular headset interface, microphone interface, and speaker and receiver drivers. The device supports auto detection of headset and button press without any glue logic. The TCS2101 has fully programmable audio. The digital audio data format is programmable to work with popular audio standard protocols (I2S, DSP, left/right justified) in master or slave mode, and also includes an on-chip PLL for flexible clock generation capability.
The TSC2101 contains a 12-bit 4-wire resistive touch screen converter complete with drivers, and interfaces to the host controller through a standard SPI™ serial interface. The on-chip processor provides extensive features specifically designed to reduce host processor and bus overhead, with capabilities that include fully automated operating modes, programmable conversion resolution up to 12 bits, programmable sampling rates up to 125 kHz, programmable conversion averaging, and programmable on-chip timing generation.
The TSC2101 offers battery measurement inputs capable of reading battery voltages up to 6 V, while operating at only 3 V. It also has an on-chip temperature sensor capable of reading 0.3°C resolution. The TSC2101 is available in a 48-lead QFN.
The TSC2101 is a low-power highly integrated high performance codec and touch screen controller, which supports stereo audio DAC, monaural voice ADC and SAR ADC.
The TSC2101 features a high-performance audio codec with 16, 20, 24, or 32-bit stereo playback, mono record functionality at up to 48 ksps. The device integrates several analog features such as support for headset interface, cellular headset interface, microphone interface, and speaker and receiver drivers. The device supports auto detection of headset and button press without any glue logic. The TCS2101 has fully programmable audio. The digital audio data format is programmable to work with popular audio standard protocols (I2S, DSP, left/right justified) in master or slave mode, and also includes an on-chip PLL for flexible clock generation capability.
The TSC2101 contains a 12-bit 4-wire resistive touch screen converter complete with drivers, and interfaces to the host controller through a standard SPI™ serial interface. The on-chip processor provides extensive features specifically designed to reduce host processor and bus overhead, with capabilities that include fully automated operating modes, programmable conversion resolution up to 12 bits, programmable sampling rates up to 125 kHz, programmable conversion averaging, and programmable on-chip timing generation.
The TSC2101 offers battery measurement inputs capable of reading battery voltages up to 6 V, while operating at only 3 V. It also has an on-chip temperature sensor capable of reading 0.3°C resolution. The TSC2101 is available in a 48-lead QFN. |
| Data Acquisition | 2 | Active | |
| Touch Screen Controllers | 4 | Obsolete | |
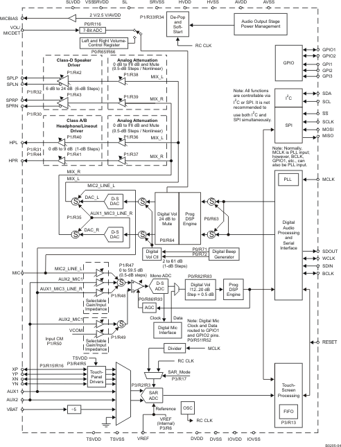
TSC21174-Wire Touch Screen Controller with Low-Power Mono ADC/Stereo DAC | Evaluation Boards | 3 | Active | The TSC2117 is a low-power, highly integrated, high-performance codec and touch-screen controller which features stereo class-D speaker amplifiers, a stereo audio DAC, mono audio ADC, and a SAR ADC.
The TSC2117 supports 16-bit stereo playback and monaural record functionality. The device integrates several analog features, such as a microphone interface, headphone drivers, and speaker drivers. The TSC2117 has two fully programmable miniDSPs for digital audio processing. The digital audio data format is programmable to work with popular audio standard protocols (I2S, left/right-justified) in master, slave, DSP, and TDM modes. Bass boost, treble, or EQ are supported by the preprogrammed modes of the programmable digital signal-processing block. An on-chip PLL provides the high-speed clock needed by the digital signal-processing block. The volume level can be controlled by either a pin control or by register control.
The TSC2117 has a 12-bit SAR ADC converter that supports a four-wire resistive touch-screen complete with drivers. All functions can be controlled by an I2C or SPI interface. A programmable beep generator is included. An on-chip processor is used in the touch-screen mode and provides extensive features specifically designed to reduce the host-processor and interface-bus overhead. The TSC2117 has three dedicated analog inputs for system voltage measurements, with an on-chip temperature sensor that can be read by the SAR ADC, and is available in a 7-mm × 7-mm 48-pin QFN package.
This data manual is designed using PDF document-viewing features that allow quick access to information. For example, performing a global search on, e.g., "page 0/register 15" produces all references to this page and register in a list. This makes is easy to traverse the list and find all information related to a page and register. Note that the search string must be of the indicated format. Also, this document includes document hyperlinks to allow the user to quickly find a document reference. To come back to the original page, click the green left arrow near the PDF page number at the bottom of the file. The hot-key for this function is alt-left arrow on the keyboard. Another way to find information quickly is to use the PDF bookmarks.
The TSC2117 is a low-power, highly integrated, high-performance codec and touch-screen controller which features stereo class-D speaker amplifiers, a stereo audio DAC, mono audio ADC, and a SAR ADC.
The TSC2117 supports 16-bit stereo playback and monaural record functionality. The device integrates several analog features, such as a microphone interface, headphone drivers, and speaker drivers. The TSC2117 has two fully programmable miniDSPs for digital audio processing. The digital audio data format is programmable to work with popular audio standard protocols (I2S, left/right-justified) in master, slave, DSP, and TDM modes. Bass boost, treble, or EQ are supported by the preprogrammed modes of the programmable digital signal-processing block. An on-chip PLL provides the high-speed clock needed by the digital signal-processing block. The volume level can be controlled by either a pin control or by register control.
The TSC2117 has a 12-bit SAR ADC converter that supports a four-wire resistive touch-screen complete with drivers. All functions can be controlled by an I2C or SPI interface. A programmable beep generator is included. An on-chip processor is used in the touch-screen mode and provides extensive features specifically designed to reduce the host-processor and interface-bus overhead. The TSC2117 has three dedicated analog inputs for system voltage measurements, with an on-chip temperature sensor that can be read by the SAR ADC, and is available in a 7-mm × 7-mm 48-pin QFN package.
This data manual is designed using PDF document-viewing features that allow quick access to information. For example, performing a global search on, e.g., "page 0/register 15" produces all references to this page and register in a list. This makes is easy to traverse the list and find all information related to a page and register. Note that the search string must be of the indicated format. Also, this document includes document hyperlinks to allow the user to quickly find a document reference. To come back to the original page, click the green left arrow near the PDF page number at the bottom of the file. The hot-key for this function is alt-left arrow on the keyboard. Another way to find information quickly is to use the PDF bookmarks. |
TSC2200Programmable 4-Wire Touch Screen Controller with 12-Bit 125KHz ADC and Keypad Interface | Development Boards, Kits, Programmers | 6 | Active | The TSC2200 is a complete PDA analog interface circuit. It contains a complete 12-bit, Analog-to-Digital (A/D) resistive touch screen converter including drivers, the control to measure touch pressure, keyboard controller, and an 8-bit Digital-to-Analog (D/A) converter output for LCD contrast control. The TSC2200 interfaces to the host controller through a standard SPI™ serial interface. The TSC2200 offers programmable resolution and sampling rates from 8- to 12-bits and up to 125kHz to accommodate different screen sizes.
The TSC2200 also offers two battery-measurement inputs capable of reading battery voltages up to 6V, while operating at only 2.7V. It also has an on-chip temperature sensor capable of reading 0.3°C resolution. The TSC2200 is available in a TSSOP-28 and a QFN-32 package.
The TSC2200 is a complete PDA analog interface circuit. It contains a complete 12-bit, Analog-to-Digital (A/D) resistive touch screen converter including drivers, the control to measure touch pressure, keyboard controller, and an 8-bit Digital-to-Analog (D/A) converter output for LCD contrast control. The TSC2200 interfaces to the host controller through a standard SPI™ serial interface. The TSC2200 offers programmable resolution and sampling rates from 8- to 12-bits and up to 125kHz to accommodate different screen sizes.
The TSC2200 also offers two battery-measurement inputs capable of reading battery voltages up to 6V, while operating at only 2.7V. It also has an on-chip temperature sensor capable of reading 0.3°C resolution. The TSC2200 is available in a TSSOP-28 and a QFN-32 package. |
| Integrated Circuits (ICs) | 3 | Obsolete | |