| RF and Wireless | 1 | Active | |
| RF and Wireless | 1 | Obsolete | |
TRS2025-V dual channel 120kbps RS-232 line driver/receiver with +/-9V output & +/-15-kV ESD protection | Integrated Circuits (ICs) | 40 | Active | The TRS202 device consists of two line drivers, two line receivers, and a dual charge-pump circuit with ±15-kV ESD protection pin-to-pin (serial-port connection pins, including GND). The device meets the requirements of TIA/EIA-232-F and provides the electrical interface between an asynchronous communication controller and the serial-port connector. The charge pump and four small external capacitors allow operation from a single 5-V supply. The device operates at data signaling rates up to 120 kbit/s and a maximum of 30-V/µs driver output slew rate.
The TRS202 device consists of two line drivers, two line receivers, and a dual charge-pump circuit with ±15-kV ESD protection pin-to-pin (serial-port connection pins, including GND). The device meets the requirements of TIA/EIA-232-F and provides the electrical interface between an asynchronous communication controller and the serial-port connector. The charge pump and four small external capacitors allow operation from a single 5-V supply. The device operates at data signaling rates up to 120 kbit/s and a maximum of 30-V/µs driver output slew rate. |
TRS202E5-V dual channel 120kbps RS-232 line driver/receiver with +/-9V output & +/-15-kV IEC-ESD protection | Interface | 1 | Active | The TRS202E consists of two line drivers, two line receivers, and a dual charge-pump circuit. TRS202E has IEC61000-4-2 (Level 4) ESD protection pin-to-pin (serial-port connection pins, including GND). The device meets the requirements of TIA/EIA-232-F and provides the electrical interface between an asynchronous communication controller and the serial-port connector. The charge pump and four small external capacitors allow operation from a single 5V supply. The device operates at data signaling rates up to 120kbit/s and a maximum of 30V/µs driver output slew rate.
The TRS202E consists of two line drivers, two line receivers, and a dual charge-pump circuit. TRS202E has IEC61000-4-2 (Level 4) ESD protection pin-to-pin (serial-port connection pins, including GND). The device meets the requirements of TIA/EIA-232-F and provides the electrical interface between an asynchronous communication controller and the serial-port connector. The charge pump and four small external capacitors allow operation from a single 5V supply. The device operates at data signaling rates up to 120kbit/s and a maximum of 30V/µs driver output slew rate. |
| Drivers, Receivers, Transceivers | 12 | Obsolete | |
TRS2085-V quad channel 120kbps RS-232 line driver/receiver with +/-9V output & +/-15-kV ESD protection | Drivers, Receivers, Transceivers | 10 | Active | The TRS208 device consists of four line drivers, four line receivers, and a dual charge-pump circuit with ±15kV HBM ESD protection pin to pin (serial-port connection pins, including GND). The device meets the requirements of TIA/EIA-232-F and provides the electrical interface between an asynchronous communication controller and the serial-port connector. The charge pump and four small external capacitors allow operation from a single 5V supply. The devices operate at data signaling rates up to 120kbit/s and a maximum of 30V/µs driver output slew rate.
The TRS208 device consists of four line drivers, four line receivers, and a dual charge-pump circuit with ±15kV HBM ESD protection pin to pin (serial-port connection pins, including GND). The device meets the requirements of TIA/EIA-232-F and provides the electrical interface between an asynchronous communication controller and the serial-port connector. The charge pump and four small external capacitors allow operation from a single 5V supply. The devices operate at data signaling rates up to 120kbit/s and a maximum of 30V/µs driver output slew rate. |
| Interface | 14 | Obsolete | |
| Drivers, Receivers, Transceivers | 10 | Active | |
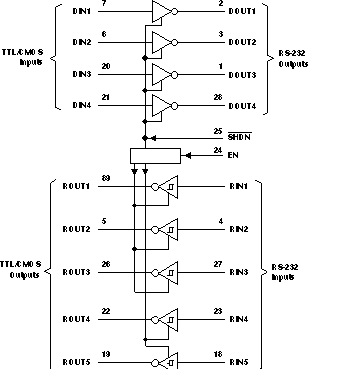
TRS213E5V multichannel 120kbps RS-232 line driver/receiver with ±9V output and ±15kV IEC ESD protection | Interface | 1 | Active | The TRS213E consists of four line drivers, five line receivers, and a dual charge-pump circuit with ±15kV IEC ESD protection on the RS-232 bus pins. The device meets the requirements of TIA/EIA-232-F, and provides the electrical interface between an asynchronous communication controller and the serial-port connector. The charge pump and four small external capacitors allow operation from a single 5V supply. The devices operate at data signaling rates up to 250kbit/s and a maximum of 30V/µs driver output slew rate.
The TRS213E has an active-low shutdown (SHDN) and an active-high enable control (EN). In shutdown mode, the charge pumps are turned off, V+ is pulled down to VCC, V– is pulled to GND, and the transmitter outputs are disabled. This reduces supply current typically to 1µA. Two receivers of the TRS213E are active during shutdown.
The TRS213E consists of four line drivers, five line receivers, and a dual charge-pump circuit with ±15kV IEC ESD protection on the RS-232 bus pins. The device meets the requirements of TIA/EIA-232-F, and provides the electrical interface between an asynchronous communication controller and the serial-port connector. The charge pump and four small external capacitors allow operation from a single 5V supply. The devices operate at data signaling rates up to 250kbit/s and a maximum of 30V/µs driver output slew rate.
The TRS213E has an active-low shutdown (SHDN) and an active-high enable control (EN). In shutdown mode, the charge pumps are turned off, V+ is pulled down to VCC, V– is pulled to GND, and the transmitter outputs are disabled. This reduces supply current typically to 1µA. Two receivers of the TRS213E are active during shutdown. |
| Drivers, Receivers, Transceivers | 7 | Obsolete | |