| Linear Voltage Regulator Evaluation Boards | 1 | Obsolete | |
| Evaluation Boards | 5 | Active | The TPS7A4001-DIE is a very high voltage-tolerant linear regulator that is able to withstand continuous dc or transient input voltages.
The TPS7A4001-DIE offers an enable pin (EN) compatible with standard CMOS logic to enable a low-current shutdown mode.
The TPS7A4001-DIE has an internal thermal shutdown and current limiting to protect the system during fault conditions.
In addition, the TPS7A4001-DIE is ideal for generating a low-voltage supply from intermediate voltage rails in telecom and industrial applications; not only it can supply a well-regulated voltage rail, but it can also withstand and maintain regulation during very high and fast voltage transients. These features translate to simpler and more cost-effective electrical surge-protection circuitry for a wide range of applications, including PoE, bias supply, and LED lighting.
The TPS7A4001-DIE is a very high voltage-tolerant linear regulator that is able to withstand continuous dc or transient input voltages.
The TPS7A4001-DIE offers an enable pin (EN) compatible with standard CMOS logic to enable a low-current shutdown mode.
The TPS7A4001-DIE has an internal thermal shutdown and current limiting to protect the system during fault conditions.
In addition, the TPS7A4001-DIE is ideal for generating a low-voltage supply from intermediate voltage rails in telecom and industrial applications; not only it can supply a well-regulated voltage rail, but it can also withstand and maintain regulation during very high and fast voltage transients. These features translate to simpler and more cost-effective electrical surge-protection circuitry for a wide range of applications, including PoE, bias supply, and LED lighting. |
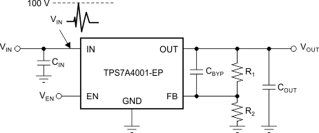
TPS7A4001-EPEnhanced product, 100-V input voltage, 50-mA single output low-dropout voltage regular | Voltage Regulators - Linear, Low Drop Out (LDO) Regulators | 1 | Active | The TPS7A4001-EP device is a very high voltage-tolerant linear regulator that offers the benefits of a thermally-enhanced package (HVSSOP) and is able to withstand continuous DC or transient input voltages of up to 100 V.
The TPS7A4001-EP device is stable with any output capacitance greater than 4.7 µF and any input capacitance greater than 1 µF (over temperature and tolerance). Therefore, implementations of this device require minimal board space because of its miniaturized packaging (HVSSOP) and a potentially small output capacitor. In addition, the TPS7A4001-EP device offers an enable pin (EN) compatible with standard CMOS logic to enable a low-current shutdown mode.
The TPS7A4001-EP device has an internal thermal shutdown and current limiting to protect the system during fault conditions. The TPS7A4001-EP device has an operating temperature range of TJ= -55°C to 125°C.
In addition, the TPS7A4001-EP device is ideal for generating a low-voltage supply from intermediate voltage rails in telecom and industrial applications; not only can it supply a well-regulated voltage rail, but it can also withstand and maintain regulation during very high and fast voltage transients. These features translate to simpler and more cost-effective electrical surge-protection circuitry for a wide range of applications, including PoE, bias supply, and LED lighting.
The TPS7A4001-EP device is a very high voltage-tolerant linear regulator that offers the benefits of a thermally-enhanced package (HVSSOP) and is able to withstand continuous DC or transient input voltages of up to 100 V.
The TPS7A4001-EP device is stable with any output capacitance greater than 4.7 µF and any input capacitance greater than 1 µF (over temperature and tolerance). Therefore, implementations of this device require minimal board space because of its miniaturized packaging (HVSSOP) and a potentially small output capacitor. In addition, the TPS7A4001-EP device offers an enable pin (EN) compatible with standard CMOS logic to enable a low-current shutdown mode.
The TPS7A4001-EP device has an internal thermal shutdown and current limiting to protect the system during fault conditions. The TPS7A4001-EP device has an operating temperature range of TJ= -55°C to 125°C.
In addition, the TPS7A4001-EP device is ideal for generating a low-voltage supply from intermediate voltage rails in telecom and industrial applications; not only can it supply a well-regulated voltage rail, but it can also withstand and maintain regulation during very high and fast voltage transients. These features translate to simpler and more cost-effective electrical surge-protection circuitry for a wide range of applications, including PoE, bias supply, and LED lighting. |
TPS7A410150-mA, 50-V, low-IQ, adjustable low-dropout voltage regulator with enable | Voltage Regulators - Linear, Low Drop Out (LDO) Regulators | 2 | Active | The TPS7A4101 is a very high voltage-tolerant linear regulator that offers the benefits of a thermally-enhanced package (HVSSOP-8), and is able to withstand continuous DC or transient input voltages of up to 50 V.
The TPS7A4101 is stable with any output capacitance greater than 4.7 µF and any input capacitance greater than 1 µF (over temperature and tolerance). Thus, implementations of this device require minimal board space because of its miniaturized packaging (HVSSOP-8) and a potentially small output capacitor. In addition, the TPS7A4101 offers an enable pin (EN) compatible with standard CMOS logic, to enable a low-current shutdown mode.
The TPS7A4101 has an internal thermal shutdown and current limiting to protect the system during fault conditions. The HVSSOP-8 packages has an operating temperature range of TJ= –40°C to 125°C.
In addition, the TPS7A4101 is ideal for generating a low-voltage supply from intermediate voltage rails in telecom and industrial applications; not only can the device supply a well-regulated voltage rail, but the device can also withstand and maintain regulation during very high and fast voltage transients. These features translate to simpler and more cost-effective electrical surge-protection circuitry for a wide range of applications.
The TPS7A4101 is a very high voltage-tolerant linear regulator that offers the benefits of a thermally-enhanced package (HVSSOP-8), and is able to withstand continuous DC or transient input voltages of up to 50 V.
The TPS7A4101 is stable with any output capacitance greater than 4.7 µF and any input capacitance greater than 1 µF (over temperature and tolerance). Thus, implementations of this device require minimal board space because of its miniaturized packaging (HVSSOP-8) and a potentially small output capacitor. In addition, the TPS7A4101 offers an enable pin (EN) compatible with standard CMOS logic, to enable a low-current shutdown mode.
The TPS7A4101 has an internal thermal shutdown and current limiting to protect the system during fault conditions. The HVSSOP-8 packages has an operating temperature range of TJ= –40°C to 125°C.
In addition, the TPS7A4101 is ideal for generating a low-voltage supply from intermediate voltage rails in telecom and industrial applications; not only can the device supply a well-regulated voltage rail, but the device can also withstand and maintain regulation during very high and fast voltage transients. These features translate to simpler and more cost-effective electrical surge-protection circuitry for a wide range of applications. |
| Power Management (PMIC) | 2 | Active | |
| Voltage Regulators - Linear, Low Drop Out (LDO) Regulators | 3 | Active | |
| Power Management (PMIC) | 3 | Active | |
| Power Management (PMIC) | 10 | Active | |
| Evaluation Boards | 3 | Active | |
| Power Management (PMIC) | 2 | Active | |