T
Texas Instruments
| Series | Category | # Parts | Status | Description |
|---|---|---|---|---|
| Part | Spec A | Spec B | Spec C | Spec D | Description |
|---|---|---|---|---|---|
| Series | Category | # Parts | Status | Description |
|---|---|---|---|---|
| Part | Spec A | Spec B | Spec C | Spec D | Description |
|---|---|---|---|---|---|
| Part | Category | Description |
|---|---|---|
Texas Instruments BQ2002CSNTRG4Unknown | Integrated Circuits (ICs) | LINEAR BATTERY CHARGER NICD/NIMH 2000MA 0V TO 6V 8-PIN SOIC T/R |
Texas Instruments LM3676SDX-3.3Obsolete | Integrated Circuits (ICs) | IC REG BUCK 3.3V 600MA 8WSON |
Texas Instruments | Integrated Circuits (ICs) | TMX320DRE311 179PIN UBGA 200MHZ |
Texas Instruments UCC3580N-1G4Obsolete | Integrated Circuits (ICs) | IC REG CTRLR FWRD CONV 16DIP |
Texas Instruments LM2831YMF EVALObsolete | Development Boards Kits Programmers | EVAL BOARD FOR LM2831 |
Texas Instruments | Integrated Circuits (ICs) | BUFFER/LINE DRIVER 8-CH NON-INVERTING 3-ST CMOS 20-PIN SSOP T/R |
Texas Instruments | Integrated Circuits (ICs) | ANALOG OTHER PERIPHERALS |
Texas Instruments | Integrated Circuits (ICs) | RADIATION-HARDENED, QMLP 60V HAL |
Texas Instruments SN75LVDS051DRObsolete | Integrated Circuits (ICs) | IC TRANSCEIVER FULL 2/2 16SOIC |
Texas Instruments | Integrated Circuits (ICs) | AUTOMOTIVE OCTAL D-TYPE FLIP-FLO |
| Series | Category | # Parts | Status | Description |
|---|---|---|---|---|
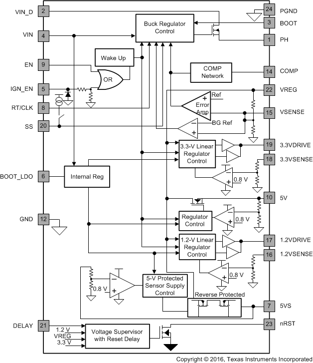
TPS65301-Q1Automotive 5.6V to 40V, 1.2A Buck Converter with 3 LDOs and Protected Sensor Supply | Integrated Circuits (ICs) | 1 | Active | The TPS65301-Q1 power supply is a combination of a single switch-mode buck power supply and three linear regulators. This is a monolithic high-voltage switching regulator with an integrated 1.2-A peak current switch, 45-V power MOSFET, one low-voltage linear regulator, two voltage-regulator controllers and a protected sensor supply.
The device has a voltage supervisor which monitors the output of the switch-mode power supply, the 3.3-V linear regulator, and the 1.2-V linear regulator. An external timing capacitor is used to set the power-on delay and the release of the reset output nRST. This reset output is also used to indicate if the switch-mode supply, the 3.3-V linear regulator supply, or the 1.2-V linear regulator supply is outside the set limits. The protected sensor supply 5VS tracks the 3.3-V linear regulator within the specified limits.
The TPS65301-Q1 device has a switching frequency range from 2 MHz to 3 MHz, allowing the use of low-profile inductors and low-value input and output ceramic capacitors. External loop compensation gives the user the flexibility to optimize the converter response for the appropriate operating conditions.
This device has built-in protection features such as soft start on IGN_EN ON or enables cycle, pulse-by-pulse current limit, thermal sensing, and shutdown due to excessive power dissipation.
The TPS65301-Q1 power supply is a combination of a single switch-mode buck power supply and three linear regulators. This is a monolithic high-voltage switching regulator with an integrated 1.2-A peak current switch, 45-V power MOSFET, one low-voltage linear regulator, two voltage-regulator controllers and a protected sensor supply.
The device has a voltage supervisor which monitors the output of the switch-mode power supply, the 3.3-V linear regulator, and the 1.2-V linear regulator. An external timing capacitor is used to set the power-on delay and the release of the reset output nRST. This reset output is also used to indicate if the switch-mode supply, the 3.3-V linear regulator supply, or the 1.2-V linear regulator supply is outside the set limits. The protected sensor supply 5VS tracks the 3.3-V linear regulator within the specified limits.
The TPS65301-Q1 device has a switching frequency range from 2 MHz to 3 MHz, allowing the use of low-profile inductors and low-value input and output ceramic capacitors. External loop compensation gives the user the flexibility to optimize the converter response for the appropriate operating conditions.
This device has built-in protection features such as soft start on IGN_EN ON or enables cycle, pulse-by-pulse current limit, thermal sensing, and shutdown due to excessive power dissipation. |
| Voltage Regulators - Linear + Switching | 2 | Active | ||
TPS65311-Q1Automotive 4V to 40V, 5 regulated output Power Management IC for automotive safety applications | Power Management (PMIC) | 1 | Active | The TPS65311-Q1 device is a power-management IC (PMIC), meeting the requirements of digital-signal-processor (DSP) controlled-automotive systems (for example, advanced driver-assistance systems). With the integration of commonly used supply rails and features, the TPS65311-Q1 device significantly reduces board space and system costs.
The device is capable of providing stable output voltages to the application, including a typical 5-V CAN-supply, from a varying input power supply (such as an automotive car battery) from 4 V to 40 V. The device includes one synchronous buck controller as a pre-regulator that offers flexible output power to the application. For post-regulation, the device includes two synchronous buck and one asynchronous boost converter, working at a switching frequency of 2.45 MHz to allow for a smaller inductor which requires less board space. The two buck converters also offer internal loop compensation which eliminates the need for external compensation components. Furthermore, the device includes a low-noise linear regulator.
To help support system safety, the device includes voltage monitoring on all supply rails and a window-watchdog to monitor the MCU and DSP. Other features include a high-side driver which drives a warning-lamp LED, a reference voltage which is used as ADC reference in the MCU, DSP, and a shutdown comparator which, in combination with external NTC-resistor, switches off the device at too-low ambient temperature.
The TPS65311-Q1 device is a power-management IC (PMIC), meeting the requirements of digital-signal-processor (DSP) controlled-automotive systems (for example, advanced driver-assistance systems). With the integration of commonly used supply rails and features, the TPS65311-Q1 device significantly reduces board space and system costs.
The device is capable of providing stable output voltages to the application, including a typical 5-V CAN-supply, from a varying input power supply (such as an automotive car battery) from 4 V to 40 V. The device includes one synchronous buck controller as a pre-regulator that offers flexible output power to the application. For post-regulation, the device includes two synchronous buck and one asynchronous boost converter, working at a switching frequency of 2.45 MHz to allow for a smaller inductor which requires less board space. The two buck converters also offer internal loop compensation which eliminates the need for external compensation components. Furthermore, the device includes a low-noise linear regulator.
To help support system safety, the device includes voltage monitoring on all supply rails and a window-watchdog to monitor the MCU and DSP. Other features include a high-side driver which drives a warning-lamp LED, a reference voltage which is used as ADC reference in the MCU, DSP, and a shutdown comparator which, in combination with external NTC-resistor, switches off the device at too-low ambient temperature. |
TPS65313-Q1High-voltage PMIC for automotive applications | Power Management (PMIC) | 1 | Active | The TPS65313-Q1 device is a power management IC (PMIC) that meets the requirements of MCU-controlled or DSP-controlled automotive, industrial, machinery, or transportation systems. With the integration of commonly used features, the device helps reduce board space and system cost.
The device includes one wide-VIN synchronous buck regulator (BUCK1) combined with one low-voltage (LV) buck regulator (BUCK2) and one boost converter (BOOST), which are powered from the wide-VIN buck regulator (BUCK1). The device features a low quiescent current in the OFF state to reduce current consumption in case the system is permanently connected to the supply. All outputs are protected against overvoltage, overload, and overtemperature conditions.
The TPS65313-Q1 device is a power management IC (PMIC) that meets the requirements of MCU-controlled or DSP-controlled automotive, industrial, machinery, or transportation systems. With the integration of commonly used features, the device helps reduce board space and system cost.
The device includes one wide-VIN synchronous buck regulator (BUCK1) combined with one low-voltage (LV) buck regulator (BUCK2) and one boost converter (BOOST), which are powered from the wide-VIN buck regulator (BUCK1). The device features a low quiescent current in the OFF state to reduce current consumption in case the system is permanently connected to the supply. All outputs are protected against overvoltage, overload, and overtemperature conditions. |
TPS65320Automotive 3.6V to 36V, 3.2A buck converter with auto-sourced 280mA LDO regulator | Power Management (PMIC) | 6 | Active | The TPS65320D-Q1 device is a combination of a high-VIN DC-DC step-down converter, referred to as the buck regulator, with an adjustable switch-mode frequency from 100-kHz to 2.5-MHz, and a high-VIN 280-mA low-dropout (LDO) regulator. The input range is 3.6 V to 36 V for the buck regulator, and 3 V to36 V for the LDO regulator. The buck regulator has an integrated high-side MOSFET. The LDO regulator features a low-input supply current of 45-µA typical in no-load, also has an integrated MOSFET with an active-low, push-pull reset output pin. The input supply of the LDO regulator auto-source from the output of the buck regulator when it is in operation. Low-voltage tracking feature enables TPS65320D-Q1 to track the input supply during cold-crank conditions.
The buck regulator provides a flexible design to fit system needs. The external loop compensation circuit allows for optimization of the converter response for the appropriate operating conditions. A low-ripple pulse-skip mode reduces the no-load input-supply current to maximum 140 µA.
The device has built-in protection features such as soft start, current-limit, thermal sensing and shutdown due to excessive power dissipation. Furthermore, the device has an internal undervoltage-lockout (UVLO) function that turns off the device when the supply voltage is too low.
The TPS65320D-Q1 device is a combination of a high-VIN DC-DC step-down converter, referred to as the buck regulator, with an adjustable switch-mode frequency from 100-kHz to 2.5-MHz, and a high-VIN 280-mA low-dropout (LDO) regulator. The input range is 3.6 V to 36 V for the buck regulator, and 3 V to36 V for the LDO regulator. The buck regulator has an integrated high-side MOSFET. The LDO regulator features a low-input supply current of 45-µA typical in no-load, also has an integrated MOSFET with an active-low, push-pull reset output pin. The input supply of the LDO regulator auto-source from the output of the buck regulator when it is in operation. Low-voltage tracking feature enables TPS65320D-Q1 to track the input supply during cold-crank conditions.
The buck regulator provides a flexible design to fit system needs. The external loop compensation circuit allows for optimization of the converter response for the appropriate operating conditions. A low-ripple pulse-skip mode reduces the no-load input-supply current to maximum 140 µA.
The device has built-in protection features such as soft start, current-limit, thermal sensing and shutdown due to excessive power dissipation. Furthermore, the device has an internal undervoltage-lockout (UVLO) function that turns off the device when the supply voltage is too low. |
TPS65321Automotive 3.6V to 36V, 3.2A Buck Converter with Wide Vin 280mA LDO Regulator | DC/DC & AC/DC (Off-Line) SMPS Evaluation Boards | 3 | Active | The TPS65321A-Q1 device is a combination of a high-VIN DC-DC step-down converter, referred to as the buck regulator, with an adjustable switch-mode frequency from 100-kHz to 2.5-MHz, and a high-VIN 280-mA low-dropout (LDO) regulator. The input range is 3.6 V to 36 V for the buck regulator, and 3 V to36 V for the LDO regulator. The buck regulator has an integrated high-side MOSFET with an active-low, open-drain power-good output-pin (nRST). The LDO regulator features a low-input supply current of 45-µA typical in no-load, also has an integrated MOSFET. Low-voltage tracking feature enables TPS65321A-Q1 to track the input supply during cold-crank conditions.
The buck regulator provides a flexible design to fit system needs. The external loop compensation circuit allows for optimization of the converter response for the appropriate operating conditions. A low-ripple pulse-skip mode reduces the no-load input-supply current to maximum 140 µA.
The device has built-in protection features such as soft start, current-limit, thermal sensing and shutdown due to excessive power dissipation. Furthermore, the device has an internal undervoltage-lockout (UVLO) function that turns off the device when the supply voltage is too low.
The TPS65321A-Q1 device is a combination of a high-VIN DC-DC step-down converter, referred to as the buck regulator, with an adjustable switch-mode frequency from 100-kHz to 2.5-MHz, and a high-VIN 280-mA low-dropout (LDO) regulator. The input range is 3.6 V to 36 V for the buck regulator, and 3 V to36 V for the LDO regulator. The buck regulator has an integrated high-side MOSFET with an active-low, open-drain power-good output-pin (nRST). The LDO regulator features a low-input supply current of 45-µA typical in no-load, also has an integrated MOSFET. Low-voltage tracking feature enables TPS65321A-Q1 to track the input supply during cold-crank conditions.
The buck regulator provides a flexible design to fit system needs. The external loop compensation circuit allows for optimization of the converter response for the appropriate operating conditions. A low-ripple pulse-skip mode reduces the no-load input-supply current to maximum 140 µA.
The device has built-in protection features such as soft start, current-limit, thermal sensing and shutdown due to excessive power dissipation. Furthermore, the device has an internal undervoltage-lockout (UVLO) function that turns off the device when the supply voltage is too low. |
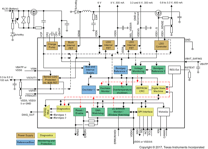
TPS65381Automotive 4.5V to 40V, 1.3A Buck Converter with 4 LDOs for Microcontrollers | Integrated Circuits (ICs) | 1 | NRND | The TPS65381-Q1 device is a multirail power supply designed to supply microcontrollers (MCUs) in safety-relevant applications, such as those found in automotive and industrial markets. The device supports Texas Instruments’ Hercules™ TMS570 MCU and C2000™ MCU families, and various other MCUs with dual-core lockstep (LS) or loosely-coupled architectures (LC).
The TPS65381-Q1 device integrates multiple supply rails to power the MCU, controller area network (CAN), or FlexRay, and an external sensor. An asynchronous-buck switch-mode power-supply converter with an internal FET converts the input supply (battery) voltage to a 6-V preregulator output. This 6-V preregulator supplies the other regulators. The device supports wakeup from IGNITION or wakeup from the CAN transceiver.
The integrated, fixed 5-V linear regulator with internal FET can be used for a CAN or FlexRay transceiver supply for example. A second linear regulator, also with an internal FET, regulates to a selectable 5-V or 3.3-V output which, for example, can be use for the MCU I/O voltage.
The TPS65381-Q1 device includes an adjustable linear-regulator controller, requiring an external FET and resistor divider, that regulates to an adjustable voltage of between 0.8 V and 3.3 V which may be used for the MCU core supply.
The integrated sensor supply can be run in tracking mode or adjustable output mode and includes short-to-ground and short-to-battery protection. Therefore, this regulator can power a sensor outside the module or electronic control unit (ECU).
The integrated charge pump provides overdrive voltage for the internal regulators. The charge pump can also be used in a reverse-battery protection circuit by using the charge-pump output to control an external NMOS transistor. This solution allows for a lower minimum-battery-voltage operation compared to a traditional reverse-battery blocking diode when the device must be operational at the lowest possible supply voltages.
The device monitors undervoltage and overvoltage on all regulator outputs, battery voltage, and internal supply rails. A second bandgap reference, independent from the main bandgap reference, is used for the undervoltage and overvoltage monitoring, to avoid any drifts in the main bandgap reference from being undetected. In addition, regulator current-limits and temperature protections are implemented.
The TPS65381-Q1 device has monitoring and protection functions, which include the following: watchdog with trigger andquestion and answermodes, MCU error-signal monitor, clock monitoring on internal oscillators, self-check on the clock monitor, cyclic redundancy check (CRC) on nonvolatile memory, a diagnostic output pin allowing the MCU to observe internal analog and digital signals of the device, a reset circuit and output pin for the MCU, and an enable drive output to disable the safing-path or external-power stages on detected faults. A built-in self-test (BIST) monitors the device functionality automatically at power-up. A dedicated DIAGNOSTIC state allows the MCU to check TPS65381-Q1 monitoring and protection functions.
The TPS65381-Q1 device is offered in a 32-pin HTSSOP PowerPAD package.
The TPS65381-Q1 device is a multirail power supply designed to supply microcontrollers (MCUs) in safety-relevant applications, such as those found in automotive and industrial markets. The device supports Texas Instruments’ Hercules™ TMS570 MCU and C2000™ MCU families, and various other MCUs with dual-core lockstep (LS) or loosely-coupled architectures (LC).
The TPS65381-Q1 device integrates multiple supply rails to power the MCU, controller area network (CAN), or FlexRay, and an external sensor. An asynchronous-buck switch-mode power-supply converter with an internal FET converts the input supply (battery) voltage to a 6-V preregulator output. This 6-V preregulator supplies the other regulators. The device supports wakeup from IGNITION or wakeup from the CAN transceiver.
The integrated, fixed 5-V linear regulator with internal FET can be used for a CAN or FlexRay transceiver supply for example. A second linear regulator, also with an internal FET, regulates to a selectable 5-V or 3.3-V output which, for example, can be use for the MCU I/O voltage.
The TPS65381-Q1 device includes an adjustable linear-regulator controller, requiring an external FET and resistor divider, that regulates to an adjustable voltage of between 0.8 V and 3.3 V which may be used for the MCU core supply.
The integrated sensor supply can be run in tracking mode or adjustable output mode and includes short-to-ground and short-to-battery protection. Therefore, this regulator can power a sensor outside the module or electronic control unit (ECU).
The integrated charge pump provides overdrive voltage for the internal regulators. The charge pump can also be used in a reverse-battery protection circuit by using the charge-pump output to control an external NMOS transistor. This solution allows for a lower minimum-battery-voltage operation compared to a traditional reverse-battery blocking diode when the device must be operational at the lowest possible supply voltages.
The device monitors undervoltage and overvoltage on all regulator outputs, battery voltage, and internal supply rails. A second bandgap reference, independent from the main bandgap reference, is used for the undervoltage and overvoltage monitoring, to avoid any drifts in the main bandgap reference from being undetected. In addition, regulator current-limits and temperature protections are implemented.
The TPS65381-Q1 device has monitoring and protection functions, which include the following: watchdog with trigger andquestion and answermodes, MCU error-signal monitor, clock monitoring on internal oscillators, self-check on the clock monitor, cyclic redundancy check (CRC) on nonvolatile memory, a diagnostic output pin allowing the MCU to observe internal analog and digital signals of the device, a reset circuit and output pin for the MCU, and an enable drive output to disable the safing-path or external-power stages on detected faults. A built-in self-test (BIST) monitors the device functionality automatically at power-up. A dedicated DIAGNOSTIC state allows the MCU to check TPS65381-Q1 monitoring and protection functions.
The TPS65381-Q1 device is offered in a 32-pin HTSSOP PowerPAD package. |
TPS65381A-Q1Multi-rail power supply (PMIC) for microcontrollers in safety applications | Power Management (PMIC) | 2 | Active | The TPS65381A-Q1 device is a multirail power supply designed to supply microcontrollers (MCUs) in safety-relevant applications, such as those found in automotive and industrial markets. The device supports Texas Instruments’ Hercules™ TMS570 MCU and C2000™ MCU families, and various other MCUs with dual-core lockstep (LS) or loosely-coupled architectures (LC).
The TPS65381A-Q1 device integrates multiple supply rails to power the MCU, controller area network (CAN), or FlexRay, and an external sensor. An asynchronous-buck switch-mode power-supply converter with an internal FET converts the input supply (battery) voltage to a 6-V preregulator output. This 6-V preregulator supplies the other regulators. The device supports wakeup from IGNITION or wakeup from the CAN transceiver.
The integrated, fixed 5-V linear regulator with internal FET can be used for a CAN or FlexRay transceiver supply for example. A second linear regulator, also with an internal FET, regulates to a selectable 5-V or 3.3-V output which, for example, can be use for the MCU I/O voltage.
The TPS65381A-Q1 device includes an adjustable linear-regulator controller, requiring an external FET and resistor divider, that regulates to an adjustable voltage of between 0.8 V and 3.3 V which may be used for the MCU core supply.
The integrated sensor supply can be run in tracking mode or adjustable output mode and includes short-to-ground and short-to-battery protection. Therefore, this regulator can power a sensor outside the module or electronic control unit (ECU).
The integrated charge pump provides overdrive voltage for the internal regulators. The charge pump can also be used in a reverse-battery protection circuit by using the charge-pump output to control an external NMOS transistor. This solution allows for a lower minimum-battery-voltage operation compared to a traditional reverse-battery blocking diode when the device must be operational at the lowest possible supply voltages.
The device monitors undervoltage and overvoltage on all regulator outputs, battery voltage, and internal supply rails. A second bandgap reference, independent from the main bandgap reference, is used for the undervoltage and overvoltage monitoring, to avoid any drifts in the main bandgap reference from being undetected. In addition, regulator current-limits and temperature protections are implemented.
The TPS65381A-Q1 device has monitoring and protection functions, which include the following: watchdog with trigger andquestion and answermodes, MCU error-signal monitor, clock monitoring on internal oscillators, self-check on the clock monitor, cyclic redundancy check (CRC) on nonvolatile memory, a diagnostic output pin allowing the MCU to observe internal analog and digital signals of the device, a reset circuit and output pin for the MCU, and an enable drive output to disable the safing-path or external-power stages on detected faults. A built-in self-test (BIST) monitors the device functionality automatically at power-up. A dedicated DIAGNOSTIC state allows the MCU to check TPS65381A-Q1 monitoring and protection functions.
The TPS65381A-Q1 device is offered in a 32-pin HTSSOP PowerPAD package.
The TPS65381A-Q1 device is a multirail power supply designed to supply microcontrollers (MCUs) in safety-relevant applications, such as those found in automotive and industrial markets. The device supports Texas Instruments’ Hercules™ TMS570 MCU and C2000™ MCU families, and various other MCUs with dual-core lockstep (LS) or loosely-coupled architectures (LC).
The TPS65381A-Q1 device integrates multiple supply rails to power the MCU, controller area network (CAN), or FlexRay, and an external sensor. An asynchronous-buck switch-mode power-supply converter with an internal FET converts the input supply (battery) voltage to a 6-V preregulator output. This 6-V preregulator supplies the other regulators. The device supports wakeup from IGNITION or wakeup from the CAN transceiver.
The integrated, fixed 5-V linear regulator with internal FET can be used for a CAN or FlexRay transceiver supply for example. A second linear regulator, also with an internal FET, regulates to a selectable 5-V or 3.3-V output which, for example, can be use for the MCU I/O voltage.
The TPS65381A-Q1 device includes an adjustable linear-regulator controller, requiring an external FET and resistor divider, that regulates to an adjustable voltage of between 0.8 V and 3.3 V which may be used for the MCU core supply.
The integrated sensor supply can be run in tracking mode or adjustable output mode and includes short-to-ground and short-to-battery protection. Therefore, this regulator can power a sensor outside the module or electronic control unit (ECU).
The integrated charge pump provides overdrive voltage for the internal regulators. The charge pump can also be used in a reverse-battery protection circuit by using the charge-pump output to control an external NMOS transistor. This solution allows for a lower minimum-battery-voltage operation compared to a traditional reverse-battery blocking diode when the device must be operational at the lowest possible supply voltages.
The device monitors undervoltage and overvoltage on all regulator outputs, battery voltage, and internal supply rails. A second bandgap reference, independent from the main bandgap reference, is used for the undervoltage and overvoltage monitoring, to avoid any drifts in the main bandgap reference from being undetected. In addition, regulator current-limits and temperature protections are implemented.
The TPS65381A-Q1 device has monitoring and protection functions, which include the following: watchdog with trigger andquestion and answermodes, MCU error-signal monitor, clock monitoring on internal oscillators, self-check on the clock monitor, cyclic redundancy check (CRC) on nonvolatile memory, a diagnostic output pin allowing the MCU to observe internal analog and digital signals of the device, a reset circuit and output pin for the MCU, and an enable drive output to disable the safing-path or external-power stages on detected faults. A built-in self-test (BIST) monitors the device functionality automatically at power-up. A dedicated DIAGNOSTIC state allows the MCU to check TPS65381A-Q1 monitoring and protection functions.
The TPS65381A-Q1 device is offered in a 32-pin HTSSOP PowerPAD package. |
TPS653851A-Q1Functional safety-compliant multi-rail power supply for safety MCUs for Q100 grade-0 applications | Power Management (PMIC) | 1 | Active | The TPS653851A-Q1 device is a multirail power supply designed to supply microcontrollers in safety relevant applications, such as those found in the automotive industry. The device supports functional safety microcontrollers with dual-core lockstep (LS) and other multi-core architectures.
The TPS653851A-Q1 device integrates multiple supply rails to power the MCU, CAN or FlexRay, and external sensors. A buck-boost converter with internal FETs converts the input battery voltage between 2.3 V and 36 V to a 6-V preregulator output that supplies the other regulators. An integrated charge pump provides an overdrive voltage for the internal regulators, and can also be used to drive an external NMOS FET as reverse battery protection. The device supports wake-up from an ignition signal (IGN pin) or wake-up from a CAN transceiver or other signal (CAN_WU pin).
An independent voltage monitoring unit inside the device monitors undervoltage and overvoltage on all internal supply rails and regulator outputs of the battery supply. Regulator current limits and temperature protections are also implemented. The TPS653851A-Q1 device features a question-answer watchdog, MCU error-signal monitor, clock monitoring on internal oscillator, self-check on clock monitor, cyclic redundancy check (CRC) on non-volatile memory and SPI communication, a diagnostic output pin allowing MCU to observe device internal analog and digital signals, a reset circuit for the MCU (NRES pin) and a safing output (ENDRV pin) to disable external power-stages on any detected system-failure. The device automatically runs a built-in self-test (BIST) at start up and the MCU may re-run the BIST during system run time through software control if needed. A dedicated DIAGNOSTIC state allows the MCU to check TPS653851A-Q1 functionality.
The TPS653851A-Q1 device also has an error reporting capability through the SPI register. The device has separate status bits in the SPI register for each specific error on the system level or device level. When the device detects a particular error condition, it sets the appropriate status bit and keeps this status bit set until the MCU reads-out the SPI register in which this status bit was set. Based on which status bit was set, the MCU can decide whether it must keep the system in a safe state or whether it can resume with the operation of the system.
The TPS653851A-Q1 device is available in a 48-pin HTSSOP PowerPAD™ IC package.
The TPS653851A-Q1 device is a multirail power supply designed to supply microcontrollers in safety relevant applications, such as those found in the automotive industry. The device supports functional safety microcontrollers with dual-core lockstep (LS) and other multi-core architectures.
The TPS653851A-Q1 device integrates multiple supply rails to power the MCU, CAN or FlexRay, and external sensors. A buck-boost converter with internal FETs converts the input battery voltage between 2.3 V and 36 V to a 6-V preregulator output that supplies the other regulators. An integrated charge pump provides an overdrive voltage for the internal regulators, and can also be used to drive an external NMOS FET as reverse battery protection. The device supports wake-up from an ignition signal (IGN pin) or wake-up from a CAN transceiver or other signal (CAN_WU pin).
An independent voltage monitoring unit inside the device monitors undervoltage and overvoltage on all internal supply rails and regulator outputs of the battery supply. Regulator current limits and temperature protections are also implemented. The TPS653851A-Q1 device features a question-answer watchdog, MCU error-signal monitor, clock monitoring on internal oscillator, self-check on clock monitor, cyclic redundancy check (CRC) on non-volatile memory and SPI communication, a diagnostic output pin allowing MCU to observe device internal analog and digital signals, a reset circuit for the MCU (NRES pin) and a safing output (ENDRV pin) to disable external power-stages on any detected system-failure. The device automatically runs a built-in self-test (BIST) at start up and the MCU may re-run the BIST during system run time through software control if needed. A dedicated DIAGNOSTIC state allows the MCU to check TPS653851A-Q1 functionality.
The TPS653851A-Q1 device also has an error reporting capability through the SPI register. The device has separate status bits in the SPI register for each specific error on the system level or device level. When the device detects a particular error condition, it sets the appropriate status bit and keeps this status bit set until the MCU reads-out the SPI register in which this status bit was set. Based on which status bit was set, the MCU can decide whether it must keep the system in a safe state or whether it can resume with the operation of the system.
The TPS653851A-Q1 device is available in a 48-pin HTSSOP PowerPAD™ IC package. |
TPS653852A-Q1SafeTI-ISO26262 ASIL-D multi-rail power supply for MCUs with 500mA I/O rail | Power Management (PMIC) | 1 | Active | The TPS653850A-Q1 and TPS653852A-Q1 device is a multirail power supply designed to supply microcontrollers in safety relevant applications, such as those found in the automotive industry. The device supports functional safety microcontrollers with dual-core lockstep (LS) and other multi-core architectures.
The TPS653850A-Q1 and TPS653852A-Q1 device integrates multiple supply rails to power the MCU, CAN or FlexRay, and external sensors. A buck-boost converter with internal FETs converts the input battery voltage between 2.3 V and 36 V to a 6-V preregulator output that supplies the other regulators. An integrated charge pump provides an overdrive voltage for the internal regulators, and can also be used to drive an external NMOS FET as reverse battery protection. The device supports wake-up from an ignition signal (IGN pin) or wake-up from a CAN transceiver or other signal (CAN_WU pin).
An independent voltage monitoring unit inside the device monitors undervoltage and overvoltage on all internal supply rails and regulator outputs of the battery supply. Regulator current limits and temperature protections are also implemented. The TPS653850A-Q1 and TPS653852A-Q1 device features a question-answer watchdog, MCU error-signal monitor, clock monitoring on internal oscillator, self-check on clock monitor, cyclic redundancy check (CRC) on non-volatile memory and SPI communication, a diagnostic output pin allowing MCU to observe device internal analog and digital signals, a reset circuit for the MCU (NRES pin) and a safing output (ENDRV pin) to disable external power-stages on any detected system-failure. The device automatically runs a built-in self-test (BIST) at start up and the MCU may re-run the BIST during system run time through software control if needed. A dedicated DIAGNOSTIC state allows the MCU to check TPS653850A-Q1 and TPS653852A-Q1 functionality.
The TPS653850A-Q1 and TPS653852A-Q1 device also has an error reporting capability through the SPI register. The device has separate status bits in the SPI register for each specific error on the system level or device level. When the device detects a particular error condition, it sets the appropriate status bit and keeps this status bit set until the MCU reads-out the SPI register in which this status bit was set. Based on which status bit was set, the MCU can decide whether it must keep the system in a safe state or whether it can resume with the operation of the system.
The TPS653850A-Q1 and TPS653852A-Q1 device is available in a 48-pin HTSSOP PowerPAD™ IC package.
The TPS653850A-Q1 and TPS653852A-Q1 device is a multirail power supply designed to supply microcontrollers in safety relevant applications, such as those found in the automotive industry. The device supports functional safety microcontrollers with dual-core lockstep (LS) and other multi-core architectures.
The TPS653850A-Q1 and TPS653852A-Q1 device integrates multiple supply rails to power the MCU, CAN or FlexRay, and external sensors. A buck-boost converter with internal FETs converts the input battery voltage between 2.3 V and 36 V to a 6-V preregulator output that supplies the other regulators. An integrated charge pump provides an overdrive voltage for the internal regulators, and can also be used to drive an external NMOS FET as reverse battery protection. The device supports wake-up from an ignition signal (IGN pin) or wake-up from a CAN transceiver or other signal (CAN_WU pin).
An independent voltage monitoring unit inside the device monitors undervoltage and overvoltage on all internal supply rails and regulator outputs of the battery supply. Regulator current limits and temperature protections are also implemented. The TPS653850A-Q1 and TPS653852A-Q1 device features a question-answer watchdog, MCU error-signal monitor, clock monitoring on internal oscillator, self-check on clock monitor, cyclic redundancy check (CRC) on non-volatile memory and SPI communication, a diagnostic output pin allowing MCU to observe device internal analog and digital signals, a reset circuit for the MCU (NRES pin) and a safing output (ENDRV pin) to disable external power-stages on any detected system-failure. The device automatically runs a built-in self-test (BIST) at start up and the MCU may re-run the BIST during system run time through software control if needed. A dedicated DIAGNOSTIC state allows the MCU to check TPS653850A-Q1 and TPS653852A-Q1 functionality.
The TPS653850A-Q1 and TPS653852A-Q1 device also has an error reporting capability through the SPI register. The device has separate status bits in the SPI register for each specific error on the system level or device level. When the device detects a particular error condition, it sets the appropriate status bit and keeps this status bit set until the MCU reads-out the SPI register in which this status bit was set. Based on which status bit was set, the MCU can decide whether it must keep the system in a safe state or whether it can resume with the operation of the system.
The TPS653850A-Q1 and TPS653852A-Q1 device is available in a 48-pin HTSSOP PowerPAD™ IC package. |