T
Texas Instruments
| Series | Category | # Parts | Status | Description |
|---|---|---|---|---|
| Part | Spec A | Spec B | Spec C | Spec D | Description |
|---|---|---|---|---|---|
| Series | Category | # Parts | Status | Description |
|---|---|---|---|---|
| Part | Spec A | Spec B | Spec C | Spec D | Description |
|---|---|---|---|---|---|
| Part | Category | Description |
|---|---|---|
Texas Instruments BQ2002CSNTRG4Unknown | Integrated Circuits (ICs) | LINEAR BATTERY CHARGER NICD/NIMH 2000MA 0V TO 6V 8-PIN SOIC T/R |
Texas Instruments LM3676SDX-3.3Obsolete | Integrated Circuits (ICs) | IC REG BUCK 3.3V 600MA 8WSON |
Texas Instruments | Integrated Circuits (ICs) | TMX320DRE311 179PIN UBGA 200MHZ |
Texas Instruments UCC3580N-1G4Obsolete | Integrated Circuits (ICs) | IC REG CTRLR FWRD CONV 16DIP |
Texas Instruments LM2831YMF EVALObsolete | Development Boards Kits Programmers | EVAL BOARD FOR LM2831 |
Texas Instruments | Integrated Circuits (ICs) | BUFFER/LINE DRIVER 8-CH NON-INVERTING 3-ST CMOS 20-PIN SSOP T/R |
Texas Instruments | Integrated Circuits (ICs) | ANALOG OTHER PERIPHERALS |
Texas Instruments | Integrated Circuits (ICs) | RADIATION-HARDENED, QMLP 60V HAL |
Texas Instruments SN75LVDS051DRObsolete | Integrated Circuits (ICs) | IC TRANSCEIVER FULL 2/2 16SOIC |
Texas Instruments | Integrated Circuits (ICs) | AUTOMOTIVE OCTAL D-TYPE FLIP-FLO |
| Series | Category | # Parts | Status | Description |
|---|---|---|---|---|
| DC DC Switching Controllers | 3 | Active | ||
| DC/DC & AC/DC (Off-Line) SMPS Evaluation Boards | 5 | Active | ||
TPS40061Wide Input (10V-55V) up to 1 MHz Frequency Synchronous Buck Controller, source/sink | Power Management (PMIC) | 3 | Active | The TPS40060 and TPS40061 are high-voltage, wide input (10 V to 55 V) synchronous, step-down converters.
This family of devices offers design flexibility with a variety of user programmable functions, including; soft-start, UVLO, operating frequency, voltage feed-forward, high-side current limit, and loop compensation. These devices are also synchronizable to an external supply.
The TPS40060 and TPS40061 incorporate MOSFET gate drivers for external P-channel high-side and N-channel synchronous rectifier (SR) MOSFETs. Gate drive logic incorporates anti-cross conduction circuitry to prevent simultaneous high-side and synchronous rectifier conduction.
The TPS40060 and TPS40061 are high-voltage, wide input (10 V to 55 V) synchronous, step-down converters.
This family of devices offers design flexibility with a variety of user programmable functions, including; soft-start, UVLO, operating frequency, voltage feed-forward, high-side current limit, and loop compensation. These devices are also synchronizable to an external supply.
The TPS40060 and TPS40061 incorporate MOSFET gate drivers for external P-channel high-side and N-channel synchronous rectifier (SR) MOSFETs. Gate drive logic incorporates anti-cross conduction circuitry to prevent simultaneous high-side and synchronous rectifier conduction. |
| DC DC Switching Controllers | 3 | LTB | ||
TPS40071Mid Range Input (4.5V-28V) up to 1 MHz Frequency Synchronous Buck Controller, source/sink | Integrated Circuits (ICs) | 4 | NRND | The TPS4007x is a mid voltage, wide input (4.5 V to 28 V), synchronous, step-down converter.
The TPS4007x offers design flexibility with a variety of user programmable functions, including; soft-start, UVLO, operating frequency, voltage feed-forward and high-side FET sensed short circuit protection.
The TPS4007x incorporates MOSFET gate drivers for external N-channel high-side and synchronous rectifier (SR) MOSFETs. Gate drive logic incorporates predictive anti-cross conduction circuitry to prevent simultaneous high-side and synchronous rectifier conduction, while minimizing to eliminating current flow in the body diode of the SR FET. The TPS40071 allows the supply output to sink current at all times. The TPS40070 implements a source-only power supply.
The TPS4007x uses voltage feed-forward control techniques to provide good line regulation over a wide-input voltage range, and fast response to input line transients with near constant gain with input variation to ease loop compensation. The externally programmable short circuit protection provides fault current limiting, as well as hiccup mode operation for thermal protection in the presence of a shorted output.The TPS4007x is packaged in a 16-pin PowerPAD package for better thermal performance at higher voltages and frequencies. See SLMA002 for information on board layout for the PowerPAD package. The pcb pad that the PowerPAD solders to should be connected to GND. Due to the die attach method, the PowerPAD itself cannot be used as the device ground connection. The two device grounds must be connected as well.
The TPS4007x is a mid voltage, wide input (4.5 V to 28 V), synchronous, step-down converter.
The TPS4007x offers design flexibility with a variety of user programmable functions, including; soft-start, UVLO, operating frequency, voltage feed-forward and high-side FET sensed short circuit protection.
The TPS4007x incorporates MOSFET gate drivers for external N-channel high-side and synchronous rectifier (SR) MOSFETs. Gate drive logic incorporates predictive anti-cross conduction circuitry to prevent simultaneous high-side and synchronous rectifier conduction, while minimizing to eliminating current flow in the body diode of the SR FET. The TPS40071 allows the supply output to sink current at all times. The TPS40070 implements a source-only power supply.
The TPS4007x uses voltage feed-forward control techniques to provide good line regulation over a wide-input voltage range, and fast response to input line transients with near constant gain with input variation to ease loop compensation. The externally programmable short circuit protection provides fault current limiting, as well as hiccup mode operation for thermal protection in the presence of a shorted output.The TPS4007x is packaged in a 16-pin PowerPAD package for better thermal performance at higher voltages and frequencies. See SLMA002 for information on board layout for the PowerPAD package. The pcb pad that the PowerPAD solders to should be connected to GND. Due to the die attach method, the PowerPAD itself cannot be used as the device ground connection. The two device grounds must be connected as well. |
TPS40074Midrange Input Synchronous Buck Controller With Voltage Feed-Forward | Integrated Circuits (ICs) | 3 | LTB | The TPS40074 is a mid voltage, wide input (4.5-V to 28-V), synchronous, step-down controller, offering design flexibility for a variety of user programmable functions, including; soft start, UVLO, operating frequency, voltage feed-forward and high-side FET sensed short circuit protection.
The TPS40074 incorporates MOSFET gate drivers for external N-channel high side and synchronous rectifier (SR) MOSFETs. The gate drive logic incorporates second generation predictive anti-cross conduction circuitry to prevent simultaneous high side and synchronous rectifier conduction, while minimizing to eliminating current flow in the body diode of the SR FET. The TPS40074 allows for starting into pre-biased outputs by not allowing the synchronous rectifier FET to turn on until the commanded voltage during soft start is greater than the existing pre-bias voltage.
The TPS40074 uses voltage feed-forward control techniques to provide good line regulation over a wide input voltage range, and fast response to input line transients. Voltage feed-forward also provides nearly constant power stage gain with input variation to ease loop compensation of wide input range designs. The externally programmable short circuit protection provides fault current limiting, as well as hiccup mode operation for low power dissipation in the presence of a shorted output. The TPS40074 is packaged in a 20-pin QFN package for better thermal performance at higher voltages and frequencies, as well as reduced footprint.
The TPS40074 is a mid voltage, wide input (4.5-V to 28-V), synchronous, step-down controller, offering design flexibility for a variety of user programmable functions, including; soft start, UVLO, operating frequency, voltage feed-forward and high-side FET sensed short circuit protection.
The TPS40074 incorporates MOSFET gate drivers for external N-channel high side and synchronous rectifier (SR) MOSFETs. The gate drive logic incorporates second generation predictive anti-cross conduction circuitry to prevent simultaneous high side and synchronous rectifier conduction, while minimizing to eliminating current flow in the body diode of the SR FET. The TPS40074 allows for starting into pre-biased outputs by not allowing the synchronous rectifier FET to turn on until the commanded voltage during soft start is greater than the existing pre-bias voltage.
The TPS40074 uses voltage feed-forward control techniques to provide good line regulation over a wide input voltage range, and fast response to input line transients. Voltage feed-forward also provides nearly constant power stage gain with input variation to ease loop compensation of wide input range designs. The externally programmable short circuit protection provides fault current limiting, as well as hiccup mode operation for low power dissipation in the presence of a shorted output. The TPS40074 is packaged in a 20-pin QFN package for better thermal performance at higher voltages and frequencies, as well as reduced footprint. |
TPS400754.5-V to 28-V, synchronous buck controller with voltage feed forward | Development Boards, Kits, Programmers | 5 | Active | The TPS40075 is a mid voltage, wide input (4.5-V to 28-V), synchronous, step-down controller, offering design flexibility for a variety of user programmable functions, including; soft start, UVLO, operating frequency, voltage feed-forward and high-side FET sensed short circuit protection.
The TPS40075 drives external N-channel MOSFETs using second generation Predictive Gate Drive to minimize conduction in the body diode of the low side FET and maximize efficiency. Pre-biased outputs are supported by not allowing the low side FET to turn on until the voltage commanded by the closed loop soft start is greater than the pre-bias voltage. Voltage feed forward provides good response to input transients and provides a constant PWM gain over a wide input voltage operating range to ease compensation requirements. Programmable short circuit protection provides fault current limiting and hiccup recovery to minimize power dissipation with a shorted output. The 20-pin QFN package gives good thermal performance and a compact footprint.
The TPS40075 is a mid voltage, wide input (4.5-V to 28-V), synchronous, step-down controller, offering design flexibility for a variety of user programmable functions, including; soft start, UVLO, operating frequency, voltage feed-forward and high-side FET sensed short circuit protection.
The TPS40075 drives external N-channel MOSFETs using second generation Predictive Gate Drive to minimize conduction in the body diode of the low side FET and maximize efficiency. Pre-biased outputs are supported by not allowing the low side FET to turn on until the voltage commanded by the closed loop soft start is greater than the pre-bias voltage. Voltage feed forward provides good response to input transients and provides a constant PWM gain over a wide input voltage operating range to ease compensation requirements. Programmable short circuit protection provides fault current limiting and hiccup recovery to minimize power dissipation with a shorted output. The 20-pin QFN package gives good thermal performance and a compact footprint. |
| DC DC Switching Controllers | 5 | Active | ||
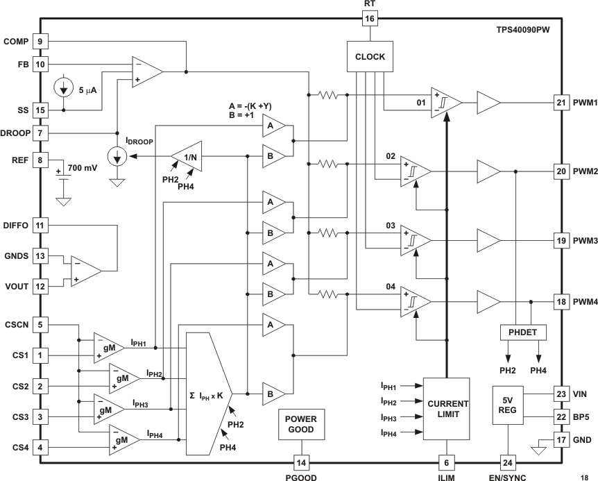
TPS400904 Channel Multiphase Buck DC/DC Controller | Development Boards, Kits, Programmers | 8 | Active | The TPS4009x is a two-, three-, or four-phase programmable synchronous buck controller that is optimized for low-voltage, high-current applications powered by a 5-V to 15-V distributed supply. A multi-phase converter offers several advantages over a single power stage including lower current ripple on the input and output capacitors, faster transient response to load steps, improved power handling capabilities, and higher system efficiency.
Each phase can be operated at a switching frequency up to 1-MHz, resulting in an effective ripple frequency of up to 4-MHz at the input and the output in a four-phase application. A two-phase design operates 180 degrees out-of-phase, a three-phase design operates 120 degrees out-of-phase, and a four-phase design operates 90 degrees out-of-phase.
The number of phases is programmed by connecting the de-activated phase PWM output to the output of the internal 5-V LDO. In two-phase operation the even phase outputs should be de-activated.
The TPS4009x uses fixed frequency, peak current mode control with forced phase current balancing. When compared to voltage mode control, current mode results in a simplified feedback network and reduced input line sensitivity. Phase current is sensed by using either current sense resistors installed in series with output inductors or, for improved efficiency, by using the DCR (direct current resistance) of the filter inductors. The latter method involves generation of a current proportional signal with an R-C circuit.
The R-C values are selected by matching the time constants of the R-C circuit and the inductor; R-C = L/DCR. With either current sense method, the current signal is amplified and superimposed on the amplified voltage error signal to provide current mode PWM control.
An output voltage droop can be programmed to improve the transient window and reduce size of the output filter. Other features include a single voltage operation, a true differential sense amplifier, a programmable current limit, soft-start and a power good indicator.
The TPS4009x is a two-, three-, or four-phase programmable synchronous buck controller that is optimized for low-voltage, high-current applications powered by a 5-V to 15-V distributed supply. A multi-phase converter offers several advantages over a single power stage including lower current ripple on the input and output capacitors, faster transient response to load steps, improved power handling capabilities, and higher system efficiency.
Each phase can be operated at a switching frequency up to 1-MHz, resulting in an effective ripple frequency of up to 4-MHz at the input and the output in a four-phase application. A two-phase design operates 180 degrees out-of-phase, a three-phase design operates 120 degrees out-of-phase, and a four-phase design operates 90 degrees out-of-phase.
The number of phases is programmed by connecting the de-activated phase PWM output to the output of the internal 5-V LDO. In two-phase operation the even phase outputs should be de-activated.
The TPS4009x uses fixed frequency, peak current mode control with forced phase current balancing. When compared to voltage mode control, current mode results in a simplified feedback network and reduced input line sensitivity. Phase current is sensed by using either current sense resistors installed in series with output inductors or, for improved efficiency, by using the DCR (direct current resistance) of the filter inductors. The latter method involves generation of a current proportional signal with an R-C circuit.
The R-C values are selected by matching the time constants of the R-C circuit and the inductor; R-C = L/DCR. With either current sense method, the current signal is amplified and superimposed on the amplified voltage error signal to provide current mode PWM control.
An output voltage droop can be programmed to improve the transient window and reduce size of the output filter. Other features include a single voltage operation, a true differential sense amplifier, a programmable current limit, soft-start and a power good indicator. |
| Power Management (PMIC) | 4 | Active | ||