T
Texas Instruments
| Series | Category | # Parts | Status | Description |
|---|---|---|---|---|
| Part | Spec A | Spec B | Spec C | Spec D | Description |
|---|---|---|---|---|---|
| Series | Category | # Parts | Status | Description |
|---|---|---|---|---|
| Part | Spec A | Spec B | Spec C | Spec D | Description |
|---|---|---|---|---|---|
| Series | Category | # Parts | Status | Description |
|---|---|---|---|---|
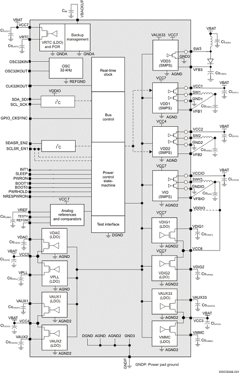
TPS6590378Power Management IC (PMIC) for ARM Cortex A15 Processors | Evaluation Boards | 9 | Active | The TPS659037 device is an integrated power-management IC (PMIC). The device provides seven configurable step-down converters with up to 6 A of output current for memory, processor core, input-output (I/O), or preregulation of LDOs. One of these configurable step-down converters can be combined with another 3-A regulator to allow up to 9 A of output current. All of the step-down converters can synchronize to an external clock source between 1.7 MHz and 2.7 MHz, or an internal fallback clock at 2.2 MHz.
The TPS659037 device contains seven LDO regulators for external use. These LDO regulators can be supplied from either a system supply or a preregulated supply. The power-up and power-down controller is configurable and supports any power-up and power-down sequences (OTP based). The TPS659037 device includes a 32-kHz RC oscillator to sequence all resources during power up and power down. In cases where a fast start up is needed, a 16-MHz crystal oscillator is also included to quickly generate a stable 32-kHz for the system. All LDOs and SMPS converters can be controlled by the SPI or I2C interface, or by power request signals. In addition, voltage scaling registers allow transitioning the SMPS to different voltages by SPI, I2C, or roof and floor control.
One dedicated pin in each package can be configured as part of the power-up sequence to control external resources. General-purpose input-output (GPIO) functionality is available and two GPIOs can be configured as part of the power-up sequence to control external resources. Power request signals enable power mode control for power optimization. The device includes a general-purpose sigma-delta analog-to-digital converter (GPADC) with three external input channels.
The TPS659037 device is available in a 13-pin × 13-pin nFBGA package with a 0,8-mm pitch.
The TPS659037 device is an integrated power-management IC (PMIC). The device provides seven configurable step-down converters with up to 6 A of output current for memory, processor core, input-output (I/O), or preregulation of LDOs. One of these configurable step-down converters can be combined with another 3-A regulator to allow up to 9 A of output current. All of the step-down converters can synchronize to an external clock source between 1.7 MHz and 2.7 MHz, or an internal fallback clock at 2.2 MHz.
The TPS659037 device contains seven LDO regulators for external use. These LDO regulators can be supplied from either a system supply or a preregulated supply. The power-up and power-down controller is configurable and supports any power-up and power-down sequences (OTP based). The TPS659037 device includes a 32-kHz RC oscillator to sequence all resources during power up and power down. In cases where a fast start up is needed, a 16-MHz crystal oscillator is also included to quickly generate a stable 32-kHz for the system. All LDOs and SMPS converters can be controlled by the SPI or I2C interface, or by power request signals. In addition, voltage scaling registers allow transitioning the SMPS to different voltages by SPI, I2C, or roof and floor control.
One dedicated pin in each package can be configured as part of the power-up sequence to control external resources. General-purpose input-output (GPIO) functionality is available and two GPIOs can be configured as part of the power-up sequence to control external resources. Power request signals enable power mode control for power optimization. The device includes a general-purpose sigma-delta analog-to-digital converter (GPADC) with three external input channels.
The TPS659037 device is available in a 13-pin × 13-pin nFBGA package with a 0,8-mm pitch. |
| Development Boards, Kits, Programmers | 1 | Obsolete | ||
TPS659038-Q1Automotive 3.135-V to 5.25-V, 7 buck & 11-LDO PMIC for ARM Cortex-A15 processors | Power Management (PMIC) | 1 | Active | The TPS659038-Q1 and TPS659039-Q1 devices are integrated power-management integrated circuits (PMICs) for automotive applications. The device provides seven configurable step-down converters with up to 6 A of output current for memory, processor core, input-output (I/O), or preregulation of LDOs. One of these configurable step-down converters can be combined with another 3-A regulator to allow up to 9 A of output current. All of the step-down converters can synchronize to an external clock source between 1.7 Mhz and 2.7 MHz, or an internal fall back clock at 2.2 MHz. The TPS659038-Q1 device contains 11 LDO regulators while the TPS659039-Q1 device contains six LDO regulators for external use. These LDO regulators can be supplied from either a system supply or a preregulated supply. The power-up and power-down controller is configurable and supports any power-up and power-down sequences (OTP based). The TPS659038-Q1 and TPS659039-Q1 devices include a 32-kHz RC oscillator to sequence all resources during power up and power down. In cases where a fast start up is needed, a 16-MHz crystal oscillator is also included to quickly generate a stable 32-kHz for the system. All LDOs and SMPS converters can be controlled by the SPI or I2C interface, or by power request signals. In addition, voltage scaling registers allow transitioning the SMPS to different voltages by SPI, I2C, or roof and floor control. One dedicated pin in each package can be configured as part of the power-up sequence to control external resources. General-purpose input-output (GPIO) functionality is available and two GPIOs can be configured as part of the power-up sequence to control external resources. Power request signals enable power mode control for power optimization. The device includes a general-purpose (GP) sigma-delta analog-to-digital converter (ADC) with three external input channels. The TPS659038-Q1 and TPS659039-Q1 device is available in a 13-ball × 13-ball nFBGA package with a 0,8-mm pitch.
The TPS659038-Q1 and TPS659039-Q1 devices are integrated power-management integrated circuits (PMICs) for automotive applications. The device provides seven configurable step-down converters with up to 6 A of output current for memory, processor core, input-output (I/O), or preregulation of LDOs. One of these configurable step-down converters can be combined with another 3-A regulator to allow up to 9 A of output current. All of the step-down converters can synchronize to an external clock source between 1.7 Mhz and 2.7 MHz, or an internal fall back clock at 2.2 MHz. The TPS659038-Q1 device contains 11 LDO regulators while the TPS659039-Q1 device contains six LDO regulators for external use. These LDO regulators can be supplied from either a system supply or a preregulated supply. The power-up and power-down controller is configurable and supports any power-up and power-down sequences (OTP based). The TPS659038-Q1 and TPS659039-Q1 devices include a 32-kHz RC oscillator to sequence all resources during power up and power down. In cases where a fast start up is needed, a 16-MHz crystal oscillator is also included to quickly generate a stable 32-kHz for the system. All LDOs and SMPS converters can be controlled by the SPI or I2C interface, or by power request signals. In addition, voltage scaling registers allow transitioning the SMPS to different voltages by SPI, I2C, or roof and floor control. One dedicated pin in each package can be configured as part of the power-up sequence to control external resources. General-purpose input-output (GPIO) functionality is available and two GPIOs can be configured as part of the power-up sequence to control external resources. Power request signals enable power mode control for power optimization. The device includes a general-purpose (GP) sigma-delta analog-to-digital converter (ADC) with three external input channels. The TPS659038-Q1 and TPS659039-Q1 device is available in a 13-ball × 13-ball nFBGA package with a 0,8-mm pitch. |
TPS659039-Q1Automotive 3.135-V to 5.25-V, 7 buck & 6-LDO PMIC for ARM Cortex-A15 processors | Power Management - Specialized | 3 | Active | The TPS659038-Q1 and TPS659039-Q1 devices are integrated power-management integrated circuits (PMICs) for automotive applications. The device provides seven configurable step-down converters with up to 6 A of output current for memory, processor core, input-output (I/O), or preregulation of LDOs. One of these configurable step-down converters can be combined with another 3-A regulator to allow up to 9 A of output current. All of the step-down converters can synchronize to an external clock source between 1.7 Mhz and 2.7 MHz, or an internal fall back clock at 2.2 MHz. The TPS659038-Q1 device contains 11 LDO regulators while the TPS659039-Q1 device contains six LDO regulators for external use. These LDO regulators can be supplied from either a system supply or a preregulated supply. The power-up and power-down controller is configurable and supports any power-up and power-down sequences (OTP based). The TPS659038-Q1 and TPS659039-Q1 devices include a 32-kHz RC oscillator to sequence all resources during power up and power down. In cases where a fast start up is needed, a 16-MHz crystal oscillator is also included to quickly generate a stable 32-kHz for the system. All LDOs and SMPS converters can be controlled by the SPI or I2C interface, or by power request signals. In addition, voltage scaling registers allow transitioning the SMPS to different voltages by SPI, I2C, or roof and floor control. One dedicated pin in each package can be configured as part of the power-up sequence to control external resources. General-purpose input-output (GPIO) functionality is available and two GPIOs can be configured as part of the power-up sequence to control external resources. Power request signals enable power mode control for power optimization. The device includes a general-purpose (GP) sigma-delta analog-to-digital converter (ADC) with three external input channels. The TPS659038-Q1 and TPS659039-Q1 device is available in a 13-ball × 13-ball nFBGA package with a 0,8-mm pitch.
The TPS659038-Q1 and TPS659039-Q1 devices are integrated power-management integrated circuits (PMICs) for automotive applications. The device provides seven configurable step-down converters with up to 6 A of output current for memory, processor core, input-output (I/O), or preregulation of LDOs. One of these configurable step-down converters can be combined with another 3-A regulator to allow up to 9 A of output current. All of the step-down converters can synchronize to an external clock source between 1.7 Mhz and 2.7 MHz, or an internal fall back clock at 2.2 MHz. The TPS659038-Q1 device contains 11 LDO regulators while the TPS659039-Q1 device contains six LDO regulators for external use. These LDO regulators can be supplied from either a system supply or a preregulated supply. The power-up and power-down controller is configurable and supports any power-up and power-down sequences (OTP based). The TPS659038-Q1 and TPS659039-Q1 devices include a 32-kHz RC oscillator to sequence all resources during power up and power down. In cases where a fast start up is needed, a 16-MHz crystal oscillator is also included to quickly generate a stable 32-kHz for the system. All LDOs and SMPS converters can be controlled by the SPI or I2C interface, or by power request signals. In addition, voltage scaling registers allow transitioning the SMPS to different voltages by SPI, I2C, or roof and floor control. One dedicated pin in each package can be configured as part of the power-up sequence to control external resources. General-purpose input-output (GPIO) functionality is available and two GPIOs can be configured as part of the power-up sequence to control external resources. Power request signals enable power mode control for power optimization. The device includes a general-purpose (GP) sigma-delta analog-to-digital converter (ADC) with three external input channels. The TPS659038-Q1 and TPS659039-Q1 device is available in a 13-ball × 13-ball nFBGA package with a 0,8-mm pitch. |
TPS659102Integrated Power Management IC (PMIC) w/ 4 DC/DCs, 8 LDOs and RTC in 6x6mm QFN family | Evaluation and Demonstration Boards and Kits | 15 | Active | The TPS65910 device is an integrated power-management IC available in 48-QFN package and dedicated to applications powered by one Li-Ion or Li-Ion polymer battery cell or 3-series Ni-MH cells, or by a 5-V input; it requires multiple power rails. The device provides three step-down converters, one step-up converter, and eight LDOs and is designed to support the specific power requirements of OMAP-based applications.
Two of the step-down converters provide power for dual processor cores and are controllable by a dedicated class-3 SmartReflex interface for optimum power savings. The third converter provides power for the I/Os and memory in the system.
The device includes eight general-purpose LDOs providing a wide range of voltage and current capabilities. The LDOs are fully controllable by the I2C interface. The use of the LDOs is flexible; they are intended to be used as follows: Two LDOs are designated to power the PLL and video DAC supply rails on the OMAP-based processors, four general-purpose auxiliary LDOs are available to provide power to other devices in the system, and two LDOs are provided to power DDR memory supplies in applications requiring these memories.
In addition to the power resources, the device contains an embedded power controller (EPC) to manage the power sequencing requirements of the OMAP systems and an RTC.
The TPS65910 device is an integrated power-management IC available in 48-QFN package and dedicated to applications powered by one Li-Ion or Li-Ion polymer battery cell or 3-series Ni-MH cells, or by a 5-V input; it requires multiple power rails. The device provides three step-down converters, one step-up converter, and eight LDOs and is designed to support the specific power requirements of OMAP-based applications.
Two of the step-down converters provide power for dual processor cores and are controllable by a dedicated class-3 SmartReflex interface for optimum power savings. The third converter provides power for the I/Os and memory in the system.
The device includes eight general-purpose LDOs providing a wide range of voltage and current capabilities. The LDOs are fully controllable by the I2C interface. The use of the LDOs is flexible; they are intended to be used as follows: Two LDOs are designated to power the PLL and video DAC supply rails on the OMAP-based processors, four general-purpose auxiliary LDOs are available to provide power to other devices in the system, and two LDOs are provided to power DDR memory supplies in applications requiring these memories.
In addition to the power resources, the device contains an embedded power controller (EPC) to manage the power sequencing requirements of the OMAP systems and an RTC. |
| Integrated Circuits (ICs) | 3 | Active | ||
| Integrated Circuits (ICs) | 2 | Active | ||
| Power Management (PMIC) | 6 | Obsolete | ||
| Integrated Circuits (ICs) | 1 | Obsolete | ||
| Integrated Circuits (ICs) | 6 | Obsolete | ||
| Part | Category | Description |
|---|---|---|
Texas Instruments | Integrated Circuits (ICs) | BUS DRIVER, BCT/FBT SERIES |
Texas Instruments | Integrated Circuits (ICs) | 12BIT 3.3V~3.6V 210MHZ PARALLEL VQFN-48-EP(7X7) ANALOG TO DIGITAL CONVERTERS (ADC) ROHS |
Texas Instruments | Integrated Circuits (ICs) | TMX320DRE311 179PIN UBGA 200MHZ |
Texas Instruments TPS61040DRVTG4Unknown | Integrated Circuits (ICs) | IC LED DRV RGLTR PWM 350MA 6WSON |
Texas Instruments LP3876ET-2.5Obsolete | Integrated Circuits (ICs) | IC REG LINEAR 2.5V 3A TO220-5 |
Texas Instruments LMS1585ACSX-ADJObsolete | Integrated Circuits (ICs) | IC REG LIN POS ADJ 5A DDPAK |
Texas Instruments INA111APG4Obsolete | Integrated Circuits (ICs) | IC INST AMP 1 CIRCUIT 8DIP |
Texas Instruments | Integrated Circuits (ICs) | AUTOMOTIVE, QUAD 36V 1.2MHZ OPERATIONAL AMPLIFIER |
Texas Instruments OPA340NA/3KG4Unknown | Integrated Circuits (ICs) | IC OPAMP GP 1 CIRCUIT SOT23-5 |
Texas Instruments PT5112AObsolete | Power Supplies - Board Mount | DC DC CONVERTER 8V 8W |