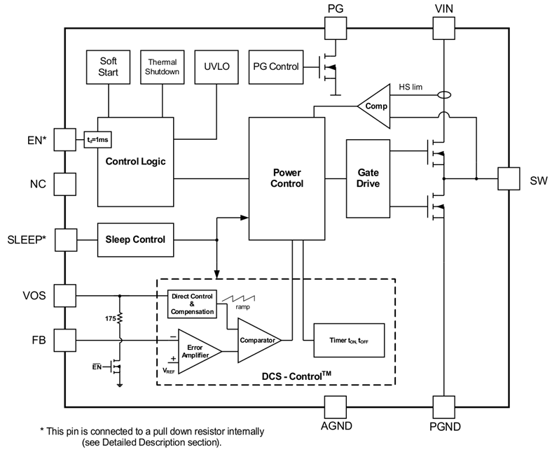
TPS62172-Q13-17V 0.5A Automotive Step-Down Converter in 2x2 QFN | Power Management (PMIC) | 3 | Active | The TPS6217x-Q1 family is an easy to use synchronous step-down DC-DC converter optimized for applications with high power density. A high switching frequency of typically 2.25 MHz allows the use of small inductors and provides fast transient response as well as high output voltage accuracy by utilization of the DCS-Control topology.
With their wide operating input voltage range of 3 V to 17 V, the devices are ideally suited for systems powered from either a Li-Ion or other battery as well as from 12-V intermediate power rails. It supports up to 0.5-A continuous output current at output voltages between 0.9 V and 6 V (with 100% duty cycle mode).
Power sequencing is also possible by configuring the Enable and open-drain Power Good pins.
In Power Save Mode, the devices draw quiescent current of about 17 µA from VIN. Power Save Mode, entered automatically and seamlessly if load is small, maintains high efficiency over the entire load range. In Shutdown Mode, the device is turned off and shutdown current consumption is less than 2 µA.
The device, available in adjustable and fixed output voltage versions, is packaged in an 8-pin WSON package measuring 2 × 2 mm (DSG).
The TPS6217x-Q1 family is an easy to use synchronous step-down DC-DC converter optimized for applications with high power density. A high switching frequency of typically 2.25 MHz allows the use of small inductors and provides fast transient response as well as high output voltage accuracy by utilization of the DCS-Control topology.
With their wide operating input voltage range of 3 V to 17 V, the devices are ideally suited for systems powered from either a Li-Ion or other battery as well as from 12-V intermediate power rails. It supports up to 0.5-A continuous output current at output voltages between 0.9 V and 6 V (with 100% duty cycle mode).
Power sequencing is also possible by configuring the Enable and open-drain Power Good pins.
In Power Save Mode, the devices draw quiescent current of about 17 µA from VIN. Power Save Mode, entered automatically and seamlessly if load is small, maintains high efficiency over the entire load range. In Shutdown Mode, the device is turned off and shutdown current consumption is less than 2 µA.
The device, available in adjustable and fixed output voltage versions, is packaged in an 8-pin WSON package measuring 2 × 2 mm (DSG). |
TPS621733–17V 0.5A Step-Down Converter in 2x2 QFN package | Power Management (PMIC) | 2 | Active | The TPS6217x device family are easy to use synchronous step-down DC-DC converters optimized for applications with high power density. A high switching frequency of typically 2.25 MHz allows the use of small inductors and provides fast transient response as well as high output voltage accuracy by utilization of the DCS-Control™ topology.
With its wide operating input voltage range of 3 V to 17 V, the devices are ideally suited for systems powered from either a Li-Ion or other battery as well as from 12-V intermediate power rails. It supports up to 0.5-A continuous output current at output voltages between 0.9 V and 6 V (with 100% duty cycle mode).
Power sequencing is also possible by configuring the enable and open-drain power good pins.
In power save mode, the devices show quiescent current of about 17 µA from VIN. Power save mode, entered automatically and seamlessly if the load is small, maintains high efficiency over the entire load range. In shutdown mode, the device is turned off and shutdown current consumption is less than 2 µA.
The device, available in adjustable and fixed output voltage versions, is packaged in a 2-mm × 2-mm 8-pin WSON package (DSG).
The TPS6217x device family are easy to use synchronous step-down DC-DC converters optimized for applications with high power density. A high switching frequency of typically 2.25 MHz allows the use of small inductors and provides fast transient response as well as high output voltage accuracy by utilization of the DCS-Control™ topology.
With its wide operating input voltage range of 3 V to 17 V, the devices are ideally suited for systems powered from either a Li-Ion or other battery as well as from 12-V intermediate power rails. It supports up to 0.5-A continuous output current at output voltages between 0.9 V and 6 V (with 100% duty cycle mode).
Power sequencing is also possible by configuring the enable and open-drain power good pins.
In power save mode, the devices show quiescent current of about 17 µA from VIN. Power save mode, entered automatically and seamlessly if the load is small, maintains high efficiency over the entire load range. In shutdown mode, the device is turned off and shutdown current consumption is less than 2 µA.
The device, available in adjustable and fixed output voltage versions, is packaged in a 2-mm × 2-mm 8-pin WSON package (DSG). |
| Integrated Circuits (ICs) | 3 | Active | |
TPS6217728V, 0.5A Step-Down Converter with SNOOZE Mode | Integrated Circuits (ICs) | 2 | Active | The TPS6217x is a high efficiency synchronous step-down DC/DC converter, based on the DCS-Control™ topology.
With a wide operating input voltage range of 4.75 V to 28 V, the device is ideally suited for systems powered from multi cell Li-Ion as well as 12 V and even higher intermediate supply rails, providing up to 500-mA output current.
The TPS6217x automatically enters power save mode at light loads, to maintain high efficiency across the whole load range. As well, it features a sleep mode to supply applications with advanced power save modes like ultra low power micro controllers. The power good output may be used for power sequencing and/or power on reset.
The device features a typical quiescent current of 22 µA in normal mode and 4.8 µA in sleep mode. In sleep mode, the efficiency at very low load currents can be increased by as much as 20%. In shutdown mode, the shutdown current is less than 2 µA and the output is actively discharged.
The TPS6217x, available in an adjustable and a fixed output voltage version, is packaged in a small 2-mm × 3-mm 10-pin WSON package.
The TPS6217x is a high efficiency synchronous step-down DC/DC converter, based on the DCS-Control™ topology.
With a wide operating input voltage range of 4.75 V to 28 V, the device is ideally suited for systems powered from multi cell Li-Ion as well as 12 V and even higher intermediate supply rails, providing up to 500-mA output current.
The TPS6217x automatically enters power save mode at light loads, to maintain high efficiency across the whole load range. As well, it features a sleep mode to supply applications with advanced power save modes like ultra low power micro controllers. The power good output may be used for power sequencing and/or power on reset.
The device features a typical quiescent current of 22 µA in normal mode and 4.8 µA in sleep mode. In sleep mode, the efficiency at very low load currents can be increased by as much as 20%. In shutdown mode, the shutdown current is less than 2 µA and the output is actively discharged.
The TPS6217x, available in an adjustable and a fixed output voltage version, is packaged in a small 2-mm × 3-mm 10-pin WSON package. |
| DC/DC & AC/DC (Off-Line) SMPS Evaluation Boards | 1 | Active | |
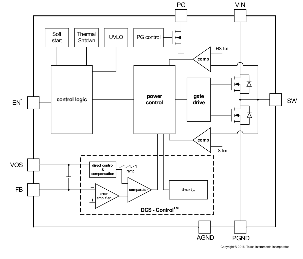
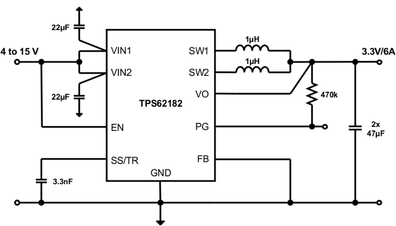
TPS621824-V to 15-V, 6-A ultra-small 2-phase synchronous buck converter | Integrated Circuits (ICs) | 1 | Active | The TPS6218x is a synchronous dual-phase step-down DC-DC converter for low profile power rails. It operates with two identical, current balanced phases that are peak current controlled enabling use in height limited applications.
With a wide operating input voltage range of 4 V to 15 V, the device is ideally suited for systems powered from multi-cell Li-Ion batteries or 12-V rails. The output current of 6 A is continuously provided by two phases of 3 A each, allowing the use of low profile external components. The phases operate out of phase, reducing switching noise significantly.
The TPS6218x automatically enters Power Save Mode to maintain high efficiency down to very light loads. It also incorporates anAutomaticEfficiencyEnhancement (AEE™) for the entire duty cycle range.
The device features a Power Good signal, as well as an adjustable soft start. The quiescent current is typically 28 µA, it is able to run in 100% mode, and it has no duty cycle limitation even at lowest output voltage.
The TPS6218x, available in adjustable and fixed output voltage options, is packaged in a small 24-bump, 0.5 mm pitch DSBGA package.
The TPS6218x is a synchronous dual-phase step-down DC-DC converter for low profile power rails. It operates with two identical, current balanced phases that are peak current controlled enabling use in height limited applications.
With a wide operating input voltage range of 4 V to 15 V, the device is ideally suited for systems powered from multi-cell Li-Ion batteries or 12-V rails. The output current of 6 A is continuously provided by two phases of 3 A each, allowing the use of low profile external components. The phases operate out of phase, reducing switching noise significantly.
The TPS6218x automatically enters Power Save Mode to maintain high efficiency down to very light loads. It also incorporates anAutomaticEfficiencyEnhancement (AEE™) for the entire duty cycle range.
The device features a Power Good signal, as well as an adjustable soft start. The quiescent current is typically 28 µA, it is able to run in 100% mode, and it has no duty cycle limitation even at lowest output voltage.
The TPS6218x, available in adjustable and fixed output voltage options, is packaged in a small 24-bump, 0.5 mm pitch DSBGA package. |
TPS621844-V to 17-V, 6-A synchronous buck converter with power good, 1% accuracy, and adjustable soft start | Development Boards, Kits, Programmers | 3 | Active | The TPS62184 is a synchronous dual-phase step-down DC-DC converter for low profile power rails. It operates with two identical, current balanced phases that are peak current controlled enabling use in height limited applications.
With a wide operating input voltage range of 4 V to 17 V, the device is ideally suited for systems powered from multi-cell Li-Ion batteries or 12-V rails. The output current of 6 A is continuously provided by two phases of 3 A each, allowing the use of low profile external components. The phases operate out of phase, reducing switching noise significantly.
The TPS62184 automatically enters Power Save Mode to maintain high efficiency down to very light loads. It also incorporates anAutomaticEfficiencyEnhancement (AEE™) for the entire duty cycle range.
The device features a Power Good signal, as well as an adjustable soft start. The quiescent current is typically 28 µA, it is able to run in 100% mode, and it has no duty cycle limitation even at lowest output voltage.
The TPS62184 is packaged in a small 24-bump, 0.5 mm pitch DSBGA package.
The TPS62184 is a synchronous dual-phase step-down DC-DC converter for low profile power rails. It operates with two identical, current balanced phases that are peak current controlled enabling use in height limited applications.
With a wide operating input voltage range of 4 V to 17 V, the device is ideally suited for systems powered from multi-cell Li-Ion batteries or 12-V rails. The output current of 6 A is continuously provided by two phases of 3 A each, allowing the use of low profile external components. The phases operate out of phase, reducing switching noise significantly.
The TPS62184 automatically enters Power Save Mode to maintain high efficiency down to very light loads. It also incorporates anAutomaticEfficiencyEnhancement (AEE™) for the entire duty cycle range.
The device features a Power Good signal, as well as an adjustable soft start. The quiescent current is typically 28 µA, it is able to run in 100% mode, and it has no duty cycle limitation even at lowest output voltage.
The TPS62184 is packaged in a small 24-bump, 0.5 mm pitch DSBGA package. |
| Evaluation Boards | 1 | Obsolete | |
TPS62200Adjustable, 300-mA, 95% Efficient Step-Down Converter in SOT-23 | Evaluation Boards | 4 | Active | The TPS6220x devices are a family of high-efficiency synchronous step-down converters ideally suited for portable systems powered by 1-cell Li-Ion or 3-cell NiMH/NiCd batteries. The devices are also suitable to operate from a standard 3.3-V or 5-V voltage rail.
With an output voltage range of 6 V down to 0.7 V and up to 300 mA output current, the devices are ideal to power low voltage DSPs and processors used in PDAs, pocket PCs, and smart phones. Under nominal load current, the devices operate with a fixed switching frequency of typically 1 MHz. At light load currents, the part enters the power save mode operation; the switching frequency is reduced and the quiescent current is typically only 15 µA; therefore, it achieves the highest efficiency over the entire load current range. The TPS6220x needs only three small external components. Together with the SOT23 package, a minimum system solution size is achieved. An advanced fast response voltage mode control scheme achieves superior line and load regulation with small ceramic input and output capacitors.
The TPS6220x devices are a family of high-efficiency synchronous step-down converters ideally suited for portable systems powered by 1-cell Li-Ion or 3-cell NiMH/NiCd batteries. The devices are also suitable to operate from a standard 3.3-V or 5-V voltage rail.
With an output voltage range of 6 V down to 0.7 V and up to 300 mA output current, the devices are ideal to power low voltage DSPs and processors used in PDAs, pocket PCs, and smart phones. Under nominal load current, the devices operate with a fixed switching frequency of typically 1 MHz. At light load currents, the part enters the power save mode operation; the switching frequency is reduced and the quiescent current is typically only 15 µA; therefore, it achieves the highest efficiency over the entire load current range. The TPS6220x needs only three small external components. Together with the SOT23 package, a minimum system solution size is achieved. An advanced fast response voltage mode control scheme achieves superior line and load regulation with small ceramic input and output capacitors. |
TPS622011.5-V Output, 300-mA, 95% Efficient Step-Down Converter in SOT-23 | Voltage Regulators - DC DC Switching Regulators | 3 | Active | The TPS6220x devices are a family of high-efficiency synchronous step-down converters ideally suited for portable systems powered by 1-cell Li-Ion or 3-cell NiMH/NiCd batteries. The devices are also suitable to operate from a standard 3.3-V or 5-V voltage rail.
With an output voltage range of 6 V down to 0.7 V and up to 300 mA output current, the devices are ideal to power low voltage DSPs and processors used in PDAs, pocket PCs, and smart phones. Under nominal load current, the devices operate with a fixed switching frequency of typically 1 MHz. At light load currents, the part enters the power save mode operation; the switching frequency is reduced and the quiescent current is typically only 15 µA; therefore, it achieves the highest efficiency over the entire load current range. The TPS6220x needs only three small external components. Together with the SOT23 package, a minimum system solution size is achieved. An advanced fast response voltage mode control scheme achieves superior line and load regulation with small ceramic input and output capacitors.
The TPS6220x devices are a family of high-efficiency synchronous step-down converters ideally suited for portable systems powered by 1-cell Li-Ion or 3-cell NiMH/NiCd batteries. The devices are also suitable to operate from a standard 3.3-V or 5-V voltage rail.
With an output voltage range of 6 V down to 0.7 V and up to 300 mA output current, the devices are ideal to power low voltage DSPs and processors used in PDAs, pocket PCs, and smart phones. Under nominal load current, the devices operate with a fixed switching frequency of typically 1 MHz. At light load currents, the part enters the power save mode operation; the switching frequency is reduced and the quiescent current is typically only 15 µA; therefore, it achieves the highest efficiency over the entire load current range. The TPS6220x needs only three small external components. Together with the SOT23 package, a minimum system solution size is achieved. An advanced fast response voltage mode control scheme achieves superior line and load regulation with small ceramic input and output capacitors. |