TPS62133A-Q13V - 17V 3A AUTOMOTIVE Step-Down Converter In 3X3 QFN Package | Power Management (PMIC) | 4 | Active | The TPS6213XA-Q1 devices are easy-to-use synchronous step-down DC-DC converters optimized for applications with high power density. A high switching frequency of typically 2.5 MHz allows the use of small inductors and provides fast transient response as well as high output-voltage accuracy through the use of the DCS-Control™ topology.
With a wide operating input-voltage range of 3 to 17 V, the devices are ideally suited for systems powered from intermediate bus power rails. The devices support up to 3-A continuous output current at output voltages between 0.9 V and 6 V (with 100% duty cycle mode). The output-voltage startup ramp is controlled by the soft-start pin, which allows operation as either a standalone power supply or in tracking configurations. Power sequencing is also possible by configuring the enable and open-drain power-good pins.
In power save mode, the devices show quiescent current of about 17 µA from VIN. Power save mode which is entered automatically and seamlessly if the load is small, maintains high efficiency over the entire load range. In shutdown mode, the devices are turned off and shutdown current consumption is less than 2 µA. The devices are packaged in a 16-pin VQFN package measuring 3 × 3 mm (RGT).
The TPS6213XA-Q1 devices are easy-to-use synchronous step-down DC-DC converters optimized for applications with high power density. A high switching frequency of typically 2.5 MHz allows the use of small inductors and provides fast transient response as well as high output-voltage accuracy through the use of the DCS-Control™ topology.
With a wide operating input-voltage range of 3 to 17 V, the devices are ideally suited for systems powered from intermediate bus power rails. The devices support up to 3-A continuous output current at output voltages between 0.9 V and 6 V (with 100% duty cycle mode). The output-voltage startup ramp is controlled by the soft-start pin, which allows operation as either a standalone power supply or in tracking configurations. Power sequencing is also possible by configuring the enable and open-drain power-good pins.
In power save mode, the devices show quiescent current of about 17 µA from VIN. Power save mode which is entered automatically and seamlessly if the load is small, maintains high efficiency over the entire load range. In shutdown mode, the devices are turned off and shutdown current consumption is less than 2 µA. The devices are packaged in a 16-pin VQFN package measuring 3 × 3 mm (RGT). |
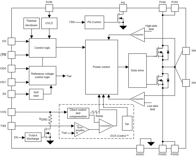
TPS62134B17-V Input, Step-down Converter with Low Power Mode Input for Intel SkyLake Platform | Integrated Circuits (ICs) | 5 | Active | The TPS62134x family of devices is an easy-to-use, synchronous step-down DC-DC converter, compatible with Intel Skylake platform applications such as Ultrabooks™ and notebooks. The high performance DCS-Control™ architecture provides fast transient response as well as high output voltage accuracy.
With a wide operating input-voltage range of 3 to 17 V, the devices are ideally suited for systems powered from either a Li-Ion or other batteries as well as from 12-V intermediate power rails. The devices have a low-power mode where the output voltage is reduced by using theLPMpin. In addition, the devices support dynamic output-voltage change by using the VIDx pins. TheLPMand VIDx pins help the system minimize power consumption in different operating modes.
The output-voltage startup ramp is controlled by the SS pin. The power sequencing is configurable by the enable (EN) and power good (PG) pins. In power-save mode, the devices show quiescent current of approximately 20 µA which maintains high efficiency over the entire load range. Short circuit protection and thermal shutdown protect the IC and external components from heavy current when the output is shorted to ground. The device is available in a 3-mm × 3-mm 16-pin VQFN package with thermal pad.
The TPS62134x family of devices is an easy-to-use, synchronous step-down DC-DC converter, compatible with Intel Skylake platform applications such as Ultrabooks™ and notebooks. The high performance DCS-Control™ architecture provides fast transient response as well as high output voltage accuracy.
With a wide operating input-voltage range of 3 to 17 V, the devices are ideally suited for systems powered from either a Li-Ion or other batteries as well as from 12-V intermediate power rails. The devices have a low-power mode where the output voltage is reduced by using theLPMpin. In addition, the devices support dynamic output-voltage change by using the VIDx pins. TheLPMand VIDx pins help the system minimize power consumption in different operating modes.
The output-voltage startup ramp is controlled by the SS pin. The power sequencing is configurable by the enable (EN) and power good (PG) pins. In power-save mode, the devices show quiescent current of approximately 20 µA which maintains high efficiency over the entire load range. Short circuit protection and thermal shutdown protect the IC and external components from heavy current when the output is shorted to ground. The device is available in a 3-mm × 3-mm 16-pin VQFN package with thermal pad. |
TPS6213513-17V 4.0A Step-Down Converter with 1% accuracy and PFM/Forced-PWM in 2x3QFN | DC/DC & AC/DC (Off-Line) SMPS Evaluation Boards | 2 | Active | The TPS62135 and TPS621351 are high efficiency and easy to use synchronous step-down DC-DC converters, based on the DCS-Control™ Topology. The devices wide input voltage range of 3-V to 17-V makes it suitable for multi-cell Li-Ion as well as 12-V intermediate supply rails. The devices provide 4-A continuous output current. The TPS62135 automatically enters Power Save Mode at light loads to maintain high efficiency across the whole load range. With that, the device is well suited for applications that require connected standby performance, like ultra low power computers. With the MODE pin set to low, the switching frequency of the device is adapted automatically based on the input and output voltage. This technique is called Automatic Efficiency Enhancement (AEE™) and maintains high conversion efficiency over the whole operation range. It provides a 1% output voltage accuracy in PWM mode and therefore enables the design of a power supply with high output voltage accuracy.
The device has a typical quiescent current of 18 µA. In shutdown mode the current is typically 1 µA and the output is actively discharged for TPS62135 while the output voltage discharge feature is disabled in TPS621351.
The TPS62135 is available as an adjustable version, packaged in a 3-mm x 2-mm VQFN package.
The TPS62135 and TPS621351 are high efficiency and easy to use synchronous step-down DC-DC converters, based on the DCS-Control™ Topology. The devices wide input voltage range of 3-V to 17-V makes it suitable for multi-cell Li-Ion as well as 12-V intermediate supply rails. The devices provide 4-A continuous output current. The TPS62135 automatically enters Power Save Mode at light loads to maintain high efficiency across the whole load range. With that, the device is well suited for applications that require connected standby performance, like ultra low power computers. With the MODE pin set to low, the switching frequency of the device is adapted automatically based on the input and output voltage. This technique is called Automatic Efficiency Enhancement (AEE™) and maintains high conversion efficiency over the whole operation range. It provides a 1% output voltage accuracy in PWM mode and therefore enables the design of a power supply with high output voltage accuracy.
The device has a typical quiescent current of 18 µA. In shutdown mode the current is typically 1 µA and the output is actively discharged for TPS62135 while the output voltage discharge feature is disabled in TPS621351.
The TPS62135 is available as an adjustable version, packaged in a 3-mm x 2-mm VQFN package. |
TPS6213613-17V 4.0A Step-Down Converter with 1% accuracy and PFM/Forced-PWM in 2x3QFN | Development Boards, Kits, Programmers | 4 | Active | The TPS62136 and TPS621361 are high efficiency and easy to use synchronous step-down DC-DC converters, based on the DCS-Control™ Topology. The devices wide input voltage range of 3-V to 17-V makes it suitable for multi-cell Li-Ion as well as 12-V intermediate supply rails. The devices provide 4-A continuous output current. The TPS62136 automatically enters Power Save Mode at light loads to maintain high efficiency across the whole load range. With that, the device is well suited for applications that require connected standby performance, like ultra low power computers. With the MODE pin set to low, the switching frequency of the device is adapted automatically based on the input and output voltage. This technique is called Automatic Efficiency Enhancement (AEE™) and maintains high conversion efficiency over the whole operation range. It provides a 1% output voltage accuracy in PWM mode and therefore enables the design of a power supply with high output voltage accuracy.
The device has a typical quiescent current of 18 µA. In shutdown mode the current is typically 1 µA and the output is actively discharged for TPS62136 while the output voltage discharge feature is disabled in TPS621361.
The TPS62136 is available as an adjustable version, packaged in a 3-mm x 2-mm VQFN package.
The TPS62136 and TPS621361 are high efficiency and easy to use synchronous step-down DC-DC converters, based on the DCS-Control™ Topology. The devices wide input voltage range of 3-V to 17-V makes it suitable for multi-cell Li-Ion as well as 12-V intermediate supply rails. The devices provide 4-A continuous output current. The TPS62136 automatically enters Power Save Mode at light loads to maintain high efficiency across the whole load range. With that, the device is well suited for applications that require connected standby performance, like ultra low power computers. With the MODE pin set to low, the switching frequency of the device is adapted automatically based on the input and output voltage. This technique is called Automatic Efficiency Enhancement (AEE™) and maintains high conversion efficiency over the whole operation range. It provides a 1% output voltage accuracy in PWM mode and therefore enables the design of a power supply with high output voltage accuracy.
The device has a typical quiescent current of 18 µA. In shutdown mode the current is typically 1 µA and the output is actively discharged for TPS62136 while the output voltage discharge feature is disabled in TPS621361.
The TPS62136 is available as an adjustable version, packaged in a 3-mm x 2-mm VQFN package. |
TPS62140A3–17V 2A Step-Down Converter with DCS-Control in 3x3 QFN package | Evaluation Boards | 3 | Active | The TPS6214x family is an easy-to-use synchronous step-down DC-DC converter optimized for applications with high power density. A high switching frequency of typically 2.5 MHz allows the use of small inductors and provides fast transient response by use of the DCS-Control topology.
With their wide operating input voltage range of 3 V to 17 V, the devices are ideally suited for systems powered from either a Li-Ion or other batteries, as well as from 12-V intermediate power rails. It supports up to 2 A of continuous output current at output voltages between 0.9 V and 6 V (with 100% duty-cycle mode). The output voltage start-up ramp is controlled by the soft-start pin, which allows operation as either a standalone power supply or in tracking configurations. Power sequencing is also possible by configuring the Enable (EN) and open-drain Power Good (PG) pins.
In power save mode, the devices draw quiescent current of about 17 µA from VIN. Power Save Mode, entered automatically and seamlessly if the load is small, maintains high efficiency over the entire load range. In Shutdown Mode, the device is turned off and current consumption is less than 2 µA.
The device, available in adjustable and fixed output voltage versions, is packaged in a 16-pin VQFN package measuring 3 mm × 3 mm (RGT).
The TPS6214x family is an easy-to-use synchronous step-down DC-DC converter optimized for applications with high power density. A high switching frequency of typically 2.5 MHz allows the use of small inductors and provides fast transient response by use of the DCS-Control topology.
With their wide operating input voltage range of 3 V to 17 V, the devices are ideally suited for systems powered from either a Li-Ion or other batteries, as well as from 12-V intermediate power rails. It supports up to 2 A of continuous output current at output voltages between 0.9 V and 6 V (with 100% duty-cycle mode). The output voltage start-up ramp is controlled by the soft-start pin, which allows operation as either a standalone power supply or in tracking configurations. Power sequencing is also possible by configuring the Enable (EN) and open-drain Power Good (PG) pins.
In power save mode, the devices draw quiescent current of about 17 µA from VIN. Power Save Mode, entered automatically and seamlessly if the load is small, maintains high efficiency over the entire load range. In Shutdown Mode, the device is turned off and current consumption is less than 2 µA.
The device, available in adjustable and fixed output voltage versions, is packaged in a 16-pin VQFN package measuring 3 mm × 3 mm (RGT). |
TPS621413–17V 2A Step-Down Converter in 3x3 QFN package | Integrated Circuits (ICs) | 1 | Active | The TPS6214x family is an easy-to-use synchronous step-down DC-DC converter optimized for applications with high power density. A high switching frequency of typically 2.5 MHz allows the use of small inductors and provides fast transient response by use of the DCS-Control topology.
With their wide operating input voltage range of 3 V to 17 V, the devices are ideally suited for systems powered from either a Li-Ion or other batteries, as well as from 12-V intermediate power rails. It supports up to 2 A of continuous output current at output voltages between 0.9 V and 6 V (with 100% duty-cycle mode). The output voltage start-up ramp is controlled by the soft-start pin, which allows operation as either a standalone power supply or in tracking configurations. Power sequencing is also possible by configuring the Enable (EN) and open-drain Power Good (PG) pins.
In power save mode, the devices draw quiescent current of about 17 µA from VIN. Power Save Mode, entered automatically and seamlessly if the load is small, maintains high efficiency over the entire load range. In Shutdown Mode, the device is turned off and current consumption is less than 2 µA.
The device, available in adjustable and fixed output voltage versions, is packaged in a 16-pin VQFN package measuring 3 mm × 3 mm (RGT).
The TPS6214x family is an easy-to-use synchronous step-down DC-DC converter optimized for applications with high power density. A high switching frequency of typically 2.5 MHz allows the use of small inductors and provides fast transient response by use of the DCS-Control topology.
With their wide operating input voltage range of 3 V to 17 V, the devices are ideally suited for systems powered from either a Li-Ion or other batteries, as well as from 12-V intermediate power rails. It supports up to 2 A of continuous output current at output voltages between 0.9 V and 6 V (with 100% duty-cycle mode). The output voltage start-up ramp is controlled by the soft-start pin, which allows operation as either a standalone power supply or in tracking configurations. Power sequencing is also possible by configuring the Enable (EN) and open-drain Power Good (PG) pins.
In power save mode, the devices draw quiescent current of about 17 µA from VIN. Power Save Mode, entered automatically and seamlessly if the load is small, maintains high efficiency over the entire load range. In Shutdown Mode, the device is turned off and current consumption is less than 2 µA.
The device, available in adjustable and fixed output voltage versions, is packaged in a 16-pin VQFN package measuring 3 mm × 3 mm (RGT). |
TPS621423–17V 2A Step-Down Converter in 3x3 QFN package | Integrated Circuits (ICs) | 1 | Active | The TPS6214x family is an easy-to-use synchronous step-down DC-DC converter optimized for applications with high power density. A high switching frequency of typically 2.5 MHz allows the use of small inductors and provides fast transient response by use of the DCS-Control topology.
With their wide operating input voltage range of 3 V to 17 V, the devices are ideally suited for systems powered from either a Li-Ion or other batteries, as well as from 12-V intermediate power rails. It supports up to 2 A of continuous output current at output voltages between 0.9 V and 6 V (with 100% duty-cycle mode). The output voltage start-up ramp is controlled by the soft-start pin, which allows operation as either a standalone power supply or in tracking configurations. Power sequencing is also possible by configuring the Enable (EN) and open-drain Power Good (PG) pins.
In power save mode, the devices draw quiescent current of about 17 µA from VIN. Power Save Mode, entered automatically and seamlessly if the load is small, maintains high efficiency over the entire load range. In Shutdown Mode, the device is turned off and current consumption is less than 2 µA.
The device, available in adjustable and fixed output voltage versions, is packaged in a 16-pin VQFN package measuring 3 mm × 3 mm (RGT).
The TPS6214x family is an easy-to-use synchronous step-down DC-DC converter optimized for applications with high power density. A high switching frequency of typically 2.5 MHz allows the use of small inductors and provides fast transient response by use of the DCS-Control topology.
With their wide operating input voltage range of 3 V to 17 V, the devices are ideally suited for systems powered from either a Li-Ion or other batteries, as well as from 12-V intermediate power rails. It supports up to 2 A of continuous output current at output voltages between 0.9 V and 6 V (with 100% duty-cycle mode). The output voltage start-up ramp is controlled by the soft-start pin, which allows operation as either a standalone power supply or in tracking configurations. Power sequencing is also possible by configuring the Enable (EN) and open-drain Power Good (PG) pins.
In power save mode, the devices draw quiescent current of about 17 µA from VIN. Power Save Mode, entered automatically and seamlessly if the load is small, maintains high efficiency over the entire load range. In Shutdown Mode, the device is turned off and current consumption is less than 2 µA.
The device, available in adjustable and fixed output voltage versions, is packaged in a 16-pin VQFN package measuring 3 mm × 3 mm (RGT). |
TPS621433–17V 2A Step-Down Converter in 3x3 QFN package | Voltage Regulators - DC DC Switching Regulators | 1 | Active | The TPS6214x family is an easy-to-use synchronous step-down DC-DC converter optimized for applications with high power density. A high switching frequency of typically 2.5 MHz allows the use of small inductors and provides fast transient response by use of the DCS-Control topology.
With their wide operating input voltage range of 3 V to 17 V, the devices are ideally suited for systems powered from either a Li-Ion or other batteries, as well as from 12-V intermediate power rails. It supports up to 2 A of continuous output current at output voltages between 0.9 V and 6 V (with 100% duty-cycle mode). The output voltage start-up ramp is controlled by the soft-start pin, which allows operation as either a standalone power supply or in tracking configurations. Power sequencing is also possible by configuring the Enable (EN) and open-drain Power Good (PG) pins.
In power save mode, the devices draw quiescent current of about 17 µA from VIN. Power Save Mode, entered automatically and seamlessly if the load is small, maintains high efficiency over the entire load range. In Shutdown Mode, the device is turned off and current consumption is less than 2 µA.
The device, available in adjustable and fixed output voltage versions, is packaged in a 16-pin VQFN package measuring 3 mm × 3 mm (RGT).
The TPS6214x family is an easy-to-use synchronous step-down DC-DC converter optimized for applications with high power density. A high switching frequency of typically 2.5 MHz allows the use of small inductors and provides fast transient response by use of the DCS-Control topology.
With their wide operating input voltage range of 3 V to 17 V, the devices are ideally suited for systems powered from either a Li-Ion or other batteries, as well as from 12-V intermediate power rails. It supports up to 2 A of continuous output current at output voltages between 0.9 V and 6 V (with 100% duty-cycle mode). The output voltage start-up ramp is controlled by the soft-start pin, which allows operation as either a standalone power supply or in tracking configurations. Power sequencing is also possible by configuring the Enable (EN) and open-drain Power Good (PG) pins.
In power save mode, the devices draw quiescent current of about 17 µA from VIN. Power Save Mode, entered automatically and seamlessly if the load is small, maintains high efficiency over the entire load range. In Shutdown Mode, the device is turned off and current consumption is less than 2 µA.
The device, available in adjustable and fixed output voltage versions, is packaged in a 16-pin VQFN package measuring 3 mm × 3 mm (RGT). |
TPS621473-17V 2.0A Step-Down Converter with 1% accuracy and PFM/Forced-PWM in 2x3QFN | Power Management (PMIC) | 1 | Active | The TPS62147 and TPS62148 are high efficiency and easy-to-use synchronous step-down DC/DC converters, based on the DCS-Control Topology. The wide input voltage range of 3-V to 17-V make the devices suitable for multi-cell Li-Ion as well as 12-V intermediate supply rails. The devices provide 2-A continuous output current. The devices automatically enter Power Save Mode at light loads to maintain high efficiency across the whole load range. With that, the devices are well suited for applications that require connected standby performance, like industrial PC and video surveillance. With the MODE pin set to low, the switching frequency is adapted automatically based on the output current and also on input and output voltage. This technique is called Automatic Efficiency Enhancement (AEE) and maintains high conversion efficiency over the whole operation range. TPS62147, TPS62148 provide a 1% output voltage accuracy in PWM mode and therefore enable the design of a power supply with high output voltage accuracy. The FSEL pin allows to set a switching frequency in forced PWM mode of 1.25 MHz or 2.5 MHz, respectively.
The typical quiescent current is 18 µA. In shutdown mode, the current is typically 1 µA.
The devices are available as an adjustable version, packaged in a 3-mm × 2-mm VQFN package.
The TPS62147 and TPS62148 are high efficiency and easy-to-use synchronous step-down DC/DC converters, based on the DCS-Control Topology. The wide input voltage range of 3-V to 17-V make the devices suitable for multi-cell Li-Ion as well as 12-V intermediate supply rails. The devices provide 2-A continuous output current. The devices automatically enter Power Save Mode at light loads to maintain high efficiency across the whole load range. With that, the devices are well suited for applications that require connected standby performance, like industrial PC and video surveillance. With the MODE pin set to low, the switching frequency is adapted automatically based on the output current and also on input and output voltage. This technique is called Automatic Efficiency Enhancement (AEE) and maintains high conversion efficiency over the whole operation range. TPS62147, TPS62148 provide a 1% output voltage accuracy in PWM mode and therefore enable the design of a power supply with high output voltage accuracy. The FSEL pin allows to set a switching frequency in forced PWM mode of 1.25 MHz or 2.5 MHz, respectively.
The typical quiescent current is 18 µA. In shutdown mode, the current is typically 1 µA.
The devices are available as an adjustable version, packaged in a 3-mm × 2-mm VQFN package. |
TPS621483-17V 2.0A Step-Down Converter with 1% accuracy and PFM/Forced-PWM in 2x3QFN | DC/DC & AC/DC (Off-Line) SMPS Evaluation Boards | 3 | Active | The TPS62147 and TPS62148 are high efficiency and easy-to-use synchronous step-down DC/DC converters, based on the DCS-Control Topology. The wide input voltage range of 3-V to 17-V make the devices suitable for multi-cell Li-Ion as well as 12-V intermediate supply rails. The devices provide 2-A continuous output current. The devices automatically enter Power Save Mode at light loads to maintain high efficiency across the whole load range. With that, the devices are well suited for applications that require connected standby performance, like industrial PC and video surveillance. With the MODE pin set to low, the switching frequency is adapted automatically based on the output current and also on input and output voltage. This technique is called Automatic Efficiency Enhancement (AEE) and maintains high conversion efficiency over the whole operation range. TPS62147, TPS62148 provide a 1% output voltage accuracy in PWM mode and therefore enable the design of a power supply with high output voltage accuracy. The FSEL pin allows to set a switching frequency in forced PWM mode of 1.25 MHz or 2.5 MHz, respectively.
The typical quiescent current is 18 µA. In shutdown mode, the current is typically 1 µA.
The devices are available as an adjustable version, packaged in a 3-mm × 2-mm VQFN package.
The TPS62147 and TPS62148 are high efficiency and easy-to-use synchronous step-down DC/DC converters, based on the DCS-Control Topology. The wide input voltage range of 3-V to 17-V make the devices suitable for multi-cell Li-Ion as well as 12-V intermediate supply rails. The devices provide 2-A continuous output current. The devices automatically enter Power Save Mode at light loads to maintain high efficiency across the whole load range. With that, the devices are well suited for applications that require connected standby performance, like industrial PC and video surveillance. With the MODE pin set to low, the switching frequency is adapted automatically based on the output current and also on input and output voltage. This technique is called Automatic Efficiency Enhancement (AEE) and maintains high conversion efficiency over the whole operation range. TPS62147, TPS62148 provide a 1% output voltage accuracy in PWM mode and therefore enable the design of a power supply with high output voltage accuracy. The FSEL pin allows to set a switching frequency in forced PWM mode of 1.25 MHz or 2.5 MHz, respectively.
The typical quiescent current is 18 µA. In shutdown mode, the current is typically 1 µA.
The devices are available as an adjustable version, packaged in a 3-mm × 2-mm VQFN package. |