TPS56C2304.5-V to 18-V, 12-A synchronous SWIFT™ buck converter optimized for solution cost | Power Management (PMIC) | 1 | Active | The TPS56C230 is a high efficiency synchronous buck converter with integrated FETs. System designers can use the device in a wide variety of applications since it draws low standby current and requires few external components.
The TPS56C230 employs D-CAP3 control that provides fast transient response and excellent line and load regulation with internal compensation. It also has a proprietary circuit that enables the device to support low equivalent series resistance (ESR) output capacitors such as specialty polymer and ultra-low ESR ceramic capacitors.
TPS56C230‘s MODE pin can be used to set Eco-mode or FCCM mode for light-load operation. Eco-mode maintains high efficiency during light load operation, and FCCM mode operations keeps output ripple small at light load. The device supports both internal and external soft-start time option. It has an internal fixed soft-start time 1.2 ms, but if the application needs a longer soft-start time, the external SS pin can be used to achieve it by connecting a external capacitor.
The TPS56C230 integrates power good indicator and provides output discharge function. It provides complete protection including OVP, UVP, OCP, OTP and UVLO. The device is available in a 20-pin 3.0-mm x 3.0-mm HotRod package and the junction temperature is specified from –40°C to 125°C.
The TPS56C230 is a high efficiency synchronous buck converter with integrated FETs. System designers can use the device in a wide variety of applications since it draws low standby current and requires few external components.
The TPS56C230 employs D-CAP3 control that provides fast transient response and excellent line and load regulation with internal compensation. It also has a proprietary circuit that enables the device to support low equivalent series resistance (ESR) output capacitors such as specialty polymer and ultra-low ESR ceramic capacitors.
TPS56C230‘s MODE pin can be used to set Eco-mode or FCCM mode for light-load operation. Eco-mode maintains high efficiency during light load operation, and FCCM mode operations keeps output ripple small at light load. The device supports both internal and external soft-start time option. It has an internal fixed soft-start time 1.2 ms, but if the application needs a longer soft-start time, the external SS pin can be used to achieve it by connecting a external capacitor.
The TPS56C230 integrates power good indicator and provides output discharge function. It provides complete protection including OVP, UVP, OCP, OTP and UVLO. The device is available in a 20-pin 3.0-mm x 3.0-mm HotRod package and the junction temperature is specified from –40°C to 125°C. |
TPS56C2313.8-V to 17-V, 12-A synchronous buck converter with D-CAP3 control | Integrated Circuits (ICs) | 1 | Active | The TPS56C231 is a small, high-efficiency, synchronous buck converter with an adaptive on-time D-CAP3 control mode. Because external compensation is not required, the device is easy to use and requires few external components. The device is well-suited for space-constrained data center applications.
The TPS56C231 has competitive features including a very accurate reference voltage, fast load transient response, and no requirement for external compensation, adjustable current limit, and both Eco-mode and FCCM operation modes for selection at light-load condition through the configuration of the MODE pin. To attain high efficiency at light load, Eco-mode can be selected. To support tight output voltage ripple requirement, FCCM can be selected. The TPS56C231 operates from a –40°C to 125°C junction temperature range.
The TPS56C231 is a small, high-efficiency, synchronous buck converter with an adaptive on-time D-CAP3 control mode. Because external compensation is not required, the device is easy to use and requires few external components. The device is well-suited for space-constrained data center applications.
The TPS56C231 has competitive features including a very accurate reference voltage, fast load transient response, and no requirement for external compensation, adjustable current limit, and both Eco-mode and FCCM operation modes for selection at light-load condition through the configuration of the MODE pin. To attain high efficiency at light load, Eco-mode can be selected. To support tight output voltage ripple requirement, FCCM can be selected. The TPS56C231 operates from a –40°C to 125°C junction temperature range. |
TPS57040-Q1Automotive 3.5V to 42V, 500mA Buck Converter with Eco-Mode™ | Voltage Regulators - DC DC Switching Regulators | 2 | Active | The TPS57040-Q1 device is a 42-V 0.5-A step-down regulator with an integrated high-side MOSFET. Current mode control provides simple external compensation and flexible component selection. A low-ripple pulse-skip mode reduces the no load, input supply current to 116 µA. Using the enable pin, shutdown supply current is reduced to 1.5 µA, when the enable pin is low.
Undervoltage lockout is internally set at 2.5 V, but can be increased using the enable pin. The output voltage startup ramp is controlled by the slow start pin that can also be configured for sequencing/tracking. An open drain power-good signal indicates the output is within 92% to 109% of its nominal voltage.
A wide switching frequency range allows efficiency and external component size to be optimized. Frequency fold back and thermal shutdown protects the part during an overload condition.
The TPS57040-Q1 is available in a 10-pin thermally enhanced MSOP PowerPAD™ package (DGQ) and a 10-pin SON package (DRC).
The TPS57040-Q1 device is a 42-V 0.5-A step-down regulator with an integrated high-side MOSFET. Current mode control provides simple external compensation and flexible component selection. A low-ripple pulse-skip mode reduces the no load, input supply current to 116 µA. Using the enable pin, shutdown supply current is reduced to 1.5 µA, when the enable pin is low.
Undervoltage lockout is internally set at 2.5 V, but can be increased using the enable pin. The output voltage startup ramp is controlled by the slow start pin that can also be configured for sequencing/tracking. An open drain power-good signal indicates the output is within 92% to 109% of its nominal voltage.
A wide switching frequency range allows efficiency and external component size to be optimized. Frequency fold back and thermal shutdown protects the part during an overload condition.
The TPS57040-Q1 is available in a 10-pin thermally enhanced MSOP PowerPAD™ package (DGQ) and a 10-pin SON package (DRC). |
TPS57060-Q1Automotive 3.5V to 60V, 500mA Buck Converter with Eco-Mode™ | Integrated Circuits (ICs) | 1 | Active | The TPS57060-Q1 device is a 60-V 0.5-A step-down regulator with an integrated high-side MOSFET. Current-mode control provides simple external compensation and flexible component selection. A low-ripple pulse-skip mode reduces the no load, regulated output supply current to 116 μA. When the enable pin is in the low state, the shutdown current is reduced to 1.3 μA.
Undervoltage lockout is internally set at 2.5 V, but can be increased using the enable pin. The output voltage startup ramp is controlled by the slow start pin that can also be configured for sequencing and tracking. An open-drain power good signal indicates the output is within 92% to 109% of the nominal voltage.
A wide switching frequency range allows efficiency and external component size to be optimized. Frequency fold back and thermal shutdown protects the part during an overload condition.
The TPS57060-Q1 device is available in a 10-pin thermally enhanced MSOP-PowerPAD package (DGQ) and a VSON (DRC) package.
The TPS57060-Q1 device is a 60-V 0.5-A step-down regulator with an integrated high-side MOSFET. Current-mode control provides simple external compensation and flexible component selection. A low-ripple pulse-skip mode reduces the no load, regulated output supply current to 116 μA. When the enable pin is in the low state, the shutdown current is reduced to 1.3 μA.
Undervoltage lockout is internally set at 2.5 V, but can be increased using the enable pin. The output voltage startup ramp is controlled by the slow start pin that can also be configured for sequencing and tracking. An open-drain power good signal indicates the output is within 92% to 109% of the nominal voltage.
A wide switching frequency range allows efficiency and external component size to be optimized. Frequency fold back and thermal shutdown protects the part during an overload condition.
The TPS57060-Q1 device is available in a 10-pin thermally enhanced MSOP-PowerPAD package (DGQ) and a VSON (DRC) package. |
| DC/DC & AC/DC (Off-Line) SMPS Evaluation Boards | 2 | Active | |
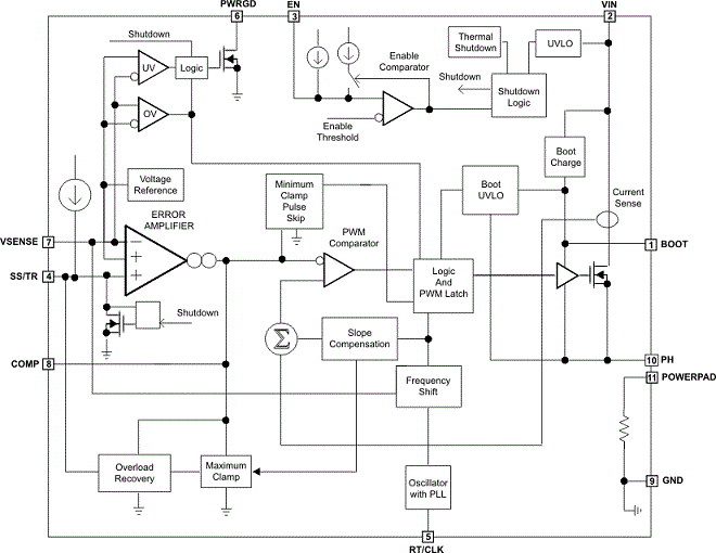
TPS57114-EP2.95V to 6V Input, 3.5-A Output, 2MHz, Synchronous Step Down Switcher | Integrated Circuits (ICs) | 3 | Active | The TPS57114-EP device is a full-featured 6-V, 3.5-A, synchronous step-down current-mode converter with two integrated MOSFETs.
The TPS57114-EP enables small designs by integrating the MOSFETs, implementing current-mode control to reduce external component count, reducing inductor size by enabling up to 2-MHz switching frequency, and minimizing the IC footprint with a small 3-mm × 3-mm thermally-enhanced WQFN package.
The TPS57114-EP provides accurate regulation for a variety of loads with an accurate ±1% voltage reference (VREF) over temperature.
The integrated 12-mΩ MOSFETs and 515-µA typical supply current maximize efficiency. Entering shutdown mode by using the enable pin reduces the shutdown supply current to 5.5 µA.
The internal undervoltage lockout (UVLO) setting is 2.45 V, but programming the threshold with a resistor network on the enable pin can increase it. The slow-start pin controls the output-voltage start-up ramp. An open-drain power-good signal indicates the output is within 93% to 107% of its nominal voltage.
Frequency foldback and thermal shutdown protect the device during an overcurrent condition.
The SwitcherPro software tool, available atwww.ti.com/switcherpro, supports the TPS57114-EP.
For more SWIFT documentation, see the TI website atwww.ti.com/swift.
TPS57114-EP is a current mode controller used to support various topologies such as buck converter configuration.
Current mode control is a two-loop system. The switching power supply inductor is hidden within the inner current control loop. This simplifies the design of the outer voltage control loop and improves power supply performance in many ways, including better dynamics. The objective of this inner loop is to control the state-space averaged inductor current, but in practice, the instantaneous peak inductor current is the basis for control (switch current—equal to inductor current during the on time—is often sensed). If the inductor ripple current is small, peak inductor current control is nearly equivalent to average inductor current control.
The peak method of inductor current control functions by comparing the upslope of inductor current (or switch current) to a current program level set by the outer loop. The comparator turns the power switch off when the instantaneous current reaches the desired level. The current ramp is usually quite small compared to the programming level, especially when VIN is low. As a result, this method is extremely susceptible to noise. A noise spike is generated each time the switch turns on. A fraction of a volt coupled into the control circuit can cause it to turn off immediately, resulting in a subharmonic operating mode with much greater ripple. Circuit layout and bypassing are critically important to successful operation.
The peak current mode control method is inherently unstable at duty ratios exceeding 0.5, resulting in subharmonic oscillation. A compensating ramp (with slope equal to the inductor current downslope) is usually applied to the comparator input to eliminate this instability. Slope compensation must be added to the sensed current waveform or subtracted from the control voltage to ensure stability above a 50% duty cycle. A compensating ramp (with slope equal to the inductor current downslope) is usually applied to the comparator input to eliminate this instability. Current limit control design has numerous advantages: Current mode control provided peak switch current limiting – pulse-by-pulse current limit. The control loop is simplified as one pole because the output inductor is pushed to higher frequency, thus a two-pole system turns into two real poles. Thus, the system reduces to a first-order system and simplifies the control.Multiple converters can be paralleled and allow equal current sharing amount the various converters.Inherently provides for input voltage feed-forward because any perturbation in the input voltage is reflected in the switch or inductor current. Because switch or inductor current is a direct-control input, this perturbation is rapidly corrected.The error amplifier output (outer control loop) defines the level at which the primary current (inner loop) regulates the pulse duration and output voltage.
The TPS57114-EP device is a full-featured 6-V, 3.5-A, synchronous step-down current-mode converter with two integrated MOSFETs.
The TPS57114-EP enables small designs by integrating the MOSFETs, implementing current-mode control to reduce external component count, reducing inductor size by enabling up to 2-MHz switching frequency, and minimizing the IC footprint with a small 3-mm × 3-mm thermally-enhanced WQFN package.
The TPS57114-EP provides accurate regulation for a variety of loads with an accurate ±1% voltage reference (VREF) over temperature.
The integrated 12-mΩ MOSFETs and 515-µA typical supply current maximize efficiency. Entering shutdown mode by using the enable pin reduces the shutdown supply current to 5.5 µA.
The internal undervoltage lockout (UVLO) setting is 2.45 V, but programming the threshold with a resistor network on the enable pin can increase it. The slow-start pin controls the output-voltage start-up ramp. An open-drain power-good signal indicates the output is within 93% to 107% of its nominal voltage.
Frequency foldback and thermal shutdown protect the device during an overcurrent condition.
The SwitcherPro software tool, available atwww.ti.com/switcherpro, supports the TPS57114-EP.
For more SWIFT documentation, see the TI website atwww.ti.com/swift.
TPS57114-EP is a current mode controller used to support various topologies such as buck converter configuration.
Current mode control is a two-loop system. The switching power supply inductor is hidden within the inner current control loop. This simplifies the design of the outer voltage control loop and improves power supply performance in many ways, including better dynamics. The objective of this inner loop is to control the state-space averaged inductor current, but in practice, the instantaneous peak inductor current is the basis for control (switch current—equal to inductor current during the on time—is often sensed). If the inductor ripple current is small, peak inductor current control is nearly equivalent to average inductor current control.
The peak method of inductor current control functions by comparing the upslope of inductor current (or switch current) to a current program level set by the outer loop. The comparator turns the power switch off when the instantaneous current reaches the desired level. The current ramp is usually quite small compared to the programming level, especially when VIN is low. As a result, this method is extremely susceptible to noise. A noise spike is generated each time the switch turns on. A fraction of a volt coupled into the control circuit can cause it to turn off immediately, resulting in a subharmonic operating mode with much greater ripple. Circuit layout and bypassing are critically important to successful operation.
The peak current mode control method is inherently unstable at duty ratios exceeding 0.5, resulting in subharmonic oscillation. A compensating ramp (with slope equal to the inductor current downslope) is usually applied to the comparator input to eliminate this instability. Slope compensation must be added to the sensed current waveform or subtracted from the control voltage to ensure stability above a 50% duty cycle. A compensating ramp (with slope equal to the inductor current downslope) is usually applied to the comparator input to eliminate this instability. Current limit control design has numerous advantages: Current mode control provided peak switch current limiting – pulse-by-pulse current limit. The control loop is simplified as one pole because the output inductor is pushed to higher frequency, thus a two-pole system turns into two real poles. Thus, the system reduces to a first-order system and simplifies the control.Multiple converters can be paralleled and allow equal current sharing amount the various converters.Inherently provides for input voltage feed-forward because any perturbation in the input voltage is reflected in the switch or inductor current. Because switch or inductor current is a direct-control input, this perturbation is rapidly corrected.The error amplifier output (outer control loop) defines the level at which the primary current (inner loop) regulates the pulse duration and output voltage. |
TPS57140-EPTPS57140-EP 1.5-A 42-V STEP-DOWN DC-DC CONVERTER WITH Eco-mode™ CONTROL | Voltage Regulators - DC DC Switching Regulators | 4 | Active | The TPS57140-Q1 device is a 42-V, 1.5-A step-down regulator with an integrated high-side MOSFET. Current-mode control provides simple external compensation and flexible component selection. A low-ripple pulse-skip mode reduces the no-load, regulated output supply current to 116 μA. When the enable pin is in the low state, the shutdown current is reduced to 1.5 µA.
Undervoltage lockout is internally set at 2.5 V, but can be increased using the enable pin. The output voltage startup ramp is controlled by the slow-start pin that can also be configured for sequencing or tracking. An open-drain power-good signal indicates the output is within 92% to 109% of its nominal voltage.
A wide switching-frequency range allows optimization of efficiency and external component size. Frequency foldback and thermal shutdown protect the part during an overload condition.
The TPS57140-Q1 is available in a 10-pin thermally enhanced MSOP-PowerPAD package (DGQ) and a 10-pin VSON package (DRC).
The TPS57140-Q1 device is a 42-V, 1.5-A step-down regulator with an integrated high-side MOSFET. Current-mode control provides simple external compensation and flexible component selection. A low-ripple pulse-skip mode reduces the no-load, regulated output supply current to 116 μA. When the enable pin is in the low state, the shutdown current is reduced to 1.5 µA.
Undervoltage lockout is internally set at 2.5 V, but can be increased using the enable pin. The output voltage startup ramp is controlled by the slow-start pin that can also be configured for sequencing or tracking. An open-drain power-good signal indicates the output is within 92% to 109% of its nominal voltage.
A wide switching-frequency range allows optimization of efficiency and external component size. Frequency foldback and thermal shutdown protect the part during an overload condition.
The TPS57140-Q1 is available in a 10-pin thermally enhanced MSOP-PowerPAD package (DGQ) and a 10-pin VSON package (DRC). |
TPS57160-Q1Automotive 3.5V to 60V, 1.5A Buck Converter with Eco-Mode™ | DC/DC & AC/DC (Off-Line) SMPS Evaluation Boards | 3 | Active | The TPS57160-Q1 device is a 60-V 1.5-A step-down regulator with an integrated high-side MOSFET. Current-mode control provides simple external compensation and flexible component selection. A low-ripple pulse-skip mode reduces the no load, input supply current to 116 µA. Using the enable pin, shutdown supply current is reduced to 1.5 µA.
Undervoltage lockout is set internally at 2.5 V but can be increased using the enable pin. The output voltage startup ramp is controlled by the slow-start pin that can also be configured for sequencing or tracking. An open-drain power-good signal indicates the output is within 92% to 109% of the nominal voltage.
A wide switching frequency range allows efficiency and external component size to be optimized. Frequency foldback and thermal shutdown protects the part during an overload condition.
The TPS57160-Q1 device is available in a 10-pin thermally enhanced MSOP-PowerPAD™ (DGQ) or 10-pin VSON (DRC) package. The Z-suffix offers reduced delamination compared to standard device.
The TPS57160-Q1 device is a 60-V 1.5-A step-down regulator with an integrated high-side MOSFET. Current-mode control provides simple external compensation and flexible component selection. A low-ripple pulse-skip mode reduces the no load, input supply current to 116 µA. Using the enable pin, shutdown supply current is reduced to 1.5 µA.
Undervoltage lockout is set internally at 2.5 V but can be increased using the enable pin. The output voltage startup ramp is controlled by the slow-start pin that can also be configured for sequencing or tracking. An open-drain power-good signal indicates the output is within 92% to 109% of the nominal voltage.
A wide switching frequency range allows efficiency and external component size to be optimized. Frequency foldback and thermal shutdown protects the part during an overload condition.
The TPS57160-Q1 device is available in a 10-pin thermally enhanced MSOP-PowerPAD™ (DGQ) or 10-pin VSON (DRC) package. The Z-suffix offers reduced delamination compared to standard device. |
TPS59116Complete DDR, DDR2, and DDR3 Memory Power Solution, Sync Buck Controller for Embedded Computing | Special Purpose Regulators | 2 | Active | The TPS59116 provides a complete power supply for DDR/SSTL-2, DDR2/SSTL-18, and DDR3 memory systems. It integrates a synchronous buck controller with a 3-A sink/source tracking linear regulator and buffered low noise reference. The TPS59116 offers the lowest total solution cost in systems where space is at a premium. The TPS59116 synchronous controller runs fixed 400-kHz pseudo-constant frequency PWM with an adaptive on-time control that can be configured in D-CAP™ Mode for ease of use and fastest transient response or in current mode to support ceramic output capacitors. The 3-A sink/source LDO maintains fast transient response only requiring 20-µF (2 × 10 µF) of ceramic output capacitance. In addition, the LDO supply input is available externally to significantly reduce the total power losses. The TPS59116 supports all of the sleep state controls placing VTT at high-Z in S3 (suspend to RAM) and discharging VDDQ, VTT and VTTREF (soft-off) in S4/S5 (suspend to disk). TPS59116 has all of the protection features including thermal shutdown and is offered in both a 20-pin HTSSOP PowerPAD™ package and 24-pin 4×4 QFN.
The TPS59116 provides a complete power supply for DDR/SSTL-2, DDR2/SSTL-18, and DDR3 memory systems. It integrates a synchronous buck controller with a 3-A sink/source tracking linear regulator and buffered low noise reference. The TPS59116 offers the lowest total solution cost in systems where space is at a premium. The TPS59116 synchronous controller runs fixed 400-kHz pseudo-constant frequency PWM with an adaptive on-time control that can be configured in D-CAP™ Mode for ease of use and fastest transient response or in current mode to support ceramic output capacitors. The 3-A sink/source LDO maintains fast transient response only requiring 20-µF (2 × 10 µF) of ceramic output capacitance. In addition, the LDO supply input is available externally to significantly reduce the total power losses. The TPS59116 supports all of the sleep state controls placing VTT at high-Z in S3 (suspend to RAM) and discharging VDDQ, VTT and VTTREF (soft-off) in S4/S5 (suspend to disk). TPS59116 has all of the protection features including thermal shutdown and is offered in both a 20-pin HTSSOP PowerPAD™ package and 24-pin 4×4 QFN. |
TPS591243-V to 28-V, dual-synchronous buck controller for low output voltage rails in embedded computing | Power Management (PMIC) | 1 | Active | The TPS59124 is a dual, adaptive on-time D-CAP mode synchronous buck controller. This device enables system designers to cost effectively complete the suite of embedded computer power bus regulators with the absolute lowest external component count and lowest standby consumption. The fixed-frequency emulated adaptive on-time control supports seamless operation between PWM mode at heavy load condition and reduced frequency operation at light load for high-efficiency down to milliampere range. The main control loop for the TPS59124 uses the D-CAP mode that optimized for low-ESR output capacitors such as POSCAP or SP-CAP promises fast transient response with no external compensation. Simple and separate power good signals for each channel allow flexibility of power sequencing. The device provides convenient and efficient operation with supply input voltages (V5IN, V5FILT) ranging from 4.5 V to 5.5 V, conversion voltages (drain voltage for the synchronous high-side MOSFET) from 3 V to 28 V and output voltages from 0.76 V to 5.5 V.
The TPS59124 is available in 24-pin QFN package specified from –40°C to 85°C ambient temperature range.
The TPS59124 is a dual, adaptive on-time D-CAP mode synchronous buck controller. This device enables system designers to cost effectively complete the suite of embedded computer power bus regulators with the absolute lowest external component count and lowest standby consumption. The fixed-frequency emulated adaptive on-time control supports seamless operation between PWM mode at heavy load condition and reduced frequency operation at light load for high-efficiency down to milliampere range. The main control loop for the TPS59124 uses the D-CAP mode that optimized for low-ESR output capacitors such as POSCAP or SP-CAP promises fast transient response with no external compensation. Simple and separate power good signals for each channel allow flexibility of power sequencing. The device provides convenient and efficient operation with supply input voltages (V5IN, V5FILT) ranging from 4.5 V to 5.5 V, conversion voltages (drain voltage for the synchronous high-side MOSFET) from 3 V to 28 V and output voltages from 0.76 V to 5.5 V.
The TPS59124 is available in 24-pin QFN package specified from –40°C to 85°C ambient temperature range. |