TPS5433204-V to 18-V, 3-A synchronous SWIFT™ step-down converter | Voltage Regulators - DC DC Switching Regulators | 1 | Active | The TPS543320 is a high-efficiency 18-V, 3-A synchronous buck converter employing an internally-compensated, fixed-frequency Advanced Current Mode control. The device is capable of providing high efficiency while running at a switching frequency up to 2.2 MHz. The device is in a small 2.5-mm × 3-mm HotRod™ VQFN package, which coupled with high efficiency at high frequency, makes it optimal for designs requiring a small solution size. The fixed frequency controller can operate from 500 kHz to 2.2 MHz and can be synchronized to an external clock using the SYNC pin. Additional features include a high accuracy voltage reference, selectable soft start times, montonic start-up into pre-biased outputs, selectable current limits, adjustable UVLO through the EN pin, and a full suite of fault protections.
The TPS543320 is a high-efficiency 18-V, 3-A synchronous buck converter employing an internally-compensated, fixed-frequency Advanced Current Mode control. The device is capable of providing high efficiency while running at a switching frequency up to 2.2 MHz. The device is in a small 2.5-mm × 3-mm HotRod™ VQFN package, which coupled with high efficiency at high frequency, makes it optimal for designs requiring a small solution size. The fixed frequency controller can operate from 500 kHz to 2.2 MHz and can be synchronized to an external clock using the SYNC pin. Additional features include a high accuracy voltage reference, selectable soft start times, montonic start-up into pre-biased outputs, selectable current limits, adjustable UVLO through the EN pin, and a full suite of fault protections. |
TPS543344.2V to 28V Input voltage, 3A Output current Synchronous buck Converter with 570kHz fixed frequency | Integrated Circuits (ICs) | 3 | Active | The TPS54334 is a 28-V, 3-A, low quiescent supply current (IQ), synchronous monolithic buck converter with integrated MOSFETs.
The TPS54334 enables small designs by integrating the MOSFETs and implementing current mode control to reduce external component count.
Efficiency is maximized through the integrated 128mΩ/84mΩ MOSFETs, low quiescent supply current and pulse skipping at light loads. Using the enable pin, shutdown supply current is reduced to 2 µA by entering a shutdown mode.
The TPS54334 provides accurate regulation for a variety of loads with an accurate 1.5% voltage reference over temperature.
Cycle by cycle current limiting on the high-side fet protects the TPS54334 in overload situations and is enhanced by a low-side sourcing current limit which prevents current runaway. There is also a low-side sinking current limit which turns off the low-side MOSFET to prevent excessive reverse current. Hiccup protection will be triggered if the overcurrent condition has persisted for longer than the preset time. Thermal hiccup protection disables the part when die temperature exceeds thermal shutdown temperature and enables the part again after the built-in thermal hiccup time.
The TPS54334 is a 28-V, 3-A, low quiescent supply current (IQ), synchronous monolithic buck converter with integrated MOSFETs.
The TPS54334 enables small designs by integrating the MOSFETs and implementing current mode control to reduce external component count.
Efficiency is maximized through the integrated 128mΩ/84mΩ MOSFETs, low quiescent supply current and pulse skipping at light loads. Using the enable pin, shutdown supply current is reduced to 2 µA by entering a shutdown mode.
The TPS54334 provides accurate regulation for a variety of loads with an accurate 1.5% voltage reference over temperature.
Cycle by cycle current limiting on the high-side fet protects the TPS54334 in overload situations and is enhanced by a low-side sourcing current limit which prevents current runaway. There is also a low-side sinking current limit which turns off the low-side MOSFET to prevent excessive reverse current. Hiccup protection will be triggered if the overcurrent condition has persisted for longer than the preset time. Thermal hiccup protection disables the part when die temperature exceeds thermal shutdown temperature and enables the part again after the built-in thermal hiccup time. |
TPS54335-2A4.5V to 28V Input, 3A, Synchronous, Step-Down Converter with Eco-mode in alternative DRC package | DC/DC & AC/DC (Off-Line) SMPS Evaluation Boards | 10 | Active | The TPS5433xA family of devices are synchronous converters with an input-voltage range of 4.5 to 28 V. These devices include an integrated low-side switching FET that eliminates the need for an external diode which reduces component count.
Efficiency is maximized through the integrated 128-mΩ and 84-mΩ MOSFETs, low IQand pulse skipping at light loads. Using the enable pin, the shutdown supply current is reduced to 2 μA. This step-down (buck) converter provides accurate regulation for a variety of loads with a well-regulated voltage reference that is 1.5% over temperature.
Cycle-by-cycle current limiting on the high-side MOSFET protects the TPS5433xA family of devices in overload situations and is enhanced by a low-side sourcing current limit which prevents current runaway. A low-side sinking current-limit turns off the low-side MOSFET to prevent excessive reverse current. Hiccup protection is triggered if the overcurrent condition continues for longer than the preset time. Thermal shutdown disables the device when the die temperature exceeds the threshold and enables the device again after the built-in thermal hiccup time.
The TPS5433xA family of devices are synchronous converters with an input-voltage range of 4.5 to 28 V. These devices include an integrated low-side switching FET that eliminates the need for an external diode which reduces component count.
Efficiency is maximized through the integrated 128-mΩ and 84-mΩ MOSFETs, low IQand pulse skipping at light loads. Using the enable pin, the shutdown supply current is reduced to 2 μA. This step-down (buck) converter provides accurate regulation for a variety of loads with a well-regulated voltage reference that is 1.5% over temperature.
Cycle-by-cycle current limiting on the high-side MOSFET protects the TPS5433xA family of devices in overload situations and is enhanced by a low-side sourcing current limit which prevents current runaway. A low-side sinking current-limit turns off the low-side MOSFET to prevent excessive reverse current. Hiccup protection is triggered if the overcurrent condition continues for longer than the preset time. Thermal shutdown disables the device when the die temperature exceeds the threshold and enables the device again after the built-in thermal hiccup time. |
TPS54336A4.5V to 28V Input, 3A, Synchronous Step-Down Converter with Eco-mode(tm) | Integrated Circuits (ICs) | 4 | Active | The TPS5433xA family of devices are synchronous converters with an input-voltage range of 4.5 to 28 V. These devices include an integrated low-side switching FET that eliminates the need for an external diode which reduces component count.
Efficiency is maximized through the integrated 128-mΩ and 84-mΩ MOSFETs, low IQand pulse skipping at light loads. Using the enable pin, the shutdown supply current is reduced to 2 μA. This step-down (buck) converter provides accurate regulation for a variety of loads with a well-regulated voltage reference that is 1.5% over temperature.
Cycle-by-cycle current limiting on the high-side MOSFET protects the TPS5433xA family of devices in overload situations and is enhanced by a low-side sourcing current limit which prevents current runaway. A low-side sinking current-limit turns off the low-side MOSFET to prevent excessive reverse current. Hiccup protection is triggered if the overcurrent condition continues for longer than the preset time. Thermal shutdown disables the device when the die temperature exceeds the threshold and enables the device again after the built-in thermal hiccup time.
The TPS5433xA family of devices are synchronous converters with an input-voltage range of 4.5 to 28 V. These devices include an integrated low-side switching FET that eliminates the need for an external diode which reduces component count.
Efficiency is maximized through the integrated 128-mΩ and 84-mΩ MOSFETs, low IQand pulse skipping at light loads. Using the enable pin, the shutdown supply current is reduced to 2 μA. This step-down (buck) converter provides accurate regulation for a variety of loads with a well-regulated voltage reference that is 1.5% over temperature.
Cycle-by-cycle current limiting on the high-side MOSFET protects the TPS5433xA family of devices in overload situations and is enhanced by a low-side sourcing current limit which prevents current runaway. A low-side sinking current-limit turns off the low-side MOSFET to prevent excessive reverse current. Hiccup protection is triggered if the overcurrent condition continues for longer than the preset time. Thermal shutdown disables the device when the die temperature exceeds the threshold and enables the device again after the built-in thermal hiccup time. |
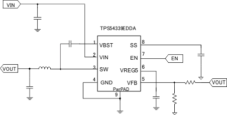
TPS54339E4.5-V to 23-V input, 3-A synchronous step-down converter with D-CAP2 mode and light load efficiency | Evaluation Boards | 6 | Active | The TPS54339E is an adaptive on-time D-CAP2™ mode synchronous buck converter. The TPS54339E enables system designers to complete the suite of various end-equipment power bus regulators with a cost effective, low component count, low standby current solution. The main control loop for the TPS54339E uses the D-CAP2™ mode control that provides a fast transient response with no external compensation components. The adaptive on-time control supports seamless transition between PWM mode at higher load conditions and Eco-mode™ operation at light loads. Eco-mode™ allows the TPS54339E to maintain high efficiency during lighter load conditions. The TPS54339E also has a proprietary circuit that enables the device to adopt to both low equivalent series resistance (ESR) output capacitors, such as POSCAP or SP-CAP, and ultra-low ESR ceramic capacitors. The device operates from 4.5-V to 18-V VIN input. The output voltage can be programmed between 0.76 V and 7 V. The device also features an adjustable soft start time. The TPS54339E is available in the 8-pin DDA package, and designed to operate from –40°C to 85°C.
The TPS54339E is an adaptive on-time D-CAP2™ mode synchronous buck converter. The TPS54339E enables system designers to complete the suite of various end-equipment power bus regulators with a cost effective, low component count, low standby current solution. The main control loop for the TPS54339E uses the D-CAP2™ mode control that provides a fast transient response with no external compensation components. The adaptive on-time control supports seamless transition between PWM mode at higher load conditions and Eco-mode™ operation at light loads. Eco-mode™ allows the TPS54339E to maintain high efficiency during lighter load conditions. The TPS54339E also has a proprietary circuit that enables the device to adopt to both low equivalent series resistance (ESR) output capacitors, such as POSCAP or SP-CAP, and ultra-low ESR ceramic capacitors. The device operates from 4.5-V to 18-V VIN input. The output voltage can be programmed between 0.76 V and 7 V. The device also features an adjustable soft start time. The TPS54339E is available in the 8-pin DDA package, and designed to operate from –40°C to 85°C. |
TPS54340B-Q1Automotive, 4.5V to 42V Input, 3.5A Step-Down Converter With Eco-Mode™ | DC/DC & AC/DC (Off-Line) SMPS Evaluation Boards | 8 | Active | The TPS54340-Q1 device is a 42-V, 3.5-A, step-down regulator with an integrated high-side MOSFET. The device survives load-dump pulses up to 45 V per ISO 7637. Current-mode control provides simple external compensation and flexible component selection. A low-ripple pulse-skip mode reduces the no-load supply current to 146 µA. Shutdown supply current is reduced to 1 µA when the enable pin is pulled low.
Undervoltage lockout is internally set at 4.3 V but can be increased using an external resistor divider at the enable pin. The output voltage start-up ramp is internally controlled to provide a controlled start-up and eliminate overshoot.
A wide adjustable frequency range allows for optimization of either efficiency or external component size. Frequency foldback and thermal shutdown protects internal and external components during an overload condition.
The TPS54340-Q1 device is available in an 8-pin thermally-enhanced HSOIC PowerPAD package.
The TPS54340-Q1 device is a 42-V, 3.5-A, step-down regulator with an integrated high-side MOSFET. The device survives load-dump pulses up to 45 V per ISO 7637. Current-mode control provides simple external compensation and flexible component selection. A low-ripple pulse-skip mode reduces the no-load supply current to 146 µA. Shutdown supply current is reduced to 1 µA when the enable pin is pulled low.
Undervoltage lockout is internally set at 4.3 V but can be increased using an external resistor divider at the enable pin. The output voltage start-up ramp is internally controlled to provide a controlled start-up and eliminate overshoot.
A wide adjustable frequency range allows for optimization of either efficiency or external component size. Frequency foldback and thermal shutdown protects internal and external components during an overload condition.
The TPS54340-Q1 device is available in an 8-pin thermally-enhanced HSOIC PowerPAD package. |
TPS543414.5 to 42V Input 3.5A Step-Down DC-DC Converter With Soft-Start and Eco-mode™ | Voltage Regulators - DC DC Switching Regulators | 1 | Active | The TPS54341 device is a 42-V, 3.5-A step-down regulator with an integrated high-side MOSFET. The device survives load-dump pulses up to 45 V per ISO 7637. Current mode control provides simple external compensation and flexible component selection. A low-ripple pulse-skip mode reduces the no-load supply current to 152 µA. Shutdown supply current is reduced to 2 µA when the enable pin is pulled low.
Undervoltage lockout is internally set at 4.3 V but can increase using an external resistor divider at the enable pin. The output voltage startup ramp is controlled by the soft start pin that can also be configured for sequencing/tracking. An open-drain power-good signal indicates the output is within 93% to 106% of the nominal voltage.
A wide adjustable switching-frequency range allows for optimization of either efficiency or external component size. Cycle-by-cycle current limit, frequency foldback and thermal shutdown protects internal and external components during an overload condition.
The TPS54341 device is available in a 10-pin 4-mm × 4-mm WSON package.
The TPS54341 device is a 42-V, 3.5-A step-down regulator with an integrated high-side MOSFET. The device survives load-dump pulses up to 45 V per ISO 7637. Current mode control provides simple external compensation and flexible component selection. A low-ripple pulse-skip mode reduces the no-load supply current to 152 µA. Shutdown supply current is reduced to 2 µA when the enable pin is pulled low.
Undervoltage lockout is internally set at 4.3 V but can increase using an external resistor divider at the enable pin. The output voltage startup ramp is controlled by the soft start pin that can also be configured for sequencing/tracking. An open-drain power-good signal indicates the output is within 93% to 106% of the nominal voltage.
A wide adjustable switching-frequency range allows for optimization of either efficiency or external component size. Cycle-by-cycle current limit, frequency foldback and thermal shutdown protects internal and external components during an overload condition.
The TPS54341 device is available in a 10-pin 4-mm × 4-mm WSON package. |
TPS54350-EPEnhanced Product 4.5-V To 20-V Input 3-A Output Synchronous Pwm Switcher W/Integrated Fet | Voltage Regulators - DC DC Switching Regulators | 5 | Active | The TPS54350 is a medium output currentsynchronous buck PWM converter with an integrated high side MOSFET and a gate driver for an optional low side external MOSFET. Features include a high performance voltage error amplifier that enables maximum performance under transient conditions and flexibility in choosing the output filter inductors and capacitors. The TPS54350 has an under-voltage-lockout circuit to prevent start-up until the input voltage reaches 4.5 V; an internal slow-start circuit to limit in-rush currents; and a power good output to indicate valid output conditions. The synchronization feature is configurable as either an input or an output for easy 180° out of phase synchronization.
The TPS54350 device is available in a thermally enhanced 16-pin TSSOP (PWP) PowerPAD™ package. Texas Instruments provides evaluation modules and the SWIFT™ designer software tool to aid in quickly achieving high-performance power supply designs to meet aggressive equipment development cycles.
The TPS54350 is a medium output currentsynchronous buck PWM converter with an integrated high side MOSFET and a gate driver for an optional low side external MOSFET. Features include a high performance voltage error amplifier that enables maximum performance under transient conditions and flexibility in choosing the output filter inductors and capacitors. The TPS54350 has an under-voltage-lockout circuit to prevent start-up until the input voltage reaches 4.5 V; an internal slow-start circuit to limit in-rush currents; and a power good output to indicate valid output conditions. The synchronization feature is configurable as either an input or an output for easy 180° out of phase synchronization.
The TPS54350 device is available in a thermally enhanced 16-pin TSSOP (PWP) PowerPAD™ package. Texas Instruments provides evaluation modules and the SWIFT™ designer software tool to aid in quickly achieving high-performance power supply designs to meet aggressive equipment development cycles. |
TPS543524.5V to 20V Input, 1.2V 3A Synchronous Step-Down SWIFT™ Converter w/ Low-Side Gate Driver | Voltage Regulators - DC DC Switching Regulators | 4 | LTB | The TPS5435x is a medium output current synchronous buck PWM converter with an integrated high side MOSFET and a gate driver for an optional low side external MOSFET. Features include a high performance voltage error amplifier that enables maximum performance under transient conditions. The TPS5435x has an under-voltage-lockout circuit to prevent start-up until the input voltage reaches a preset value; an internal slow-start circuit to limit in-rush currents; and a power good output to indicate valid output conditions. The synchronization feature is configurable as either an input or an output for easy 180° out of phase synchronization.
The TPS5435x devices are available in a thermally enhanced 16-pin TSSOP (PWP) PowerPAD™ package. TI provides evaluation modules and the SWIFT™ Designer software tool to aid in quickly achieving high-performance power supply designs to meet aggressive equipment development cycles.
The TPS5435x is a medium output current synchronous buck PWM converter with an integrated high side MOSFET and a gate driver for an optional low side external MOSFET. Features include a high performance voltage error amplifier that enables maximum performance under transient conditions. The TPS5435x has an under-voltage-lockout circuit to prevent start-up until the input voltage reaches a preset value; an internal slow-start circuit to limit in-rush currents; and a power good output to indicate valid output conditions. The synchronization feature is configurable as either an input or an output for easy 180° out of phase synchronization.
The TPS5435x devices are available in a thermally enhanced 16-pin TSSOP (PWP) PowerPAD™ package. TI provides evaluation modules and the SWIFT™ Designer software tool to aid in quickly achieving high-performance power supply designs to meet aggressive equipment development cycles. |
TPS543534.5V to 20V Input, 1.5V 3A Synchronous Step-Down SWIFT™ Converter w/ Low-Side Gate Driver | Integrated Circuits (ICs) | 4 | LTB | The TPS5435x is a medium output current synchronous buck PWM converter with an integrated high side MOSFET and a gate driver for an optional low side external MOSFET. Features include a high performance voltage error amplifier that enables maximum performance under transient conditions. The TPS5435x has an under-voltage-lockout circuit to prevent start-up until the input voltage reaches a preset value; an internal slow-start circuit to limit in-rush currents; and a power good output to indicate valid output conditions. The synchronization feature is configurable as either an input or an output for easy 180° out of phase synchronization.
The TPS5435x devices are available in a thermally enhanced 16-pin TSSOP (PWP) PowerPAD™ package. TI provides evaluation modules and the SWIFT™ Designer software tool to aid in quickly achieving high-performance power supply designs to meet aggressive equipment development cycles.
The TPS5435x is a medium output current synchronous buck PWM converter with an integrated high side MOSFET and a gate driver for an optional low side external MOSFET. Features include a high performance voltage error amplifier that enables maximum performance under transient conditions. The TPS5435x has an under-voltage-lockout circuit to prevent start-up until the input voltage reaches a preset value; an internal slow-start circuit to limit in-rush currents; and a power good output to indicate valid output conditions. The synchronization feature is configurable as either an input or an output for easy 180° out of phase synchronization.
The TPS5435x devices are available in a thermally enhanced 16-pin TSSOP (PWP) PowerPAD™ package. TI provides evaluation modules and the SWIFT™ Designer software tool to aid in quickly achieving high-performance power supply designs to meet aggressive equipment development cycles. |