T
Texas Instruments
| Series | Category | # Parts | Status | Description |
|---|---|---|---|---|
| Part | Spec A | Spec B | Spec C | Spec D | Description |
|---|---|---|---|---|---|
| Series | Category | # Parts | Status | Description |
|---|---|---|---|---|
| Part | Spec A | Spec B | Spec C | Spec D | Description |
|---|---|---|---|---|---|
| Part | Category | Description |
|---|---|---|
Texas Instruments | Integrated Circuits (ICs) | BUS DRIVER, BCT/FBT SERIES |
Texas Instruments | Integrated Circuits (ICs) | 12BIT 3.3V~3.6V 210MHZ PARALLEL VQFN-48-EP(7X7) ANALOG TO DIGITAL CONVERTERS (ADC) ROHS |
Texas Instruments | Integrated Circuits (ICs) | TMX320DRE311 179PIN UBGA 200MHZ |
Texas Instruments TPS61040DRVTG4Unknown | Integrated Circuits (ICs) | IC LED DRV RGLTR PWM 350MA 6WSON |
Texas Instruments LP3876ET-2.5Obsolete | Integrated Circuits (ICs) | IC REG LINEAR 2.5V 3A TO220-5 |
Texas Instruments LMS1585ACSX-ADJObsolete | Integrated Circuits (ICs) | IC REG LIN POS ADJ 5A DDPAK |
Texas Instruments INA111APG4Obsolete | Integrated Circuits (ICs) | IC INST AMP 1 CIRCUIT 8DIP |
Texas Instruments | Integrated Circuits (ICs) | AUTOMOTIVE, QUAD 36V 1.2MHZ OPERATIONAL AMPLIFIER |
Texas Instruments OPA340NA/3KG4Unknown | Integrated Circuits (ICs) | IC OPAMP GP 1 CIRCUIT SOT23-5 |
Texas Instruments PT5112AObsolete | Power Supplies - Board Mount | DC DC CONVERTER 8V 8W |
| Series | Category | # Parts | Status | Description |
|---|---|---|---|---|
TPS23521-10-V to -80-V hot swap controller with dual current limit and dual gate drive | Hot Swap Controllers | 1 | Active | The TPS23521 is a high performance hot swap that enables high power telecom systems to comply with stringent transient requirements. The 200-V absolute maximum rating makes it easier to survive lightning surge tests (IEC61000-4-5). The soft start cap disconnect allows for the use of smaller hot swap FETs by limiting the inrush current, without hurting the transient response. The dual hot swap gate driver saves space and BOM cost in high power applications that require multiple hot swap FETs.The 400-µA sourcing current allows fast recovery, which helps to avoid system resets during lightning surge tests. The dual current limit makes it easier to pass brown outs and input steps such as required by the ATIS 0600315.2013. Finally, it offers accurate undervoltage and overvoltage protection with programmable thresholds and hysteresis.
The TPS23521 is a high performance hot swap that enables high power telecom systems to comply with stringent transient requirements. The 200-V absolute maximum rating makes it easier to survive lightning surge tests (IEC61000-4-5). The soft start cap disconnect allows for the use of smaller hot swap FETs by limiting the inrush current, without hurting the transient response. The dual hot swap gate driver saves space and BOM cost in high power applications that require multiple hot swap FETs.The 400-µA sourcing current allows fast recovery, which helps to avoid system resets during lightning surge tests. The dual current limit makes it easier to pass brown outs and input steps such as required by the ATIS 0600315.2013. Finally, it offers accurate undervoltage and overvoltage protection with programmable thresholds and hysteresis. |
| Integrated Circuits (ICs) | 2 | Active | ||
| Power Management (PMIC) | 2 | Active | ||
TPS23588.5-V to 15-V dual channel hot swap controller with Oring | Integrated Circuits (ICs) | 2 | Active | The TPS2358 dual-slot hot-plug controller provides all required power interface functions for two AdvancedMC™ (Advanced Mezzanine Card) modules.
Two fully integrated 3.3-V channels provide inrush control, current limiting, and overload protection. The two 12-V channels use an external FET to provide the same functions, along with ORing control circuits that allow an external FET to prevent reverse current flow. External capacitors are used to set fault times. There is one capacitor for each channel. The 3.3-V current limits are factory set to AdvancedMC™ compliant levels and the 12-V current limits are programmed using external sense resistors. The accurate current sense comparators of the TPS2358 satisfy the narrow ATCA AdvancedMC™ current limit requirements.
The TPS2358 dual-slot hot-plug controller provides all required power interface functions for two AdvancedMC™ (Advanced Mezzanine Card) modules.
Two fully integrated 3.3-V channels provide inrush control, current limiting, and overload protection. The two 12-V channels use an external FET to provide the same functions, along with ORing control circuits that allow an external FET to prevent reverse current flow. External capacitors are used to set fault times. There is one capacitor for each channel. The 3.3-V current limits are factory set to AdvancedMC™ compliant levels and the 12-V current limits are programmed using external sense resistors. The accurate current sense comparators of the TPS2358 satisfy the narrow ATCA AdvancedMC™ current limit requirements. |
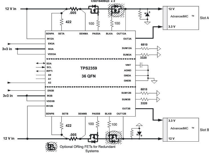
TPS23598.5-V to 15-V dual channel hot swap controller with Oring and Ad-VancedMC compliance | Integrated Circuits (ICs) | 3 | Active | The TPS2359 dual-slot hot-plug controllers perform all necessary power interface functions for two AdvancedMC™ (Advanced Mezzanine Card) modules.
Two fully integrated 3.3-V channels provide inrush control, over-current protection, and FET ORing. Two 12-V channels provide the same functions using external FETs and sense resistors. The 3.3-V current limits are factory set to AdvancedMC™ compliant levels and the 12-V current limits are programmed using external sense resistors. The accurate current sense comparators of the TPS2359 satisfy the narrow ATCA™ AdvancedMC™ current limit requirements.
The TPS2359 dual-slot hot-plug controllers perform all necessary power interface functions for two AdvancedMC™ (Advanced Mezzanine Card) modules.
Two fully integrated 3.3-V channels provide inrush control, over-current protection, and FET ORing. Two 12-V channels provide the same functions using external FETs and sense resistors. The 3.3-V current limits are factory set to AdvancedMC™ compliant levels and the 12-V current limits are programmed using external sense resistors. The accurate current sense comparators of the TPS2359 satisfy the narrow ATCA™ AdvancedMC™ current limit requirements. |
TPS236310.8-V to 13.2-V dual channelhot swap controller for PCIExpress | Power Management (PMIC) | 2 | Active | The TPS2363 is a dual-slot PCIExpress hot plug controller with SMBus control and monitoring functions. There are sense resistor programmable current limits for the 3.3-V and 12-V supply.
The TPS2363 has one internal FET channel for AUX and two external FET channels for 3.3-V and 12-V per slot.
The TPS2363PFB is in 48-pin TQFP package.
The TPS2363 has bleed-down circuits to discharge the module before it is removed, when the voltages are below the low comparator threshold, slot PWROFF will be set indicating it is safe to remove the module. This is available over the SMBus.
Gate capacitors are used to set the rise time, this allows soft turn on of the slot avoiding power glitches.
The TPS2363 can be operated in direct mode, which does not use the SMBus.
The TPS2363PFB without the A/D converter in a 48-pin package is a drop in replacement for the competitive parts but with certain improvements.
The TPS2363 is a dual-slot PCIExpress hot plug controller with SMBus control and monitoring functions. There are sense resistor programmable current limits for the 3.3-V and 12-V supply.
The TPS2363 has one internal FET channel for AUX and two external FET channels for 3.3-V and 12-V per slot.
The TPS2363PFB is in 48-pin TQFP package.
The TPS2363 has bleed-down circuits to discharge the module before it is removed, when the voltages are below the low comparator threshold, slot PWROFF will be set indicating it is safe to remove the module. This is available over the SMBus.
Gate capacitors are used to set the rise time, this allows soft turn on of the slot avoiding power glitches.
The TPS2363 can be operated in direct mode, which does not use the SMBus.
The TPS2363PFB without the A/D converter in a 48-pin package is a drop in replacement for the competitive parts but with certain improvements. |
| DC/DC & AC/DC (Off-Line) SMPS Evaluation Boards | 7 | Obsolete | ||
TPS2370IEEE802.3af Power Interface Switch For Power-Over-Ethernet (PoE) Powered Devices (PD's) | Interface | 2 | NRND | Acting as an interface between the Power Source Equipment (PSE) and the Powered Device (PD), the TPS2370 performs all detection, classification, inrush current limiting, and switch FET control that is necessary for compliance with the IEEE 802.3af Standard. An internal 0.3-FET provides maximum power delivery. As an additional feature, the TPS2370 interfaces with the enable/soft-start signal of a dc-to-dc converter, eliminating the need to have an accurate UVLO in the dc-to-dc converter.
At low-input voltages (1.8 V to 10 V), the TPS2370 draws less than 12 µA, allowing accurate sensing of the external 24.9-kdiscovery resistor. At input voltages between 15 V and 20 V, an external resistor sets the level of current to be drawn during classification mode. TPS2370 is compatible with current as well as voltage measurement schemes for classification. Above 20-V input, the classification current is shut off, reducing internal power dissipation.
The TPS2370 drives an internal low-side FET for control of the return side of the power path. The internal FET switch is turned on when the input voltage reaches 40 V and above. When the input voltage decreases, the FET remains on until the input voltage drops to below 30 V.
During initial turn-on of the switch (inrush mode), an external resistor is used to program the inrush current, allowing a wide range of capacitor values to be used at the load. According to IEEE 802.3 af specification, inrush current of 400 mA is allowed only for 50 ms, limiting the load capacitor to approximately 180 µF. A programmable inrush current limit removes this limitation, allowing a larger capacitor to be used with a lower inrush current limit.
Acting as an interface between the Power Source Equipment (PSE) and the Powered Device (PD), the TPS2370 performs all detection, classification, inrush current limiting, and switch FET control that is necessary for compliance with the IEEE 802.3af Standard. An internal 0.3-FET provides maximum power delivery. As an additional feature, the TPS2370 interfaces with the enable/soft-start signal of a dc-to-dc converter, eliminating the need to have an accurate UVLO in the dc-to-dc converter.
At low-input voltages (1.8 V to 10 V), the TPS2370 draws less than 12 µA, allowing accurate sensing of the external 24.9-kdiscovery resistor. At input voltages between 15 V and 20 V, an external resistor sets the level of current to be drawn during classification mode. TPS2370 is compatible with current as well as voltage measurement schemes for classification. Above 20-V input, the classification current is shut off, reducing internal power dissipation.
The TPS2370 drives an internal low-side FET for control of the return side of the power path. The internal FET switch is turned on when the input voltage reaches 40 V and above. When the input voltage decreases, the FET remains on until the input voltage drops to below 30 V.
During initial turn-on of the switch (inrush mode), an external resistor is used to program the inrush current, allowing a wide range of capacitor values to be used at the load. According to IEEE 802.3 af specification, inrush current of 400 mA is allowed only for 50 ms, limiting the load capacitor to approximately 180 µF. A programmable inrush current limit removes this limitation, allowing a larger capacitor to be used with a lower inrush current limit. |
TPS2372IEEE 802.3bt PoE high-power PD interface with automatic MPS & autoclass | Development Boards, Kits, Programmers | 5 | Active | The TPS2372 contains all of the features needed to implement an IEEE802.3at or IEEE802.3bt (draft) (Type 1-4) powered device (PD). The low internal switch resistance allows the TPS2372-4 and TPS2372-3 to support high power applications up to 90 W and 60 W respectively. Assuming 100-meter CAT5 cable, this translates into 71.3 W and 51 W at PD input.
The TPS2372 operates with enhanced features.
The Automatic MPS function enables applications requiring very low power standby modes. The TPS2372 automatically generates the necessary pulsed current to maintain the PSE power. An external resistor is used to enable this functionality and to program the MPS pulsed current amplitude.
The TPS2372 also implements a delay function to allow the remote PSE to complete its inrush phase before releasing the Power Good (PG) output. This ensures that the IEEE802.3bt (draft) startup requirements are met.
The Autoclass enable input also allows advanced system power optimization modes compliant with IEEE802.3bt (draft) standard.
The TPS2372 contains all of the features needed to implement an IEEE802.3at or IEEE802.3bt (draft) (Type 1-4) powered device (PD). The low internal switch resistance allows the TPS2372-4 and TPS2372-3 to support high power applications up to 90 W and 60 W respectively. Assuming 100-meter CAT5 cable, this translates into 71.3 W and 51 W at PD input.
The TPS2372 operates with enhanced features.
The Automatic MPS function enables applications requiring very low power standby modes. The TPS2372 automatically generates the necessary pulsed current to maintain the PSE power. An external resistor is used to enable this functionality and to program the MPS pulsed current amplitude.
The TPS2372 also implements a delay function to allow the remote PSE to complete its inrush phase before releasing the Power Good (PG) output. This ensures that the IEEE802.3bt (draft) startup requirements are met.
The Autoclass enable input also allows advanced system power optimization modes compliant with IEEE802.3bt (draft) standard. |
TPS2373IEEE 802.3bt PoE high-power PD interface with advanced startup | Power Over Ethernet (PoE) Controllers | 3 | Active | The TPS2373 contains all of the features needed to implement an IEEE802.3at or IEEE802.3bt (draft) (Type 1-4) powered device (PD). The low internal switch resistance allows the TPS2373-4 and TPS2373-3 to support high power applications up to 90 W and 60 W respectively. Assuming 100-meter CAT5 cable, this translates into 71.3 W and 51 W at PD input.
The TPS2373 operates with enhanced features.
The Advanced Startup function for DC-DC results in a simple, flexible, and minimal system cost solution, while ensuring that IEEE802.3bt (draft) startup requirements are met. It helps to reduce the size of the low voltage bias capacitor considerably. It also allows long DC-DC converter soft-start period and enables the use of a low-voltage PWM controller.
The Automatic MPS function enables applications requiring very low power standby modes. The TPS2373 automatically generates the necessary pulsed current to maintain the PSE power. An external resistor is used to enable this functionality and to program the MPS pulsed current amplitude.
The TPS2373 contains all of the features needed to implement an IEEE802.3at or IEEE802.3bt (draft) (Type 1-4) powered device (PD). The low internal switch resistance allows the TPS2373-4 and TPS2373-3 to support high power applications up to 90 W and 60 W respectively. Assuming 100-meter CAT5 cable, this translates into 71.3 W and 51 W at PD input.
The TPS2373 operates with enhanced features.
The Advanced Startup function for DC-DC results in a simple, flexible, and minimal system cost solution, while ensuring that IEEE802.3bt (draft) startup requirements are met. It helps to reduce the size of the low voltage bias capacitor considerably. It also allows long DC-DC converter soft-start period and enables the use of a low-voltage PWM controller.
The Automatic MPS function enables applications requiring very low power standby modes. The TPS2373 automatically generates the necessary pulsed current to maintain the PSE power. An external resistor is used to enable this functionality and to program the MPS pulsed current amplitude. |