T
Texas Instruments
| Series | Category | # Parts | Status | Description |
|---|---|---|---|---|
| Part | Spec A | Spec B | Spec C | Spec D | Description |
|---|---|---|---|---|---|
| Series | Category | # Parts | Status | Description |
|---|---|---|---|---|
| Part | Spec A | Spec B | Spec C | Spec D | Description |
|---|---|---|---|---|---|
| Part | Category | Description |
|---|---|---|
Texas Instruments | Integrated Circuits (ICs) | BUS DRIVER, BCT/FBT SERIES |
Texas Instruments | Integrated Circuits (ICs) | 12BIT 3.3V~3.6V 210MHZ PARALLEL VQFN-48-EP(7X7) ANALOG TO DIGITAL CONVERTERS (ADC) ROHS |
Texas Instruments | Integrated Circuits (ICs) | TMX320DRE311 179PIN UBGA 200MHZ |
Texas Instruments TPS61040DRVTG4Unknown | Integrated Circuits (ICs) | IC LED DRV RGLTR PWM 350MA 6WSON |
Texas Instruments LP3876ET-2.5Obsolete | Integrated Circuits (ICs) | IC REG LINEAR 2.5V 3A TO220-5 |
Texas Instruments LMS1585ACSX-ADJObsolete | Integrated Circuits (ICs) | IC REG LIN POS ADJ 5A DDPAK |
Texas Instruments INA111APG4Obsolete | Integrated Circuits (ICs) | IC INST AMP 1 CIRCUIT 8DIP |
Texas Instruments | Integrated Circuits (ICs) | AUTOMOTIVE, QUAD 36V 1.2MHZ OPERATIONAL AMPLIFIER |
Texas Instruments OPA340NA/3KG4Unknown | Integrated Circuits (ICs) | IC OPAMP GP 1 CIRCUIT SOT23-5 |
Texas Instruments PT5112AObsolete | Power Supplies - Board Mount | DC DC CONVERTER 8V 8W |
| Series | Category | # Parts | Status | Description |
|---|---|---|---|---|
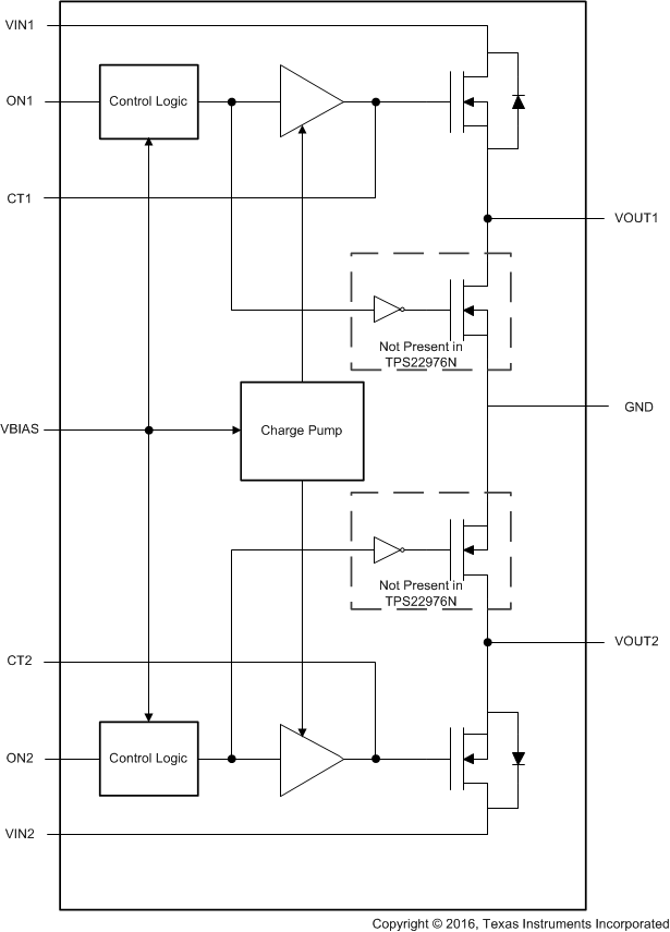
TPS229762-ch, 5.7-V, 6-A, 14-mΩ, load switch with adj. rise time and optional output discharge | Evaluation Boards | 5 | Active | The TPS22976 product family consists of three devices: TPS22976, TPS22976A and TPS22976N. Each device is a dual-channel load switch with controlled turnon. The device contains two N-channel MOSFETs that can operate over an input voltage range of 0.6 V to 5.7 V, and can support a maximum continuous current of 6 A per channel. Each switch is independently controlled by an on and off input (ON1 and ON2), which can interface directly with low-voltage control signals. The TPS22976 is capable of thermal shutdown when the junction temperature is above the threshold, turning the switch off. The switch turns on again when the junction temperature stabilizes to a safe range. The TPS22976 also offers an optional integrated 230-Ω on-chip load resistor for quick output discharge when the switch is turned off.
The TPS22976 is available in a small, space-saving 3-mm × 2-mm 14-SON package (DPU) with integrated thermal pad allowing for high power dissipation. The device is characterized for operation over the free-air temperature range of –40°C to 105°C.
The TPS22976 product family consists of three devices: TPS22976, TPS22976A and TPS22976N. Each device is a dual-channel load switch with controlled turnon. The device contains two N-channel MOSFETs that can operate over an input voltage range of 0.6 V to 5.7 V, and can support a maximum continuous current of 6 A per channel. Each switch is independently controlled by an on and off input (ON1 and ON2), which can interface directly with low-voltage control signals. The TPS22976 is capable of thermal shutdown when the junction temperature is above the threshold, turning the switch off. The switch turns on again when the junction temperature stabilizes to a safe range. The TPS22976 also offers an optional integrated 230-Ω on-chip load resistor for quick output discharge when the switch is turned off.
The TPS22976 is available in a small, space-saving 3-mm × 2-mm 14-SON package (DPU) with integrated thermal pad allowing for high power dissipation. The device is characterized for operation over the free-air temperature range of –40°C to 105°C. |
| Power Distribution Switches, Load Drivers | 2 | Active | ||
TPS22981Thunderbolt™ Host/Peripheral Power Mux (Optimized for Thunderbolt 2) | Power Distribution Switches, Load Drivers | 2 | Active | The TPS22981 device is a current-limited power mux providing a connection to a peripheral device from either a low-voltage supply (3 V to 3.6 V) or a high-voltage supply (4.5 V to 19.8 V). The desired output is selected by digital control signals.
The high-voltage (VHV) and low-voltage (V3P3) switch current limits are set with external resistance. Once the current limit is reached, the TPS22981 will control the switch to maintain the current at this limit.
When the high-voltage supply is not present, the TPS22981 will maintain the connection to the output from the low-voltage supply. Upon the presence of a high-voltage line and high-voltage enable signal, the high-voltage switch is turned on in conjunction with the low-voltage switch until a reverse current is detected through the low-voltage switch, allowing a seamless transition from low voltage to the high-voltage supply with minimal droop and shoot-through current.
To prevent current backflow during a switch over from a VHV connection to a V3P3 connection, the TPS22981 will break the VHV connection, discharge the output to approximately 3.3 V and then make the V3P3 connection. The output may transition to 0 V when a load is present, before returning to 3.3 V.
The TPS22981 is available in a 4 mm × 4 mm × 1 mm VQFN package.
The TPS22981 device is a current-limited power mux providing a connection to a peripheral device from either a low-voltage supply (3 V to 3.6 V) or a high-voltage supply (4.5 V to 19.8 V). The desired output is selected by digital control signals.
The high-voltage (VHV) and low-voltage (V3P3) switch current limits are set with external resistance. Once the current limit is reached, the TPS22981 will control the switch to maintain the current at this limit.
When the high-voltage supply is not present, the TPS22981 will maintain the connection to the output from the low-voltage supply. Upon the presence of a high-voltage line and high-voltage enable signal, the high-voltage switch is turned on in conjunction with the low-voltage switch until a reverse current is detected through the low-voltage switch, allowing a seamless transition from low voltage to the high-voltage supply with minimal droop and shoot-through current.
To prevent current backflow during a switch over from a VHV connection to a V3P3 connection, the TPS22981 will break the VHV connection, discharge the output to approximately 3.3 V and then make the V3P3 connection. The output may transition to 0 V when a load is present, before returning to 3.3 V.
The TPS22981 is available in a 4 mm × 4 mm × 1 mm VQFN package. |
TPS22985Supply Selection IC | Integrated Circuits (ICs) | 1 | NRND | The TPS22985 is a supply selection device for active Thunderbolt cables. The device selects a supply that is at 3.3V from two supply inputs and connects this to two non-current limited outputs OUTA and OUTB. When 3.3V is not present at either supply, the outputs become high impedance.
The TPS22985 has two modes of operation, Normal and Control.
In Normal Mode, OUTA is always on when a valid supply is present. OUTB is connected to a valid VDD when the ENB input is high.
In Control Mode, OUTA functions the same as Normal Mode and OUTB is controlled by a combination of monitored inputs and valid supplies on VDD1 and VDD2. When a valid VDD is available, the device waits for a rising input on ENB and then disconnects OUTB until the next falling RXH transition. Once the next falling RXH transition occurs, the device reconnects OUTB.
In either mode, when a valid VDD is not available, the TPS22985 opens all switches and the outputs OUTA and OUTB become high impedance. When the connected VDD exceeds a maximum voltage of 3.6V, it is disconnected from the outputs. VDD2 will only connect when it is in the valid range and VDD1 is greater than 3.6V
The TPS22985 is available in a 1.6mm x 1.6mm WCSP package.
The TPS22985 is a supply selection device for active Thunderbolt cables. The device selects a supply that is at 3.3V from two supply inputs and connects this to two non-current limited outputs OUTA and OUTB. When 3.3V is not present at either supply, the outputs become high impedance.
The TPS22985 has two modes of operation, Normal and Control.
In Normal Mode, OUTA is always on when a valid supply is present. OUTB is connected to a valid VDD when the ENB input is high.
In Control Mode, OUTA functions the same as Normal Mode and OUTB is controlled by a combination of monitored inputs and valid supplies on VDD1 and VDD2. When a valid VDD is available, the device waits for a rising input on ENB and then disconnects OUTB until the next falling RXH transition. Once the next falling RXH transition occurs, the device reconnects OUTB.
In either mode, when a valid VDD is not available, the TPS22985 opens all switches and the outputs OUTA and OUTB become high impedance. When the connected VDD exceeds a maximum voltage of 3.6V, it is disconnected from the outputs. VDD2 will only connect when it is in the valid range and VDD1 is greater than 3.6V
The TPS22985 is available in a 1.6mm x 1.6mm WCSP package. |
TPS22986Thunderbolt™ Cable Power Mux (Also supports Thunderbolt 2) | Integrated Circuits (ICs) | 1 | Active | The TPS22986 is a supply selection device for active Thunderbolt™ cables. The device selects a 3.3V input from two available supplies and connects the chosen input to two outputs, OUTA and OUTB. When a 3.3V supply is not present, the outputs become high impedance.
The TPS22986 has two modes of operation, Normal and Control. In Normal Mode, OUTA is always on when a valid supply is present. OUTB is connected to a valid supply when the ENB input is high.
In Control Mode, OUTA behaves the same as Normal Mode and OUTB is controlled by a combination of monitored inputs and valid supplies on VDD1 and VDD2. When a valid VDD is available, the device waits for a rising input on ENB and then disconnects OUTB until the next falling RXH transition. Once the next falling RXH transition occurs, the device reconnects OUTB.
In either mode, when a valid VDD is not available, the TPS22986 opens all switches and the outputs OUTA and OUTB become high impedance. When the connected VDD exceeds 3.6V, it is disconnected from the outputs.
The TPS22986 is available in a 1.6mm x 1.6mm WCSP package.
The TPS22986 is a supply selection device for active Thunderbolt™ cables. The device selects a 3.3V input from two available supplies and connects the chosen input to two outputs, OUTA and OUTB. When a 3.3V supply is not present, the outputs become high impedance.
The TPS22986 has two modes of operation, Normal and Control. In Normal Mode, OUTA is always on when a valid supply is present. OUTB is connected to a valid supply when the ENB input is high.
In Control Mode, OUTA behaves the same as Normal Mode and OUTB is controlled by a combination of monitored inputs and valid supplies on VDD1 and VDD2. When a valid VDD is available, the device waits for a rising input on ENB and then disconnects OUTB until the next falling RXH transition. Once the next falling RXH transition occurs, the device reconnects OUTB.
In either mode, when a valid VDD is not available, the TPS22986 opens all switches and the outputs OUTA and OUTB become high impedance. When the connected VDD exceeds 3.6V, it is disconnected from the outputs.
The TPS22986 is available in a 1.6mm x 1.6mm WCSP package. |
| Integrated Circuits (ICs) | 6 | Active | ||
TPS229925.5V 6A 8.7mΩ load switch with adjustable rise time and adjustable output discharge | Integrated Circuits (ICs) | 2 | Active | The TPS22992x product family consists of two devices: TPS22992 and TPS22992S. Each device is a single-channel load switch with an 8.7-mΩ power MOSFET designed to maximize power density in applications up to 5.5 V and 6 A. A configurable rise time provides flexibility for power sequencing and minimizes inrush current for high capacitance loads.
The switch is controlled by an enable pin (ON), which is capable of interfacing directly with low voltage GPIO signals (VIH= 0.8 V). The TPS22992x device has an optional QOD pin for quick output discharge when switch is turned off, and the fall time (tFALL) of the output can be adjusted through an external resistor. There is a Power Good (PG) signal on the device that indicates when the main MOSFET is fully turned on, which can be used to enable a downstream load.
Both TPS22992x devices come with thermal shutdown to ensure protection in high temperature environments. The TPS22992S device also integrates overcurrent protection, preventing damage to the device if the output is shorted to ground during operation or start-up.
For small form factor applications, the TPS22992x devices are available in a 1.25 × 1.25mm, 0.4-mm pitch, 8-pin WQFN package. The TPS22992 device is also available in a 1.5 × 1.25 mm, 0.5-mm pitch, 8-pin WQFN package where a wider pin pitch is needed. Both devices are characterized for operation over the free-air temperature range of –40°C to +125°C.
The TPS22992x product family consists of two devices: TPS22992 and TPS22992S. Each device is a single-channel load switch with an 8.7-mΩ power MOSFET designed to maximize power density in applications up to 5.5 V and 6 A. A configurable rise time provides flexibility for power sequencing and minimizes inrush current for high capacitance loads.
The switch is controlled by an enable pin (ON), which is capable of interfacing directly with low voltage GPIO signals (VIH= 0.8 V). The TPS22992x device has an optional QOD pin for quick output discharge when switch is turned off, and the fall time (tFALL) of the output can be adjusted through an external resistor. There is a Power Good (PG) signal on the device that indicates when the main MOSFET is fully turned on, which can be used to enable a downstream load.
Both TPS22992x devices come with thermal shutdown to ensure protection in high temperature environments. The TPS22992S device also integrates overcurrent protection, preventing damage to the device if the output is shorted to ground during operation or start-up.
For small form factor applications, the TPS22992x devices are available in a 1.25 × 1.25mm, 0.4-mm pitch, 8-pin WQFN package. The TPS22992 device is also available in a 1.5 × 1.25 mm, 0.5-mm pitch, 8-pin WQFN package where a wider pin pitch is needed. Both devices are characterized for operation over the free-air temperature range of –40°C to +125°C. |
| Power Distribution Switches, Load Drivers | 2 | Obsolete | ||
TPS229944-ch, 3.6-V, 1-A, 41-mΩ load switch with I2C control | Power Distribution Switches, Load Drivers | 2 | Active | The TPS22994 is a multi-channel, low RONload switch with user programmable features. The device contains four N-channel MOSFETs that can operate over an input voltage range of 1.0 V to 3.6 V. The switch can be controlled by I2C making it ideal for usage with processors that have limited GPIO available. The rise time of the TPS22994 device is internally controlled in order to avoid inrush current. The TPS22994 has five programmable slew rate options, four ON-delay options, and four quick output discharge (QOD) resistance options.
The channels of the device can be controlled via either GPIO or I2C. The default mode of operation is GPIO control through the ONx terminals. The I2C slave address terminals can be tied high or low to assign seven unique device addresses.
The TPS22994 is available in a space-saving RUK package (0.4-mm pitch) and is characterized for operation over the free-air temperature range of –40°C to 85°C.
The TPS22994 is a multi-channel, low RONload switch with user programmable features. The device contains four N-channel MOSFETs that can operate over an input voltage range of 1.0 V to 3.6 V. The switch can be controlled by I2C making it ideal for usage with processors that have limited GPIO available. The rise time of the TPS22994 device is internally controlled in order to avoid inrush current. The TPS22994 has five programmable slew rate options, four ON-delay options, and four quick output discharge (QOD) resistance options.
The channels of the device can be controlled via either GPIO or I2C. The default mode of operation is GPIO control through the ONx terminals. The I2C slave address terminals can be tied high or low to assign seven unique device addresses.
The TPS22994 is available in a space-saving RUK package (0.4-mm pitch) and is characterized for operation over the free-air temperature range of –40°C to 85°C. |
| Integrated Circuits (ICs) | 3 | Active | ||