TPA6013A43.2-W, stereo, analog input Class-AB audio amplifier | Development Boards, Kits, Programmers | 3 | Active | The TPA6013A4 is a stereo audio power amplifier that drives 3 W/channel of continuous RMS power into a 3-load. Advanced dc volume control minimizes external components and allows BTL (speaker) volume control and SE (headphone) volume control. Notebook and pocket PCs benefit from the integrated feature set that minimizes external components without sacrificing functionality.
To simplify design, the speaker volume level is adjusted by applying a dc voltage to the VOLUME terminal. Likewise, the delta between speaker volume and headphone volume can be adjusted by applying a dc voltage to the SEDIFF terminal. To avoid an unexpected high volume level through the headphones, a third terminal, SEMAX, limits the headphone volume level when a dc voltage is applied. Finally, to ensure a smooth transition between active and shutdown modes, a fade mode ramps the volume up and down.
The TPA6013A4 is a stereo audio power amplifier that drives 3 W/channel of continuous RMS power into a 3-load. Advanced dc volume control minimizes external components and allows BTL (speaker) volume control and SE (headphone) volume control. Notebook and pocket PCs benefit from the integrated feature set that minimizes external components without sacrificing functionality.
To simplify design, the speaker volume level is adjusted by applying a dc voltage to the VOLUME terminal. Likewise, the delta between speaker volume and headphone volume can be adjusted by applying a dc voltage to the SEDIFF terminal. To avoid an unexpected high volume level through the headphones, a third terminal, SEMAX, limits the headphone volume level when a dc voltage is applied. Finally, to ensure a smooth transition between active and shutdown modes, a fade mode ramps the volume up and down. |
| Development Boards, Kits, Programmers | 1 | Active | |
TPA6020A22.8-W, stereo, fully differential analog input Class-AB audio amplifier | Audio Amplifiers | 2 | Active | The TPA6020A2 is a 2.8-W stereo bridge-tied load (BTL) amplifier designed to drive stereo speakers with at least 3-impedance. The device operates from 2.5 V to 5.5 V, drawing only 8 mA of quiescent supply current. The feedback resistors are internal, allowing the gain to be set with only two input resistors per channel. The amplifier's fully differential architecture performs with -80 dB of power supply rejection from 20 Hz to 2 kHz, improved RF rectification immunity, small PCB area, and a fast startup time with minimal pop, making the TPA6020A2 ideal for notebook PC applications.
The TPA6020A2 is a 2.8-W stereo bridge-tied load (BTL) amplifier designed to drive stereo speakers with at least 3-impedance. The device operates from 2.5 V to 5.5 V, drawing only 8 mA of quiescent supply current. The feedback resistors are internal, allowing the gain to be set with only two input resistors per channel. The amplifier's fully differential architecture performs with -80 dB of power supply rejection from 20 Hz to 2 kHz, improved RF rectification immunity, small PCB area, and a fast startup time with minimal pop, making the TPA6020A2 ideal for notebook PC applications. |
TPA6021A42-W, stereo Class-AB audio amplifier with DC volume control & stereo headphone driver | Evaluation Boards | 2 | Active | The TPA6021A4 is a stereo audio power amplifier that drives 2 W/channel of continuous RMS power into a 4-load when utilizing a heat sink. Advanced dc volume control minimizes external components and allows BTL (speaker) volume control and SE (headphone) volume control.
The 20-pin DIP package allows for the use of a heatsink which provides higher output power.
To ensure a smooth transition between active and shutdown modes, a fade mode ramps the volume up and down.
The TPA6021A4 is a stereo audio power amplifier that drives 2 W/channel of continuous RMS power into a 4-load when utilizing a heat sink. Advanced dc volume control minimizes external components and allows BTL (speaker) volume control and SE (headphone) volume control.
The 20-pin DIP package allows for the use of a heatsink which provides higher output power.
To ensure a smooth transition between active and shutdown modes, a fade mode ramps the volume up and down. |
| Audio Amplifier Evaluation Boards | 1 | Active | |
| Integrated Circuits (ICs) | 2 | Active | |
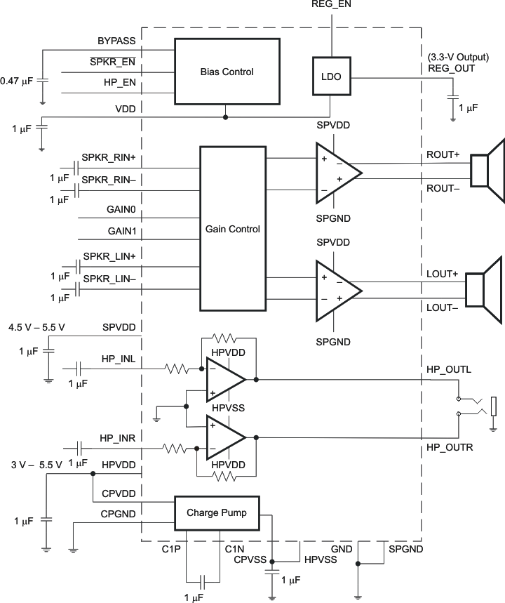
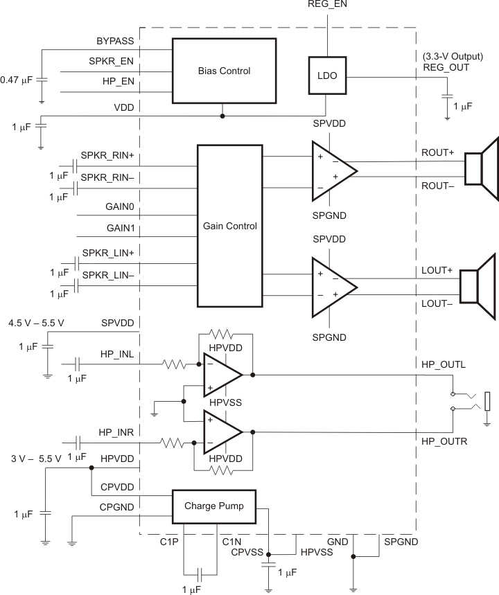
TPA6040A42-W, stereo Class-AB speaker & headphone amplifier, 4.75-V LDO & active low speaker enable | Audio Amplifier Evaluation Boards | 2 | Active | The TPA6040A4 is a stereo audio power amplifier and DirectPath™ headphone amplifier in a thermally enhanced, space-saving, 32-pin QFN package. The speaker amplifier is capable of driving 2 W per channel continuously into 4-loads at 5 V. The headphone amplifier achieves a minimum of 85 mW at 1% THD+N from a 5-V supply. A built-in internal 4-step gain control for the speaker amplifier and a fixed -1.5 V/V gain for the headphone amplifier minimizes external components needed.
Independent shutdown control and dedicated inputs for the speaker and headphone allow the TPA6040A4 to simultaneously drive both headphones and internal speakers. Differential inputs to the speaker amplifiers offer superior power-supply and common-mode noise rejection.
The TPA6040A4 is a stereo audio power amplifier and DirectPath™ headphone amplifier in a thermally enhanced, space-saving, 32-pin QFN package. The speaker amplifier is capable of driving 2 W per channel continuously into 4-loads at 5 V. The headphone amplifier achieves a minimum of 85 mW at 1% THD+N from a 5-V supply. A built-in internal 4-step gain control for the speaker amplifier and a fixed -1.5 V/V gain for the headphone amplifier minimizes external components needed.
Independent shutdown control and dedicated inputs for the speaker and headphone allow the TPA6040A4 to simultaneously drive both headphones and internal speakers. Differential inputs to the speaker amplifiers offer superior power-supply and common-mode noise rejection. |
TPA6041A42-W, stereo Class-AB speaker & headphone amplifier, 3.3-V LDO, active low enable & 10-21 dB gain | Linear | 1 | Active | The TPA6041A4 is a stereo audio power amplifier and DirectPath™ headphone amplifier in a thermally enhanced, space-saving, 32-pin QFN package. The speaker amplifier is capable of driving 2.1 W per channel continuously into 4-loads at 5 V. The headphone amplifier achieves a minimum of 85 mW at 1% THD+N from a 5-V supply. A built-in internal 4-step gain control for the speaker amplifier and a fixed -1.5 V/V gain for the headphone amplifier minimizes external components needed.
Independent shutdown control and dedicated inputs for the speaker and headphone allow the TPA6041A4 to simultaneously drive both headphones and internal speakers. Differential inputs to the speaker amplifiers offer superior power-supply and common-mode noise rejection.
The TPA6041A4 is a stereo audio power amplifier and DirectPath™ headphone amplifier in a thermally enhanced, space-saving, 32-pin QFN package. The speaker amplifier is capable of driving 2.1 W per channel continuously into 4-loads at 5 V. The headphone amplifier achieves a minimum of 85 mW at 1% THD+N from a 5-V supply. A built-in internal 4-step gain control for the speaker amplifier and a fixed -1.5 V/V gain for the headphone amplifier minimizes external components needed.
Independent shutdown control and dedicated inputs for the speaker and headphone allow the TPA6041A4 to simultaneously drive both headphones and internal speakers. Differential inputs to the speaker amplifiers offer superior power-supply and common-mode noise rejection. |
TPA6043A42-W, stereo Class-AB speaker & headphone amplifier, 3.3-V LDO, active low enable & 6-21.6 dB gain | Integrated Circuits (ICs) | 1 | Obsolete | The TPA6043A4 is a stereo audio power amplifier and DirectPath™ headphone amplifier in a thermally enhanced, space-saving, 32-pin QFN package. The speaker amplifier is capable of driving 2 W per channel continuously into 4-loads at 5 V. The headphone amplifier achieves a minimum of 85 mW at 1% THD+N from a 5-V supply. A built-in internal 4-step gain control for the speaker amplifier and a fixed -1.5 V/V gain for the headphone amplifier minimizes external components needed.
Independent shutdown control and dedicated inputs for the speaker and headphone allow the TPA6043A4 to simultaneously drive both headphones and internal speakers. Differential inputs to the speaker amplifiers offer superior power-supply and common-mode noise rejection.
The TPA6043A4 is a stereo audio power amplifier and DirectPath™ headphone amplifier in a thermally enhanced, space-saving, 32-pin QFN package. The speaker amplifier is capable of driving 2 W per channel continuously into 4-loads at 5 V. The headphone amplifier achieves a minimum of 85 mW at 1% THD+N from a 5-V supply. A built-in internal 4-step gain control for the speaker amplifier and a fixed -1.5 V/V gain for the headphone amplifier minimizes external components needed.
Independent shutdown control and dedicated inputs for the speaker and headphone allow the TPA6043A4 to simultaneously drive both headphones and internal speakers. Differential inputs to the speaker amplifiers offer superior power-supply and common-mode noise rejection. |
TPA6045A4C2-W, stereo Class-AB speaker & headphone amplifier, 3.3-V LDO & active high enable | Amplifiers | 1 | Active | The TPA6045A4C is a stereo audio power amplifier and DirectPath headphone amplifier in a thermally enhanced, space-saving, 32-pin QFN package. The speaker amplifier is capable of driving 2.1 W per channel continuously into 4-Ω; loads at 5 V. The headphone amplifier achieves a minimum of 85 mW at 1% THD+N from a 5-V supply. A built-in internal 4-step gain control for the speaker amplifier and a fixed - 1.5 V/V gain for the headphone amplifier minimizes external components needed.
Independent shutdown control and dedicated inputs for the speaker and headphone allow the TPA6045A4C to simultaneously drive both headphones and internal speakers. Differential inputs to the speaker amplifiers offer superior power-supply and common-mode noise rejection.
The TPA6045A4C is a stereo audio power amplifier and DirectPath headphone amplifier in a thermally enhanced, space-saving, 32-pin QFN package. The speaker amplifier is capable of driving 2.1 W per channel continuously into 4-Ω; loads at 5 V. The headphone amplifier achieves a minimum of 85 mW at 1% THD+N from a 5-V supply. A built-in internal 4-step gain control for the speaker amplifier and a fixed - 1.5 V/V gain for the headphone amplifier minimizes external components needed.
Independent shutdown control and dedicated inputs for the speaker and headphone allow the TPA6045A4C to simultaneously drive both headphones and internal speakers. Differential inputs to the speaker amplifiers offer superior power-supply and common-mode noise rejection. |