TLC6A598High power 8-bit phase-shift high-reliability driver for avionic applications | Power Management (PMIC) | 1 | Active | The TLC6A598 device is a monolithic, high-voltage, high-current power 8-bit shift register designed for use in systems that require relatively high load power, such as LEDs.
The device contains a built-in voltage clamp on the outputs for inductive transient protection. Power driver applications include relays, solenoids, and other high-current or high-voltage loads. Each open-drain DMOS transistor features an independent chopping current-limiting circuit to prevent damage in the case of a short circuit.
This device contains an 8-bit serial-in, parallel-out shift register that feeds an 8-bit D-type storage register. Outputs are low-side, open-drain DMOS transistors with output ratings of 50 V and 350-mA continuous sink-current capabilities. A built-in load open or load short diagnostic mechanism provides enhanced safety protection. The device provides a cycle redundancy check to verify register values in the shift registers. In read-back mode, the device provides 6 bits of the CRC remainder. The MCU can read back the CRC remainder and check if the remainder is correct to determine whether the communication loop between MCU and device is good.
The TLC6A598 characterization is for operation over the operating ambient temperature range of −55°C to 125°C.
The TLC6A598 device is a monolithic, high-voltage, high-current power 8-bit shift register designed for use in systems that require relatively high load power, such as LEDs.
The device contains a built-in voltage clamp on the outputs for inductive transient protection. Power driver applications include relays, solenoids, and other high-current or high-voltage loads. Each open-drain DMOS transistor features an independent chopping current-limiting circuit to prevent damage in the case of a short circuit.
This device contains an 8-bit serial-in, parallel-out shift register that feeds an 8-bit D-type storage register. Outputs are low-side, open-drain DMOS transistors with output ratings of 50 V and 350-mA continuous sink-current capabilities. A built-in load open or load short diagnostic mechanism provides enhanced safety protection. The device provides a cycle redundancy check to verify register values in the shift registers. In read-back mode, the device provides 6 bits of the CRC remainder. The MCU can read back the CRC remainder and check if the remainder is correct to determine whether the communication loop between MCU and device is good.
The TLC6A598 characterization is for operation over the operating ambient temperature range of −55°C to 125°C. |
| LED Driver Evaluation Boards | 1 | Active | |
TLC6C5724-Q1Automotive 24 channel Full diagnostics constant current RGB LED driver | LED Driver Evaluation Boards | 2 | Active | There are automotive applications for indicators and for LCD local-dimming backlighting. For these applications, more persons think multi-channel constant-current LED drivers are necessary. The requirement is to get the same intensity and color temperature of LEDs. For system-level safety, it is necessary that the LED drivers can sense faults.
The TLC6C5724-Q1 device is an automotive 24-channel constant-current RGB LED driver that can do tests on the LEDs. The TLC6C5724-Q1 device supplies a maximum of 50‑mA output current set by an external resistor. The device has a 7-bit dot correction with two ranges for each output. The device also has an 8-bit intensity control for the outputs of each color group. A 12-,10-, or 8-bit grayscale control adjusts the intensity of each output. The device has circuits that sense faults in the system, including LED faults, adjacent-pin short faults, reference-resistor faults, and more. A slew rate control has 2 positions for adjustment to get the largest decrease in system noise. There is an interval between the changes of output level from one LED group to a different one. This interval helps to decrease the starting electrical current. The SDI and SDO pins let more than one device be connected in series for control through one serial interface.
There are automotive applications for indicators and for LCD local-dimming backlighting. For these applications, more persons think multi-channel constant-current LED drivers are necessary. The requirement is to get the same intensity and color temperature of LEDs. For system-level safety, it is necessary that the LED drivers can sense faults.
The TLC6C5724-Q1 device is an automotive 24-channel constant-current RGB LED driver that can do tests on the LEDs. The TLC6C5724-Q1 device supplies a maximum of 50‑mA output current set by an external resistor. The device has a 7-bit dot correction with two ranges for each output. The device also has an 8-bit intensity control for the outputs of each color group. A 12-,10-, or 8-bit grayscale control adjusts the intensity of each output. The device has circuits that sense faults in the system, including LED faults, adjacent-pin short faults, reference-resistor faults, and more. A slew rate control has 2 positions for adjustment to get the largest decrease in system noise. There is an interval between the changes of output level from one LED group to a different one. This interval helps to decrease the starting electrical current. The SDI and SDO pins let more than one device be connected in series for control through one serial interface. |
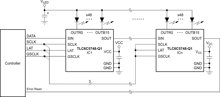
TLC6C5748-Q148-channel, 16-bit, PWM LED driver with internal current settings | Power Management (PMIC) | 1 | Active | The TLC6C5748-Q1 is a 48-channel, constant-current sink driver. Each channel has an individually-adjustable, pulse width modulation (PWM), grayscale (GS) brightness control with 65,536 steps and 128 steps of constant-current dot correction (DC). DC adjusts brightness deviation between channels. All channels have a 128-step global brightness control (BC). BC adjusts brightness deviation between the R, G, B color group. The eight-step maximum current control (MC) selects the maximum output current range for all channels of each color group. GS, DC, BC, and MC data are accessible with a serial interface port.
The TLC6C5748-Q1 has three error flags: LED open detection (LOD), LED short detection (LSD) and thermal shutdown (TSD). The error detection results can be read with a serial interface port.
The TLC6C5748-Q1 is a 48-channel, constant-current sink driver. Each channel has an individually-adjustable, pulse width modulation (PWM), grayscale (GS) brightness control with 65,536 steps and 128 steps of constant-current dot correction (DC). DC adjusts brightness deviation between channels. All channels have a 128-step global brightness control (BC). BC adjusts brightness deviation between the R, G, B color group. The eight-step maximum current control (MC) selects the maximum output current range for all channels of each color group. GS, DC, BC, and MC data are accessible with a serial interface port.
The TLC6C5748-Q1 has three error flags: LED open detection (LOD), LED short detection (LSD) and thermal shutdown (TSD). The error detection results can be read with a serial interface port. |
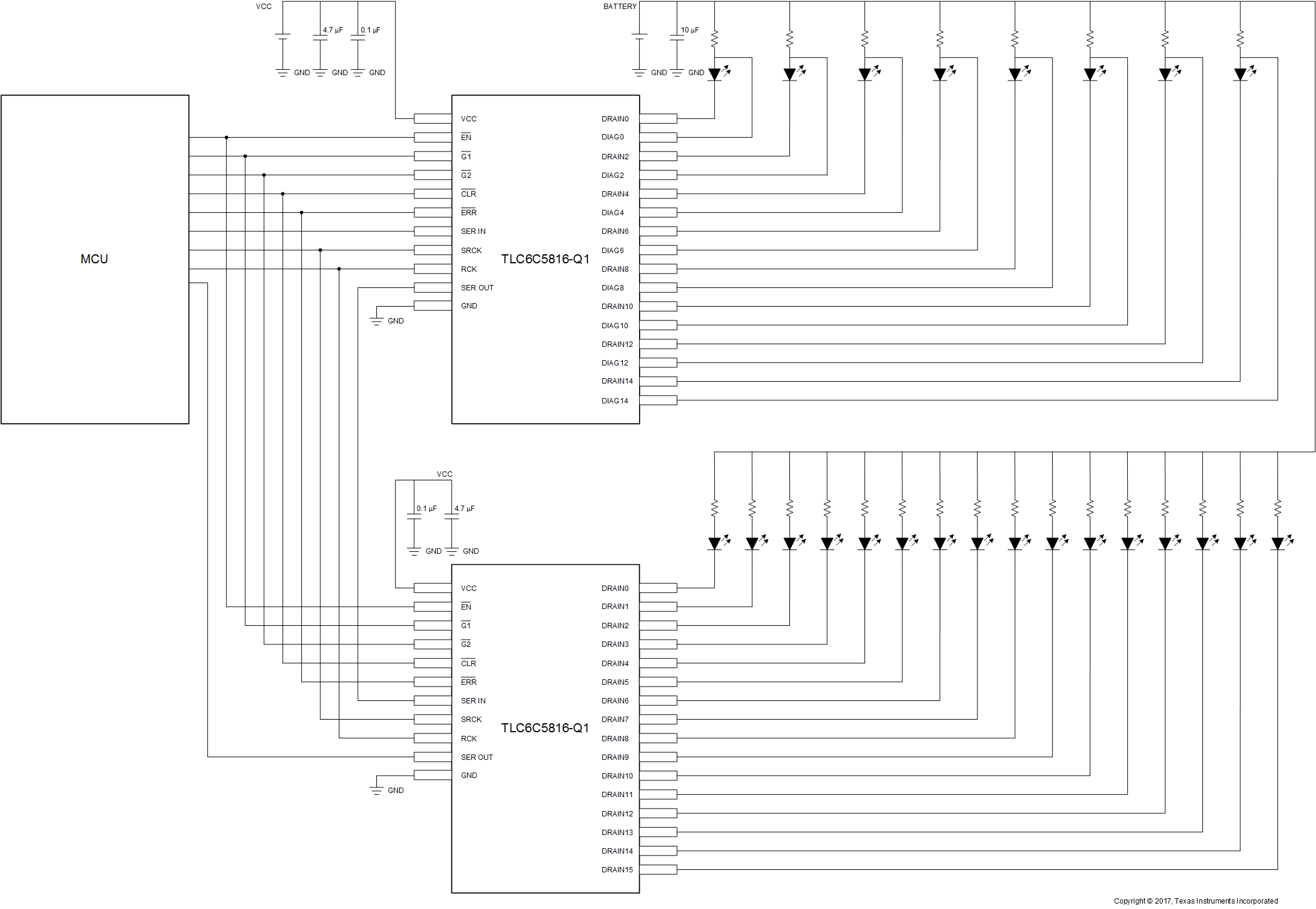
TLC6C5816-Q1Automotive power logic 16-bit Shift Register LED driver with diagnostics | Evaluation Boards | 2 | Active | There are various LED indicators in automotive applications. Some applications such as hybrid instrument clusters and E-shifters have safety requirements which must have LED fault diagnostics; other applications such as HVAC panels only have an LED on-off control, which does not require LED diagnostics. To cover both applications, the TLC6C5816-Q1 device implements a flexible LED diagnostics function. By writing to the registers, the output channels can be configured with LED diagnostics features or without LED diagnostics features.
The TLC6C5816-Q1 device is a 16-bit shift register LED driver designed to support automotive LED applications. A built-in LED open and LED short diagnostic mechanism provides enhanced safety protection. The device contains 16 channels with power DMOS transistor outputs. Eight of the channels support LED fault diagnostics by configuring corresponding registers, the device can drive 16 channels without diagnostics or 8 channels with diagnostics. The diagnostics channels DIAGn must connect to DRAINn to realize LED diagnostics. A command error fault implies that a channel is configured for LED diagnostics but a register write command has turned on the channel at the same time. The device provides a cyclic redundancy check to verify register values in the shift registers. In read-back mode, the device provides 6 bits of the CRC remainder. The MCU can read back the CRC remainder and check if the remainder is correct to determine whether the communication loop between MCU and device is good.
There are various LED indicators in automotive applications. Some applications such as hybrid instrument clusters and E-shifters have safety requirements which must have LED fault diagnostics; other applications such as HVAC panels only have an LED on-off control, which does not require LED diagnostics. To cover both applications, the TLC6C5816-Q1 device implements a flexible LED diagnostics function. By writing to the registers, the output channels can be configured with LED diagnostics features or without LED diagnostics features.
The TLC6C5816-Q1 device is a 16-bit shift register LED driver designed to support automotive LED applications. A built-in LED open and LED short diagnostic mechanism provides enhanced safety protection. The device contains 16 channels with power DMOS transistor outputs. Eight of the channels support LED fault diagnostics by configuring corresponding registers, the device can drive 16 channels without diagnostics or 8 channels with diagnostics. The diagnostics channels DIAGn must connect to DRAINn to realize LED diagnostics. A command error fault implies that a channel is configured for LED diagnostics but a register write command has turned on the channel at the same time. The device provides a cyclic redundancy check to verify register values in the shift registers. In read-back mode, the device provides 6 bits of the CRC remainder. The MCU can read back the CRC remainder and check if the remainder is correct to determine whether the communication loop between MCU and device is good. |
TLC6C5912-Q1Automotive power logic 12-bit Shift Register LED driver | Power Management (PMIC) | 1 | Active | The TLC6C5912-Q1 is a monolithic, medium-voltage, low-current power 12-bit shift register designed for use in systems that require relatively moderate load power, such as LEDs.
This device contains a 12-bit serial-in, parallel-out shift register that feeds a 12-bit D-type storage register. Data transfers through both the shift and storage registers on the rising edge of the shift-register clock (SRCK) and the register clock (RCK), respectively. The storage register transfers data to the output buffer when shift register clear (CLR) is high. A low onCLRclears all registers in the device. Holding the output enable (G) high holds all data in the output buffers low, and all drain outputs are off. HoldingGlow makes data from the storage register transparent to the output buffers.
When data in the output buffers is low, the DMOS transistor outputs are off. When data is high, the DMOS transistor outputs have sink-current capability. The serial output (SER OUT) clocks out of the device on the falling edge of SRCK to provide additional hold time for cascaded applications. This provides improved performance for applications where clock signals may be skewed, devices are not located near one another, or the system must tolerate electromagnetic interference. The device contains a built-in thermal shutdown protection.
Outputs are low-side, open-drain DMOS transistors with output ratings of 40 V and 50-mA continuous sink-current capabilities when VCC= 5 V. The current limit decreases as the junction temperature increases for additional device protection. The device also provides up to 2000 V of ESD protection when tested using the human-body model and 200 V when tested using the machine model.
The TLC6C5912-Q1 characterization is for operation over the operating ambient temperature range of −40°C to 125°C.
The TLC6C5912-Q1 is a monolithic, medium-voltage, low-current power 12-bit shift register designed for use in systems that require relatively moderate load power, such as LEDs.
This device contains a 12-bit serial-in, parallel-out shift register that feeds a 12-bit D-type storage register. Data transfers through both the shift and storage registers on the rising edge of the shift-register clock (SRCK) and the register clock (RCK), respectively. The storage register transfers data to the output buffer when shift register clear (CLR) is high. A low onCLRclears all registers in the device. Holding the output enable (G) high holds all data in the output buffers low, and all drain outputs are off. HoldingGlow makes data from the storage register transparent to the output buffers.
When data in the output buffers is low, the DMOS transistor outputs are off. When data is high, the DMOS transistor outputs have sink-current capability. The serial output (SER OUT) clocks out of the device on the falling edge of SRCK to provide additional hold time for cascaded applications. This provides improved performance for applications where clock signals may be skewed, devices are not located near one another, or the system must tolerate electromagnetic interference. The device contains a built-in thermal shutdown protection.
Outputs are low-side, open-drain DMOS transistors with output ratings of 40 V and 50-mA continuous sink-current capabilities when VCC= 5 V. The current limit decreases as the junction temperature increases for additional device protection. The device also provides up to 2000 V of ESD protection when tested using the human-body model and 200 V when tested using the machine model.
The TLC6C5912-Q1 characterization is for operation over the operating ambient temperature range of −40°C to 125°C. |
TLC6C598-Q1Automotive power logic 8-bit Shift Register LED driver | Power Management (PMIC) | 4 | Active | The TLC6C598-Q1 is a monolithic, medium-voltage, low-current power 8-bit shift register designed for use in systems that require relatively moderate load power, such as LEDs.
This device contains an 8-bit serial-in, parallel-out shift register that feeds an 8-bit D-type storage register. Data transfers through both the shift and storage registers on the rising edge of the shift-register clock (SRCK) and the register clock (RCK), respectively. The storage register transfers data to the output buffer when shift register clear (CLR) is high. A low onCLRclears all registers in the device. Holding the output enable (G) high, holds all data in the output buffers low, and all drain outputs are off. HoldingGlow makes data from the storage register transparent to the output buffers. When data in the output buffers is low, the DMOS transistor outputs are off. When data is high, the DMOS transistor outputs have sink-current capability. The serial output (SER OUT) clocks out of the device on the falling edge of SRCK to provide additional hold time for cascaded applications. This provides improved performance for applications where clock signals may be skewed, devices are not located near one another, or the system must tolerate electromagnetic interference. The device contains built-in thermal shutdown protection.
Outputs are low-side, open-drain DMOS transistors with output ratings of 40 V and 50 mA continuous sink-current capabilities when Vcc = 5 V. The current limit decreases as the junction temperature increases for additional device protection. The device also provides up to 2000 V of ESD protection when tested using the human-body model and 200 V when using the machine model.
The TLC6C598-Q1 characterization is for for operation over the operating ambient temperature range of −40°C to 125°C.
The TLC6C598-Q1 is a monolithic, medium-voltage, low-current power 8-bit shift register designed for use in systems that require relatively moderate load power, such as LEDs.
This device contains an 8-bit serial-in, parallel-out shift register that feeds an 8-bit D-type storage register. Data transfers through both the shift and storage registers on the rising edge of the shift-register clock (SRCK) and the register clock (RCK), respectively. The storage register transfers data to the output buffer when shift register clear (CLR) is high. A low onCLRclears all registers in the device. Holding the output enable (G) high, holds all data in the output buffers low, and all drain outputs are off. HoldingGlow makes data from the storage register transparent to the output buffers. When data in the output buffers is low, the DMOS transistor outputs are off. When data is high, the DMOS transistor outputs have sink-current capability. The serial output (SER OUT) clocks out of the device on the falling edge of SRCK to provide additional hold time for cascaded applications. This provides improved performance for applications where clock signals may be skewed, devices are not located near one another, or the system must tolerate electromagnetic interference. The device contains built-in thermal shutdown protection.
Outputs are low-side, open-drain DMOS transistors with output ratings of 40 V and 50 mA continuous sink-current capabilities when Vcc = 5 V. The current limit decreases as the junction temperature increases for additional device protection. The device also provides up to 2000 V of ESD protection when tested using the human-body model and 200 V when using the machine model.
The TLC6C598-Q1 characterization is for for operation over the operating ambient temperature range of −40°C to 125°C. |
| Power Management (PMIC) | 4 | Active | |
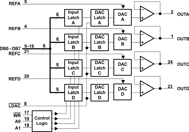
TLC72258-Bit, 5 us Quad DAC, Parallel Input, Simultaneous Update, Binary Input Coding | Data Acquisition | 3 | Active | The TLC7225 consists of four 8-bit voltage-output digital-to-analog converters (DACs), with output buffer amplifiers and interface logic with double register-buffering.
Separate on-chip latches are provided for each of the DACs. Data is transferred into one of these data latches through a common 8-bit TTL/CMOS-compatible (5 V) input port. Control inputs A0 and A1 determine which DAC is loaded when WR\ goes low. Only the data held in the DAC registers determines the analog outputs of the converters. The double register buffering allows simultaneous update of all four outputs under control of LDAC\. All logic inputs are TTL- and CMOS-level compatible and the control logic is speed compatible with most 8-bit microprocessors. Each DAC includes an output buffer amplifier capable of driving up to 5 mA of output current.
The TLC7225 performance is specified for input reference voltages from 2 V to VDD- 4 V with dual supplies. The voltage-mode configuration of the DACs allow the TLC7225 to be operated from a single power-supply rail at a reference of 10 V.
The TLC7225 is fabricated in a LinBiCMOSTMprocess that has been specifically developed to allow high-speed digital logic circuits and precision analog circuits to be integrated on the same chip. The TLC7225 has a common 8-bit data bus with individual DAC latches. This provides a versatile control architecture for simple interface to microprocessors. All latch-enable signals are level triggered.
Combining four DACs, four operational amplifiers, and interface logic into a small, 0.3-inch wide, 24-terminal SOIC allows significant reduction in board space requirements and offers increased reliability in systems using multiple converters. The pinout optimizes board layout with all of the analog inputs and outputs at one end of the package and all of the digital inputs at the other.
The TLC7225C is characterized for operation from 0°C to 70°C. The TLC7225I is characterized for operation from -25°C to 85°C.
The TLC7225 consists of four 8-bit voltage-output digital-to-analog converters (DACs), with output buffer amplifiers and interface logic with double register-buffering.
Separate on-chip latches are provided for each of the DACs. Data is transferred into one of these data latches through a common 8-bit TTL/CMOS-compatible (5 V) input port. Control inputs A0 and A1 determine which DAC is loaded when WR\ goes low. Only the data held in the DAC registers determines the analog outputs of the converters. The double register buffering allows simultaneous update of all four outputs under control of LDAC\. All logic inputs are TTL- and CMOS-level compatible and the control logic is speed compatible with most 8-bit microprocessors. Each DAC includes an output buffer amplifier capable of driving up to 5 mA of output current.
The TLC7225 performance is specified for input reference voltages from 2 V to VDD- 4 V with dual supplies. The voltage-mode configuration of the DACs allow the TLC7225 to be operated from a single power-supply rail at a reference of 10 V.
The TLC7225 is fabricated in a LinBiCMOSTMprocess that has been specifically developed to allow high-speed digital logic circuits and precision analog circuits to be integrated on the same chip. The TLC7225 has a common 8-bit data bus with individual DAC latches. This provides a versatile control architecture for simple interface to microprocessors. All latch-enable signals are level triggered.
Combining four DACs, four operational amplifiers, and interface logic into a small, 0.3-inch wide, 24-terminal SOIC allows significant reduction in board space requirements and offers increased reliability in systems using multiple converters. The pinout optimizes board layout with all of the analog inputs and outputs at one end of the package and all of the digital inputs at the other.
The TLC7225C is characterized for operation from 0°C to 70°C. The TLC7225I is characterized for operation from -25°C to 85°C. |
TLC72268-Bit, 5 us Quad DAC, Parallel Input, Single / Dual Supply | Digital to Analog Converters (DAC) | 5 | Active | The TLC7226C, TLC7226I, and TLC7226M consist of four 8-bit voltage-output digital-to-analog converters (DACs) with output buffer amplifiers and interface logic on a single monolithic chip.
Separate on-chip latches are provided for each of the four DACs. Data is transferred into one of these data latches through a common 8-bit TTL/CMOS-compatible 5-V input port. Control inputs A0 and A1 determine which DAC is loaded whenWRgoes low. The control logic is speed compatible with most 8-bit microprocessors.
Each DAC includes an output buffer amplifier capable of sourcing up to 5 mA of output current.
The TLC7226 performance is specified for input reference voltages from 2 V to VDD– 4 V with dual supplies. The voltage mode configuration of the DACs allows the TLC7226 to be operated from a single power supply rail at a reference of 10 V.
The TLC7226 is fabricated in a LinBiCMOS™ process that has been specifically developed to allow high-speed digital logic circuits and precision analog circuits to be integrated on the same chip. The TLC7226 has a common 8-bit data bus with individual DAC latches. This provides a versatile control architecture for simple interface to microprocessors. All latch-enable signals are level triggered.
Combining four DACs, four operational amplifiers, and interface logic into either a 0.3-inch wide, 20-terminal dual-in-line IC (DIP) or a small 20-terminal small-outline IC (SOIC) allows a dramatic reduction in board space requirements and offers increased reliability in systems using multiple converters. The Leadless Ceramic Chip Carrier (LCCC) package provides for operation at military temperature range. The pinout is aimed at optimizing board layout with all of the analog inputs and outputs at one end of the package and all of the digital inputs at the other.
The TLC7226C is characterized for operation from 0°C to 70°C. The TLC7226I is characterized for operation from –25°C to 85°C. The TLC7226M is characterized for operation from –55°C to 125°C.
The TLC7226C, TLC7226I, and TLC7226M consist of four 8-bit voltage-output digital-to-analog converters (DACs) with output buffer amplifiers and interface logic on a single monolithic chip.
Separate on-chip latches are provided for each of the four DACs. Data is transferred into one of these data latches through a common 8-bit TTL/CMOS-compatible 5-V input port. Control inputs A0 and A1 determine which DAC is loaded whenWRgoes low. The control logic is speed compatible with most 8-bit microprocessors.
Each DAC includes an output buffer amplifier capable of sourcing up to 5 mA of output current.
The TLC7226 performance is specified for input reference voltages from 2 V to VDD– 4 V with dual supplies. The voltage mode configuration of the DACs allows the TLC7226 to be operated from a single power supply rail at a reference of 10 V.
The TLC7226 is fabricated in a LinBiCMOS™ process that has been specifically developed to allow high-speed digital logic circuits and precision analog circuits to be integrated on the same chip. The TLC7226 has a common 8-bit data bus with individual DAC latches. This provides a versatile control architecture for simple interface to microprocessors. All latch-enable signals are level triggered.
Combining four DACs, four operational amplifiers, and interface logic into either a 0.3-inch wide, 20-terminal dual-in-line IC (DIP) or a small 20-terminal small-outline IC (SOIC) allows a dramatic reduction in board space requirements and offers increased reliability in systems using multiple converters. The Leadless Ceramic Chip Carrier (LCCC) package provides for operation at military temperature range. The pinout is aimed at optimizing board layout with all of the analog inputs and outputs at one end of the package and all of the digital inputs at the other.
The TLC7226C is characterized for operation from 0°C to 70°C. The TLC7226I is characterized for operation from –25°C to 85°C. The TLC7226M is characterized for operation from –55°C to 125°C. |