T
Texas Instruments
| Series | Category | # Parts | Status | Description |
|---|---|---|---|---|
| Part | Spec A | Spec B | Spec C | Spec D | Description |
|---|---|---|---|---|---|
| Series | Category | # Parts | Status | Description |
|---|---|---|---|---|
| Part | Spec A | Spec B | Spec C | Spec D | Description |
|---|---|---|---|---|---|
| Part | Category | Description |
|---|---|---|
Texas Instruments | Integrated Circuits (ICs) | BUS DRIVER, BCT/FBT SERIES |
Texas Instruments | Integrated Circuits (ICs) | 12BIT 3.3V~3.6V 210MHZ PARALLEL VQFN-48-EP(7X7) ANALOG TO DIGITAL CONVERTERS (ADC) ROHS |
Texas Instruments | Integrated Circuits (ICs) | TMX320DRE311 179PIN UBGA 200MHZ |
Texas Instruments TPS61040DRVTG4Unknown | Integrated Circuits (ICs) | IC LED DRV RGLTR PWM 350MA 6WSON |
Texas Instruments LP3876ET-2.5Obsolete | Integrated Circuits (ICs) | IC REG LINEAR 2.5V 3A TO220-5 |
Texas Instruments LMS1585ACSX-ADJObsolete | Integrated Circuits (ICs) | IC REG LIN POS ADJ 5A DDPAK |
Texas Instruments INA111APG4Obsolete | Integrated Circuits (ICs) | IC INST AMP 1 CIRCUIT 8DIP |
Texas Instruments | Integrated Circuits (ICs) | AUTOMOTIVE, QUAD 36V 1.2MHZ OPERATIONAL AMPLIFIER |
Texas Instruments OPA340NA/3KG4Unknown | Integrated Circuits (ICs) | IC OPAMP GP 1 CIRCUIT SOT23-5 |
Texas Instruments PT5112AObsolete | Power Supplies - Board Mount | DC DC CONVERTER 8V 8W |
| Series | Category | # Parts | Status | Description |
|---|---|---|---|---|
TLC5618AM12-Bit, 2.5 us Dual DAC, Serial Input, Pgrmable Settling Time, Simultaneous Update, Low Power | Data Acquisition | 2 | Active | The TLC5618 is a dual 12-bit voltage output digital-to-analog converter (DAC) with buffered reference inputs (high impedance). The DACs have an output voltage range that is two times the reference voltage, and the DACs are monotonic. The device is simple to use, running from a single supply of 5 V. A power-on reset function is incorporated in the device to ensure repeatable start-up conditions.
Digital control of the TLC5618 is over a 3-wire CMOS-compatible serial bus. The device receives a 16-bit word for programming and producing the analog output. The digital inputs feature Schmitt triggers for high noise immunity. Digital communication protocols include the SPI™, QSPI™, and Microwire™ standards.
Two versions of the device are available. The TLC5618 does not have an internal state machine and is dependent on all external timing signals. The TLC5618A has an internal state machine that counts the number of clocks from the falling edge of CS\ and then updates and disables the device from accepting further data inputs. The TLC5618A is recommended for TMS320 and SPI processors, and the TLC5618 is recommended only for SPI or 3-wire serial port processors. The TLC5618A is backward-compatible and designed to work in TLC5618 designed systems.
The 8-terminal small-outline D package allows digital control of analog functions in space-critical applications. The TLC5618C is characterized for operation from 0°C to 70°C. The TLC5618I is characterized for operation from \x9640°C to 85°C. The TLC5618Q is characterized for operation from \x9640°C to 125°C. The TLC5618M is characterized for operation from \x9655°C to 125°C.
The TLC5618 is a dual 12-bit voltage output digital-to-analog converter (DAC) with buffered reference inputs (high impedance). The DACs have an output voltage range that is two times the reference voltage, and the DACs are monotonic. The device is simple to use, running from a single supply of 5 V. A power-on reset function is incorporated in the device to ensure repeatable start-up conditions.
Digital control of the TLC5618 is over a 3-wire CMOS-compatible serial bus. The device receives a 16-bit word for programming and producing the analog output. The digital inputs feature Schmitt triggers for high noise immunity. Digital communication protocols include the SPI™, QSPI™, and Microwire™ standards.
Two versions of the device are available. The TLC5618 does not have an internal state machine and is dependent on all external timing signals. The TLC5618A has an internal state machine that counts the number of clocks from the falling edge of CS\ and then updates and disables the device from accepting further data inputs. The TLC5618A is recommended for TMS320 and SPI processors, and the TLC5618 is recommended only for SPI or 3-wire serial port processors. The TLC5618A is backward-compatible and designed to work in TLC5618 designed systems.
The 8-terminal small-outline D package allows digital control of analog functions in space-critical applications. The TLC5618C is characterized for operation from 0°C to 70°C. The TLC5618I is characterized for operation from \x9640°C to 85°C. The TLC5618Q is characterized for operation from \x9640°C to 125°C. The TLC5618M is characterized for operation from \x9655°C to 125°C. |
| Digital to Analog Converters (DAC) | 11 | Active | ||
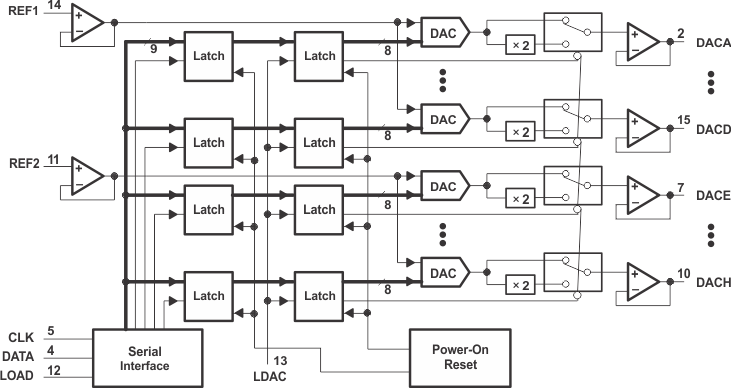
TLC56288-Bit, 10 us Octal DAC, Serial Input, Pgrmable for 1x or 2x Output, Simultaneous Update, Low Power | Digital to Analog Converters (DAC) | 7 | Active | The TLC5628C and TLC5628I are octal 8-bit voltage output digital-to-analog converters (DACs) with buffered reference inputs (high impedance). The DACs produce an output voltage that ranges between either one or two times the reference voltages and GND and are monotonic. The device is simple to use, running from a single supply of 5 V. A power-on reset function is incorporated to ensure repeatable start-up conditions.
Digital control of the TLC5628C and TLC5628I are over a simple three-wire serial bus that is CMOS compatible and easily interfaced to all popular microprocessor and microcontroller devices. The 12-bit command word comprises eightbits of data, three DAC select bits, and a range bit, the latter allowing selection between the times 1 or times 2 output range. The DAC registers are double buffered, allowing a complete set of new values to be written to the device, then all DAC outputs are updated simultaneously through control of LDAC. The digital inputs feature Schmitt triggers for high-noise immunity.
The 16-terminal small-outline (D) package allows digital control of analog functions in space-critical applications. The TLC5628C is characterized for operation from 0°C to 70°C. The TLC5628I is characterized for operation from -40°C to 85°C. The TLC5628C and TLC5628I do not require external trimming.
The TLC5628C and TLC5628I are octal 8-bit voltage output digital-to-analog converters (DACs) with buffered reference inputs (high impedance). The DACs produce an output voltage that ranges between either one or two times the reference voltages and GND and are monotonic. The device is simple to use, running from a single supply of 5 V. A power-on reset function is incorporated to ensure repeatable start-up conditions.
Digital control of the TLC5628C and TLC5628I are over a simple three-wire serial bus that is CMOS compatible and easily interfaced to all popular microprocessor and microcontroller devices. The 12-bit command word comprises eightbits of data, three DAC select bits, and a range bit, the latter allowing selection between the times 1 or times 2 output range. The DAC registers are double buffered, allowing a complete set of new values to be written to the device, then all DAC outputs are updated simultaneously through control of LDAC. The digital inputs feature Schmitt triggers for high-noise immunity.
The 16-terminal small-outline (D) package allows digital control of analog functions in space-critical applications. The TLC5628C is characterized for operation from 0°C to 70°C. The TLC5628I is characterized for operation from -40°C to 85°C. The TLC5628C and TLC5628I do not require external trimming. |
| Integrated Circuits (ICs) | 1 | Obsolete | ||
TLC59025Low-power 16-channel constant-current LED sink driver with 3.0-5.5V supply voltage | LED Drivers | 1 | Active | The TLC59025 device is designed for LED displays and LED lighting applications. The TLC59025 contains a 16-bit shift register and data latches, which convert serial input data into parallel output format. At the TLC59025 output stage, 16 regulated-current ports provide uniform and constant current for driving LEDs within a wide range of VF variations. Used in system design for LED display applications (for example, LED panels), the TLC59025 provides great flexibility and device performance. Users can adjust the output current from 3 mA to 45 mA through an external resistor, Rext, which gives flexibility in controlling the light intensity of LEDs. TLC59025 is designed for up to 17 V at the output port. The high clock frequency, 30 MHz, also satisfies the system requirements of high-volume data transmission.
The serial data is transferred into TLC59025 through SDI, shifted in the shift register, and transferred out through SDO. LE can latch the serial data in the shift register to the output latch.OEenables the output drivers to sink current.
The TLC59025 device is designed for LED displays and LED lighting applications. The TLC59025 contains a 16-bit shift register and data latches, which convert serial input data into parallel output format. At the TLC59025 output stage, 16 regulated-current ports provide uniform and constant current for driving LEDs within a wide range of VF variations. Used in system design for LED display applications (for example, LED panels), the TLC59025 provides great flexibility and device performance. Users can adjust the output current from 3 mA to 45 mA through an external resistor, Rext, which gives flexibility in controlling the light intensity of LEDs. TLC59025 is designed for up to 17 V at the output port. The high clock frequency, 30 MHz, also satisfies the system requirements of high-volume data transmission.
The serial data is transferred into TLC59025 through SDI, shifted in the shift register, and transferred out through SDO. LE can latch the serial data in the shift register to the output latch.OEenables the output drivers to sink current. |
TLC59048/16-channel LED driver | Integrated Circuits (ICs) | 1 | Active | The TLC5904 is a constant current driver incorporating shift register, data latch, and constant current circuitry with current value adjustable and a 256 gray scale display using pulse width control. The output current can be selected as maximum 80 mA with 16 bits or 120 mA with 8 bits, and the current value of constant current output can be set by one external resistor. After this device is mounted on a PCB, the brightness deviation between LED modules (ICs) can be adjusted by external data input, and the brightness control for the panel can be accomplished by the brightness adjustment circuitry. Also, the device incorporates the output voltage monitor (OVM) used for LED open detection (LOD) by monitoring the constant current output. Moreover, the device incorporates watchdog time (WDT) circuitry, which turns the constant current output off when a scan signal is stopped at the dynamic scanning operation, and thermal shutdown (TSD) circuitry, which turns the constant current output off when the junction temperature exceeds the limit.
The TLC5904 is a constant current driver incorporating shift register, data latch, and constant current circuitry with current value adjustable and a 256 gray scale display using pulse width control. The output current can be selected as maximum 80 mA with 16 bits or 120 mA with 8 bits, and the current value of constant current output can be set by one external resistor. After this device is mounted on a PCB, the brightness deviation between LED modules (ICs) can be adjusted by external data input, and the brightness control for the panel can be accomplished by the brightness adjustment circuitry. Also, the device incorporates the output voltage monitor (OVM) used for LED open detection (LOD) by monitoring the constant current output. Moreover, the device incorporates watchdog time (WDT) circuitry, which turns the constant current output off when a scan signal is stopped at the dynamic scanning operation, and thermal shutdown (TSD) circuitry, which turns the constant current output off when the junction temperature exceeds the limit. |
TLC59058/16 channel LED driver with Selectable Data Output Timing | Integrated Circuits (ICs) | 1 | Active | The TLC5905 is a constant current driver that incorporates shift register, data latch, constant current circuitry with a current value adjustable and 256 gray scale display that uses pulse width control. The output current can be selected as maximum 80 mA with 16 bits or 120 mA with 8 bit. The current value of the constant current output is set by one external resistor. After this device is mounted on a printed-circuit board (PCB), the brightness deviation between LED modules (ICs) can be adjusted using an external data input, and the brightness control for the panel can be accomplished by the brightness adjustment circuitry. Also, the device incorporates the output voltage monitor (OVM) used for LED open detection (LOD) by monitoring constant current output. Moreover, the device incorporates watchdog timer (WDT) circuitry, which turns constant current output off when the scan signal stops during dynamic scanning operation, and thermal shutdown (TSD) circuitry, which turns constant current output off when the junction temperature exceeds the limit.
The TLC5905 is a constant current driver that incorporates shift register, data latch, constant current circuitry with a current value adjustable and 256 gray scale display that uses pulse width control. The output current can be selected as maximum 80 mA with 16 bits or 120 mA with 8 bit. The current value of the constant current output is set by one external resistor. After this device is mounted on a printed-circuit board (PCB), the brightness deviation between LED modules (ICs) can be adjusted using an external data input, and the brightness control for the panel can be accomplished by the brightness adjustment circuitry. Also, the device incorporates the output voltage monitor (OVM) used for LED open detection (LOD) by monitoring constant current output. Moreover, the device incorporates watchdog timer (WDT) circuitry, which turns constant current output off when the scan signal stops during dynamic scanning operation, and thermal shutdown (TSD) circuitry, which turns constant current output off when the junction temperature exceeds the limit. |
| Integrated Circuits (ICs) | 1 | Obsolete | ||
TLC59108F8-bit Fast-Mode Plus (FM+) I2C-Bus LED driver | Integrated Circuits (ICs) | 2 | Active | The TLC59108F device is an I2C bus controlled 8-bit LED driver optimized for red, green, blue, or amber (RGBA) color-mixing applications. Each LED output has its own 8-bit resolution (256 steps) fixed frequency individual PWM controller that operates at 97 kHz with a duty cycle that is adjustable from 0% to 99.6% to allow the LED to be set to a specific brightness value. An additional 8-bit resolution (256 steps) group PWM controller has both a fixed frequency of 190 Hz and an adjustable frequency between 24 Hz to once every 10.73 seconds with a duty cycle that is adjustable from 0% to 99.6% that is used to either dim or blink all LEDs with the same value.
Each LED output can be off, on (no PWM control), set at its individual PWM controller value or at both individual and group PWM controller values. The TLC59108F operates with a supply voltage range of 3 V to 5.5 V and the outputs are 17-V tolerant. LEDs can be directly connected to the TLC59108F device outputs.
The TLC59108F device is an I2C bus controlled 8-bit LED driver optimized for red, green, blue, or amber (RGBA) color-mixing applications. Each LED output has its own 8-bit resolution (256 steps) fixed frequency individual PWM controller that operates at 97 kHz with a duty cycle that is adjustable from 0% to 99.6% to allow the LED to be set to a specific brightness value. An additional 8-bit resolution (256 steps) group PWM controller has both a fixed frequency of 190 Hz and an adjustable frequency between 24 Hz to once every 10.73 seconds with a duty cycle that is adjustable from 0% to 99.6% that is used to either dim or blink all LEDs with the same value.
Each LED output can be off, on (no PWM control), set at its individual PWM controller value or at both individual and group PWM controller values. The TLC59108F operates with a supply voltage range of 3 V to 5.5 V and the outputs are 17-V tolerant. LEDs can be directly connected to the TLC59108F device outputs. |
| Power Management (PMIC) | 1 | Obsolete | ||